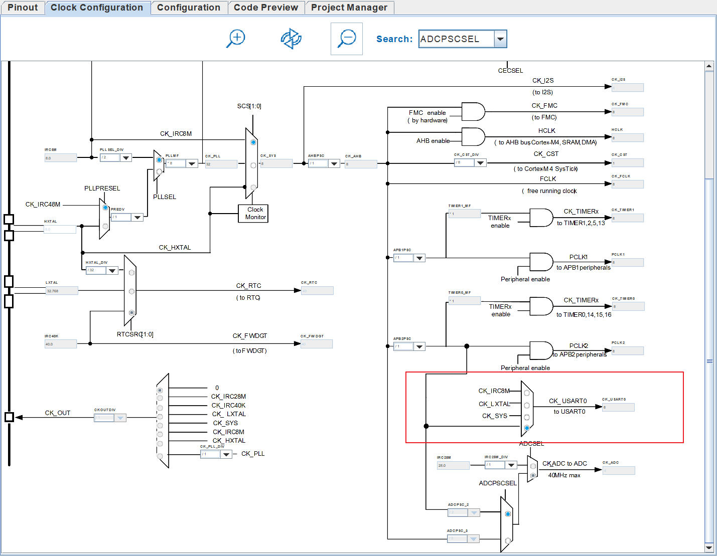
- 记录一下,要想用哪些外设,比如石油时钟要求的,一定要看看时钟树上有哪些外设能够用,否则没有办法使用
-
比如这里只有显示了串口 0,所以只有串口 0 可以使用,串口 1 就是用不了,时钟会出现错误
- 后面如果有机会,还需要去看看怎么看这个时钟树,怎么操作这个时钟树才行!!!
- 所以在使用板子的时候一定要和软件商量好,哪些资源怎么用,哪些端口怎么用不然会导致很痛苦的
浅浅记录一下 GD32F350K8U6 使用串口1 无法发送数据的问题
最新推荐文章于 2025-11-30 13:41:55 发布

1495
336

被折叠的 条评论
为什么被折叠?