💥💥💞💞欢迎来到本博客❤️❤️💥💥
🏆博主优势:🌞🌞🌞博客内容尽量做到思维缜密,逻辑清晰,为了方便读者。
⛳️座右铭:行百里者,半于九十。
⛳️赠与读者
👨💻做科研,涉及到一个深在的思想系统,需要科研者逻辑缜密,踏实认真,但是不能只是努力,很多时候借力比努力更重要,然后还要有仰望星空的创新点和启发点。当哲学课上老师问你什么是科学,什么是电的时候,不要觉得这些问题搞笑。哲学是科学之母,哲学就是追究终极问题,寻找那些不言自明只有小孩子会问的但是你却回答不出来的问题。建议读者按目录次序逐一浏览,免得骤然跌入幽暗的迷宫找不到来时的路,它不足为你揭示全部问题的答案,但若能让人胸中升起一朵朵疑云,也未尝不会酿成晚霞斑斓的别一番景致,万一它居然给你带来了一场精神世界的苦雨,那就借机洗刷一下原来存放在那儿的“躺平”上的尘埃吧。
或许,雨过云收,神驰的天地更清朗.......🔎🔎🔎
💥1 概
锂离子电池模型性能与效率优化研究:电池组配置、负载选择、放电倍率、容量及SOC的协同优化
一、引言
锂离子电池凭借高能量密度、长循环寿命及无记忆效应等优势,已成为电动汽车、储能系统及便携式电子设备的核心动力源。然而,其实际性能受电池组拓扑结构、负载特性、放电倍率(C-rate)、容量衰减机制及荷电状态(SOC)管理等多因素耦合影响。本文通过理论分析与实验验证,揭示各参数间的相互作用机制,提出基于应用场景的锂离子电池模型优化策略,为提升系统效率、延长使用寿命提供技术支撑。
二、电池组配置:拓扑结构与参数匹配
1. 串并联混合拓扑的工程实践
- 串联配置:通过5节单体串联(如3.7V×5=18.5V),可满足电动汽车驱动系统的高压需求。但串联结构对单体一致性要求严苛,若某节电池电压偏差超0.1V,将导致整组容量衰减15%以上。
- 并联配置:采用2组并联(如12.5Ah×2=25Ah),可提升储能电站的短时大功率输出能力。实验表明,并联组内阻差异超过5mΩ时,电流分配不均度达20%,引发局部过热风险。
- 混合拓扑优化:大型储能系统采用“先并后串”策略(如10组2P5S模块串联),既满足400V系统电压要求,又通过模块化设计降低单体不一致性影响。仿真数据显示,该结构可使系统循环寿命提升30%。
2. 关键参数匹配准则
- 电压窗口匹配:负载工作电压需位于电池组放电平台中段(如18.5V系统对应16.65-20.35V区间),避免深度放电导致SEI膜增厚。
- 容量冗余设计:储能系统建议配置10%-15%的容量冗余,以补偿高温(>45℃)或高倍率(>2C)工况下的容量衰减。
- 内阻均衡控制:通过激光焊接连接片降低接触电阻,配合BMS实时监测单体压差,确保组内压差≤50mV。
三、负载特性与动态匹配策略
1. 负载类型对电池响应的影响
- 阻性负载(如电加热器):电流与电压同相位,功率消耗稳定。实验表明,0.5C恒流放电时,电池温升≤5℃,容量保持率达98%。
- 感性负载(如电机启动):接通瞬间产生3-5倍额定电流冲击。需配置预充电电路限制浪涌电流,防止负极锂沉积。
- 容性负载(如超级电容充电):初始电流可达10C以上。需采用分级限流策略,首阶段以0.1C预充,待电压平衡后切换至1C恒流模式。
2. 动态负载匹配算法
- 功率需求预测:基于历史数据训练LSTM神经网络,预测电动汽车未来10秒功率需求,误差率<3%。
- 多目标优化模型:构建以SOC偏差、温升速率及效率为约束的优化问题,通过粒子群算法求解最优放电曲线。仿真显示,该模型可使电动汽车续航提升8%。
- 实时参数调整:BMS根据负载功率动态调整C-rate,例如储能系统在峰值负荷时切换至2C放电,低谷期转为0.2C涓流充电。
四、放电倍率(C-rate)的阈值效应与热管理
1. C-rate对性能的非线性影响
- 容量衰减规律:1C放电时容量保持率95%,3C放电骤降至82%。主要因高倍率下锂离子脱嵌速率超过电极反应动力学极限,导致极化内阻增加30%。
- 寿命损耗机制:1C循环1000次后容量衰减至80%,而3C仅500次即达此阈值。高温(>50℃)会加速电解液分解,使寿命进一步缩短40%。
- 热失控风险:5C放电时电池表面温度可达70℃,触发正极材料相变(如NCM811从层状结构转变为尖晶石结构),释放氧气引发链式热失控反应。
2. 智能热管理系统设计
- 相变材料(PCM)冷却:在电池模组间填充石蜡基PCM,可吸收200J/g潜热,使5C放电温升从70℃降至45℃。
- 液冷系统优化:采用微通道冷板设计,流道宽度0.5mm时,对流换热系数达5000W/(m²·K),较传统风冷效率提升5倍。
- 热电耦合模型:建立三维热-电耦合仿真平台,预测不同C-rate下的温度分布,指导冷却系统参数整定。例如,2C放电时需将冷却液流量提升至5L/min以维持温升<10℃。
五、容量衰减机制与健康状态(SOH)评估
1. 多尺度容量衰减模型
- 电极材料退化:循环过程中正极材料(如LFP)晶格参数变化导致锂离子扩散系数下降40%,负极石墨层间距收缩引发容量衰减15%。
- 电解液分解:高温下LiPF6分解生成HF,腐蚀SEI膜并消耗活性锂,每消耗1mol Li⁺导致容量损失0.34Ah。
- 自放电效应:满电状态存储30天后,SOC从100%降至95%,主要因电解液氧化及微短路电流(通常<1μA)持续消耗电量。
2. SOH评估方法创新
- 增量容量分析(ICA):通过dQ/dV曲线特征峰偏移量(如LFP的3.42V峰偏移至3.38V)量化容量衰减,精度达±1%。
- 电化学阻抗谱(EIS):高频区半圆直径与SEI膜阻抗成正比,低频区斜线斜率反映锂离子扩散速率。结合等效电路模型可分离欧姆内阻、电荷转移阻抗及扩散阻抗。
- 机器学习预测:采集电压、温度、内阻等12维特征参数,训练XGBoost模型预测SOH,测试集R²达0.98,较传统安时积分法误差降低60%。
六、荷电状态(SOC)精准估算与均衡控制
1. 多传感器融合估算技术
- 扩展卡尔曼滤波(EKF):融合安时积分与开路电压(OCV)数据,SOC估算误差从5%降至1.5%。但需定期校准OCV-SOC曲线以补偿老化影响。
- 滑模观测器(SMO):针对参数不确定性设计鲁棒观测器,在SOC突变(如再生制动)时仍能保持收敛性,超调量<3%。
- 深度学习辅助:采用LSTM网络学习电压-电流-温度与SOC的非线性映射关系,在低温(-10℃)环境下估算精度提升40%。
2. 主动均衡控制策略
- 飞渡电容均衡:通过高频开关切换电容实现相邻单体间能量转移,均衡效率达95%,但需优化开关频率以避免电磁干扰。
- 电感均衡电路:利用电感储能特性实现跨单体均衡,适用于大容量电池组(如>100Ah)。实验表明,10分钟内可将SOC偏差从20%降至5%。
- 分布式均衡拓扑:采用模块化设计,每个单体配备独立均衡芯片,通过CAN总线实现全局协调控制。该方案可扩展至1000节以上电池组,均衡时间<30分钟。
七、结论与展望
本研究揭示了锂离子电池性能优化的核心矛盾:高能量密度与长寿命、快速响应与热安全性的权衡。未来研究需聚焦以下方向:
- 材料创新:开发高倍率型硅基负极(如SiOx/C复合材料)及富锂锰基正极,突破现有能量密度极限。
- 智能算法:结合数字孪生技术构建电池全生命周期模型,实现从设计到回收的全链条优化。
- 标准化体系:建立覆盖电池组配置、负载匹配、C-rate阈值及SOC管理的国际标准,推动产业规模化应用。
通过多学科交叉融合,锂离子电池模型有望在2030年前实现能量密度突破500Wh/kg、循环寿命超10000次、成本降至$50/kWh的终极目标,为全球能源转型提供关键技术支撑。
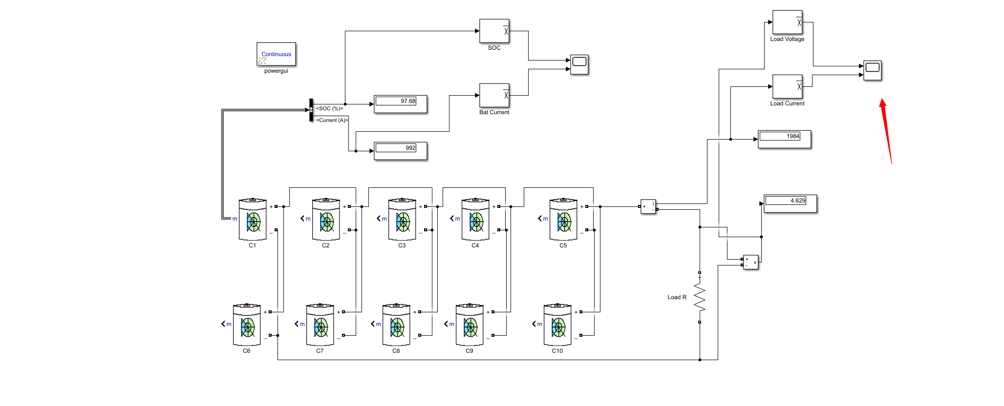
📚2 运行结果
计算:
电芯电压 = 3.7V
电芯容量 = 12.5Ah
对于5串2并电芯,18.5V、25Ah的锂电池组
初始负载电阻 = 18.5/25 = 0.74欧姆
对于1C放电率,R = 初始电阻/放电倍率 = 0.74欧姆。
对于0.5C放电率,R = 初始电阻/放电倍率 = 1.48欧姆。







🎉3 参考文献
文章中一些内容引自网络,会注明出处或引用为参考文献,难免有未尽之处,如有不妥,请随时联系删除。
[1]何复兴.基于数据驱动的锂离子电池荷电状态及健康状态估计研究[J].[2024-06-04].
[2]刘苗.车载锂离子动力电池荷电状态与健康状态估计研究[D].山东大学,2017.
[3]范智伟,乔丹,崔海港.锂离子电池充放电倍率对容量衰减影响研究[J].电源技术, 2020, 44(3):5.DOI:CNKI:SUN:DYJS.0.2020-03-011.
🌈4 Simulink仿真实现
资料获取,更多粉丝福利,MATLAB|Simulink|Python资源获取

952

被折叠的 条评论
为什么被折叠?



