💥💥💞💞欢迎来到本博客❤️❤️💥💥
🏆博主优势:🌞🌞🌞博客内容尽量做到思维缜密,逻辑清晰,为了方便读者。
⛳️座右铭:行百里者,半于九十。
💥1 概述
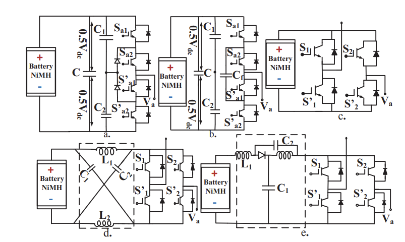
已经对NPC、Z源、准Z源、级联和电容夹紧等五种多电平变换器拓扑进行了研究和比较,从THD、效率、所需半导体数量和其他重要特性等方面,以找到最适合在电池储能系统(BESS)应用中使用的拓扑。结果证明,级联拓扑性能优于其他类型。选择这种拓扑有三个原因。首先,进行了效率和可靠性研究,发现相对于其他拓扑,CMLI具有最高的效率和可靠性,并且具有最小的功率损失。其次,它将电池串联分割,并增加了高电压功能。最后,电容体积、成本和THD研究再次证实了该拓扑在电池储能系统中的有效性。
摘要—将电池储能系统(BESS)整合到电网中已被提出作为一种有效的解决方案,用于缓解由可再生资源的间歇性模式引起的电压和频率不稳定性问题。BESS的最重要应用之一是在不依赖外部输电网络的情况下恢复电力系统的运行。为了防止对发电厂昂贵设备的潜在损坏,变换器必须产生高质量和可靠的三相电压。本研究提供了基于仿真的调查,以审查不同的多电平逆变器拓扑,以找到更适合BESS应用的多电平逆变器结构。调查已进行量化和定性研究。在量化研究中,对每种逆变器拓扑的输出规格进行了审查,而在定性研究中,则对可靠性、模块化和功能等其他特性进行了审查。所有拓扑在相同的操作条件下在MATLAB/Simulink中进行了仿真。
关键词—多电平变换器、电池储能、高功率应用。


不同多电平变换器拓扑在电池储能应用中的研究
摘要
多电平变换器通过输出阶梯波逼近正弦波,可降低开关损耗、减少谐波污染,是中高压电池储能系统的优选方案。本文对比分析了二极管箝位型、飞跨电容型、级联H桥型及模块化多电平型(MMC)四种拓扑在电池储能系统中的性能差异,并总结其适用场景。
1. 引言
电池储能系统需满足充放电模式、功率等级等特性要求,对多电平变换器的效率、谐波抑制及动态响应提出挑战。多电平变换器通过分段式电压输出降低谐波含量,提升电能质量,成为中高压储能系统的核心设备。
2. 多电平变换器拓扑分类与特性
2.1 二极管箝位型(Diode Clamped MLC)
- 结构:利用二极管与电容器形成电压分配电路,实现多电平输出。
- 优势:结构简单、控制成熟,高电平数时波形质量最优。
- 局限:高电平数时二极管与电容数量激增,系统成本上升;大功率场景下效率略有下降。
- 适用场景:中压大容量储能系统,如电网调频、可再生能源并网。
2.2 飞跨电容型(Flying Capacitor MLC)
- 结构:通过飞跨电容器调节各级电压,实现多电平输出。
- 优势:灵活性与扩展性强,可通过增加电容实现更多电平;能量效率较高。
- 局限:电容均压问题突出,电容寿命与可靠性需重点关注。
- 适用场景:需要高电压精度的储能系统,如电动汽车充电桩、分布式发电。
2.3 级联H桥型(Cascaded Multilevel Converter, CMC)
- 结构:由多个独立H桥单元级联而成,每个单元可独立控制。
- 优势:
- 输出电压波形质量高,谐波含量低;
- 模块化设计便于扩展与维护;
- 避免大规模电池串联,降低管理难度。
- 局限:电平数增加导致系统复杂性与成本上升。
- 适用场景:高压大功率储能系统,如高压直流输电、大型工业电机驱动。
2.4 模块化多电平型(Modular Multilevel Converter, MMC)
- 结构:由多个子模块组成,每个子模块包含功率开关器件与储能单元。
- 优势:
- 模块化结构支持灵活扩展;
- 低器件耐压要求,降低硬件成本;
- 高容错能力,单个子模块故障不影响整体运行。
- 局限:子模块间均压问题复杂,控制策略设计难度大。
- 适用场景:中高压大容量储能系统,如柔性直流输电、电力机车牵引。
3. 性能对比与仿真分析
通过MATLAB/Simulink对四种拓扑进行建模与仿真,主要结果如下:
3.1 输出电压波形质量
- 级联H桥型:电平数增加时波形最平滑,谐波含量最低。
- 二极管箝位型:高电平数下波形质量次优,但低电平数时谐波抑制能力较弱。
- 飞跨电容型:波形质量与电容均压控制效果密切相关,均压良好时谐波含量较低。
- MMC型:波形质量受子模块均压控制影响,需优化控制策略以提升性能。
3.2 效率与损耗
- 飞跨电容型:结构灵活性使其能量效率最高,但电容损耗需权衡。
- 级联H桥型:模块化设计降低开关损耗,整体效率较高。
- 二极管箝位型:大功率场景下效率略有下降,因二极管导通损耗增加。
- MMC型:子模块数量多导致导通损耗较高,需通过优化控制降低损耗。
3.3 动态响应能力
- MMC型:负载变化时电压恢复最快,适合快速变化的储能系统。
- 级联H桥型:动态响应速度次优,但稳定性强。
- 二极管箝位型与飞跨电容型:动态响应能力相当,需通过控制策略优化提升性能。
4. 应用场景推荐
| 拓扑类型 | 推荐应用场景 |
|---|---|
| 二极管箝位型 | 中压大容量储能系统,如电网调频、可再生能源并网 |
| 飞跨电容型 | 高电压精度要求的储能系统,如电动汽车充电桩、分布式发电 |
| 级联H桥型 | 高压大功率储能系统,如高压直流输电、大型工业电机驱动 |
| 模块化多电平型(MMC) | 中高压大容量储能系统,如柔性直流输电、电力机车牵引 |
5. 结论与展望
多电平变换器在电池储能系统中具有显著优势,不同拓扑结构需根据具体需求选择:
- 追求波形质量与模块化:优先选择级联H桥型;
- 注重效率与成本:飞跨电容型或二极管箝位型更合适;
- 需要高容错与灵活性:MMC型是最佳选择。
未来研究可聚焦于:
- 优化控制策略以降低谐波含量与开关损耗;
- 解决多电平变换器的电磁兼容性问题;
- 推动多电平变换器在可再生能源发电与智能电网中的广泛应用。
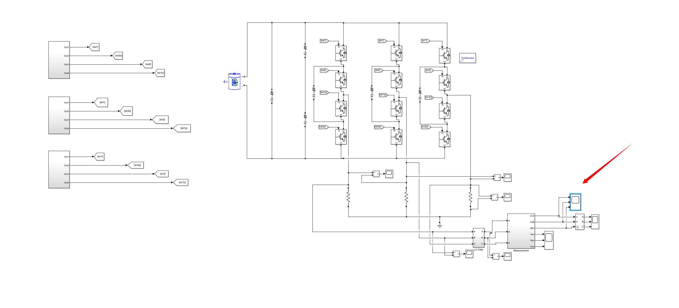
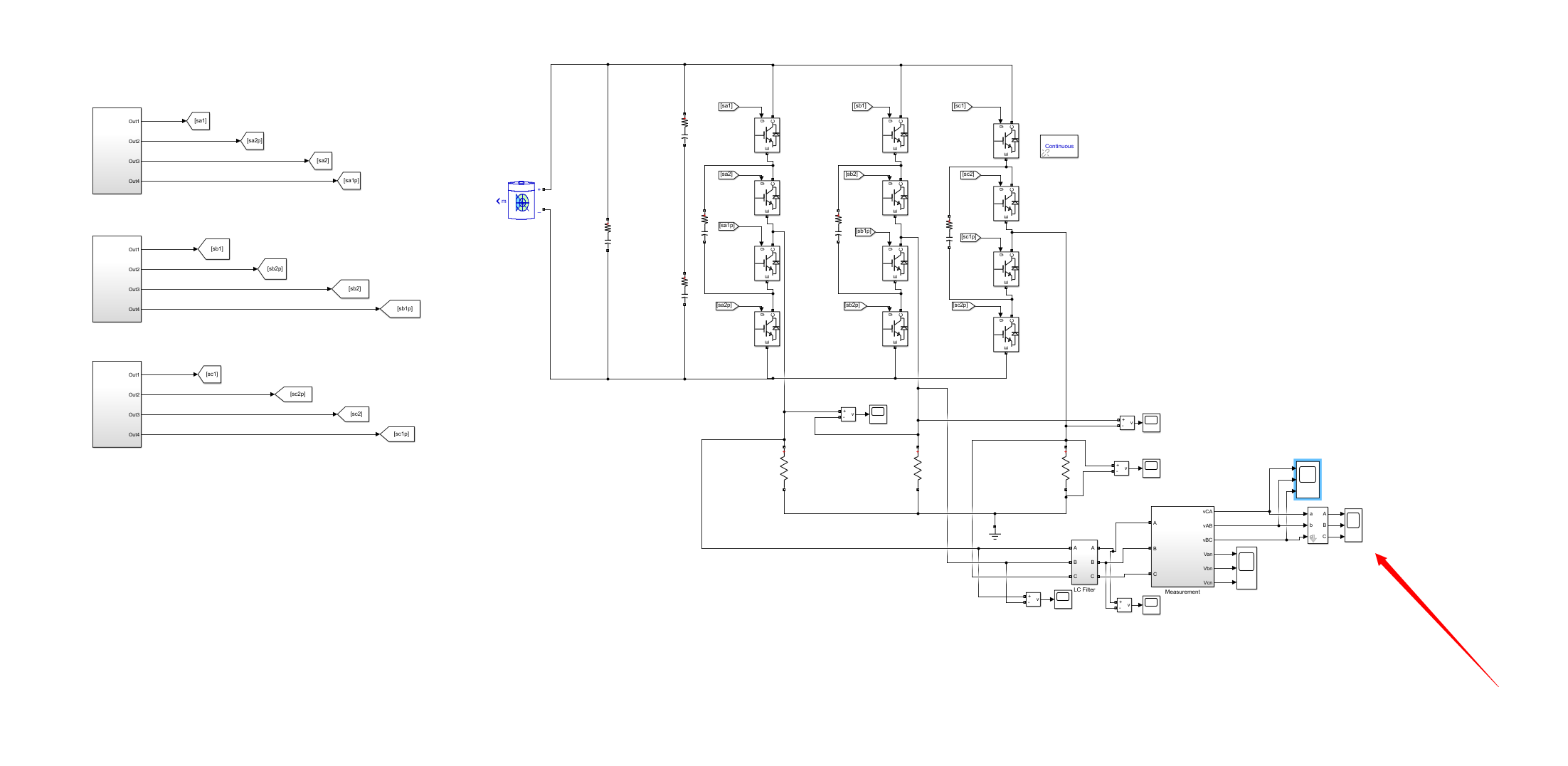
📚2 运行结果














🎉3 参考文献
文章中一些内容引自网络,会注明出处或引用为参考文献,难免有未尽之处,如有不妥,请随时联系删除。

409

被折叠的 条评论
为什么被折叠?



