如今越来越多的电子设备开始做“减法”设计,去掉了一些传统接口和功能,不仅是考虑到简约美观方便携带,更是为了提高续航给核心性能让路。为解决市面上轻薄笔记本电脑的接口不足问题,愈来愈多的用户采用外接拓展坞的方式进行连接,以满足不同工作娱乐场景下的需求。
拓展坞(又称扩展坞或底座)是一种外接设备,用于笔记本电脑、平板电脑甚至手机提供额外的接口和功能扩展,使其能够连接更多外设(如显示器、键盘、鼠标、硬盘、网线等),弥补设备本身接口不足的问题, 大幅提高工作效率。拓展坞通常通过Type-C接口与计算机或其他设备连接,Type-C属于“全功能”型接口,它不仅同时兼容各类文件传输、视频传输、供电协议,还支持更多其他的USB方面的拓展功能,拓展坞就是利用强大的Type-C口转接出不同类型的接口,满足日常工作和生活中多样化的需要。
拓展坞作为多接口集成设备,可同时处理高速数据传输与多设备供电,其对电路稳定性及元件可靠性提出了严苛要求。该方案通过分级泄放能量、电压钳位及动态电流控制,显著提升拓展坞在复杂电磁环境下的抗干扰能力,保障数据传输完整性与电源稳定性,从而延长设备使用寿命并降低维护成本。
静电对扩展坞接口的危害
静电对扩展坞接口的危害主要体现在以下几个方面,这些危害可能导致设备性能下降、功能失效甚至硬件损坏:
1.破坏内部器件
静电放电产生的高压(通常可达数千伏)可能直接击穿扩展坞接口中的集成电路(IC)、晶体管、二极管等敏感元件的绝缘层,导致短路或永久性损坏。静电可能击穿电容、电阻等元件的绝缘介质,影响其性能,进而影响扩展坞的整体功能。
2.影响信号传输
静电放电会产生瞬间电磁脉冲,干扰扩展坞接口的信号传输,导致数据错误或通信中断。这对于依赖高速数据传输的接口(如USB 3.0、HDMI等)尤为严重。
3.影响设备可靠性
静电引起的电磁干扰可能导致扩展坞接口的性能下降,如传输速率降低、延迟增加等。长期受到静电影响的扩展坞接口,其内部元件可能逐渐老化,从而缩短整个设备的寿命。
扩展坞防护完整方案
本方案以绿联CM512 Type-C 9合1多功能拓展坞为范例。该拓展坞通过单一Type-C接口,提供两路HDMI输出,配备两个USB 3.0接口和一个USB-C 3.0接口,允许同时连接多个设备并实现高速数据传输。其内置千兆网卡可提供稳定的网络连接,同时设置SD和TF卡槽支持广泛的存储卡类型,方便快速访问数据。且PD 3.0接口支持高达100W的快速充电,满足大功率设备的充电需求。

图1 绿联CM512 Type-C 9合1多功能拓展坞图
本文通过组合瞬态抑制二极管(TVS)、静电保护二极管(ESD)、半导体放电管(TSS)、瞬态浪涌抑制器(TDS)等防护元件,构建多级分层保护拓扑结构,可有效抑制静电放电(ESD)、浪涌电流及电磁干扰(EMI)对接口电路的冲击。

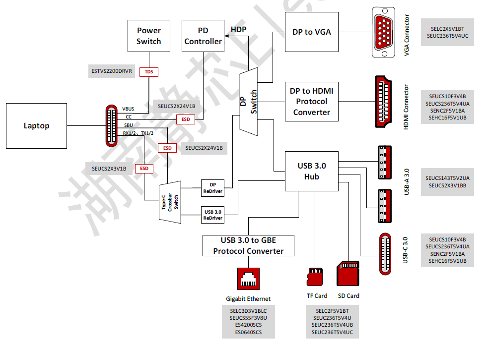
图2 多功能拓展坞防护完整方案图
除了在电路板上放置静电防护器件之外,还可以给扩展坞加上静电屏蔽层。绿联CM512 Type-C 9合1多功能扩展坞就采用了全方面的铝合金外壳,提升了产品的耐用性和散热性能。静电屏蔽层类似于给接口穿上一层防护服,能够保护设备免受外界干扰的影响,让信号传输更稳定。可以在扩展坞的外壳材料上选用具有良好导电性的金属材料,当静电产生时会通过金属外壳传导到大地,而不会影响到接口内部的电子元件。
应用示例
1.千兆以太网
- 方案一
在千兆以太网静电防护方案一中我们提供了两种不同的防护器件。SELC3D3V1BLC为常规电容ESD静电防护器件,专为保护千兆以太网接口的差分线路而设计;ES4200SCS和ES0640SCS为两款不同型号的TSS半导体放电管,通常用于帮助保护敏感的电信设备免受由雷电和设备切换操作引起的瞬变浪涌电压的损坏。


表1 千兆以太网静电防护方案一可用物料
- 方案二
在千兆以太网静电防护方案二中我们推荐一款8路单向深回扫型静电保护器件SEUCS55F3V8U,可同时保护以太网口的4对数据差分线免受静电干扰。

图4 千兆以太网静电防护方案二

表2 千兆以太网静电防护方案二可用物料
2.TF卡

图5 TF卡静电防护方案
在TF卡防护方案中我们采用集成六引脚式ESD防护器件对TF卡的数据引脚与电源引脚进行防护,型号可选择SEUC236T5V4U、SEUC236T5V4UB或SEUC236T5V4UC。三款型号都为低电容低钳位电压集成多路ESD静电二极管防护元件,可同时保护TF卡的五个引脚免受静电放电和低等级浪涌事件的冲击与干扰。TF卡的CMD命令线和CLK时钟线可选择低电容ESD器件SELC2F5V1BT。

表3 TF卡静电防护方案可用物料
3.SD卡
在SD卡防护方案中我们采用集成六引脚式ESD防护器件对SD卡的数据引脚与电源引脚进行防护,型号可选择SEUC236T5V4U、SEUC236T5V4UB或SEUC236T5V4UC。三款型号都为低电容低钳位电压集成多路ESD静电二极管防护元件,可同时保护SD卡的五个引脚免受静电放电和低等级浪涌事件的冲击与干扰。SD卡的CMD命令线和CLK时钟线可选择低电容ESD器件SELC2F5V1BT。

图6 SD卡静电防护方案

表4 SD卡静电防护方案可用物料
4.USB-A 3.0接口
在USB-A 3.0防护方案中我们采用2路单向深回扫型ESD静电防护器件SEUCS143T5V2UA对VBUS引脚和兼容USB 2.0的一对差分线(D+ 和 D-)进行防护, SEUCS143T5V2UA共有2个IO引脚,1个超强VCC保护引脚,可同时保护两条数据信号线和一条电源信号线免受过应力事件的干扰。
两对高速数据传输差分线SSTX+/-和SSRX+/-采用单路双向深回扫型ESD防护器件SEUCS2X3V1BB进行防护, SEUCS2X3V1BB是湖南静芯研发的一款超低电容ESD静电保护器件,专门设计用于保护高速数据接口免受过应力事件的影响,可适用于USB接口的高速差分信号线防护。

图7 USB-A 3.0接口静电防护方案

表5 USB-A 3.0接口可用物料
5.USB-C接口

图8 USB-C接口静电防护方案
在USB-C防护方案中我们采用单路双向深回扫型ESD静电防护器件SEUCS2X3V1B对八条超高速USB差分线Tx1±、Tx2±、Rx1±、Rx2±进行防护,该器件拥有低钳位电压和超低电容的优异性能,专门设计用于保护USB 4.0和HDMI 2.1等接口数据传输线免受静电放电引起的干扰。D+/D-两个引脚用于兼容USB 2.0接口,承载速率为480Mbps的差分数据信号,在正常工作条件下差分线上的电压可以达到5V,也推荐使用ESD防护器件SEUCS2X3V1B。
支持PD 3.0的Type-C接口可以提供高达100W的功率,则VBUS上的最大电压可以达到20V,最大电流为5A。VBUS 引脚的安全性就需要使用工作电压高于 20V的防护器件来保护 VBUS 引脚。我们选用的是湖南静芯的一款工作电压为22V的瞬态浪涌抑制器(TDS) ESTVS2200DRVR。TDS采用浪涌额定金属氧化物半导体场效应晶体管(MOSFET)进行浪涌电流泄放,与标准TVS器件相比具有更为优越的钳位电压和温度特性。
由于CC/SBU引脚紧挨着VBUS引脚,如果发生短路,CC/SBU引脚将暴露在20V下, 可能会对系统造成损害,为了避免此现象的发生,我们需要在CC/SBU引脚附近设置工作电压大于20V的静电保护元件。因此选择工作电压为24V的深回扫型ESD器件SEUCS2X24V1B对CC/SBU引脚进行保护。

表6 USB-C接口可用物料
6.HDMI 2.1接口
方案一:

图9 HDMI 2.1接口静电防护方案一
方案二:

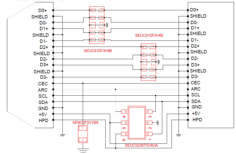
图10 HDMI 2.1接口静电防护方案二
在HDMI 2.1防护方案中我们采用四路双向深回扫型ESD静电防护器件SEUCS10F3V4B对四条Lane通道进行防护,该器件拥有低钳位电压和超低电容的优异性能,专门设计用于保护USB 4.0和HDMI 2.1等接口数据传输线免受静电放电引起的干扰。在方案二中还可以用于同时对ARC,SCL,SDA和HPD引脚进行保护。
- CEC控制信号通道
在CEC引脚处推荐使用湖南静芯的常规电容ESD器件SENC2F5V1BA作为该通道的静电保护器件。
- ARC,SCL,SDA,HPD,电源通道
在方案二中,电源引脚的静电保护我们推荐湖南静芯研发的高电容单路单向ESD保护器件SEHC16F5V1UB,该器件的通流能力强,可以很好地保护电源引脚免受静电的干扰。

表7 HDMI 2.1接口可用物料
7.VGA
- 方案一:

图11 VGA接口静电防护方案一
- 方案二:

图11 VGA接口静电防护方案二
在VGA接口静电防护方案一我们推荐使用常规电容ESD器件SENC2F5V1BA作为该通道的静电保护器件,方案二中我们推荐使用一款集成多路六引脚式ESD防护器件SEUC236T5V4UC进行防护。

表8 VGA接口可用物料
总结与结论
拓展坞作为现代办公与生活的智能连接中枢,通过集成多接口简化了设备布线,支持一线通连接笔记本,提升工作效率。未来,随着雷电5、USB4普及和AIoT设备发展,拓展坞将向超高带宽、模块化设计及智能识别方向升级,成为全场景数字生态的核心枢纽。
928

被折叠的 条评论
为什么被折叠?



