平板电脑是一种集成了显示、计算和通信功能的便携式智能设备,采用触控屏设计,搭载高性能处理器、大容量存储和长效电池。它通过轻薄的机身融合了电脑的生产力和手机的便携性,配备前后摄像头、立体声扬声器、多种传感器和扩展接口。在日常使用中,平板电脑既能满足办公学习中的文档处理、视频会议需求,又可作为娱乐设备观看视频、玩游戏。
平板电脑作为精密电子设备,其内部集成了大量微小、敏感的电子元器件,如处理器、内存、显示屏驱动芯片等,这些元器件对静电放电(ESD)极为敏感,静电电压可达数千伏甚至更高,远超电子元器件的耐受范围。当静电放电发生时,瞬间的高压可能直接击穿芯片内部的绝缘层或晶体管,一个微小的静电放电就可能使平板电脑的处理器或存储芯片失效,造成设备无法开机或数据丢失。静电防护对于保障平板电脑的稳定性、可靠性和使用寿命至关重要。本文基于平板电脑系统的各模块电路进行分解,介绍适合平板电脑系统的防护方案以及防护器件推荐,使该系统通过IEC 61000‐4‐2和IEC 61000‐4‐5标准。
平板电脑框图与可用物料汇总
图1 平板电脑系统结构组成图
平板电脑的内部结构可以划分为多个功能模块,每个模块协同工作,实现计算、显示、通信、存储等功能。平板电脑硬件电路主要由以下几部分组成:
1.主板
核心电路板,集成所有关键芯片和电子元件,负责数据处理和信号传输。包含APU(加速处理单元)、Modem(基带处理器 / 调制解调器)、GPU(图形处理单元)、ISP(图像信号处理器)。
2.显示屏与触控模组
显示屏是人机交互的主要窗口,用于显示图像、文字、画面等。在液晶屏上覆盖一层电容屏或电阻屏,可以实现触摸操作。
3.摄像头与传感器模组
摄像头用于拍照、视频通话等功能,其像素和性能影响拍摄效果。传感器则用于检测设备的各种状态和环境信息,如加速度计、陀螺仪、光线传感器等,为设备提供更多的交互方式和功能扩展。
4.电池管理
为平板电脑提供电力支持,其容量和续航能力直接影响设备的使用时间。
5.音频系统
通过扬声器播放音乐、视频、游戏音效,提供立体声或环绕声体验。麦克风采集语音(通话、录音、语音助手),配合降噪算法提升清晰度。提供触控提示音、通知铃声等系统声音反馈。
6.无线通信模块
连接与通信模块包括Wi-Fi、蓝牙、移动通信(如4G/5G)等,用于实现设备与外部网络的连接和数据传输,提高了使用的灵活性和效率。
7.接口与扩展槽
平板电脑提供了USB接口,除了充电作用外,还使得平板电脑能够连接各种外部设备,如键盘、鼠标、移动硬盘、显示器等,实现文件的传输、外接设备的操作和大屏显示等功能。扩展槽是主板上用于固定扩展卡并将其连接到系统总线上的插槽,是一种添加或增强电脑特性及功能的方法,常见的扩展卡槽有SIM卡槽和SD卡槽。
应用方案示例
湖南静芯为平板电脑系统内各种接口及通信线路提供值得信赖的保护器件和应用方案。
1.KEY按键(BUTTON)

2.Microphone(MIC)

3.触摸屏(Touchscreen)

表3 触摸屏可用物料汇总
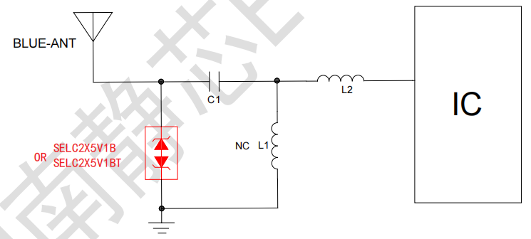
4.无线模块
图5 BLUE-ANT静电防护方案

表4 BLUE-ANT可用物料汇总
5.射频模块
图6 射频模块静电防护方案

表5 射频模块可用物料汇总
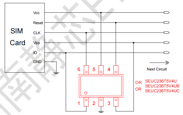
6.SIM卡接口
图7 SIM卡接口静电防护方案
针对SIM卡的静电防护方案,我们提供三款防护器件,可选择SEUC236T5V4U 、SEUC236T5V4UB或SEUC236T5V4UC作为ESD防护器件。三款器件都为集成多路ESD静电二极管防护元件,可同时保护SIM卡的五个引脚免受静电放电(ESD)和低等级浪涌事件的冲击与干扰。

表6 SIM卡接口可用物料汇总
7.SD卡接口

图8 SD卡接口静电防护方案
由于SD卡的数据线的传输速率较高,我们推荐选择低电容低钳位电压的集成六引脚ESD防护器件对SD卡的数据引脚与电源引脚进行防护,型号可选择SEUC236T5V4U 、SEUC236T5V4UB或SEUC236T5V4UC。三款型号都为低电容低钳位电压集成多路ESD静电二极管防护元件,可同时保护SD卡的五个引脚免受静电放电(ESD)和低等级浪涌事件的冲击与干扰。

表7 SD卡接口可用物料汇总
8.USB接口
目前大部分平板电脑使用的充电接口都为USB Type-C接口,有些中低端平板可能仅支持USB 2.0。除此之外,iPad 9代及更早型号使用的为苹果专属Lightning接口,新款iPad(如iPad 10)已全面转向USB-C。
USB-C接口支持正反插拔,具有双向设计,使用方便,且传输速率和充电功率较高。许多Type-C接口已支持PD快充协议,速率最高达40Gbps,最高功率可达80W以上。
①USB 2.0接口

图9 USB 2.0接口静电防护方案

表8 USB 2.0接口可用物料汇总
②USB 3.2 Gen1/Gen 2

图10 USB 3.2 Gen1/Gen2接口静电防护方案
VBUS引脚和兼容USB 2.0的一对差分线(D+ 和 D-)共用一片四引脚回扫型ESD防护器件SEUCS143T5V2UA进行防护。SEUCS143T5V2UA是湖南静芯研发的一款超低电容深回扫型2路单向带超强VCC保护的ESD静电保护器件,可适用于USB 2.0、USB 3.0、IO接口和音视频转换接口等接口的信号线防护。与其他的深回扫型ESD保护器件不一样的是,SEUCS143T5V2UA共有2个IO引脚,1个超强VCC保护引脚,可同时保护两条数据信号线和一条电源信号线免受过应力事件的干扰。
新增的两对差分线SSTX+/-和SSRX+/-共用一片六引脚回扫型ESD防护器件SEUCS2X3V1BB进行防护, SEUCS2X3V1BB是湖南静芯研发的一款超低电容ESD静电保护器件,专门设计用于保护高速数据接口免受过应力事件的影响,可适用于USB接口的高速差分信号线防护。

表9 USB 3.2 Gen1/Gen2接口可用物料汇总
③USB 4.0/雷电3/雷电4
图11 USB 4.0/雷电3/雷电4接口静电防护方案
湖南静芯设计的SEUCS2X3V1B拥有卓越的ESD 保护特性,专为保护超高速USB 差分线路而设计,同时保持0.14pF的极低线间典型电容,确保高速差分线TX+ ,TX- ,RX+, RX-的信号完整性。SEUCS2X3V1B可对单路高速数据线进行静电防护,工作电压为 3.3 V,钳位电压仅为5.5V,封装为DFN0603-2L,符合IEC 61000-4-2 (ESD) 规范,在 ±15kV(空气)和 ±15kV(接触)下提供瞬变保护。
支持PD 3.0的USB接口可以提供高达100W的功率,则VBUS上的最大电压可以达到20V,最大电流为5A。VBUS 引脚的安全性就需要使用工作电压高于 20V的防护器件来保护 VBUS 引脚。我们选用的是湖南静芯的一款工作电压为22V的瞬态转向抑制器(TDS),型号为ESTVS2200DRVR。TDS的工作方式与TVS二极管不同,且具有更为优越的钳位电压和温度特性。TDS不再使用传统的PN结作为击穿机制与浪涌电流泄放通路。相反,TDS采用浪涌额定金属氧化物半导体场效应晶体管(MOSFET)进行浪涌电流泄放,以触发电路作为主要钳位元件。ESTVS2200DRVR器件为DFN封装,工作电压为22V,它具有24.6V的最小击穿电压和70A的峰值脉冲电流, 且符合IEC 61000-4-2 (ESD) 规范,在 ±30kV(空气)和 ±30kV(接触)下提供瞬变保护。
D+/D-两个引脚是用于兼容USB 2.0接口,D+和D-引脚承载速率为480Mbps的差分数据信号,这对差分线上的电压在正常工作条件下可以达到 5V。推荐采用湖南静芯旗下ESD回扫型器件SEUCS2X3V1B,该器件的工作电压为 3.3 V,钳位电压为仅5.5V,结电容仅为0.14pF,封装为DFN0603-2L,符合IEC 61000-4-2 (ESD) 规范,在 ±15kV(空气)和 ±15kV(接触)下提供瞬变保护。
CC/SBU引脚我们推荐使用湖南静芯的双向ESD静电保护器件SEUCS2X24V1B,该器件采用超小型DFN0603-2L封装,工作电压为24V,钳位电压为5.6V,结电容仅为0.12pF, 符合IEC 61000-4-2 (ESD) 规范,在 ±15kV(空气)和 ±15kV(接触)下提供瞬变保护。

表10 USB 4.0/雷电3/雷电4接口可用物料汇总
总结与结论
随着科技的发展,平板电脑的集成度越来越高,内部元器件越来越微小、精密。这对静电防护提出了更高的要求。通过多层次防护措施,可有效降低静电对设备的损害风险,保障用户体验,防止平板电脑因无法避免的静电干扰出现数据丢失或硬件故障等情况。



3069

被折叠的 条评论
为什么被折叠?



