思维导图
由时不变线性无源元件、线性受控源和独立电源组成的电路,称为时不变线性电路,简称线性电路。
时变与时不变元件:如果元件参数是时间t的函数,对应的元件叫做时变元件;否则叫做时不变元件。定常元件(元件的参数是常数)是一时不变元件。
1、电路的等效变换
对电路进行分析和计算时,有时可以把电路中某一部分简化,即用一个较为简单的电路代替该电路。
如下图,电阻Req称为等效电阻,其值决定于被替代的原电路中各电阻的值以及它们的联接方式
在知道等效电阻的概念后,电阻的串、并联就很容易理解,可以把很多个电阻等效成一个电阻,方便计算。
2、电压源、电流源的串并联
当n个电压源串联时(如图a),可以用一个电压源等效替代(如图b),这个等效电压源的激励电压为
Us=Us1+Us2+Us3+…+Usn=Σ(n,k=1)Usk
若Usk的参考方向与图b中Us的参考方向一致,式中Usk的前面取“+”号,不一致时取“-”号。
电流源并联情况与电压源串联相同,正负号取法也相同
is=is1+is2+is3+…+isn=Σ(n,k=1)isk
注意:只有激励电压相等且极性一致的电压源才允许并联,否则违背KVL;只有激励电流相等且极性一致的电压源才允许串联,否则违背KCL
3、实际电源的两种模型及其等效变换
例如一个电池,b是它的伏安特性曲线图,可见它并不是线性元件。当电流增大至一定时,电源会损坏。但是可以把在一段范围内电压和电流的关系近似为直线,并加以延长作为该电源的外特性,从c图可以看出,它在U轴和i轴上各有一个交点,前者相当于i=0时的电压,即开路电压,后者相当于U=0时的电流,即短路电流。
根据此伏安特性曲线,可以用电压源和电阻的串联组合或电流源的和电导的并联组合作为实际电源的电路模型
如下题
受控电压源、电阻的串联组合和受控电流源、电导的并联组合也可以用上边方法进行变换。此时可把受控电源当作独立电源处理,但应注意在变换过程中保存控制量所在支路而不要把它消掉。
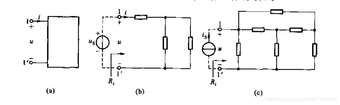
4、输入电阻

如上图a,i和i’是它向外引出的一对端子,i=i’。这种具有向外引出的一对端子的电路或网络称为一端口(网络)或二端网络(如图a)
端口的输入电阻就是端口的等效电阻,求端口输入电阻一般方法称为电压、电流法。即在端口加以电压源Us,然后求出端口电流i;或在端口加以电流源is,然后求出端口电压U。
习题

本文深入探讨了线性电路的基本概念,包括时不变线性电路的定义,电路的等效变换,电压源与电流源的串并联,以及实际电源的两种模型。此外,还介绍了输入电阻的概念及计算方法。
4万+

被折叠的 条评论
为什么被折叠?



