一种利用电磁能产生的共振引力波实现超光速飞行的机器
技术领域
本实用新型涉及一种利用电磁能产生的共振引力波实现超光速飞行的机器,尤其是一种超光速飞行机器。
背景技术
现有常规火箭都无法实现超光速飞行的目标,这给人们的星际旅行带来非常大的不便。本超光速机器利用电磁线圈发生的低频电磁波,产生的引力波来实现超光速飞行的目的。电磁线圈发生的低频电磁波产生的引力场的频率很低,这个频率会和宇宙某个黑洞辐射出来的引力波发生共振,进而使电磁线圈周围的产生很大的引力场,同时使电磁线圈周围的空间发生扭曲。所以,当本机器在这个扭曲的空间中移动1m时,就相当于在正常空间中移动了300000km,这就实现了超光速运动的目标。
实用新型内容
为了解决常规火箭都无法实现超光速飞行的缺点,笔者开发了一种利用电磁能产生的共振引力波实现超光速飞行的机器。这种机器依靠在通电圆柱型线圈里面高速旋转的矩形线圈发生的低频电磁波产生的引力,来产生引力场,这个引力场产生的引力波频率和宇宙中的某个黑洞产生的引力波频率基本一致,这两个引力波之间产生共振,进而使圆柱型线圈外面的空间发生扭曲。当本机器在这个扭曲的空间中移动1m时,就相当于在正常空间中移动了300000km,这就实现了超光速运动的目标。
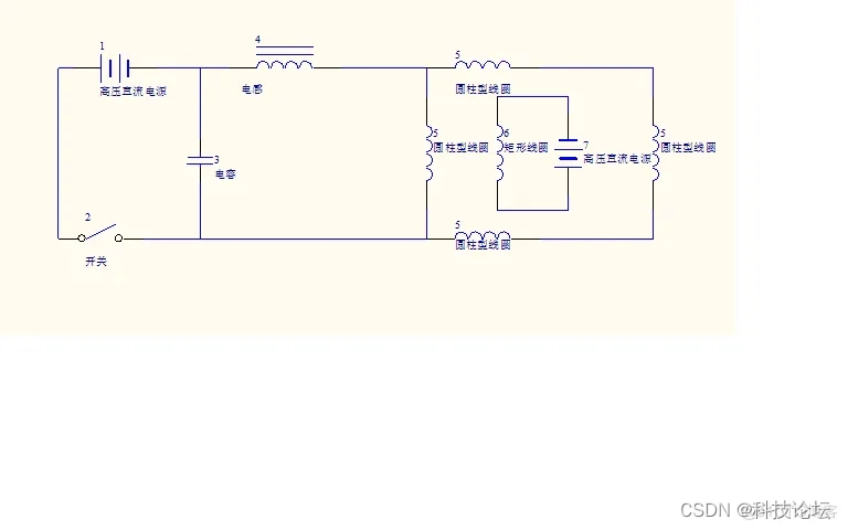
引力波的波长一般较长,频率一般较低。例如,地球的重力场强度的波长λ=9.36851015(m),频率ν=3.2*10-8(1/s)。所以要使线圈产生频率很低的电磁波才能使电磁波形成的引力发生的引力波频率较低。如图1所示,高压直流电源A负极接电感,电感接圆柱型线圈,圆柱型线圈接开关,开关接高压直流电源A正极,电容接在高压直流电源A正极和负极之间。接通高压直流电源B的矩形线圈在圆柱型线圈中高速旋转。如图2所示,矩形线圈位于圆柱型线圈的中部,两者的中心线重合,矩形线圈绕中心线在圆柱型线圈内部高速旋转。圆柱型线圈产生电场,旋转的矩形线圈受到该电场作用产生磁场,进而产生电磁波。根据法拉第电磁感应原理,这就是变化的电场产生变化的磁场。这个电磁波的频率随矩形线圈旋转的速率发生改变,当矩形线圈高速旋转时,平均每秒旋转3.2108圈,产生的电磁波的频率很低,接近3.2*10-8(1/s)。由于圆柱型线圈接在几百万伏的高压直流电上,所以这个电磁波的强度很大,进而这个电磁波产生的引力的场强也很大。同时,电路里的电感和电容起到消除外界电磁信号干扰的某的。根据科学家霍金的理论,电磁场可以产生引力场,引力场会产生引力波。所以,当矩形线圈发生的电磁波的频率很小时,它产生的引力波的频率也很小。同时当引力波的频率小到一定程度,它就可能和宇宙中某个黑洞产生的引力场的频率相近,这就造成两个引力波之间发生共振,进而使矩形线圈周围的空间发生扭曲。当本机器在这个扭曲的空间中移动1m时,就相当于在正常空间中移动了300000km,这就实现了超光速运动的目标。
同时将控制室放在矩形线圈内部,控制设备和操作人员在控制室内,控制室外面是一层10米厚的绝缘酚醛塑料绝缘层。这个绝缘层保护控制室不受外界强电磁场的影响,同时防止控制室内空间曲率发生改变。此时,操作人员操作控制设备在矩形线圈产生的扭曲空间中运动了1m,就可以从正常宇宙中的太阳系中,移动到太阳系外面。这是因为,矩形线圈产生的引力波的共振扭曲了正常空间,使太阳系和太阳系外面的距离缩短了。机器在这个扭曲的空间运行了1m,就可以从太阳系运行到太阳系外面。这就是现实了超光速运动的目的。
同时,应使用超导材料制造圆柱型线圈和矩形线圈。这是因为超导材料的电阻低,它们产生的电磁场强度较大,引力场强度较大,更容易和其它黑洞的引力场产生共振。
本实用新型解决其技术问题所采用的技术方案是:一种利用电磁能产生的共振引力波实现超光速飞行的机器,是一种可以达到超光速运行的机器。如图1,它的电路如下:
高压直流电源A负极接电感,电感接圆柱型线圈,圆柱型线圈接开关,开关接高压直流电源正极,电容接在高压直流电源正极和负极之间。接通高压直流电源B的矩形线圈在圆柱型线圈中高速旋转。。
上述的一种利用电磁能产生的共振引力波实现超光速飞行的机器,所述的是一种利用电磁场产生的引力场的引力波,来和宇宙中其它黑洞的引力波发生共振,进而扭曲空间达到超光速运动的机器。
本实用新型的有益效果是,本实用新型中的机器克服了传统火箭不能超光速运动缺陷,它是通过高速旋转的矩形线圈产生的低频引力波来和宇宙中其它黑洞的引力波发生共振,进而扭曲空间达到超光速运动的。
附图说明
下面结合附图和实施例对本实用新型进一步说明。
图1为本实用新型电路原理图。
图2为本实用新型线圈结构图。
图1中,1. 高压直流电源A,2.开关,3. 高压电容,4.电感,5.圆柱型线圈,6. 矩形线圈,7. 高压直流电源B。
图2中,8. 圆柱型线圈结构,9. 矩形线圈结构。
具体实施方式
图1中,高压直流电源A(1)负极通过导线接高压电容(3),高压直流电源A(1)负极通过导线接高压电感(4),高压电感(4)另外一端通过导线接圆柱型线圈(5),圆柱型线圈(5)另一端通过导线接高压电容(3)另一端,高压电容这端通过导线接开关(2),开关(2)另一端通过导线接高压直流电源A(1)正极。同时,矩形线圈(6)通过导线接在高压直流电源B(7)的正负极,它位于圆柱型线圈(5)内部。


图1中,圆柱型线圈结构(8)类似一个圆柱体的弹簧,矩形线圈结构(9)类似一个矩形圆环。它们两者的中心线相互重合,矩形线圈结构(9)绕中心线在圆柱型线圈结构(8)内部高速旋转。
©著作权归作者所有:来自51CTO博客作者展飞飞翔的原创作品,请联系作者获取转载授权,否则将追究法律责任
一种利用电磁能产生的共振引力波实现超光速飞行的机器
https://blog.51cto.com/u_15546906/5150563
该实用新型提出一种利用电磁线圈产生的低频电磁波,通过共振引力波来扭曲空间,从而实现超光速飞行的机器。机器的核心在于高速旋转的矩形线圈,其电磁波频率与宇宙中黑洞的引力波频率共振,导致空间扭曲,使得机器在扭曲空间中的短距离移动等效于正常空间的长距离移动,目标达成超光速运动。
457

被折叠的 条评论
为什么被折叠?



