描述:
RJ45作为网络传输的通用接口,此为插座,其对端大家应该都比较熟悉,没错就是水晶头,网络可以说是遍布我们生活中的每个角落;在硬件设计领域更避免不开设计此接口,在此针对千兆网/百兆网的硬件设计及RJ45接口进行介绍,希望阅读本文后大家能够对千兆网设计有一些认识。
1、网络接口定义
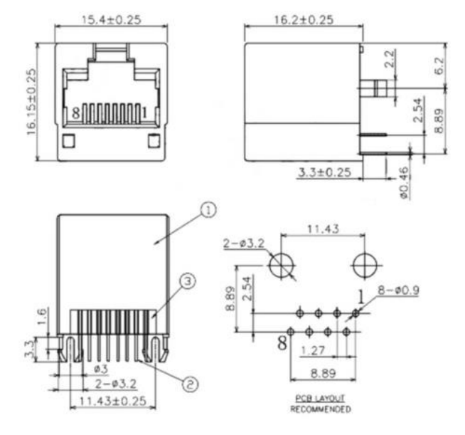
RJ45插座对外接口虽然一致且都是通用的,但实际上RJ45种类有多钟,比如:带网络变压器的、不带网络变压器的、直座的、弯座的,在此不再进行详细对比介绍;只需记住无论是哪种插座其接口定义和对外尺寸都是一样的即都可与对端水晶头互联,且千兆向下兼容百兆网口。RJ45插座(直),不带网络变压器结构图如下图所示。

RJ45插座(直)结构图
在研发调试过程中经常会遇到需要手动飞千兆网络口进行调试的情况,此时就要非常清楚的知道RJ45的接口定义及引脚排列了,如下图所示:

RJ45管脚定义
根据以上图片很快能够确定出引脚编号,需要注意上面一排引脚号为1/3/5/7,下面一排引脚号号为2/4/6/8,为交错排列。
千兆网和百兆网引脚定义如下图所示:

千兆网接口定义

百兆网接口定义
可知,百兆网单线速率为100Mbps,且收发分开也并未按照顺序进行排列,如对于100M来说没有使用4脚,而是使用了6脚做为百兆网接收的N端;千兆网的数据为双向。
2、千兆网方案设计
实现千兆网的方式有多钟,本文主要介绍以下三种常见的实现方式:
FPGA实现1路千兆网:

FPGA实现一路千兆网MAC端可通过RGMII或SGMII实现,RGMII/SGMII接口在这里不在赘述,需要了解的话话请查看相关介绍或加关注后续会单独出此应用介绍,其中RGMII需要连接至FPGA的HR/HP bank,且建议RGMII总线均接在同一bank上,减少内部延时,且电压需要与PHY侧的RGMII接口电压保持一致,SGMII需要接在GT bank上,且参考时钟建议125M。
CPU/AI实现1路千兆网:

CPU/AI处理器有专门的MAC接口,具体使用SGMII还是RGMII接口?需要根据其数据手册进行查看,确认之后进行网络PHY接口的选型,选用RGMII接口时需要确保电的匹配,RGMII的电压不同对应的PCB的走线长度是不一样的,常用的RGMII接口电压有1.8V/2.5V/3.3V,电压越大对应可容忍的PCB走线长度越长,一般情况下3.3V的RGMII在PCB上的走线长度建议控制在5000mil以内,1.8V的RGMII在PCB上的走线长度建议控制在2500mil,且此要求为经验值,具体要求可参考使用的CPU/AI处理器的PCB设计建议。
CPU/AI+网络交换机实现多路千兆网:

若想实现多路千兆网,比如8路,对于CPU来说是没有那么多的接口的,可通过网络交换机实现扩展,网络交换机又分为3层网络交换和2层网络交换,这个需要根据实际项目的需求进行选型,2层网络交换又称为傻瓜式交换在协议和应用上比3层网络交换简单很多,其具体应用和区别可以自行查阅相关资料,常用的网络交换芯片厂家有博通、Marvell、盛科、楠菲微电子、realtek等,根据需要查阅相关数据手册。
3、百兆网硬件测试;
若需测试百兆网信号,需要对百兆网信号编码方式、电平有所了解,一般情况下不直接测试千兆网的数据信号,主要是由于千兆网数据为双向的不是特别容易判别,且百兆网调试通过后,一般情况下千兆网都是没有问题的,在千兆网的PCB设计时需要做同组等长,建议控制在±50mil以内,当然这个值也可适当放宽(可以理论计算出来其容限值)。
百兆网顾名思义速率为100Mbps,千兆网速率为100Mbps。
百兆网(1000BASE-T)中,发送端先进行4B/5B编码,再进行MLT-3编码传输,由于其采用4B/5B编码,效率为80%;
4B/5B编码将每4位数据分组,映射为5位进行传输。5位二进制编码可知有32种组合,其中16种用于表示4位数据的组合,其余16种保留用于控制字符等,该编码确保有良好的AC特性,DC分量控制在10%以为,同时降低低频信号,利于信号传输。其编码表如下表所示:

MLT-3,即使用3个电压等级传输数据,在差分传输线上,3个电压可以分别记为-1、0、+1。MLT-3通过切换电压来实现数据跳变,顺序遵循2个规则:
- 如果跳变前电压是-1或+1,则跳变后是0;
- 如果跳变前电压是0,则跳变后电压与上一个非0值的电压相反。
因此可归纳为-1→0→+1,或+1→0→-1,需要注意不能从1状态越过0,跳到-1状态。
其差分信号峰峰值要求为2.2~2.8V,接收端差分电压最小阈值为±200m V,共模电压不超过±1.5V。从要求可知若差分摆幅为2.6V,共模电压为0.1V,则单端摆幅为1.3V。VP最大值为1.4V,VN最小值为-1.2V。
百兆网差分眼图测试如下图所示:

百兆网眼图测试
1万+

被折叠的 条评论
为什么被折叠?



