树莓派4b板上有两个LED, pwr (power) 和 act (activity)。是platform_driver gpio-led驱动。
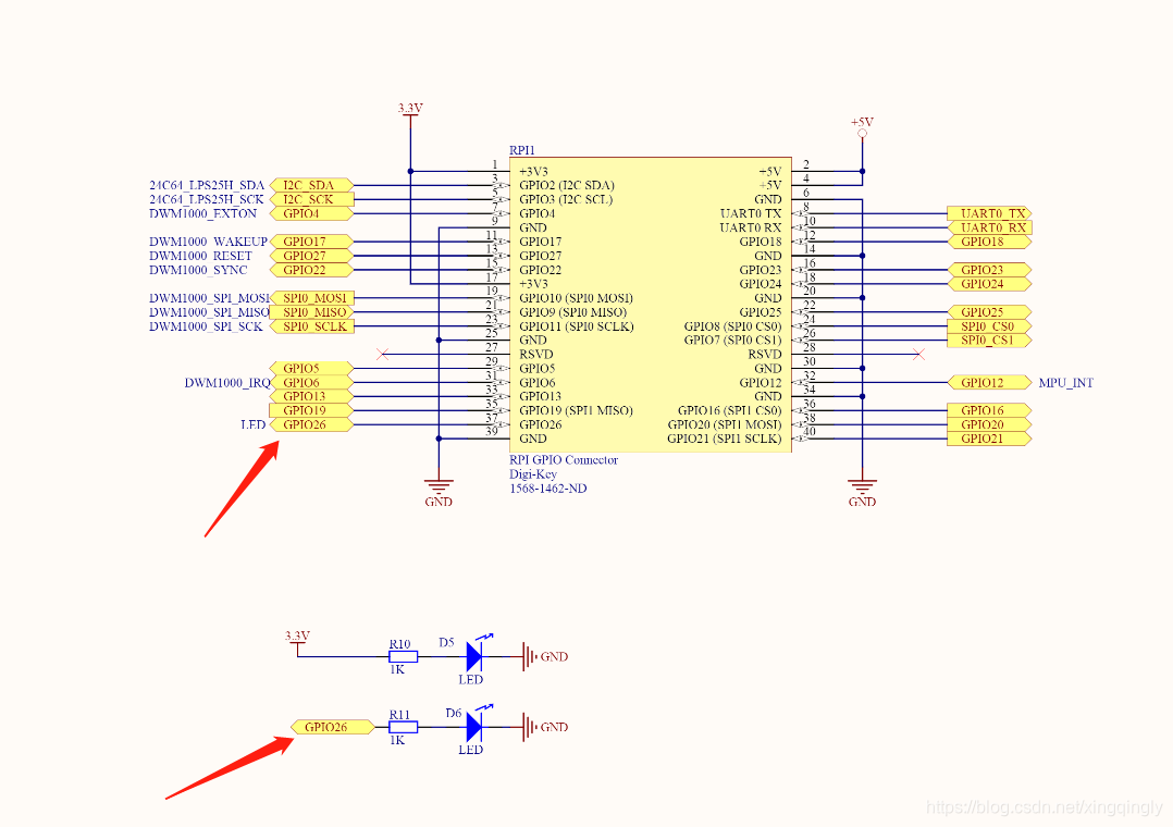
可以通过设备树和gpio-led来额外控制一个LED。如下图在GPIO26和GND之间接入一个发光二极管。

在设备树bcm2711-rpi-4-b.dts中添加一个LED2来控制外部的LED
&leds {
act_led: act {
label = "led0";
linux,default-trigger = "mmc0";
gpios = <&virtgpio 0 0>;
};
pwr_led: pwr {
label = "led1";
linux,default-trigger = "input";
gpios = <&expgpio 7 0>;
};
test_led: test {
label = "led2";
linux,default-trigger = "input";
gpios = <&gpio 26 0>;
};
};
重新编译dtb
make bcm2711_defconfig
make dtbs
将生成的bcm2711-rpi-4-b.dtb复制到SD卡boot下, 启动后,可以看到LED2出现
pi@raspberrypi:~ $ cd /sys/class/leds/
pi@raspberrypi:/sys/class/leds $ ls
led0 led1 led2
pi@raspberrypi:/sys/class/leds $ cd led2
pi@raspberrypi:/sys/class/leds/led2 $ ls
brightness

本文介绍了如何在树莓派4B上通过设备树 bcm2711-rpi-4-b.dts 添加一个新的LED控制(LED2),并详细展示了配置过程。添加后,可以通过GPIO26控制外部LED,并使用sysfs接口调整亮度和触发器,如设置为'heartbeat'触发LED闪烁。
最低0.47元/天 解锁文章
1688

被折叠的 条评论
为什么被折叠?



