提示:滚动轴承诊断现场实用技-----第二章滚动轴承失效机理
文章目录
通过对滚动轴承结构特点、 失效形式与失效机理、 寿命预测等相关知识的深入了解, 可以帮助现场技术人员全面理解各种滚动轴承故障诊断技术的分析结果, 迅速定位故障原因、 正确评估滚动轴承工作状态的变化趋势与剩余寿命, 准确制定符
合实际现场需求的维修决策。 本章内容是滚动轴承故障诊断技术的基础知识。
1 滚动轴承的分类和结构
1.1 滚动轴承的分类
滚动轴承由于其用途和工作条件的不同, 结构变化很多, 但是其基本结构都由四大零件组成, 即内圈、 外圈、 滚动体和保持架。 除了以上四大件外, 不同结构的滚动轴承还有与其相匹配的其他零部件, 如防尘盖、 密封圈、 挡圈、 止动垫圈及紧定套等。轴承的分类方法有很多, 主要大的分类方法有四种: 按结构类型分类, 按尺寸分类, 按用途分类和按使用特性分类。
1.1.1. 按结构类型分类
滚动轴承按结构类型分类通常包括按公称接触角或所能承受的载荷方向分类、按滚动体的种类分类、 按滚动轴承是否可以调心分类、 按滚动体的列数分类和按部件能否分离分类等。
(1) 按公称接触角或所能承受的载荷方向分类
受力图
|
接触角图
|
所谓公称接触角就是指轴承在正常状态下, 滚动体和内圈及外圈沟道接触点的法线与轴心线的垂直平面之间的夹角。 按滚动轴承工作时所能承受载荷的方向, 可分为向心轴承、 推力轴承和组合轴承。 向心轴承主要是承受径向载荷的滚动轴承, 其公称接触角的范围是 0° ~45°。 公称接触角为 0°时, 称为径向接触轴承; 公称接触角大于 0°且小于 45°时,称为角接触向心轴承。 推力轴承主要是承受轴向载荷的滚动轴承, 其公称接触角的范围是 45° ~ 90°。 公称接触角为 90°时, 称为轴向接触轴承; 公称接触角大于 45°且小于 90°时, 称为推力角接触球轴承。 组合轴承是指既可以承受径向载荷也可以承受轴向载荷的滚动轴承, 一般是由向心轴承和推力轴承组合而成的。 滚动轴承的分类如图 2-1 所示。

(2) 按滚动体的种类分类
从大类上可以将轴承分为球轴承 (滚动体为球)和滚子轴承 (滚动体为滚子)。 滚子轴承按滚子种类又可以分为圆柱滚子轴承、 滚针轴承、 圆锥滚子轴承和调心滚子轴承。
其中, 圆柱滚子轴承的滚子是圆柱, 其长度和直径之比小于 3; 滚针轴承的滚动体是滚针, 其长度与直径之比大于 3, 且直径小于 5mm; 调心滚子轴承的滚子是球面滚子。
(3) 按滚动轴承是否可以调心分类
根据是否可调心, 滚动轴承分为调心轴承和非调心轴承。 调心轴承是指其滚道是球面的, 可以适应两滚道轴心线间的角偏差及角运动的轴承。 非调心轴承是指能阻抗滚道间轴心线角偏移的轴承。
(4) 按滚动体的列数分类
按滚动体的列数分类, 滚动轴承可分为单列轴承、双列轴承及多列轴承。 单列轴承指具有一列滚动体的轴承; 同理, 双列轴承指的是具有两列滚动体的轴承; 多列轴承是指具有多于两列滚动体并承受同一方向载荷的轴承, 如三列轴承、 四列轴承。
(5) 按部件能否分离分类
按部件能否分离, 滚动轴承分为可分离轴承和不可分离轴承。 可分离轴承是指具有可分离部件的轴承; 不可分离轴承是指轴承在最终配套后, 套圈均不能任意自由分离的轴承。
1.1.2. 按尺寸分类
根据尺寸大小, 滚动轴承可以分为微型轴承 (公称外径为 26mm 以下)、 小型轴承 (公称外径为 28 ~ 55mm)、 中小型轴承 (公称外径为 60 ~ 115mm)、 中大型轴承 (公称外径为 120 ~ 190mm)、 大型轴承 (公称外径为 200 ~ 430mm) 和特大型轴承 (公称外径为 440mm 以上)。
1.1.3. 按用途分类
按用途滚动轴承主要分为通用轴承和专用轴承两大类。 常见的专用轴承有轧机轴承、 洗衣机轴承、 机床轴承、 电动机轴承、 汽车轴承、 铁路轴承、 航空发动机轴承、 仪器仪表轴承和机器人轴承等。
1.1.4. 按使用特性分类
根据使用的特性, 滚动轴承可分为高温轴承、 低温轴承、 耐腐蚀轴承、 抗硫轴承、 防磁轴承、 真空轴承、 自润滑轴承、 陶瓷轴承和高速轴承等。从按使用特性分类的类别名称上, 就可以知道轴承工作的环境或是轴承的材料特性。 其中高速轴承的定义是中径和转速的乘积大于标准值 Dm n 的滚动轴承。Dm n 值与轴承的类型和润滑条件相关。 具体值见表 2-1。

1.2 滚动轴承的结构特点及其适用范围
滚动轴承一般是按其所能承受的载荷方向、 滚动体种类和列数的综合分类来进行命名。
1.2.1. 向心轴承
向心轴承按载荷的大小、 极限转速快慢等工况进行归类的情况表 2-2。 每一类向心轴承都具有各自的结构特点。

深沟球轴承主要用于承受纯径向载荷, 也可同时承受径向载荷和轴向载荷。 当其仅承受纯径向载荷时, 接触角为零。 当深沟球轴承具有较大的径向游隙时, 具有角接触球轴承的性能, 可承受较大的轴向载荷。 深沟球轴承的摩擦系数很小, 极限转速也很高。 深沟球轴承结构简单, 与其他类型轴承相比易于达到较高的制造精度。
结构图
|
受力图
|
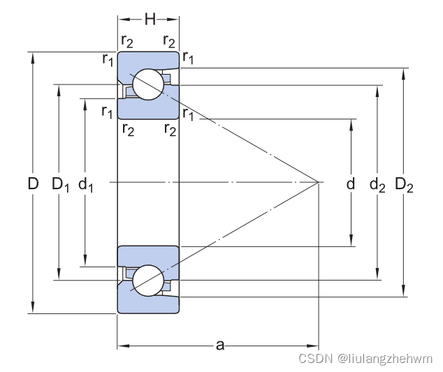
角接触球轴承可同时承受径向负载和轴向负载, 能在较高的转速下工作。 接触角越大, 轴向承载能力越高。 在轴向力作用下, 接触角会增大。 单列角接触球轴承只能承受一个方向的轴向负载, 在承受径向负载时, 将引起附加轴向力。 若是成对双联安装, 使一对轴承的外圈相对, 即宽端面对宽端面, 窄端面对窄端面, 这样可避免引起附加轴向力。 一般常用的接触角为 40°、 25°和 15°。 接触角为 40°, 多用于承受较大的轴向载荷; 接触角为 25°, 多用于精密主轴轴承; 接触角为 15°, 多用于较大尺寸精密轴承。
结构图
|
受力图
|
双列角接触球轴承的特点是可以同时承受径向载荷和轴向载荷的联合载荷, 限制轴双向的轴向位移。 这种轴承的极限转速高, 刚性好, 可承受倾覆力矩大。
圆柱滚子轴承通常是由一个轴承套圈、 两个挡边引导、 保持架、 滚子和引导套圈组成的一个组合件, 属于可分离轴承。 一般只用于承受径向负载, 只有内、 外圈均带挡边的单列轴承可承受较小的轴向载荷或较大的间歇轴向载荷。 圆柱滚子轴承具有较大的径向载荷能力, 并适用于高速旋转。
结构图
|
受力图
|
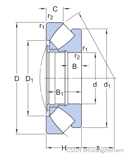
圆锥滚子轴承主要承受以径向为主的径向、 轴向联合载荷。 轴承的承载能力取决于外圈的滚道角度, 角度越大承载能力越大。 圆锥滚子轴承属可分离轴承。
结构图
|
结构图
|
受力图
|
结构图
|
受力图
|
调心球轴承具有自动调心性能, 能够适应角偏差及角运动, 主要承受径向载荷, 可承受少量的轴向载荷, 但是不能承受纯轴向载荷。 调心球轴承极限运转速度比深沟球轴承低, 多用于在载荷作用下易发生弯曲的双支轴承及轴不能保证严格同轴的场合, 一般内圈中心线与外圈中心线的相对斜度不超过 3°。
结构图
|
受力图
|
调心滚子轴承与调心球轴承一样, 具有调心性能, 但是其内圈中心线和外圈中心线的相对斜度为 1° ~ 2. 5°, 主要用于承受径向载荷, 同时也可承受正反向的轴向载荷, 但是不可承受纯轴向载荷。 由于调心滚子轴承可承受较大的径向载荷, 特别适用于重载或有振动载荷的场合。
结构图
|
结构图
|
受力图
|
1.2.2. 推力轴承
推力轴承按载荷的大小、 转速快慢、 有无冲击等工况进行归类的情况见表2-3。每一类推力轴承也都具有各自的结构特点。
推力球轴承是接触角为 90°的球轴承, 属于可分离轴承, 包括单向推力球轴承和双向推力球轴承。 单向推力球轴承只能承受一个方向的轴向载荷, 双向推力球轴承可以承受两个方向的轴向载荷, 但是均不能承受径向载荷。

推力球轴承
结构图
|
受力图
|
推力圆柱滚子轴承只能承受单向轴向载荷和轻微冲击, 可以限制一个方向的轴向位移。 推力圆柱滚子轴承承载能力大, 轴向刚度强, 但其滚动体在滚动时, 滚子两端线速度不同, 导致滚子在滚道上产生滑动, 因此其极限转速较低, 仅适用于低
速运转场合。
结构图
|
受力图
|
推力圆锥滚子轴承包含单向和双向两类, 单向轴承可承受单向轴向载荷, 双向轴承可承受双向轴向载荷。 推力圆锥滚子轴承的承载能力比推力圆柱滚子轴承大,且相对滑动小, 但是极限转速也较低。
结构图
|
受力图
|
推力角接触球轴承的接触角为 45° ~ 90°, 主要承受轴向载荷, 同时也可承受径向载荷。 推力角接触球轴承承受轴向载荷的能力随接触角的增大而增大, 极限转速较高。
结构图
|
受力图
|
推力调心滚子轴承具有调心性能, 轴承承载能力强, 在承受轴向载荷的同时还可以承受一定的径向载荷。
结构图
|
受力图
|
推力滚针轴承只能承受单向轴向载荷, 极限转速低, 特别适用于承载能力要求高, 且占用空间小的场合。
结构图
|
受力图
|
1.2.2. 总结

1.3 滚动轴承的精度、 游隙、 预紧与接触角
1.3.1. 滚动轴承的精度
滚动轴承的精度主要分为尺寸精度与旋转精度。 精度等级已标准化, 分为 0级、 6 级、 6X 级、 5 级、 4 级、 2 级六个等级, 等级依次升高。
(1) 尺寸精度: 尺寸精度 (与轴及外壳安装有关的项目) 主要包括:
- 内径、外径、 宽度及装配宽度的允许偏差;
- 滚子组内复圆直径及外复圆直径的允许偏差;
- 倒角尺寸的允许界限值;
- 宽度的允许变动量。
(2) 旋转精度: 旋转精度 (与旋转体跳动有关的项目) 主要包括:
- 内圈及外圈的允许径向圆跳动和轴向圆跳动;
- 内圈的允许横向跳动;
- 外径面倾斜度的允许变动量;
- 推力轴承滚道厚度的允许变动量;
- 圆锥孔的允许偏差和允许变动量。
1.3.2. 滚动轴承的游隙
(1) 游隙的种类
所谓轴承游隙, 即指轴承在未安装于轴或轴承箱时, 将其内圈或外圈的一方固定, 然后使未被固定的一方做径向或轴向移动时的移动量。球轴承的游隙根据移动方向可分为径向游隙、 轴向游隙和角度游隙。 径向游隙是指外圈相对于内圈的径向可动量; 轴向游隙是指外圈的轴向可动量; 角度游隙是指外圈相对于内圈从未倾斜状态至倾斜状态的倾斜角度。
滚子轴承的游隙根据移动方向可分为径向游隙和轴向游隙。 对于滚子轴承, 其一部分是可分离轴承, 可以在线调整轴承的游隙, 比如圆锥滚子轴承、 圆柱滚子轴承, 但是其轴向游隙和径向游隙也存在一定的关系。 各类滚子轴承无载荷时的轴向游隙和径向游隙的关系可以用以下的近似公式进行说明:

(2-1)
式中, Ga 是轴向游隙; Gr 是径向游隙; α 是接触角; A 是系数, 对于调心滚子轴承 A = 1. 5, 对于单列圆锥滚子轴承 A = 0. 75, 对于双列圆锥滚子轴承 A = 1. 5。根据轴承所处的状态, 轴承的游隙分为原始游隙、 配合游隙和工作游隙。 原始游隙是指轴承在安装之前的游隙值, 即无载荷游隙值。 配合游隙是指安装后但没有工作的游隙, 一般因过盈配合而内圈膨胀、 外圈收缩。 工作游隙是指轴承安装在机械上并承受一定负载时的游隙, 一般把轴承在空载运转时的游隙称为有效游隙, 有效游隙主要受套圈温升和内外套圈的温差影响。
(2) 不同状态游隙的关系
1) 配合游隙 Δf 和原始游隙 Δ0 的关系。
轴承内圈安装在轴上或是外圈安装在轴承座上后, 由于是过盈配合, 轴承套圈的径向尺寸发生弹性变化, 一般轴承内圈因为过盈配合而膨胀, 外圈则收缩。 显然配合游隙小于原始游隙, 减小量根据轴承结构尺寸、 轴与轴承座的形状不同而异, 其值约为过盈量的 70% ~ 90% 。
配合游隙 Δf 是原始游隙 Δ0 与因配合而引起的游隙减少量的差值, 减少量主要包括内圈与轴配合引起的游隙减少量 δfi 和外圈与轴承座配合引起的游隙减少量δfe。 即

2) 配合游隙和工作游隙的关系。
滚动轴承在运行时, 由于摩擦等因素会产生大量的热量, 造成套圈的温升和内外圈的温差。 生成的热量主要是通过轴和外圈向外发散的, 一般外圈温度比内圈温度低 5 ~ 10℃ , 在采用油脂润滑或在高转速的情况下, 内外圈温差更大。 由于内外圈的温差, 径向游隙会由于套圈的热膨胀而减小。
一般简化认为净膨胀量 δt 与温差呈线性变化。 即
(2-3)
式中, α 是线膨胀系数; Δt 是温差; De 是外滚道直径。当轴承在不同的工作载荷下运转时, 工作载荷使滚动体和套圈产生弹性变形,导致轴承的内部间隙变大。 所以工作游隙 Δ 与配合游隙 Δf 的关系为
(2-4)
式中, δw 是轴承的内部间隙变大量。
3) 工作游隙与原始游隙的关系。
综上可知, 工作游隙与原始游隙的关系为
(2-5)
(3) 游隙的选择
选择合适的轴承游隙可以使载荷在滚动体上分布合理, 提高轴承的寿命, 可以限制轴向和径向的位移以保证轴的旋转精度, 可以调整轴承的支撑刚度。 游隙过大会引起轴承内部承载的区域减小, 轴承内部滚动体接触应力增大, 轴承的旋转精度下降, 振动和噪声增加, 轴承使用寿命缩短。 游隙过小会引起轴承发热增加, 温升过快, 导致轴承在运转时发生咬死现象。 滚动轴承的游隙对轴承的疲劳寿命、 振动、 噪声、 温升和运转精度等影响很大, 是决定滚动轴承是否正常工作的一个重要因素。 因此在选用轴承时, 要根据工作条件, 选择合适的工作游隙, 从工作游隙推测决定轴承的原始游隙。 如图 2-2 所示, 轴承的游隙变化会引起轴承不同的磨损。

滚动轴承在应用中, 应根据使用的情况分别着重控制轴向游隙和径向游隙。 对于控制轴向游隙的轴承, 因为各类轴承的径向游隙和轴向游隙之间有一定的关系,所以可以通过控制径向游隙来间接控制轴向游隙。 一般情况下选择滚动轴承的游隙主要考虑的是径向游隙。
原始径向游隙已经标准化, 滚动轴承的径向游隙共分 5 组: 2 组、 0 组、 3 组、4 组、 5 组, 游隙值的要求依次从小到大。
其中 0 组径向游隙为基准游隙, 优先考虑。 当 0 组游隙不能满足工作要求时, 再考虑其他。
3、 4、 5 组大游隙适用于轴承与轴或轴承座采取过盈配合, 轴承内外圈温差过大, 要求提高极限转速及降低轴承摩擦力矩的场合。
2 组游隙适用于要求较高的旋转精度, 需要严格控制轴的轴向位移以及降低振动和噪声的场合。
选择轴承游隙时应考虑的主要条件有: 轴承的工作条件 (载荷、 转速、 温度等); 对轴承的使用要求 (如摩擦力矩、 振动和噪声、 旋转精度、 支撑刚度等);过盈配合安装时, 内圈的膨胀和外圈的收缩导致游隙的减小; 在运转温度下, 轴承内外圈的温度差及其相关的热膨胀导致游隙的减小; 轴和外壳的制造材料因热膨胀系数不同导致游隙减小或增大。
1.3.3. 滚动轴承的预紧
滚动轴承的预紧是指采用适当的方法使轴承滚动体和内、 外套圈之间产生一定的预变形, 以保持轴承内圈、 外圈均处于压紧状态, 使轴承带负游隙运行。
预紧的目的: 增加轴承的刚度; 使旋转轴在轴向和径向正确定位, 提高轴的旋转精度; 降低轴的振动和噪声; 减小由于惯性力矩所引起的滚动体相对于内、 外圈滚道的滑动; 补偿因磨损造成的轴承内部游隙变化; 延长轴承寿命; 改善角接触球轴承的动态性能。
滚动轴承的预紧方式按预载荷的方向可分为轴向预紧和径向预紧, 其中轴向预紧又可分为定位预紧和定压预紧两种。 定位预紧是通过调整衬套或垫片的尺寸, 获得合适预紧量, 以使其相对位置肯定不会发生变化的方法。 定压预紧是用螺旋弹簧、 碟形弹簧等使轴承得到合适预紧的方法。 径向预紧适用于圆柱滚子轴承, 而角接触球轴承、 圆锥滚子轴承和推力轴承通常采用轴向预紧方式。
1.3.4. 滚动轴承的接触角
滚动轴承的接触角 α 是指滚动体与滚道接触点或接触线中心的公法线与轴承径向平面的夹角。 当内外接触角不等时, 以外接触角作为轴承的名义接触角。 图2-3 所示为常见滚动轴承的接触角, 图中 Fr 为径向力; Fa 为轴向力。

各类轴承的接触角在安装和工作过程中会有变化。 根据轴承的不同状态, 接触角分为原始接触角、 安装接触角和工作接触角。 接触角是轴承根据结构进行分类的一个重要参数, 接触角影响轴承的受力及力在轴承内部的分布, 进而会影响轴承的变形、 摩擦、 润滑及寿命等。
对于滚子轴承, 其接触角在工作过程中是几乎不变。 接触角在载荷状态下变化的轴承主要是球轴承和调心轴承, 这类滚动轴承的接触角在实际工作中由于安装和载荷的原因会发生变化。 在安装过程中, 由于过盈配合时轴承的径向游隙减小, 从而使轴承的接触角减小; 但是力和力矩、 载荷、 预紧等因素又使轴承的接触角变大。 所以实际工作接触角并不是原始接触角, 而且工作接触角会随载荷的变化而变化。
滚动轴承的内、 外圈及滚动体出现剥落等故障时, 滚动体滚动过程中经过故障点时会产生冲击信号, 冲击信号的频率常常会用于滚动轴承故障类型的判别。 滚动轴承的故障冲击频率与滚动轴承的接触角有关 (计算公式详见第 3 章)。 在基于振动的故障诊断与分析中, 滚动轴承接触角的变化会导致故障冲击频率的变化, 从而使得理论故障频率与实际检测的故障频率存在误差; 另外, 由于工况的变化, 对同一个滚动轴承各次振动监测得到的故障冲击频率也会出现变化。
1.4 滚动轴承的固定、 配合和装卸
旋转机械通常需要轴承对其进行轴向和径向的支撑和定位。 根据轴的受力、 受热、 轴向定位等因素, 常用滚动轴承为支撑结构的轴承配置方式可分为: 固定端与非固定端轴承配置、 两端固定轴承配置和浮动轴承配置。
固定端与非固定端轴承配置主要针对由于温度变化而产生的轴的膨胀收缩问题, 对安装位置进行微调, 补充轴和轴承座孔在轴向的加工误差, 适用于长轴、 热膨胀量大的场合。 其固定端的轴承需要承受径向载荷和双向载荷, 一般可以选用深沟球轴承、 调心滚子轴承、 圆锥滚子轴承、 双列角接触轴承; 也可以选用轴承组合, 如不带挡边的圆柱滚子轴承与深沟球轴承或是四点接触球轴承。 非固定端仅起支撑作用, 允许轴做轴向移动。 一般采用可分离轴承, 游动发生在滚子和滚道之间; 当使用不可分离轴承时, 游动发生在内圈和座孔之间, 此时内圈和外圈的配合要采用间隙配合。
两端固定轴承配置主要适用于短轴、 热膨胀不大的场合, 且轴承必须预紧。 每端轴承都对轴单向定位, 且方向相反。 此类配置所选用的轴承一般是可以承受轴向载荷的向心轴承。
浮动轴承配置适用于对轴向定位要求不高或利用轴的其他部件做轴向定位的场合。 使用的轴承有深沟球轴承、 调心轴承和球面滚子轴承。 此类配置的每个轴承的内圈或外圈能在其支撑面上移动, 理想状态是外圈能在轴承座内移动。
1.4.1. 滚动轴承的轴向紧固
滚动轴承的轴向紧固包括轴向定位和轴向紧固。 为了防止轴承在轴上和在轴承座孔内移动, 轴承内圈必须紧固在轴上, 外圈必须紧固在轴承座孔内。
滚动轴承的轴向定位根据所选择使用的轴承配置方式决定。 在固定端与非固定端轴承配置中,轴承只承受一个方向的轴向力, 因此只需要单向紧固。 采用浮动配置时, 若轴承是不可分离轴承, 内圈轴向紧固在轴上, 外圈相对于轴承座孔轴向移动, 如轴承是可分离轴承, 内、 外圈均需相应紧固在轴上和轴承座孔内。
轴承的轴向定位仅靠使用过盈配合是不够的, 常常需要采用一些恰当的轴向固定轴承内、 外圈的方法。 常用的轴向定位方式是内圈采用轴肩定位, 外圈采用轴承孔的挡肩定位。 轴承轴肩和挡肩要与轴承的内、 外圈的端面紧贴。
轴向紧固装置的种类有很多, 内圈常见的轴向固定方式: 轴肩固定、 弹性挡圈固定、 紧锁螺母固定、 端面止推垫圈固定、 紧定套固定及推卸套固定。 外圈常见的固定方式: 止动环固定、 弹性挡圈固定、 端盖固定、 螺纹环固定及调节螺钉固定。
具体方式一般根据轴承的类型、 轴向载荷大小、 转速的高低及在轴上的位置和装拆的条件进行选择。 载荷越大, 转速越高, 轴向固定越要可靠。 轴向载荷较大时, 轴承内圈一般多采用锁紧螺母、 止动垫圈紧固; 轴承外圈多采用端盖、 螺纹环紧固。当轴向载荷较小和转速较低时, 轴承内圈多采用弹性挡圈、 紧定套、 推卸套等紧固; 轴承外圈多采用孔用弹性挡圈、 止动环等。
1.4.2. 滚动轴承的配合
径向定位通常是在安装轴承内、 外圈时给定适当的配合过盈量, 但是考虑经常安装和拆卸, 或非固定轴承要求有轴向位移时则不应该使用过盈配合。 在采用间隙配合的情况下, 需要采取一些措施防止蠕动引起的磨损。 以下讨论在固定端的轴承的配合。
(1) 滚动轴承的配合种类
滚动轴承的配合主要是外圈与轴承座的配合以及内圈与轴的配合。 滚动轴承配合的目的是要把轴承的内、 外圈固定于轴或轴承座上,保证轴承的定位精度, 并使轴不发生有害的滑动。 内圈配合多采用过盈配合, 外圈多采用过渡配合和过盈配合。
一般内圈滚道受载弧面上的切向变形和热膨胀变形使内、 外圈变大, 内圈的变大导致内圈与轴间的过盈量减小, 使内圈与轴的配合变松; 外圈的胀大则使外圈与轴承座的孔之间的过盈量加大, 配合变得更紧。
要保证轴承的定位精度和固定效果, 需选择过盈配合。 如果滚动轴承的配合过松就容易产生滑动, 产生不正常的发热和磨损, 造成滚动轴承的早期失效。 过盈量也不易过大, 轴承的内、 外圈属于薄壁零件, 易发生弹性变形, 在较大过盈量及载荷作用下, 内、 外圈滚道表面形状发生变化, 影响轴承的运转精度, 并发生振动和噪声。 根据前文的分析, 工作游隙与过盈量相关。 过大的过盈量会使轴承的工作游隙减小, 进而影响接触角, 影响轴承的承载能力和寿命。 滚动轴承的内圈与轴、 外圈与轴承座的配合并非固定不变, 配合面之间的过盈量在装配后和在工作后是变化的, 受力变形和由温差引起的变形越大, 其过盈量的变化也越大。
由于配合不当易引起滚动轴承的故障和失效形式有: 配合过紧引起的内、 外圈的开裂, 内、 外圈表面的裂纹和滚动轴承的卡死; 配合松动易引起黏着磨损、 易产生振动, 进而引起噪声和点蚀、 内圈的变形。
(2) 滚动轴承配合的选择
选择滚动轴承配合时应考虑的条件有: 轴承配置的方式, 滚动轴承的精度; 内、 外圈的转动; 滚动轴承的类型尺寸; 滚动轴承的负载类型和方向; 轴承的工作条件, 如冲击、 振动、 工作温度等; 轴承座及轴的加工精度、 材料, 轴承的安装和拆卸条件等。
在工作时, 影响轴承配合的主要因素是轴承的变形。 轴承的变形主要是由于外部的机械和热载荷引起的变形。 因此对于轴承的配合选择, 要重点考虑滚动轴承内圈配合、 由载荷及工作温度引起的配合过盈量减小等问题。
各方向的载荷中对配合产生影响主要的是径向载荷, 对载荷的分析主要根据径向载荷的旋转性质和载荷大小。 所谓的旋转性质是指轴承套圈相对于载荷方向的运动情况, 分为旋转载荷、 静止载荷和方向不定载荷。 承受旋转载荷时, 轴承的配合量要大一些; 承受静止载荷时, 配合量可以小一些; 对于像冲击载荷、 不平衡载荷等方向不定载荷, 内、 外圈都要采用较大的过盈量。 对于根据载荷大小和温度高低来确定的配合量, 主要考虑载荷或温度变化引起的过盈量的减小。 过盈量的减小值可以通过图表查询或使用经验公式得到。 内圈在径向力 Fr 作用下引起过盈量的减小值 ΔdF 为

(2-6)
式中, B 是内圈宽度; d 是轴承内径。
有时还要考虑滚动轴承在安装后过盈量的减小值 Δdy, 其计算公式为

(2-7)
式中, Δd 是轴承内径变化量; A 是常数, 对于车削轴, A = 3, 对于磨研轴, A = 2。通常轴承的工作温度高于外圈温度。 一般认为如果轴承的工作温度比轴承座周围的温度高 ΔT, 则内圈和轴在配合处的温差为 0. 12ΔT。 由温差引起的配合过盈量的减小值 ΔdT 为(2-8)
一般轴承内、 外圈的配合选取步骤: 滚动轴承内孔与轴的配合及外径与轴承座的配合都有推荐的配合量, 首先根据轴承的类型及尺寸、 载荷的类型及大小, 选择轴的推荐公差带或孔的推荐公差带。 然后根据滚动轴承的精度, 找出在推荐配合量下的平均过盈量 Δdr。 同时考虑在温度和载荷的作用下的过盈量的总减小量 ΔdT +ΔdF, 求得最佳的工作过盈量 Δd = Δdr + ΔdT + ΔdF, 再通过求得的最佳工作过盈量, 逆向查找相应工作过盈量的配合, 就可确定相应的配合。
1.4.3. 滚动轴承的装卸
滚动轴承的安装和拆卸工艺同样是保证轴承正常工作的重要环节。 在实际情况中, 相当一部分轴承由于装卸不当, 引起轴承的损坏、 失效及性能不佳。 滚动轴承的安装和拆卸应认真进行, 防止轴承、 轴承座或轴的损伤。
滚动轴承的安装和拆卸直接影响轴承的游隙、 接触角、 精度等结构参数和清洁度、 配合等接触因素, 这些参数的变化直接导致轴承的承载能力、 载荷分布和运转性能, 进而影响到滚动轴承的故障产生和失效。
当外圈安装偏斜时 (外圈静止、 内圈旋转), 则会造成外圈所受力矩和径向载荷偏斜, 使外圈磨损区偏离中心或偏斜, 内圈磨损区变宽或偏斜。 当安装或拆卸不当导致套圈变成椭圆时, 会造成轴承的载荷部分过于集中在椭圆的短轴处, 使其加速磨损。 当滚动轴承安装偏心时, 则会使载荷偏载严重。 图 2-4 示意了各种安装不当造成的磨损情况。

(1) 滚动轴承的安装
滚动轴承在安装之前, 应先对与之配合的轴、 轴承座、 端盖等零件进行严格检查。 在一些重要的场合, 如对轧钢机轧辊轴承, 必须要对各个零件按图样规定的技术要求做严格的检查。 对相关部件的检测和测量的内容包括以下几个方面: 配合面的表面粗糙度; 轴颈、 轴承座孔的配合直径偏差; 轴颈、 轴承座孔的重要几何公差, 如锥度、 圆度、 轴肩与轴线的垂直度等; 还有其他与轴承相配零件的尺寸精度、 几何精度和表面粗糙度等。
对于新轴承的安装, 首先要清除轴承上的防锈油脂。 对于不同的油脂采用不同的清洗液。 清洗过程要防止轴承的损伤和异物进入。 对于有防尘盖和密封的轴承不用清洗。
滚动轴承的安装方式主要有三种: 机械压力法、 温差法和液压配合法。
机械压力法是使用机械力直接作用于被安装的套圈上将轴承安装到轴或轴承座上。 这种方法使用最广泛, 但是多次装卸后配合表面会受到损伤, 且所需压力与过盈量成正比, 随着过盈量的增大, 表面损伤同时也越严重, 所以安装时需使用润滑油润滑以减小摩擦和磨损。 这种方法一般适用于中小轴承的安装, 且容易发生轴承套圈的偏斜, 使轴承载荷偏载, 造成局部磨损严重或卡死。 温差法安装轴承是根据热胀冷缩原理, 让内圈受热变大, 使其与轴的过盈量消失, 安装后等待一段时间, 当温差消失后过盈量将重新产生; 或让外圈受冷变小, 使其与轴承座孔的过盈量消失, 安装后等温差消失时过盈量再自动恢复。 这种方法适用于大中型轴承的安装, 其中加热的方法有: 烘箱加热、 油加热、 感应加热、 传热环加热、 火焰加热等。 液压配合法是将高压油通入带有锥度轴的轴端环形油槽中, 使配合面胀开, 两表面被高压油膜分离, 然后推到所需的过盈量位置, 放掉高压油, 油膜消失后过盈量产生。 这种方法适用于带有锥度轴的, 轴承尺寸和过盈量较大, 又需要经常拆卸的场合, 例如轧机轧辊轴承的安装。
由于滚动轴承安装不当而引发的轴承故障和失效有: 安装前没有检测装配元件, 导致配合失效而引发的轴承振动、 偏载磨损等故障; 清洗轴承时没有清洗干净或在安装过程中有异物进入而引发的滚动轴承振动、 点蚀、 凹坑等故障; 安装时没有采用正确合理的安装方法, 导致轴承、 轴或孔变形, 安装偏心, 轴承倾斜, 或卡死等所引发的偏载磨损、 温度过高的黏着磨损等故障, 使用温差法时由于温度过高而导致轴承变形或轴承的硬度降低所引起的轴承磨损、 点蚀、 凹坑等故障。
(2) 滚动轴承的拆卸
滚动轴承的拆卸时应该防止损坏轴和轴承座, 对于拆卸后要重新安装的轴承也要保护。 对于要用于失效分析的零件, 也不应损伤轴承的零部件。 滚动轴承的拆卸要根据配合等条件安排合理拆卸顺序和拆卸方法。
常用的拆卸方法有: 机械压力法、 加热法和液压法。 机械压力法常适用于中小轴承的间隙配合的场合。 这种方法在拆卸时一般容易使轴承发生变形, 使轴面或轴承座内孔面损伤。 用这种方法拆卸时应注意的方面有: 拆卸力应作用于要拆卸配合面的套圈上, 不可使滚动体和保持架受力; 拆卸时轴向力在滚动轴承的圆周上应分布均匀, 防止发生倾斜; 压力不可以直接作用于轴承上, 应通过各种软金属施加,防止轴承的变形。 加热法主要适用于在拆卸过程中要求配合表面没有擦伤的场合。在加热过程中加热温度不要高于轴承的回火温度, 防止轴承变形和硬度降低。 对于含有润滑脂填充的带防尘盖和密封圈的轴承, 加热温度不能过高, 还应注意其不可使用油浴加热。 液压法拆卸与液压配合法安装的方法近似, 适用于带有油槽的轴的场合, 轴承内孔可以是圆柱孔也可以是圆锥孔。 液压法拆卸要考虑液压足够大, 保证配合面之间形成液压膜。
滚动轴承的拆卸失误易引发的轴承故障有: 使用机械压力法进行拆卸时, 轴承套圈变形、 滚动体变形或保持架损伤引起的轴承异常振动和噪声, 轴承出现凹坑、疲劳失效等故障; 使用加热法进行拆卸时, 由于温度过高而导致轴承变形或轴承的硬度降低所引起的轴承磨损、 点蚀、 凹坑等故障; 拆卸时造成轴承表面或轴承座内孔表面损伤, 在安装后导致同轴度降低而引发的轴承的振动; 拆卸时造成轴弯曲,轴承受载后形成偏载而引发的轴承滚道的局部过度磨损。
1.5 滚动轴承的摩擦、 润滑和密封
滚动轴承正是因为其具有低摩擦的优点才得到了迅速的发展和广泛的使用, 但这并不意味着滚动轴承中的摩擦可以忽略, 恰恰相反, 滚动轴承的摩擦特性作为轴承的一项重要性能指标更应引起重视。 摩擦引起的磨损使轴承间隙加大、 精度下降、 振动噪声增大。 为了提高轴承的运转精度和寿命, 通常使用润滑剂来减小摩擦。 滚动轴承的摩擦是轴承内热量产生的决定因素, 摩擦严重时将导致轴承零部件温度急剧升高。 当滚动轴承的温度过高时轴承的硬度降低, 这将加速轴承的磨损。因此在对滚动轴承进行状态监测与故障诊断中, 可以通过对滚动轴承的温度检测来判断滚动轴承是否异常。
1.5.1. 滚动轴承的摩擦
滚动轴承的摩擦来自滚动体与滚道之间的滚动摩擦和滑动摩擦, 滚动体、 保持架、 挡边、 密封件等滑动接触部位的滑动摩擦, 以及润滑剂的黏性摩擦。 其中滚动体与滚道之间的滚动摩擦主要是由于变形和弹性滞后引起的; 滚动体与滚道之间的滑动摩擦主要包括微滑动摩擦和由于滚动引起的滑动摩擦。
影响摩擦大小的因素有很多, 其中最重要的是轴承的种类和大小、 操作速度、润滑剂性能和用量。 对于在重载荷下的球轴承和滚子轴承, 摩擦产生的主要原因是滚动体和滚道在接触变形区内的滑动, 这些接触包括滚动体与滚道之间的接触、 滚动体与保持架之间的接触、 滚子端面与滚子引导面之间的接触、 保持架与引导挡边之间的接触。 比如: 对于圆锥滚子轴承, 主要的摩擦是滚子端面与内、 外圈挡边之间的滑动摩擦; 对于不带保持架的圆柱滚子轴承, 主要的摩擦是滚子端面与内挡边、 外挡边之间的滑动摩擦, 对于带保持架的圆柱滚子轴承, 主要摩擦是滚子与保持架之间的滑动摩擦, 保持架和滚道之间的滑动摩擦。 由于滚动轴承的摩擦主要是滚动体与接触区的滑动摩擦, 所以摩擦力的大小很大程度上取决于润滑剂的选择和油膜厚度。 本节讨论的摩擦是轴承内部的摩擦, 不包括滚动轴承与其他辅助器件的摩擦, 如滚动轴承内、 外圈与轴承密封圈之间的摩擦。
滚动轴承内的摩擦是轴承内热量产生的决定因素, 其结果也对操作温度产生决定性影响。 当滚动轴承的温度过高时会引发滚动体和滚道的变色; 在重载荷条件下, 高温会使轴承硬度降低, 容易引发黏着磨损 (如胶合、 咬黏、 涂抹等)。 一般通过对滚动轴承内圈的温度检测来判断滚动轴承是否异常, 通过温度检测来预防滚动轴承的过热造成轴承的损坏。 摩擦对滚动轴承的直接影响就是磨损, 磨损将使轴承的零件工作表面变粗糙, 轴承内部游隙增大, 旋转精度降低, 振动噪声增大, 摩擦力矩增大。 减少摩擦的主要措施是采用合适的润滑方式, 保证密封良好, 防止异物进入。
1.5.2. 滚动轴承的润滑
滚动轴承中所存在的多种滑动使轴承运转中产生摩擦发热和磨损。 减少摩擦的主要措施之一就是采用良好的润滑方式。 润滑是保证轴承正常运转的必要条件, 它对于提高轴承的承载能力和使用寿命起着重要作用。
对轴承润滑的主要目的是在运动表面形成油膜以避免滚道、 滚动体、 保持架之间的直接接触, 减少摩擦阻力、 降低磨损和擦伤、 减小摩擦发热; 油膜的形成增大了接触面积, 减小了接触应力; 润滑剂还可缓冲吸振和防尘防锈。 对于循环油润滑, 润滑剂还可以散热冷却, 防止轴承烧伤; 对于脂润滑, 润滑脂还可以起到密封作用。
滚动轴承润滑一般可以根据使用的润滑剂种类分为脂润滑、 油润滑和固体润滑三大类。
脂润滑的优点是密封结构简单, 润滑脂不易流失; 缺点是轴承摩擦大且散热不好。 脂润滑主要用于在低速、 中速、 中温工况下运转的轴承。 脂润滑要保持润滑脂有适当的填充量, 润滑脂的填充量一般为轴承空间的 1 / 3 ~ 2 / 3, 以防止摩擦发热过大。 油润滑的优点是摩擦阻力小, 并能散热, 但是油润滑需要定期更换润滑油。 油润滑主要用于高速、 工作环境温度较高和需要消除摩擦热的轴承。 固体润滑主要用于不能使用油润滑或脂润滑的极端场合, 主要用于负载重、 温度高的机械摩擦部分。
滚动轴承润滑方式的选择依据主要包括滚动轴承的转速、 工作温度、 载荷、 工作环境和安装状态等。 对于高温环境、 低中速、 重载的工况应使用循环油润滑, 对于高温环境、 高速、 轻载的工况可采用油雾润滑或油气润滑, 对于高速、 重载的工况应采用喷射润滑。
选用润滑剂时主要考虑的特性有: 抗乳化性 (即分水性)、 黏温性 (即黏度指数)、 抗泡沫性、 氧化安定性、 黏度和抗腐防锈性等。
其中抗乳化性就是不易乳化, 能够使混入油中的水迅速分离的性能; 黏温性是润滑油的黏度随温度变化而变化程度的性能, 黏温性好就是黏度随温度变化波动小; 抗泡沫性是油在循环使用中产生的泡沫易于消失, 能够确保正常供油及形成油膜的性能; 氧化安定性是油品的变质速度的性能; 抗腐防锈性就是润滑油对轴承不腐蚀, 并防止轴承锈蚀的性能。
(1) 润滑与轴承故障的关系
对轴承润滑的主要目的是通过在接触面形成油膜以减少摩擦阻力、 降低磨损和擦伤、 减小摩擦发热、 减小接触应力、 缓冲吸振和防尘防锈来提高滚动轴承的使用寿命。 合理的润滑可以有效地提高滚动轴承的寿命, 相反, 润滑不良可能会大大影响滚动轴承性能和寿命。 实际情况中, 40% 的轴承损坏都与润滑不良有关。 润滑不良主要包括缺少润滑剂, 润滑剂污染或失效。
当润滑剂不足时, 滚动轴承的润滑状态由全膜润滑变为部分膜润滑或边界润滑, 从而造成滚动轴承摩擦增大, 摩擦热大量产生, 温度急速升高。 最易产生的故障有: 由于磨损增加引起游隙和接触角变化, 导致轴承的运转精度降低; 当有载荷偏载时, 会造成局部磨损严重, 导致大的振动和冲击; 当温度过高时, 会引起滚道和滚动体的烧伤、 黏着磨损, 严重时会导致胶合; 当轴承的传热不好时, 会引发热偏转并导致轴承咬死; 热不平衡时还会引发滚动体、 保持架的热变形和氧化。 润滑剂不足所引起的故障最大的特点是摩擦增大, 温度急速升高。 对于此类故障进行监测的有效方法是对滚动轴承内部温度进行及时检测, 获得滚动轴承温度变化的趋势图并科学设置报警限。
润滑剂的失效主要是由于润滑剂本身变质或异物进入润滑剂而造成的。 润滑剂的变质主要有两个方面的原因: 一是由于内部成分老化变质, 二是由于异物进入。
润滑剂在使用中由于受到温度、 空气、 金属催化、 机械剪切、 有害介质的作用, 其中的基础油成分氧化降解和添加剂失效, 会形成对轴承有害的物质。 有害物质对滚动轴承的损坏主要表现在对金属的腐蚀。 当润滑油老化后, 其黏度、 抗压性等性能发生变化, 影响滚动轴承的油膜形成, 导致接触面之间的应力变大和摩擦增大, 加大了滚动轴承的磨损。
润滑剂的异物进入主要包括: 由于密封不好, 导致轴承外部环境中的灰尘、 水分等进入润滑剂引起润滑剂污染; 由于轴承的磨损、 氧化、 点蚀剥落等原因, 轴承的材料颗粒进入润滑剂引起润滑剂的污染; 还有一部分是由于润滑过程中通过其他途径造成润滑剂的污染, 比如采用循环润滑时, 润滑剂在供油系统或过滤系统中受到污染。 在润滑剂的各种夹杂物中, 对滚动轴承产生较大影响的是水分和颗粒夹杂物。 水分进入润滑剂中对滚动轴承的影响主要表现在: 水分加速润滑剂的分解氧化并使润滑油黏度上升, 从而影响润滑油膜的形成, 加速轴承的磨损; 乳化水使润滑液的油膜油压不稳, 容易产生振动。 进入润滑剂的颗粒夹杂物主要包括金属颗粒、氧化物、 硫化物及硅酸盐等。 颗粒夹杂物对滚动轴承的影响大小主要取决于颗粒的大小、 多少和硬度高低。 润滑剂中的小颗粒主要影响润滑膜的形成和润滑膜的连续性, 进而影响接触面的压力和应力分布, 产生交变应力, 形成疲劳源。 大颗粒不仅影响油膜的厚度, 还在接触面上形成应力集中, 产生凹坑。 当大颗粒的硬度比较大时, 作用在大颗粒上的压力使其产生犁铧, 使滚道划伤, 严重时会产生很深的擦伤条纹。 图 2-5 示意了润滑剂污染后的润滑效果。 润滑不良容易对滚动轴承的振动产生影响, 特别是对高频带振动的影响尤为显著。 一般来讲, 夹杂物含量越多, 单颗粒越大, 夹杂物离材料的表面越近, 对材料的疲劳寿命的影响也越大。

(2) 振动诊断法———对润滑状态的分析
滚动轴承由于润滑不足引发各个元件之间的滑动摩擦, 摩擦导致磨损、 擦伤、 疲劳剥落和裂纹等损伤。 如果润滑剂不足或润滑不良, 滚动体在滚道上不能形成良好的油膜, 金属之间的直接摩擦就会在滚道上产生更多的缺陷或损伤, 使轴承工作时振动增大。 因此常使用振动诊断法对润滑不良等故障进行检测。
由于轴承润滑不良或润滑油质量不好将会产生过大冲击载荷, 其会激起安装后系统的固有频率。 在由于轴承润滑不好而引起碰摩产生振动的频率范围内, 通常存在 3 ~ 4 个共振峰值 (自由能量较大)。 有资料表明, 在对润滑不当的滚动轴承进行振动信号分析时, 在功率频谱图上经常出现在 800 ~ 1600Hz 范围内, 每间隔80 ~130Hz, 中间就可能存在 3 ~ 4 个峰值, 其能量较大。 如图 2-6 所示。

当滚动轴承磨损使轴承间隙增大而产生松动或出现干摩擦故障时, 由于轴承的支撑刚度不均匀使时域波形不对称而出现削波现象。 图 2-7 所示是因润滑不良导致碰摩的振动信号在进行自相关处理时的时域波形, 从图中标出的椭圆部位, 可清楚地看到由于摩擦产生的削波现象。

1.5.3. 滚动轴承的密封
当轴承的润滑方法确定后, 就需要选择适当的密封方法。 密封的主要目的是保持润滑剂不流失和防止灰尘、 水分等杂质进入轴承。 密封的作用是在相对运动表面之间实现的, 通常密封也要旋转。
密封结构的选择取决于润滑剂的类型以及转速、 摩擦等因素。 根据是否与运动表面接触, 密封分为接触式密封、 非接触式密封和组合式密封。
接触式密封主要适用于低转速的工况, 为防止磨损, 要求接触处表面粗糙度Ra 为 0. 8 ~ 1. 6μm。 接触式密封包括毡圈密封和橡胶油封。 毡圈密封是在轴承盖上梯形槽内放置矩形剖面细毛毡, 适用于脂润滑的密封。 橡胶油封 (标准件, 较常用) 是使用耐油橡胶制唇形密封圈并靠弹簧压紧在轴上, 唇向外可以防灰, 唇向里可防油流失, 组合放置可同时起到防灰和防油流失的作用。
非接触式密封包括油沟密封、 甩油密封、 曲路密封 (迷宫密封)。 非接触式密封的特点是与轴不直接接触, 适用于高转速的工况。 油沟密封 (间隙密封) 是轴与盖之间保留 0. 1 ~ 0. 3mm 间隙, 盖上加工出沟槽, 槽内充满润滑脂。 甩油密封是在轴上开沟槽, 将欲外流的油沿径向甩开, 再经轴承盖上集油腔及油孔流回轴承;挡油环式甩油盘是利用离心力甩去挡油环上的油, 让其流回油箱内, 以防油冲入轴承内, 其适用于轴承脂润滑的密封。 曲路密封是将旋转和固定的密封零件间的间隙制成曲路形式, 缝隙间填入润滑脂, 加强密封效果, 适用于油脂润滑的密封。
组合式密封是将两种以上的密封形式组合在一起使用, 其密封的效果较好。
1.6 不同载荷作用下滚动轴承的变形和载荷分布
1.6.1. 最大接触应力
在滚动轴承中, 作用于滚动体与滚道之间的载荷仅能在两者之间形成很小的接触区域, 因此, 虽然滚动体的载荷是适中的, 但是滚动体和滚道表面产生的应力通常却很高。
在无载荷条件下, 两个物体之间的接触可以分为两种理想类型: 点接触和线接触。 点接触即两表面只在一个点上接触, 但是当有载荷作用于接触体后, 接触点将扩展成为接触面。 接触面在接触法线垂直的平面内的投影是一个椭圆, 如图 2-9a所示。 对于理想的线接触, 在载荷作用下接触线将扩展为矩形接触面, 如图 2-9b所示。 当有限长度的滚子与长度大一些的滚道接触时, 滚子的轴向应力分布与当滚子长度等于滚道长度时其轴向应力分布是不同的。 滚子端部的压应力高于接触中心的应力, 这种接触称为边缘受载线接触, 如图 2-9c 所示。

在点接触类型中, 当载荷不断加大时, 接触点扩展生成的椭圆接触面也会越来越大, 这时产生的接触面积就接近于线接触类型产生的接触面积。 为此, 有研究人员对球面滚子与滚道接触提出了一个修正的线接触条件。 当点接触的接触区投影椭圆长轴长度 2a 大于滚子有效长度 l 但小于 1. 5l 时, 属于修正线接触; 如果点接触的接触区投影椭圆长轴长度 2a 小于 l 时, 属于点接触; 点接触的接触区投影椭圆长轴长度 2a 大于 1. 5l 时, 属于附带边缘受载的线接触。
赫兹弹性接触理论假设: 接触体是均匀各向同性的线弹性材料, 所有的变形都在弹性范围之内, 接触区应力没有超过材料的比例极限; 载荷垂直于表面, 忽略表面切应力和摩擦力的影响; 与受载物体的曲率半径相比, 接触区域的尺寸很小; 与接触区域的尺寸相比, 接触区域的曲率半径很大。
对于点接触, 最大压应力 δmax出现在接触区投影椭圆的几何中心, 其值为
(2-9)
式中, Q 是接触区的法向力; a 和 b 分别是接触区投影椭圆的长轴长度和短轴长度。
对于理想线接触, 接触区内的应力分布为半椭圆柱。 对于这种情况, 最大压应力 δmax出现在半椭圆柱的轴线上, 其值为
(2-10)
椭圆接触和理想线接触的载荷分布, 如图 2-10 所示。

赫兹弹性接触理论只适合于垂直作用于表面的集中力所引起的表面应力。 但是在实际分析中, 滚动轴承受载后以表面疲劳形式出现的失效源位于受力表面下的一点。 因此需要确定次表面应力的大小。 导致材料表面疲劳失效的次表面应力通常主要为切应力。 对最大切应力的计算, 目前主要有两种理论。

1.6.2. 变形与载荷分布
滚动轴承的接触应力取决于载荷, 所以最大接触应力也是载荷分布的函数。 而接触应力又影响滚动轴承的疲劳寿命, 因此, 滚动轴承疲劳寿命自然会受到载荷分布的影响。
载荷分布是指滚动轴承内部所有滚动体所受载荷沿滚道上的分布。 忽略滚动体上的摩擦力和摩擦力矩对载荷分布的影响, 一般来说, 对滚动体载荷分布影响最大的因素是径向游隙。 由于作用于轴承上的载荷是通过滚动体由一个套圈传向另一个套圈的, 所以对轴承承载能力的大小起决定性作用的是滚动体承载能力的大小。 在分析作用于滚动体上的载荷时, 必须考虑滚动体与滚道之间的变形。 正常工作状态下, 一般认为滚动体与滚道的变形在弹性范围内。

滚动轴承游隙影响滚动轴承的载荷分布, 载荷分布影响滚道的最大接触应力和次表面最大正交切应力, 进而会影响滚动轴承的寿命。 一般认为轴承内载荷区域为80% 左右时, 轴承的使用寿命较为理想。 如图 2-12 所示为载荷分布与滚动轴承疲劳寿命的关系。

对于中低速的滚动轴承, 可以通过以上计算方法求得滚动轴承的载荷分布。 但是在高速情况下, 由于高速滚动体所产生的离心力和陀螺力比较大, 所以不可忽略, 其会影响接触角和径向游隙, 从而影响滚动轴承的内部载荷分布, 进而影响滚动轴承的寿命。
1.7 滚动轴承选用步骤
在选择轴承时需要考虑到机械设备对轴承的要求, 包括工作载荷、 转速、 寿命、 旋转性能等方面。 各种类型的轴承, 其结构、 性能、 承受能力各不相同, 每种轴承只适合特定的范围, 只有选择恰当, 轴承才能发挥其性能。
在实际工作中, 选择轴承的一般思路为: 首先, 一般根据轴系的轴承排列、 拆装难易程度、 轴承所允许的空间、 尺寸及轴承的市场性等, 大致决定轴承结构。 其次, 根据机械的设计寿命以及不同材质轴承的耐用度来决定轴承尺寸。 选择轴承时, 不能只考虑轴承的疲劳寿命, 对因润滑脂老化导致的磨损、 噪声等问题也需充分研究。 再者, 根据不同用途, 对精度、 游隙、 保持架结构、 润滑脂等进行设计与选择。
(1) 滚动轴承的选用准则
滚动轴承选择的主要依据条件有: 轴承所承受的载荷、 设备的转速要求、 调心性能的要求、 高刚性要求、 低噪声振动要求、 旋转精度要求、 安装拆卸方便要求、 散热性要求、 轴向移动要求、 密封性要求等。
(2) 一般滚动轴承选择的步骤
滚动轴承的选择步骤与实际情况相关, 所以并不固定。 在机械设计阶段, 一般是根据载荷类型和大小、 转速要求、 调心要求等, 先确定滚动轴承的类型; 再根据精度要求、 刚性要求等其他要求确定所要使用轴承的型号、 配合、 游隙、 预紧、 精度、 润滑方式和润滑剂、 密封方式、 配合公差等。 在设备使用及维修阶段, 一般由于安装条件和现有设备结构的限制已经确定了所要使用轴承的尺寸、 转速、 润滑方式和密封方式等, 所以主要工作是根据现有设备载荷大小和类型、 运转性能等要求来确定轴承的类型、 游隙等, 重新选择适合于现有设备的轴承。
了解滚动轴承的结构特点、 工作特性及选用方式等基本知识, 有助于现场技术人员理解滚动轴承失效机理, 找出滚动轴承的故障原因, 并采取正确的改进措施。
2 滚动轴承的失效形式与机理
2.1 滚动轴承的失效形式概述
滚动轴承寿命与轴承的制造、 装配、 使用紧密相关, 每个环节都必须严格保证质量, 才能使轴承处于最佳的运转状态, 从而延长轴承的使用寿命。 深入理解滚动轴承的失效形式与机理, 对准确进行滚动轴承的故障诊断具有重要意义。 由于滚动轴承的结构、 材料、 润滑和工作载荷等条件的差异, 轴承损坏的状况和形式会有所不同。 表 2-4 为滚动轴承的常见失效现象及原因简析。 从失效机理上分类,滚动轴承常见的失效形式有疲劳、 磨损、 腐蚀、 塑性变形、 裂纹、 烧损、 断裂、电蚀等。
滚动轴承的失效实质上是滚动轴承的材料及结构的失效, 因此要想了解滚动轴承的失效机理, 必须结合一般的材料结构失效机理和滚动轴承所特有的结构特点与服役条件进行综合分析。 本节主要从疲劳、 磨损、 腐蚀、 塑性变形、 烧损、 断裂、电蚀等方面简要介绍滚动轴承的失效形式与机理。
2.2 疲劳失效形式与机理
疲劳一般起源于高应力或高应变的局部, 疲劳过程是一个损伤累积的过程。 在足够多次的扰动载荷作用后, 从高应力或高应变的局部开始萌生裂纹, 在交变载荷的作用下, 裂纹进一步扩展, 直到达到临界裂纹尺寸而发生疲劳破坏。 疲劳失效形式主要分为疲劳剥落和疲劳断裂。
2.2.1. 疲劳剥落
滚动轴承的疲劳剥落主要是由于接触疲劳而引起的, 根据剥落的形成位置和原因不同分为表层剥落 (麻点剥落, 点蚀), 次表面剥落和硬化层剥落, 如图 2-13所示。

表层剥落又称为麻点剥落或点蚀, 是由接触表面粗糙微凸体的最高峰点互相接触而被剪断所造成的。 次表面剥落是初始疲劳裂纹首先从接触表面下最大正交切应力处产生, 然后扩展至表面形成的剥落。 硬化层剥落是初始疲劳裂纹起源于硬化层与心部交接的过渡区, 造成硬化层的早期剥离。 疲劳剥落的形状特征: 一般具有一定的深度和面积, 剥落后的表面呈凹凸不平的鳞状, 有尖锐的沟角, 并带有疲劳裂纹扩展的海滩状纹路。 产生疲劳剥落的部位主要是滚道和滚动体的接触面。 如图2-14 所示为滚道的表面剥落和滚动体的表面剥落。

次表面剥落的形成由材料疲劳失效机理可以解释, 即: 一个循环作用的集中载荷在滚道接触表面产生接触应力, 进而引起次表面的循环正交切应力。 如果这个正交切应力足够大, 会使滚道材料表面下面的某个弱点位置产生初始显微裂纹, 次表面裂纹向表面扩展导致最终的剥落。 剥落过程是先产生显微剥落、 点剥落 (点蚀), 再产生小片剥落体, 再发展为较大的剥落体, 最后剥落体剥离形成次表面剥离。 次表面疲劳剥落最典型的特征就是其显微裂纹具有蝴蝶现象, 如图 2-15 所示。图 2-16 示意了次表面剥落的过程: 从显微状剥落, 到出现麻点, 再到小片状剥落,最后为片状剥落。

如前文所述, 滚动轴承的疲劳失效主要是由滚动体与滚道之间的接触疲劳引起的。 一个无任何故障的滚动轴承在长时间运转后, 也会因接触疲劳而产生剥落, 因而滚动轴承的接触疲劳寿命常常被作为评价滚动轴承额定寿命的主要指标。 疲劳寿命就是指结构或材料直至疲劳破坏时所作用的循环载荷的次数或时间。 滚动轴承疲劳寿命理论就是研究滚动轴承疲劳产生的机理, 然后通过机理分析研究清楚使用概率、 寿命与载荷的关系。早期一般认为疲劳寿命是由裂纹产生的时间决定的。 后来人们发现大部分的疲劳寿
命耗费在裂纹的扩展上, 现在一般认为接触疲劳寿命是由裂纹扩展的时间决定的,认为疲劳产生的机理主要是: 材料先产生裂纹, 裂纹再扩展并转变为裂纹源, 最终形成疲劳损伤。

对于滚动轴承接触疲劳过程中材料裂纹的产生机理, 目前主要有两种疲劳寿命理论: 一种认为由于正交切应力的作用, 材料内部缺陷在次表面形成裂纹; 另一种认为由于接触表面的集中应力形成缺陷, 或表面现有的缺陷受正交切应力作用而在接触表面形成裂纹。 也有理论认为两种裂纹都引发疲劳。
裂纹源于材料内部的理论认为: 在理想的润滑情况下, 滚动体和套圈的接触表面被一层足够厚的未污染润滑油分隔开来, 两金属表面没有直接接触, 而且润滑油与金属表面的摩擦牵引力可忽略不计, 那么失效将起源于表面下最大正交切应力深度处的材料缺陷处。 此时决定寿命的主要因素是表面下最大正交切应力和材料缺陷的联合作用。
裂纹源于材料表面的理论认为: 材料的内部缺陷含量已经降至很低, 表面下裂纹产生的概率也将是非常低的。 这就使得材料表面特性对寿命—载荷关系的影响将突现出来, 所以材料表面缺陷 (如磨削犁沟、 粗糙峰等) 对寿命—载荷关系的影响不能被忽略。 在高压强下, 这些缺陷的内部或周围极易形成应力集中, 这种应力集中一旦超过材料的疲劳强度, 便会成为微小疲劳裂纹产生的发源地, 而裂纹一旦形成, 由于高压润滑油周期性地不断涌入和材料体本身的循环应力的作用, 就会导致裂纹不断地扩展, 最终形成表面疲劳剥落。
2.2.2. 疲劳断裂
疲劳断裂是指在弯曲、 拉伸、 扭转条件下, 应力不断超过材料的疲劳强度而产生疲劳裂纹, 裂纹先在应力较高处形成并逐步扩展到零件截面的某一部分, 最终造成过载断裂的过程。 滚动轴承疲劳断裂主要发生在套圈和保持架上。 疲劳断裂是一种低应力脆性断裂, 断裂前没有明显的塑性变形出现, 其断口特征与其他断裂有明显的不同, 有典型的疲劳源区、 裂纹扩展区和瞬时断裂区。 通常也将疲劳断裂归类于断裂失效。 图 2-17 为保持架的疲劳断裂和套圈的疲劳断裂。

2.2.3. 疲劳失效的原因与预防措施
造成滚动轴承材料疲劳失效的原因有多种, 归纳总结如下:
1) 载荷过大、 有力矩载荷或异常载荷。 比如游隙太小导致配合太紧, 游隙太大导致集中载荷。
2) 安装不良, 轴系的同轴度较差或挠度过大, 轴承座 (箱体) 精度或刚性不好。 因安装对中不良导致偏载的深沟球轴承 (内圈固定), 其疲劳剥离带偏离沟的中心, 且在载荷区域最为严重。
3) 轴承工作表面有缺陷, 如压痕、 擦伤、 变形或锈蚀。
4) 润滑不良, 润滑剂不合适, 有污染物和水分入侵。
5) 轴承材料的品质问题。
针对轴承疲劳失效的改善与预防措施:
1) 检查设备系统的载荷 (或轴承自身的承载能力、 轴承选择问题);
2) 使用合适的润滑剂、 润滑方法, 并保证润滑剂的清洁度;
3) 检查轴承安装部位 (轴、 轴承座) 的安装精度;
4) 检查轴承的游隙。
2.3 磨损失效形式与机理
滚动轴承的磨损是指在使用过程中, 两个滑动接触表面或一个滚动接触表面与一个滑动接触表面的微凸体相互作用, 造成材料的逐渐损失。 磨损会影响到轴承的形状、 配合间隙及工作表面, 会影响到润滑剂的润滑性能, 严重时会造成润滑功能完全丧失。 持续的磨损将引起轴承零件逐渐损坏、 接触表面的质量恶化、 轴承尺寸精度和旋转精度降低、 振动和噪声增大及其他相关问题, 最终导致轴承丧失正常的工作性能而失效。
2.3.1. 磨损的类别
磨损失效是因磨损而产生失效的各种失效形式的统称。 从广义上说, 磨损根据产生机理可分为摩擦磨损、 疲劳磨损、 腐蚀磨损和微动磨损等。 图 2-18 为广义磨损失效分类示意图。

(1) 摩擦磨损
摩擦磨损主要是由于机械摩擦力的作用产生的磨损。 一般来说, 通常概念中的磨损就是指摩擦磨损。 摩擦磨损分为磨粒磨损和黏着磨损。
滚动轴承磨粒磨损是指滚动体与滚道、 保持架之间在相对运动时, 由于外来硬质颗粒或表面突起物在表面摩擦而引起滚动轴承材料表面损伤或脱离的现象, 常在轴承工作表面造成犁沟状的擦伤。 硬质粒子或异物可能来自主机内部或来自主机系统其他相邻零件, 由润滑介质带进轴承内部。 磨粒磨损是润滑不充分或外界颗粒侵入 (包含轴承自身的磨损颗粒) 的结果。 由于旋转表面和保持架上的材料被磨掉,这些磨粒数量逐渐增多, 最终磨损进入一个加速过程而导致轴承失效。 滚动轴承磨粒磨损的主要失效形式表现为外来硬质颗粒在接触表面上进行犁铧而形成的划伤和凹坑。 磨粒磨损引起的划伤主要发生在滚动轴承的滚道, 且划痕较为分散, 一般是孤立的一条或几条线, 每条划痕的长度和深度差异较大, 一般深度为 0. 01 ~ 1mm。图 2-19 为滚道表面划伤和凹坑的实物图。 磨粒磨损的划伤痕、 凹坑极易成为接触疲劳的疲劳源。

黏着磨损是指由于摩擦表面的显微凸起或异物使摩擦面受力不均, 在润滑条件严重恶化时, 因局部摩擦生热, 造成摩擦面局部变形和摩擦显微焊合现象, 严重时表面金属可能局部熔化, 接触面上作用力将局部摩擦焊接点从基体上撕裂而增大塑性变形。 这种 “黏着-撕裂-黏着” 的循环过程构成了黏着磨损。 黏着磨损是材料从一个表面转移到另一表面, 并伴随有摩擦发热, 有时还有回火或重新淬火。 滚动轴承黏着磨损主要是指滚动体与滚道的磨损, 滚动体与保持架的磨损, 即主要是滚动轴承部件的磨损。 黏着磨损的类型有滑伤、 涂抹、 粗化、 咬黏、 胶合、 黏结(咬死) 等。 黏着磨损失效的程度从轻到重过程如图 2-20 所示。

出现黏着磨损的原因通常是由于摩擦力的增加及伴随着摩擦热的大量产生。 滚动轴承的黏着磨损主要发生在滚动体与滚道之间的接触面、 滚动体端面与轴承引导面之间的接触面、 滚动体与保持架之间接触处。 擦伤是指微凸体嵌入表面或分布在两表面之间所形成的微小沟槽。 粗化是黏着磨损的特定形式, 主要是指金属微小碎片被滚动体从轴承滚道上扯下。 图 2-21 所示为滚动轴承各个部件发生的不同磨损形式。

(2) 疲劳磨损
滚动轴承的疲劳磨损主要是指接触疲劳剥落。 如前文所述,根据疲劳的形成位置和原因, 滚动轴承疲劳磨损可分为表层剥落, 次表面剥落和硬化层剥落。 一般的疲劳磨损主要是指在接触面上形成的连续均匀的点蚀分布。 图2-22 所示为圆柱滚子表面不同程度的疲劳磨损。

(3) 腐蚀磨损
腐蚀磨损是在腐蚀和机械摩擦力共同作用下产生的, 在机械摩擦过程中, 摩擦表面会与周围介质发生化学反应或电化学腐蚀从而加剧磨损。 滚动轴承腐蚀磨损的一种典型失效形式是梨皮状点蚀, 表现为轴承滚动工作表面产生弱光泽的暗色密集型微小点蚀凹坑, 其形成原因主要是由于润滑剂污染、 润滑过程中微小异物侵入以及空气和水分的氧化腐蚀作用。 图 2-23 所示为轴承外圈滚道的腐蚀磨损及某一轴承外圈滚道和球滚动体的梨皮状点蚀。

(4) 微动磨损
滚动轴承微动磨损是指在外载荷作用下滚动体与滚道之间或滚动体与保持架之间的两接触面因相对反复的微小滑动而产生的磨损。 在微动磨损过程中, 微动接触处常常伴随着氧化反应, 在接触表面形成红褐色或黑色氧化剥落层。 图2-24 为滚动轴承外圈微动磨损的实物图。

一般认为造成滚动轴承微动磨损的原因有:
(1)润滑不良、 润滑剂选择不当;
(2)接触处的接触应力过大;
(3)配合过盈量不合适;
(4)滚动体与滚道处有微小往复移动,
(4)轴承在静止状态时周边环境有振动。
因此可以通过
(1)选择合适的润滑剂、
(2)选择合适的配合过盈量(或预压)、
(3)尽量减小轴承的环境振动 (特别是大型轴承的安置、 运输过程中的振动)
等手段来进行改善。
2.3.2. 磨损失效的特点
磨损时材料表层所进行的各种不同过程将引起材料发生不同程度损坏。 由于摩擦过程中, 材料在损坏前要发生黏着的、 物理和组织的变化, 所以磨损的影响要比接触疲劳强烈得多。
磨损是相互接触的物体在相对运动中表层材料不断损伤的过程, 它是伴随摩擦而产生的必然结果。 连接表面磨损是最典型的破坏形式, 是一种复杂的物理化学过程。
当两连接表面相互接触, 并在其表层有相对位移时, 将产生机械的以及分子的相互作用, 使表面微观体积受到破坏, 即产生连接面的磨损。 材料磨损时, 表面微观轮廓相互作用, 产生弹性变形和塑性变形。 磨损一旦产生, 就必然会在摩擦表面和表层同时产生一系列派生 (伴随) 的物理、 化学和机械过程。
(1) 局部高温
在接触点局部高温的作用下, 可能会引起金属层金相组织变化或导致金属表层熔化。 周期性的机械和热应力的综合作用引起了微观裂纹的出现, 若润滑油渗入该裂纹达到的一定深度时, 将导致材料的剥离。
(2) 化学过程
在摩擦副接触区, 由于高温和化学的共同作用, 会引起材料表面氢脆等现象。 高温也容易使金属发生氧化。
(3) 材料从一个表面转移到另一个表面的过程
由于表层渗氢作用, 会发生所谓的 “选择性原子转移” 现象。 例如, “钢-铜合金” 摩擦副中发生 “选择性原子转移” 现象的过程是通过原子键的破坏而析出铜, 并把铜转移到钢表面形成薄的铜层。 该铜层不能从接触区被带走, 但可以从一个表面转移到另一表面。
2.3.3. 磨损的部位与成因
一般来说, 在有充分的流体动力润滑膜的场合下, 固体表面之间就没有接触,没有接触就没有磨损。 因此, 磨损的出现主要是因为局部或整体润滑不良。 配合间隙的改变、 润滑剂的劣化、 外来硬质异物的侵入等都会导致润滑不良。
滚动轴承发生磨损的主要部位: 滚动体与滚道之间、 滚动体与保持架之间、 滚子端面与滚子引导面之间、 保持架与引导挡边之间。
磨损会导致轴承零件表面粗糙、 径向游隙增大、 旋转精度降低、 振动噪声增大、 摩擦力矩增大。 当磨损量较大时会引起轴承零部件的损坏, 同时也会增大配合间隙及工作表面形状变化, 可能影响到润滑剂或使其污染达到一定程度而造成润滑功能完全丧失, 因而导致轴承丧失旋转精度乃至不能正常运转。
在实际运行中, 由于种种原因, 滚动轴承的各个部位都可能会发生磨损, 由于载荷等工况的不同其磨损的形式也会不同。 比如:
当润滑不充分时, 滚动轴承挡边引导面和滚子端面会发生涂抹;
当游隙太小或偏载时, 保持架会与滚动体发生磨损, 严重时会发生咬黏, 使保持架变形甚至断裂;
当游隙过大时, 轴承的载荷分布不均, 引起滚道的受载区磨损严重, 不受载区没有磨损或磨损较轻;
对于无保持架的圆柱轴承, 受润滑和旋转条件的影响, 圆柱滚子之间的接触处也会发生涂抹;
对于外圈固定的向心轴承, 由于受轴向力, 会使轴承内圈和外圈沟道的某一侧磨损严重而另一侧却没有磨损;
对于推力轴承, 由于受径向载荷或偏载等, 使滚道的磨损区域与轴中心偏心, 且磨损区域不均匀。
正常磨损是指滚动轴承只承受其设计时可以承受的载荷类型, 且没有冲击, 工作表面的材料不断减小, 在轴承工作表面上呈连续状的磨损。 由于安装不良等原因而承受力矩载荷, 导致磨损区 域 沿 力 矩 弯 曲 趋 势 偏 转;由于安装失当而使轴承产生椭圆变形, 导致滚道处于椭圆的短轴处磨损严重而长轴处磨损轻微或没有磨损; 对于只能承受推力载荷的推力轴承, 承受径向载荷或推力载荷偏载而导致的滚道不均匀磨损, 这些都是非常磨损。 因此, 根据滚动轴承磨损发生的部位及均匀程度, 也可以分析出滚动轴承的工况是否正常。 如图 2-25 所示: 图 a 是外圈静止、 内圈旋转的向心轴承受到轴向作用力和径向作用力时的正常磨损; 图 b 是外圈静止、 内圈旋转的向心轴承受到安装不良或轴弯曲所引起的弯矩作用时的非正常磨损; 图 c 是外圈静止、 内圈旋转的向心轴承受到单一径向载荷时的正常磨损; 图 d 是推力轴承受到偏载或径向载荷时的非正常磨损。

2.4 腐蚀失效形式与机理
2.4.1. 腐蚀失效的机理
滚动轴承的腐蚀失效是指滚动轴承金属表面与环境介质发生化学或电化学反应所造成轴承的损伤而引起的失效。 对轴承零件表面起化学作用的环境介质有大气、湿气、 燃料和润滑油的氧化产物 (酸类、 酮类、 乙醇等) 以及氧化产物的蒸气等。轴承表面腐蚀可分为电介质腐蚀、 有机酸腐蚀、 其他介质腐蚀 (如润滑油中含有硫化物) 和电流腐蚀等。 腐蚀作用在轴承零件金属表面造成松散的氧化膜或腐蚀孔洞, 导致金属表面局部或全部变色。 硬脆松散的氧化膜和腐蚀产物在载荷作用下剥落, 导致轴承表面生成蚀坑或造成工作表面粗化进而形成腐蚀磨损或腐蚀疲劳失效。
一般也将腐蚀磨损、 微动磨损认为是腐蚀, 这两种失效是磨损与腐蚀共同作用引起的失效, 也称摩擦腐蚀。 摩擦腐蚀是在某些摩擦条件下, 由于配合表面之间相对微小运动而引起的一种化学反应。 这些微小运动导致表面材料氧化, 进而造成粉末锈蚀和 (或) 配合表面上材料的缺失。 滚动轴承接触表面做微小往返摆动时,转递载荷的配合界面将出现微动磨损, 表面微凸体发生氧化并被磨去, 造成轴承该部分表面发亮或变成黑红色。 出现这种失效, 一般是由于不合适的配合及交变载荷、 振动造成的。
2.4.2. 腐蚀失效的主要形式
在滚动轴承腐蚀失效过程中, 常见的现象为锈蚀和变色。锈蚀是指轴承金属表面与水分、 酸碱或氧气接触时, 表面发生氧化, 随后出现腐蚀凹坑或氧化膜, 最后表面出现小片状剥落。 当润滑剂中侵入的水分或劣化的润滑剂与轴承零件表面发生反应时, 可在滚动体和滚道之间的接触区内发现一种特定形式的锈蚀。 在深度锈蚀阶段, 接触区在对应于球或滚子节距的位置将会变黑, 最终产生腐蚀麻点。
由于腐蚀而导致滚动轴承的变色有两类, 一类是指润滑不充分或散热条件差时, 温度升高会使附着在轴承零件表面的油膜产生氧化现象, 形成一种浅褐色的氧化物并沉积附着在轴承表面上。 这种变色也称污斑, 一般没有深度。 另一类是因滚动轴承表面的材料发生了锈蚀进而导致的滚动轴承变色, 这种变色通常具有一定的深度。 图 2-26 所示为轴承的锈蚀和变色。 需要说明的是, 当滚动轴承因安装不当(如安装倾斜) 或润滑不良等原因使轴承处于一种不正常的工作状态而引起温度的急速上升时, 轴承的局部温度有可能超过轴承零件的回火温度, 甚至更高, 此时也会导致滚动轴承产生严重的变色, 如呈现蓝黑色或紫蓝色, 这种变色属于烧伤现象, 在机理上与腐蚀失效有区别。

2.4.3. 腐蚀失效的原因与防护措施
造成轴承腐蚀失效的原因也有多种, 主要包括:
(1)水及带有腐蚀性介质 (煤气、油漆) 入侵;
(2)系统密封装置失效;
(3)润滑剂选择不当或润滑剂变质、 失效;
(4)轴承的工作或存贮环境温度、 湿度异常;
(5)轴承运行温度较高、 润滑不良; 热态浸油、 催化剂反应等。
针对滚动轴承腐蚀失效的改善措施主要有:
(1)改善密封装置、润滑方法, 选择合适的润滑剂;
(2)调节轴承的工作及存贮环境温度、 湿度。
2.5 塑性变形失效形式与机理
2.5.1. 塑性变形的失效形式
材料所承受的应力超过屈服强度时即会发生塑性变形。 滚动轴承的塑性变形,从宏观上讲, 是指由滚动体和滚道之间的接触载荷所造成的、 在接触轨迹大部分范围内发生的变形; 从微观上讲, 是指由于外界物体在滚动体和滚道之间滚辗, 并仅在接触轨迹的小部分范围内发生的变形。 滚动轴承塑性变形失效主要分为压痕失效和形变失效。
其中, 压痕失效是指由于外来软质颗粒在轴承部件表面产生压痕, 引起轴承的运转精度降低而不能正常运转。 压痕形状和尺寸取决于颗粒性质。 压痕与磨粒磨损的凹坑不同之处是, 磨粒磨损的凹坑为大硬质颗粒在轴承部件表面进行切削作用后形成, 表面较为粗糙; 而压痕为软质颗粒或微小硬质颗粒使轴承部件材料塑性流动后形成的塑性变形凹坑, 其表面较为光滑, 如图 2-27 所示。

此外, 形变失效是指在外力 (大的静载荷或冲击载荷) 或温度作用下轴承部件的大范围或整体塑性变形, 主要发生在滚动体和滚道之间。 图 2-28 为滚动轴承内圈形变失效的实物图。 载荷过大也会使轴承其他部件, 如保持架, 发生塑性变形。 形变失效发生后, 若没有及时更换轴承, 会加剧轴承的局部磨损, 引起大的载荷冲击, 从而加剧变形导致轴承工作状态恶化。 例如: 由于冲击或安装不当使轴承的内套圈变为椭圆形, 在轴承旋转时, 作用载荷通过椭圆长轴时会加剧内圈滚道和外圈滚道的磨损, 通过椭圆短轴时会引起大的冲击载荷。
2.5.2. 塑性变形的失效机理
滚动轴承的静载荷承受能力理论是滚动轴承塑性变形失效的主要理论基础。 根据弹塑性力学理论, 当材料的应力超过材料的弹性极限前, 材料的应变为弹性应变, 即当应力释放后, 材料的应变也完全释放; 当材料的应力超过材料的弹性极限后, 进入弹塑性阶段, 应力超过屈服强度后, 当材料的应力释放后, 材料的应变不能够完全释放。 没有释放的塑性应变会产生塑性变形, 应力愈大产生的塑性变形也越大。
如果对静止的轴承施加过大的载荷, 且载荷引起的应力大于屈服强度时, 滚动轴承的滚道与滚动体的变形为弹塑性变形。 当载荷释放后, 就会留下塑性变形———压痕。 此时, 在滚动轴承的套圈与滚动体的接触表面上都会留下凹陷的压痕。 这些凹陷的压痕在轴承运转时, 会引起振动、 噪声及摩擦力矩等, 导致轴承不能正常工作。 根据疲劳寿命理论, 凹陷的压痕会引起应力集中进而产生表面裂纹, 引起滚动轴承的疲劳失效。 在轴承运转时, 压痕效应将向整个滚道表面蔓延, 使轴承的曲率发生变化和滚动体的圆度劣化, 降低轴承的使用性能。 如果轴承承受的载荷过大,将会造成套圈的变形过大或导致保持架变形, 若产生的应力集中超过了材料的承载强度, 则会引起过载断裂。
对于要求较高的滚动轴承, 其运行的平稳性是一个重要的考量因素。 当滚道上由于静载荷的作用造成永久变形的损伤时, 就会增大滚动轴承的摩擦、 噪声和振动。 一般静载荷的考量主要针对突然的超载、 冲击等短期作用的大载荷, 或转速较低、 不常转动的轴承的载荷进行。
额定静载荷是在假定的载荷条件下决定的, 对于向心轴承是指径向载荷; 对于向心推力轴承是指使轴承中半圈滚道受载的载荷的径向分量; 对于推力轴承是指中心轴向载荷。 也有研究人员通过对各种接触类型的试样进行试验分析后, 得到滚道与滚动体的压痕深度极限: 滚道上产生的压痕深度与滚动体上产生的压痕深度之和为滚动体直径的 1 / 10000, 并将此时所对应的轴承载荷定义为极限载荷, 即基本额定载荷。 当滚动轴承的载荷低于基本额定载荷时, 其压痕深度小于滚动体直径的 1 / 10000, 轴承的性能不受影响; 当滚动轴承的载荷大于基本额定载荷时, 就会对轴承性能产生影响, 使其摩擦加大、 精度降低、 振动加剧、 噪声变大等。
2.5.3. 塑性变形失效的原因与防护措施
造成滚动轴承塑性变形的主要原因如下:
(1) 过载
轴承承受的静载荷或冲击载荷过载时, 将导致滚动体与滚道接触处发生塑性变形, 即在轴承滚道上对应滚动体节距的位置形成浅的凹陷或凹槽。 此外预载荷过大或安装过程中操作不当也会发生过载现象。 装拆不当也可能造成过载和轴承其他零件 (如防尘盖、 保持架) 的变形。
(2) 碎屑压痕
压痕一般是在安装或运转过程中由于密封不良、 受到污染而导致的。
针对滚动轴承塑性变形失效的改善措施主要有: 避免过大的载荷; 装拆轴承时应确保正确地进行操作; 改善轴承的密封及润滑装置; 在安装和使用过程中, 应最大限度地保持轴承工作环境的清洁。
2.6 烧损失效形式与机理
2.6.1. 烧损的失效形式
当滚动轴承在运转时, 由于润滑不良、 载荷转速过大、 游隙过小、 水及异物的侵入等原因, 滑动摩擦的零件之间会因温度急剧升高而造成润滑剂的失效、 金属表层组织改变, 严重时发生金属粘连、 轴承卡死等现象。 典型的烧损常发生在短圆柱滚子轴承套圈挡板和滚子端面之间。 可以通过更换润滑剂, 改变润滑方法, 改善密封装置及配合、 轴承间隙和预压等方式减少烧损失效的发生。 图 2-29 所示为滚动轴承烧损的照片。

2.6.2. 烧损的过程与失效机理
滚动轴承烧损的过程大致可以分为五个阶段。
(1) 异常升温与安装过盈量逐步消失阶段
滚动轴承若在故障状态下运行,异常的故障热源将使滚动轴承温度开始异常地升高; 同时轴承内圈与轴的配合过盈量随之减小, 热阻相应增加, 造成恶性循环, 导致滚动轴承温度上升速度加快。 此时, 异常故障热源决定着温度上升趋势的持续或中止。 如果它的数量级不足以使内圈过盈量完全消失, 热阻变化不大, 轴承就会在一个较高的平衡温度下运转, 称之为过热。
这个阶段的平衡温度, 除受故障热源影响外, 还会受到安装过盈量 (简称过盈量, 下同) 的影响。 由于过盈量的存在, 滚动轴承与轴的接触热阻是平稳增大趋势, 使得过热阶段温度上升是平稳的。 由于滚动轴承内圈的温升比轴的温升快,所以过盈量越小, 则过盈消失时的滚动轴承温度就越低, 建立热平衡的温度值也就相应降低。
(2) 滚动轴承内圈与轴脱开与游隙缩小阶段
一旦异常热源积聚热量大到使滚动轴承过盈量消失的程度, 内圈将与轴开始脱开, 两者之间的热阻将以突变方式猛增, 加上轴与内圈的相对转动滑移, 也会产生一些附加热量, 自然会导致游隙迅速减少。 此时, 滚动轴承将不能维持新的热平衡, 运行状态会在很短的时间内恶化, 温度上升的趋势也很快, 而且会不可遏止地进入故障发展的下一个阶段。
在这个阶段, 油脂的润滑性能变化很大。 内圈继续膨胀造成游隙缩小, 使摩擦接触面变大, 摩擦生成热量增加, 导致温度升高。 一旦温度超过油脂的滴点, 油脂会外溢, 残留部分炭化, 造成滚动轴承升温趋势加剧。 因此, 整个过程实际上又形成了两个时期: 在滚动轴承温度低于油脂滴点之前, 油润滑还起作用, 升温速度相对较慢; 一旦在滚动轴承温度高于油脂滴点后, 将因油润滑条件恶化而使滚动轴承温度更快地上升。 在这个阶段保持架磨耗也会加剧, 产生的磨屑也会加速温度上升的速度。
(3) 游隙消失与滚子卡滞阶段
一旦游隙消失, 滚子将丧失滚动能力, 特别是在卡滞力大于滚子的滚动摩擦转动力时, 滚子将产生滑移。 此时由于滑动摩擦因数比滚动摩擦因数要高数十倍, 所以因摩擦而产生的热量剧增, 使滚动轴承温度直线上升。
(4) 退火与失圆阶段
当滚动工作面温度超过 340℃时, 滚动轴承材料开始退火、 硬度大幅下降。 此时, 零件软化、 冲撞摩擦、 失圆、 胀死等现象便接踵而至,滚动轴承工作能力完全消失。
(5) 滚动轴承胀死直到熔化固死阶段
在滚动轴承胀死之前, 滚子在滚动面上的滑移能引起局部温度超过轴承钢的熔化温度 (约 1280℃ ), 此时, 滚动轴承就会开始局部熔化并随之冷却而固着; 另一方面, 当滚子胀死时, 其滑移摩擦阻力反而高于轴与内圈之间滑动摩擦阻力, 此时, 轴就会相对于内圈转动, 在外部载荷的强行拖动下, 外部能量势必转化为滚动轴承的摩擦热能, 因此会出现滚动轴承熔化并固死的现象。
上述滚动轴承烧损过程是指从开始到结束充分发展的全过程, 但实际上遇到的具体故障实例却可能是在其中某一个阶段即终止的过程。 这是因为实际应用中的滚动轴承烧损过程是受许多随机因素制约的, 如组装条件、 油润滑条件、 运行条件等, 这些因素都可能使滚动轴承的烧损故障在某一阶段终止。
2.6.3. 烧损失效的防护措施
通过对滚动轴承烧损阶段的分析, 可以得出如下的结论:
1) 滚动轴承内圈与轴的过盈量是关系滚动轴承运行安全裕度的决定性因素。
所选定的过盈量数值应使滚动轴承有足够的裕度, 保证其在正常的工作温度下不发生内圈与轴脱开、 热阻突然增大的故障。 一般来说, 过盈量的上限是在下限的基础上, 考虑机械工业加工制造水平和公差配合的国家标准制订的。 过盈量过大除对加工难度的降低稍有好处外, 别无益处。 此外, 若过盈量过大, 将使内圈的安装预应力加大, 会带来内圈疲劳寿命的缩短和抗冲击负载能力的削弱。 因此只要加工条件允许, 过盈量的上限应定得小一些为好。 通常, 有实际意义的选择原则是: 应能满足在油脂滴点温度下, 不发生内圈与轴的过盈量消失的现象,即两者应相互匹配同时保持有少许裕度。 换句话说, 新型高滴点油脂的采用, 可使过盈量也随之加大。
2) 在有了正确的过盈量之后, 防止滚动轴承烧损故障的途径是防止滚动轴承故障热源的产生, 保证滚动轴承温度不超过轴承油脂允许温升的上限值, 即不超过轴承油脂允许的工作温度。
2.7 其他失效形式与机理
2.7.1. 断裂的失效形式与机理
断裂属于一种偶发性的非正常失效, 轴承内、 外圈上产生的贯穿裂纹或滚子轴承座圈上的挡边断裂、 保持架断裂或断开现象都属于断裂。 裂纹根据方向, 可分为轴向裂纹和径向裂纹。
造成保持架断裂的原因是复杂的, 主要包括: 由于径向游隙消失而产生径向干涉, 造成轴承保持架与滚动体之间的载荷过大, 导致保持架断裂; 保持架材料缺陷(如内部裂纹、 大块非金属夹杂物、 缩孔、 气泡) 及铆合缺陷 (缺钉、 两半保持架结合面空隙大、 严重铆伤) 等原因导致保持架断裂; 运行过程中过度的倾斜导致保持架承受很高的轴向载荷作用, 导致其断裂。 图 2-30 所示为滚动轴承出现断裂失效故障的一些实物照片。

套圈断裂一般比较少见, 发生断裂往往是由突发性过载造成的, 一般是在轴承自身缺陷的基础上, 由受到的过载冲击载荷或剧烈振动引起的。 主要的预防措施包括避免过载冲击载荷、 选择适当的过盈量、 提高安装精度、 改善使用条件及加强轴承制造过程中的质量控制。
断裂一般是由于外加载荷超过材料强度而造成零件断裂造成的, 产生这种失效的原因一般有两种: 一是轴承材料本身缺陷, 二是过载。 从材料本身来讲, 轴承零件存在微裂纹、 缩孔、 气泡、 大块外来夹杂物、 过热组织及局部烧伤等缺陷时, 在冲击过载或剧烈振动作用下也会在缺陷处引起断裂, 称为缺陷断裂; 当外加载荷超过材料强度而造成零件断裂称为过载断裂, 过载原因主要是主机突发故障或安装不当。
2.7.2. 电蚀失效形式与机理
滚动轴承的电蚀是指电流在流过滚道和滚动体接触部分, 且润滑油膜两侧的电压差高到足以击穿油膜绝缘层时, 就会在接触表面处发生火花放电, 产生局部高温, 导致滚道及滚动体表面出现局部熔融, 形成环弧形凹坑状或条状的沟蚀凹槽, 如图 2-31 所示。 电蚀的失效形式跟电流的电压大小、 电流强度及电流方向有关。 电蚀会使零件的材料硬度下降, 并加快磨损发生速度, 也会诱发疲劳剥落。

轴承电蚀主要是由于轴承相对转动的零部件 (多指轴承的内圈和外圈) 之间有电位差造成的。 为了减少由于电位差造成的轴承损坏, 一般可以采取以下措施进行预防:
1) 设定电路时, 不能使电流通过轴承部位;
2) 在轴承安置部位附近进行有电操作 (如电焊等) 时, 要防止电流通过轴承部位;
3) 采用绝缘轴承, 或对轴承进行绝缘处理。
3 滚动轴承的寿命预测
3.1 滚动轴承寿命理论概述
从广义的定义来讲, 轴承损坏之前的使用期限就是轴承的寿命。 如前文所述,滚动轴承的失效形式很多, 如断裂、 腐蚀、 疲劳、 磨损、 烧损等。 对于众多的失效形式, 大部分还没有行之有效的寿命计算方法, 目前只有疲劳寿命和磨损寿命可以通过计算的方法加以评估, 但也是在相对理想的假设条件下得到的寿命计算结果,与轴承的实际工作寿命之间仍有较大的误差。
在实际工作中常碰到的与轴承寿命有关的概念有疲劳寿命、 磨损寿命、 故障寿命、 使用寿命等。 疲劳寿命是指轴承在充分润滑且其他使用条件正常的情况下, 其主要运动件的材质达到疲劳极限而造成轴承失效之前的累计工作时间。 磨损寿命是指轴承由于正常磨耗, 游隙增大到规定限度之前的累计工作时间。 故障寿命是指轴承发生故障而丧失工作能力之前的累计工作时间。 使用寿命是一种泛指性的提法。在理论上 (设计上) 使用寿命是指轴承的疲劳寿命, 而在正常使用条件下有时也指轴承的磨损寿命; 但在使用条件不正常, 或者制造、 设计有缺陷时, 则实际上代表着轴承的故障寿命。 由于滚动轴承疲劳寿命理论的研究相对较成熟, 目前滚动轴
承的寿命一般指疲劳寿命。
3.1.1. 疲劳寿命
很多文献认为滚动轴承的疲劳寿命就是轴承的寿命。 这是因为, 即使轴承安装正确并在其旋转过程中润滑良好, 但从轴承的外部结构来看, 对于钢球及滚道表面来说, 其载荷是循环往复的, 久而久之, 材料将发生滚动疲劳, 出现疲劳剥落, 从而达到 “寿命”。
在滚动轴承技术发展初期, 对滚动轴承的设计和性能评价是以经验为主要依据的。 从 20 世纪 40 年代的 L-P 疲劳寿命理论开始, 人们开始从失效机理上研究滚动轴承的疲劳寿命, 提出了各种疲劳寿命理论。 目前主要的滚动轴承疲劳寿命理论有Weibull (韦布尔) 分布理论、 L-P 疲劳寿命理论、 C-T 疲劳寿命理论, 其中 L-P疲劳寿命理论应用最为广泛。
(1) Weibull (韦布尔) 分布理论 韦布尔分布理论的结果是根据大量试验结果统计得到的。 大量的轴承寿命的数据说明, 滚动轴承的疲劳寿命是相当离散的。结构尺寸、 材料、 热处理及加工方法相同的滚动轴承在相同的使用条件下, 其寿命相差很大。 图 2-32a 是某一批轴承的寿命试验结果。 纵坐标是实际寿命, 横坐标是按寿命长短排序的轴承序号。 大量的轴承寿命试验结果都有如图 2-32a 所示的趋势。 通过对数据进行处理, 得到如图 2-32b 所示的结果。 其中, L 是 90% 的轴承都可以达到的寿命, S 是达到寿命的相对数量, 也是使用概率, 数值上等于 NS/ N,其中 NS 是达到寿命 LS 的样本数量, N 是总样本数。 通过分析可知, 图 2-32b 所示
的曲线是指数曲线。 通过对曲线的拟合得到曲线的函数:

(2-21)
式中, A 是常数; e 是韦布尔分布斜率, 点接触为 10 / 9, 线接触为 9 / 8; LS是 S 对应的寿命。

韦布尔分布理论是统计的理论, 寿命表现的随机性是由于材料内部组织和夹杂物分布的随机性、 表面微观缺陷的随机性和试验条件的随机差异等原因造成的。
(2) L-P 疲劳寿命理论及修正理论 L-P 疲劳寿命理论是在赫兹弹性接触理论、 韦布尔分布理论等基础上建立起来的。 L-P 疲劳寿命理论的关键是认为材料疲劳失效源于次表面材料缺陷的裂纹扩展, 即: 一个循环作用的集中载荷在滚道接触表面产生赫兹接触应力, 进而引起次表面的循环正交切应力。 如果这个正交切应力足够大, 会使滚道材料表面下面的某个弱点位置产生初始显微裂纹, 次表面裂纹向表面扩展导致最终的剥落。 以此为前提建立的 L-P 疲劳寿命理论的基本假设为:最大正交切应力 τO 越大, 疲劳破坏的概率也就越大; 最大正交切应力的深度 zO 越深, 裂纹扩展到表面的过程也就越长, 疲劳破坏的概率也就越小; 交变应力的循环次数 N 越大, 疲劳破坏的概率也就越大; 受应力作用的材料体积 V 越大, 里面包含的强度弱点也就越多, 疲劳破坏概率也就越大。
L-P 疲劳寿命理论的公式为

(2-22)
式中, L 是轴承寿命; Qc 是额定动载荷; Qe 是当量动载荷; 对于点接触, p = 3,对于线接触, p = 4。
一般使用 L-P 疲劳寿命理论分析滚动轴承寿命的方法有两种。 一种是根据轴承中的实际载荷分布, 首先分别计算内、 外圈的寿命, 再计算整套轴承的寿命, 这种方法一般适用于柔性支撑轴承和高速轴承等负载比较特殊的情况。 另一种是简化计算方法, 通过计算整套轴承的额定动载荷、 当量动载荷来求得滚动轴承的疲劳寿命, 这种方法适用于大多数的轴承应用场合。
根据实际载荷分布计算滚动轴承的疲劳寿命, 首先要根据轴承中的实际载荷分布, 分别计算内、 外圈的寿命 Li和 Le, 再通过以下步骤求得轴承的整体寿命。
由于内、 外套圈的破坏与否是相互独立事件, 根据概率与统计理论, 滚动轴承的不破坏概率是内圈不破坏概率与外圈不破坏概率之积。 即

式中, C 是滚动轴承的额定动载荷; P 是滚动轴承的当量动载荷; 对于点接触, ε = 3,对于线接触, ε = 10 / 3; L10是可靠性为 90% 的轴承寿命, 单位为 106 转。
额定动载荷 C 是指轴承在内圈旋转、 外圈静止的情况下, 其基本额定寿命为100 万转时所能承受的载荷。 对向心轴承是指恒定的径向载荷, 对推力轴承是指中心轴向载荷。 实际上滚动轴承可能会同时承受径向载荷与轴向载荷, 而且载荷的大小也会发生变化等。 因此, 不可能将轴承的实际载荷与基本额定动载荷进行比较。 于是, 需要将实际载荷换算成当量载荷, 当量载荷通过轴承中心且大小和方向一定, 用换算过后的当量载荷进行计算得到的轴承寿命应与实际载荷寿命相同。 当量载荷的计算对于不同的轴承有不同的参数选择, 具体方法可参阅相关资料。
在实际计算中, 一般将旋转次数转换为小时数来表示, 可以将式 (2-24) 改写成

(2-26)
式中, Lh 是额定寿命 (h); n 是轴承工作转速 (r/ min)。滚动轴承寿命简化计算公式 [式 (2-25) 和式 (2-26)] 是建立在很多假设条件基础上的, 其主要假设条件有: 轴承具有刚性支撑, 轴承座的刚性很高, 轴是实心的; 轴承不受力矩载荷作用; 滚动轴承的转速不是很高; 滚动轴承的润滑良好;轴承的额定动载荷是在假设的运转条件 (内圈转动, 外圈静止) 下确定的轴承承载能力; 滚动轴承使用的可靠性概率为 90% ; 额定使用寿命为 106 转; 向心轴承仅受纯径向载荷, 且向心轴承的载荷分布系数为 0. 5, 推力轴承仅受中心轴向载荷。
为了能更好地反应实际工况对滚动轴承寿命的影响, 出现了对 L-P 疲劳寿命理论的修正公式, 主要是通过增加一些与实际工况相关的系数来实现。 目前常用的修正公式为
(2-27)
式中, Lna是在非常规材料和条件下, 可靠性为 (100 - n)% 的修正额定寿命 (h);a1 是可靠性系数; a2 是材料系数; a3 是使用条件系数。
可靠性系数 a1 是用来计算可靠性高于 90% 时设备轴承寿命的修正因数。 当可靠性为 90% 时, a1 = 1; 随着可靠性的提高, a1 值逐渐减小。 比较被认可的可靠性系数表主要有三个: 其中表 2-5 来自国家标准 GB / T 6391—2003; 表 2-6 为瑞典SKF 轴承公司根据 500 套 6309 球轴承的试验结果计算出的可靠性系数结果; 表 2-7为 1977 年日本的冈本纯三等根据 719 套 6204 球轴承的试验结果得出的可靠性高于90% 的可靠性系数结果。 这三个可靠性系数表都具有一定的权威性, 第一个为国家标准, 其余两个读者可以根据需求选择使用。

材料系数 a2 有两个含义: 其一是对轴承的钢材而言, 对于常规材料, a2 = 1,而对于非常规材料, 其自身化学成分、 含氧量、 非金属夹杂物含量/ 分布及其最大颗粒数量等品质对轴承寿命均有显著影响。 国家标准指出, 在目前的技术状况下,a2 的选取推荐如下参考值: 对于常规材料, 即普通冶炼轴承钢, a2 = 1; 对于特殊冶炼的真空脱氧轴承钢, a2 = 3; 对于特殊冶炼的真空重熔轴承钢, a2 = 5; 若采用
影响轴承材料性能的特殊加工工艺, 如高温回火处理使材料硬度降低时, a2 < 1。其二是对润滑材料而言。
使用条件系数 a3 主要是考虑轴承工作条件下的运转速度和工作温度条件下的润滑程度对轴承寿命的影响。 当润滑条件特别优越, 足以在滚动轴承接触表面形成弹性流体润滑时, 取 a3 > 1; 当润滑条件不良时, 则取 a3 < 1, 而此时不能设想通过改进材料质量来进行补偿, 即此时不能取 a2 > 1。
润滑的效果首先由滚动轴承接触表面被油膜隔离的程度来决定。 在油膜、 油的黏度、 清洁度良好的情况下, 系数 a3 取决于黏度比 Kr, 其定义为实际黏度 υ 与足够润滑所需黏度 υ1 的比率。 υ 和 υ1 均为工作温度下的运动黏度。 υ1 是指轴承在不同转速和不同结构尺寸条件下, 能形成分割滚动体和滚道所必需的润滑油脂的黏度, 称之为成膜黏度, 而 υ 是指实际选用油脂的黏度指标。
试验表明, 系数 a2 、 a3 不是相互独立的, 因此常把它们合并在一起, 用 a23表示, a23值的确定受黏度比 Kυ 的影响。 Kυ 的变化对 a23的影响如表 2-8 所示。

还有一些对 L-P 疲劳寿命理论的修正理论, 如 I-H 疲劳寿命理论、 Z 疲劳寿命理论, Y-H 疲劳寿命理论、 C-C 疲劳寿命理论等, 但由于涉及的参数较多且在实际应用中取值也主要依赖于经验, 不如 L-P 疲劳寿命理论应用广泛。
(3) C-T 疲劳寿命理论 随着炼钢技术的提高, 钢材的质量不断得到提高,钢材中所含的非金属夹杂物越来越少。 根据 L-P 疲劳寿命理论, 对于某一种特定的轴承钢来说, 沿着平行于滚道下的最大正交切应力处产生裂纹的概率越来越小,轴承的寿命变得越来越高。 有些轴承在经过长时间的运转后, 也可以先从表面上生成裂纹, 然后向深处扩展, 并且轴承的疲劳寿命与弹性流体动力润滑油膜厚度和零件的表面粗糙度有关, 其疲劳的形成与 L-P 疲劳寿命理论完全不同。
与 L-P 疲劳寿命理论不同, C-T 疲劳寿命理论的基本观点有:
1) 疲劳裂纹可由起源于表面下和表面上两种扩展方式生成。 疲劳裂纹起源于表面下的扩展方式与 L-P 疲劳寿命理论一致。 疲劳裂纹起源于表面上的扩展方式又可以分为两类, 其中一类是指由表面预缺陷, 如磨削加工中形成的犁沟状沟槽、微小压痕以及邻近表面的污染物、 夹杂物等引起裂纹的方式。 这些缺陷在接触应力的作用下, 因应力集中的影响而产生裂纹, 并向深层扩展导致疲劳。 另一类是指由表面粗糙凸峰相互接触引起裂纹的方式。 表面粗糙凸峰穿透润滑油膜相互接触, 因为应力集中的影响在局部产生点蚀、 凹坑等表面缺陷, 并随着接触应力的反复作用从缺陷处产生裂纹, 向深层扩展形成疲劳剥落。
2) 疲劳的裂纹扩展可分为三个阶段: 第一阶段为萌生裂纹; 第二阶段是裂纹扩展成为剥落源; 第三阶段是裂纹迅速扩展, 形成剥落。 其中裂纹的生成和扩展比较缓慢, 占整个轴承疲劳寿命的主要部分。 轴承材料表面和表面下的潜在缺陷一旦形成扩展源, 即可迅速扩展形成疲劳剥落。 可以用从裂纹的初始生成到形成扩展源所经历的时间来表征整个零件的疲劳寿命。
3) 疲劳裂纹起源于表面下和表面上的扩展方式相互独立, 彼此不受影响, 而接触疲劳失效则是这两种裂纹扩展方式共同作用的结果。 根据概率统计及韦布尔分布理论, 可知在一定的使用概率下, 滚动轴承的疲劳寿命 L 为

(2-28)
式中, Ls是起源于表面缺陷的接触疲劳寿命; Lus是起源于内部缺陷的接触疲劳寿命; e 是韦布尔分布斜率。
C-T 疲劳寿命理论可以阐述一些接触疲劳的影响因素, 解释用 L-P 疲劳寿命理论难以解释的现象, 例如, 表面粗糙度、 弹流油膜厚度、 切向摩擦牵引力以及润滑介质存在污染物等情况下滚动轴承的疲劳失效。
3.1.2. 磨损寿命
如前文所述, 除疲劳磨损外, 滚动轴承中存在的主要磨损形式还有黏着磨损、磨粒磨损、 腐蚀磨损和微动磨损等。 当润滑不良时, 轴承相对运动表面易发生黏着磨损, 甚至烧伤; 当外部灰尘进入、 润滑剂含有杂质、 清洗不洁时, 轴承将产生磨粒磨损; 当湿气、 水分及酸或碱溶液侵入时, 轴承会发生腐蚀磨损; 当不旋转而长期处于微小振动状态时, 轴承将发生微动磨损。 磨损使轴承零件表面粗糙, 径向游隙增大, 旋转精度降低, 振动噪声增大, 摩擦力矩增大, 最终导致轴承丧失规定的性能指标而不能工作。
由于磨损是同时发生在各个接触面上的, 其响应是各个元件的综合作用。 因此通常使用滚动轴承工作精度变化来反映磨损的综合影响。 目前一般是把由磨损引起的轴承径向间隙增加量作为考量轴承磨损程度的指标。 根据轴承的类型、 尺寸和主机对轴承的技术要求, 可确定许用径向间隙增加量。 根据轴承的游隙增加量来判断轴承是否磨损失效。 通常将轴承由于磨损而丧失正常工作性能的累计总转数, 或在一定转速下的工作小时数称为轴承的磨损寿命, 即轴承在达到许用径向间隙增加量之前的工作小时数。
轴承的磨损寿命与轴承的组装, 特别是与轴承游隙的大小等密切相关。 通常情况下, 游隙较小时, 冲击和振动小, 允许磨损尺寸的裕度大, 轴承使用寿命长。 一般来说, 只要工艺条件和运行条件允许, 组装时游隙选小一些较好。 但游隙过小时, 适应温度升高的能力下降, 容易造成发热、 烧损以及更大的附加经济损失。 相反, 组装时若把游隙选得大一些, 不仅会使轴承的磨损寿命相应缩短, 而且噪声、振动和动载荷也会增加, 将降低轴承运行的可靠性。 因此, 游隙的选择必须是兼顾上述两个方面的要求。 轴承在其允许的最高工作温度和承受规定负载的条件下, 仍能保持转动灵活所需具备的最小游隙即是最佳游隙。
由于磨损过程中涉及材料、 载荷、 转速、 润滑等多种因素, 目前尚没有完善的理论建立磨损与游隙变化之间的物理模型, 因而轴承的磨损寿命尚无完善的计算方法。 在实际应用中, 只是把由磨损引起的轴承径向游隙增加量作为考量轴承磨损程度的指标。 在已获得最佳游隙的基础上给定许用径向游隙增加量, 达到许用径向游隙增加量之前的运转小时数就是轴承的磨损寿命。 如果能建立数据相对全面的统计模型, 也可以根据实测的游隙增加量来间接判断或预测轴承的磨损寿命。
就当今的滚动轴承工业的发展水平而言, 轴承的磨损寿命理应长于疲劳寿命。国际上一些抗磨性能好的滚动轴承实际的磨耗量不大, 所以滚动轴承实际寿命的终结是受疲劳寿命制约的。 但在实践中, 很多滚动轴承并未达到疲劳寿命, 就已经因为出现异常的磨损而失效, 也即实际的磨损寿命偏低。 这是我国滚动轴承工业水平、 装置设计、 制造、 使用与维护保养水平与先进国家存在明显差距的表征。 当然磨损寿命还受到凭经验确定的 “检修限度” 不合理情况的影响, 如果限度过严,设定的许用径向间隙增加量就不合理, 就会出现不必要的更换, 导致人为缩短滚动轴承磨损寿命的现象。
3.1.3. 故障寿命
故障寿命是指滚动轴承发生故障、 丧失工作能力之前的累计工作时间。 此处提到的故障是前文所述的某种失效形式单独作用或多种失效形式共同作用的结果, 其原因包括正常磨损的因素, 轴承材料与制造水平的因素, 或装配不当、 润滑不良、过载等人为因素等。 因此, 滚动轴承故障的复杂性决定了对轴承的故障寿命必须分门别类地进行统计和研究。 但在实践中, 人们最关心的却是轴承的故障寿命。 故障寿命对科学合理地制订轴承维修制度具有重要的参考意义。 因为受到工况的影响和限制, 滚动轴承的故障寿命体现出了明显的个例性, 所以很难建立统一而广泛适用的故障寿命评估方法。 目前主要的技术手段是通过对某台或某类设备进行数据汇总, 利用概率和统计学的方法进行故障寿命评估。 但这种数据统计学的方法要求对转速、 载荷、 温度等工况及游隙、 振动等状态参数都进行全面的数据采集, 才能得到较好的分析结果, 并且对数据采集仪器和分析方法有一定的要求, 因而主要应用在一些重要设备的轴承故障寿命评估中。
3.1.4. 使用寿命
使用寿命是上述三种寿命的泛指性提法, 在理论上 (设计上) 是指轴承的疲劳寿命; 而在正常使用条件下则表征轴承的磨损寿命; 但在使用条件不正常, 或者制造、 设计有缺陷时, 则实际上代表着轴承的故障寿命。 不同种类机械轴承使用寿命的推荐值见表 2-9。

不过在实际的统计工作中, 使用寿命是由三者的共同作用所决定的, 因而成为在包容三种寿命因素基础上所表现出来的轴承寿命, 其更多情况下反映的是一种从应用角度提出的要求。
需要说明的是, **在某些特殊情况下, 滚动轴承的寿命是由特定条件所决定的。**比如, 检测仪器、 坐标镗床、 磨床等设备中的轴承是以其精度能否满足预期加工精度来判定其是否达到寿命的, 也有的轴承是以其噪声能否保证预期的运动精度来判定其是否报废的, 这些情况下的轴承使用寿命称为特定寿命。
在进行滚动轴承故障现场诊断的实践中, 了解滚动轴承的寿命理论, 掌握滚动轴承的分类及各主要类型的结构特点、 载荷分布、 安装、 密封与润滑等基本知识是非常必要的, 尤其需要重点关注那些随轴承工作状态变化而改变的特点, 以及相关的失效形式与失效机理。 对滚动轴承状态监测与故障诊断的过程就是选择合适的手段, 观测滚动轴承在不同载荷条件、 不同安装方式、 不同密封与润滑情况等环境下的振动、 温度等物理响应特性, 再根据这些物理响应特性和滚动轴承的失效机理,判断滚动轴承的工作状态是否出现某种失效形式, 根据合适的滚动轴承寿命理论评估待分析轴承的剩余寿命, 给出合理的维修决策, 并用滚动轴承的实际使用寿命对分析方法和理论进行修正, 促进滚动轴承材料制备与选型、 优化设计、 制造安装、使用与保养等相关技术水平的提高, 最终达到提高滚动轴承使用寿命的目的。
3.2 滚动轴承寿命预测方法
3.2.1. 滚动轴承寿命预测的目的与意义
滚动轴承寿命预测的目的就是在滚动轴承失效之前尽早地预知轴承的失效时间, 根据轴承的剩余寿命合理地安排维修或更换计划。 滚动轴承在现代工业中应用非常广泛, 滚动轴承的寿命预测在工业经济中具有重要的意义。 在具有流程型连续生产特点的工作场合, 如钢铁企业中的冷/ 热连轧机传动设备、 连续退火炉传动设备等, 滚动轴承作为重要的承载部件, 其运行状态会影响其他零部件的工作性能和寿命。 如不能正确了解轴承工作状态、 及时预测轴承工作寿命, 就可能因轴承失效而导致整条生产线异常停机, 这将会造成巨大经济损失, 甚至引发安全事故。 在一些高速运转的场合, 如高速机床的主轴、 高速列车的车轴等, 由于高速运转会使滚动轴承的疲劳进程加快, 所以, 准确预测轴承寿命可以有效保障设备安全、 提高经济效益。 一些超大型、 重载等特殊应用场合中的轴承, 如炼钢转炉倾动机构的耳轴轴承、 钢包回转台的支撑轴承、 水轮机组大型转子的支撑轴承等, 用途特殊、 生产成本高、 装卸难度大、 订货周期长, 轴承的工作状态评估与寿命预测在设备维护与管理中显得尤为重要。
为机电设备进行滚动轴承选型时一般都需要进行轴承寿命计算。 在预防性维修模式中, 通常将滚动轴承的理论疲劳寿命作为制订设备维修周期和备件管理计划的重要参考数据之一。 但是, 根据前文介绍的寿命理论可知, L-P 疲劳寿命理论是以概率统计为前提, 按 90% 的可靠性进行计算的, 实际的滚动轴承寿命具有很大的离散性; 另一方面, L-P 疲劳寿命理论受载荷、 润滑等实际工况的影响很大, 用理论公式计算得到的滚动轴承寿命与实际寿命之间也存在较大的误差。
以滚动轴承寿命计算理论为基础的寿命预测方法, 其关键环节有两个:
一是如何选择与实际工况吻合的理论模型,
二是如何确定寿命计算模型中与实际工况相关的各种系数。
由于滚动轴承的实际工况非常复杂并且具有时变特性, 因此, 一旦滚动轴承投入使用,以轴承寿命计算理论为基础的寿命预测方法很难适用, 对现场维护与管理人员更有意义的是根据轴承的实际工作状态对轴承的实际工作寿命进行预测和评估。
3.2.2. 滚动轴承寿命预测的基本步骤
滚动轴承寿命预测是一项很有挑战性的工作, 其本质是建立滚动轴承的某一种状态或多种状态组合与轴承寿命之间的数学模型, 根据这个模型, 只要给定滚动轴承的当前状态, 就可以预测出轴承状态的发展趋势及剩余寿命。 滚动轴承寿命预测的基本步骤和方法思路如图 2-33 所示, 包括状态变量的选择、 特征提取与选择、预测模型选择、 预测模型训练、 预测结果评估等关键环节。

(1) 状态变量的选择
可以表征滚动轴承工作状态的物理量有很多, 如轴承的振动 (包括加速度、 速度、 位移等)、 温度、 噪声、 润滑油液中的磨粒特性等。选择合适的状态表征量是有效开展滚动轴承寿命预测的前提。 状态变量的选择除了确定具体的物理量之外, 还包括选择传感器的类型和数目、 确定测量位置及方向(如径向振动、 轴向振动等)、 选定合理的采样参数 (如采样频率、 采样长度等)。
润滑油液中的磨粒特性是描述机械设备的磨损程度的有效状态量, 在滑动轴承的状态监测与寿命预测中有广泛的应用。 但有相当比例的滚动轴承以脂润滑方式工作, 并且如果轴承所从属的机械设备包含的零部件较多, 对磨粒来源的分析难度会大大增加; 另外, 因为磨损量小, 滚动轴承的早期故障预测对油液取样位置及分析精度都有很高的要求。 因此对于滚动轴承, 基于油液分析的寿命预测方法在实际工业中应用较少。
噪声是一种很直观的机械设备状态量, 有经验的技术人员可以根据滚动轴承运转时发出的声音状态准确判断轴承的工作状态。 虽然噪声监测有非接触、 易直观感受等优点, 但受环境干扰的影响大, 且对分析人员主观经验的依赖性很大, 在轴承寿命预测的实际工作中目前逐渐被振动监测技术所取代。
温度监测有易检测、 易理解等诸多优点, 被广泛地应用于滚动轴承的状态监测与寿命预测中。 滚动轴承出现故障后, 常常会伴随着温度的升高。 但在实际应用中, 影响轴承温度变化的因素有很多, 载荷的变化、 周围环境温度的变化、 轴承转速的变化、 轴承连续工作时间的长度、 测量仪器的使用方式与参数选择 (如热电偶的冷端补偿、 红外测温的材料辐射系数/ 距离系数等) 都会导致轴承温度测量结果的变化。 因此, 当监测到轴承温度升高时, 应利用工况相关的其他测点数据(如同一轴的另一个轴承温度) 及历史测量数据进行对比分析。 排除了干扰因素之后的温升才能有效地表征轴承的故障状态并用于剩余寿命的预测。 由于温度变化具有时间累积效应, 常常是在轴承故障比较严重时才能检测到较明显的温度变化, 因此在滚动轴承的早期故障预测中, 温度监测存在较大的局限性。 但是, 对于一些环境恶劣、 工况复杂、 振动监测难以实现甚至无法实现的场合, 如机动车的车轴轴承, 利用温度检测来进行轴承的状态监测与寿命预测仍然是一种非常有效的手段。
振动监测是滚动轴承状态监测与寿命预测中应用最广泛、 也是被实践证明最有效的方法。 通过振动监测可以有效地检测到滚动轴承的早期故障, 对实现预知维修并保证最长的维修准备时间具有重要的意义。 滚动轴承内、 外圈滚道及滚动体上出现的疲劳磨损缺陷以及轴承润滑状态劣化等故障都会引起轴承的振动。
因此, 通过合适的振动分析方法, 如傅里叶变换、 高频共振分析、 共振解调分析、 尖峰能量分析、 PeakVue 分析、 倒谱分析等, 找出滚动轴承振动信号中的各种特征, 可以有效实现轴承的状态监测与寿命预测。 需要强调的是, 当滚动轴承出现早期故障时, 例如滚道上出现微小的剥落坑, 滚动体滚过剥落坑时产生的微弱冲击会在高频的共振区间被放大, 这个共振区间可以是传感器固有频率的共振区间, 也可以是轴承外圈等零件的固有频率的共振区间, 高频共振分析、 共振解调分析、 尖峰能量分析、PeakVue 分析等分析方法正是利用这个特性, 实现对滚动轴承的早期故障进行诊断的。
滚动轴承的振源很多, 包括内、 外滚道或滚动体上的故障缺陷、 支撑刚度的变化、 因润滑层破坏而导致的冲击、 摩擦力作用、 转子或其他零部件的交互作用等。实测得到的振动信号还会受到测点与振源传递路径、 外界噪声干扰、 载荷/ 转速变化等多种因素的影响。 分析振动信号时, 分析方法的原理、 算法参数的选择、 算法步骤的选择等环节都会对数据分析结果带来很大的影响。 因此, 深入理解滚动轴承的工况特点、 掌握各分析方法的关键要素, 这是正确分析振动信号并实现轴承寿命预测的重要保障。
(2) 特征提取与选择
选定了表征滚动轴承工作状态的物理量后, 用什么样的特征值来表征状态量或选择哪些特征值, 这是紧接而来需要考虑的事情。 对于振动信号、 声发射信号等快变量而言, 特征提取与选择是轴承寿命预测的关键环节。
以轴承的振动信号为例, 因为信号本身的数据量大, 很难直接作为预测模型的状态输入, 所以一般都会对振动信号进行一定的处理与分析, 提取出一个或多个特征值来表征振动信号的特点。 在时域中, 常用的统计特征值有峰峰值、 有效值、 峭度指标、 峰值指标等。 这些特征值都是从振动信号中计算得到的统计值, 代表了振动信号的统计分布特征, 一般分为有量纲特征值和无量纲特征值。
统计特征值的优点是可以用一个或几个数值代表整个振动信号, 在寿命预测中更适合图形化的表示, 有利于降低预测模型的复杂度, 也便于计算机系统对轴承状态的自动分析与处理。
统计特征值的缺点: 统计特征值仅对平稳信号具有较好的代表性, 但对于表征具有非平稳过程的振动信号具有局限性; 统计特征值是整个信号历程全局的统计结果, 对振动信号中的一些局部特征无法刻画 (例如, 当滚动轴承外圈滚道剥落引起的冲击信号与转子不平衡引起的振动信号叠加在一起时, 统计特征值难以反映出轴承冲击的大小);
还有些统计特征值, 如峭度等, 对噪声比较敏感。
在频域中, 常用的特征值有滚动轴承故障征频率幅值的大小、 故障频率谐波的多少与幅值大小等。 频域特征值既包括对振动原始信号进行傅里叶变换得到的结果, 也包括对振动原始信号经过共振解调分析、 小波分析等数据处理环节之后再进行傅里叶变换得到的结果。
由于频域特征值既可以用幅值的数值大小表征轴承状态的好坏, 又可以通过频率信息得到轴承的故障类别, 因此, 在实际工作中得到了广泛应用。
由于轴承早期故障比较微弱, 且轴承故障频率及其谐频与转子故障频率、 齿轮故障频率等相邻甚至相互交叠, 在对振动信号直接用傅里叶变换得到的频谱中难以辨识出早期故障轴承的特征频率, 所以一般会采用共振解调等高频分析方法来提取轴承的早期故障特征。 还有一些振动信号特征, 如时域中的削波现象、 调制现象以及频域中的共振峰现象等, 虽然难以用数值进行量化, 但是对滚动轴承的故障诊断与寿命预测都具有很好的帮助, 因而在轴承寿命预测中也得到了很大重视。
(3) 预测模型选择
滚动轴承的预测模型从大类上可以分为数值型预测模型与非数值型预测模型, 前者的状态输入主要是数值型的状态特征值, 易于计算机自动监测与预测, 与数值化的评估标准结合后可以实现自动预警; 后者的状态输入主要以图谱的形式为主, 需要结合人工分析给出结果, 对主观经验有一定的依赖性,适用于离线的综合分析。
在数值型预测模型中, 又分为线性预测模型和非线性预测模型。 线性预测模型中包括最小二乘回归模型、 时间序列建模回归模型等。 非线性预测模型包括神经网络回归模型、 支持向量机回归模型等。 这些模型一般分为学习阶段和预测阶段。
在模型学习阶段, 根据已知时刻对应的状态信息对回归模型的参数进行优化学习;
在模型预测阶段, 结合给定的某个时刻 (或某个状态信息), 根据回归模型给出其相应的状态信息 (或时刻值)。
在非数值型预测模型中主要是利用对特征图谱进行分类或聚类, 再结合先验知识和人工分析结果, 根据当前特征图谱与已知特征图谱的相似程度来判断轴承的工作状态并估计轴承的剩余寿命。 这些特征图谱可以是振动信号的时域图, 也可以是振动频谱, 或是小波时-频谱图等。 **基于振动频谱的不同特征或不同模式进行轴承寿命预测与评估, 这是一种在工程现场比较实用并且有效的方法。**图 2-34 滚动轴承典型的故障发展过程示意图按照滚动轴承寿命发展过程, 有的文献资料用振动现象将滚动轴承的寿命历程分为四个阶段或四种模式, 如图 2-34所示。

第一阶段, 即故障初始阶段:
在这一阶段, 滚动轴承的噪声和温度正常, 滚动轴承的故障状态可用超声波、 振动尖峰能量 ( gSE, 相关介绍详见第 3 章内容)、 声发射等手段测量出来。 轴承外圈有缺陷, 振动总量较小, 无离散的轴承故障频率尖峰。 滚动轴承故障的最早指示出现在从 250 ~ 350kHz 频率范围内。 随后, 当磨损扩展时, 通常降到约 20 ~ 60kHz。 这一阶段中, 滚动轴承大约还有 10% ~ 20% 的剩余寿命。
第二阶段, 即轻微故障阶段:
轴承工作噪声略有增大, 温度正常, 超声和振动尖峰能量 (gSE) 明显增大, 轴承外圈有缺陷; 振动总量 (振动加速度总量和振动速度总量) 略有增大; 在对数刻度的频谱上可清楚地看到轴承故障频率, 而在线性刻度的频谱上则很难看到; 振动频谱的噪声明显提高。 在这阶段中, 轻微的滚动轴承故障开始 “振铃”, 激起滚动轴承零件的自振频率, 这些自振频率通常出现在500 ~ 2 000Hz 频率范围内, 也可能是机器结构的共振频率。 在这阶段末, 开始出现轴承零件共振频率并伴有 1 倍转速频率边带, 滚动轴承的故障激起其零部件的固有频率 (500 ~ 2000Hz), 振动信号中可以检测出滚动轴承故障频率的 1 阶谐波频率。 这一阶段中, 滚动轴承大约还有 5% ~ 10% 的剩余寿命。
第三阶段, 即宏观故障阶段:
轴承工作过程中可以听到噪声, 有非常高的超声波和振动尖峰能量, 轴承外圈有故障; 振动加速度总量和振动速度总量有明显增大; 在线性刻度的频谱上可以清楚地看出轴承故障频率及其谐波频率和边带频率;振动频谱的噪声地平又有明显提高; 振动信号中滚动轴承故障频率的基频和谐波频率都比较明显, 通过振动分析可以同时看到滚动轴承外圈和内圈的故障频率, 并且通常伴随有较明显的温升。 这时已可以用肉眼观察到磨损, 当滚动轴承故障频率及其谐波频率的两侧伴随有很多边带频率时, 磨损可能已扩展到轴承的大部分或整个圆周。 这时, 应该更换滚动轴承 (与振动频谱中轴承故障频率分量的幅值无关)。这一阶段中, 滚动轴承大约还有 1% ~ 5% 的剩余寿命。
第四阶段, 即故障最后阶段:
轴承工作时的噪声强度改变, 温度明显升高, 超声波、 声发射、 振动尖峰能量迅速增大, 随后逐渐减小, 轴承外圈处于损坏之前的故障状态; 振动速度总量和振动位移总量明显增大, 振动加速度总量减小; 频率较低的轴承故障频率尖峰占优势, 振动频谱中噪声地平非常高。 在这个阶段末, 甚至可以检测出工作轴 1 倍转速频率的振动幅值增大, 通常还引起许多转速谐波频率分量的增大。 离散的轴承故障频率和自振频率实际开始消失, 而被随机宽带高频“噪声地平” 取代。 此外, 高频噪声地平和振动尖峰能量两者的幅值事实上反而减小, 但是, 在轴承损坏前振动尖峰能量 gSE 值通常将突增到很大的幅值。 这一阶段中, 滚动轴承只有不到 1% 的剩余寿命。
需要说明的是, 对基于振动频谱的轴承寿命预测而言, 前文提到的四个阶段的振动频谱模式通常比单独的频谱幅值更具有对轴承状态劣化程度的指示性, 在实际工程应用中, 在决定何时更换故障轴承时, 能起到更好的指导作用。
无论是数值型预测模型还是非数值型预测模型, 都要建立轴承状态与时间变量之间的关系, 因此, 对于以数理统计为基本原理的数值型回归模型, 建模时用到的样本在整个样本空间的分布对预测模型精度有很大的影响; 对于非数值型预测模型, 先验知识对特征图谱在轴承寿命周期中出现时刻的准确程度对轴承剩余寿命预测的结果准确性有很大的影响。
(4) 预测结果评估
对于轴承的寿命预测模型, 从理论上说, 预测结果的准确性应当用实际的轴承寿命进行评估。 但是, 在实际应用中, 滚动轴承的寿命预测与故障诊断的概念是相互结合的。 当滚动轴承已经被诊断出存在故障或在不久的将来会出现较严重的故障, 一般来说, 该轴承都会在最近的一次设备维修中进行更换, 因此, 很难用轴承的实际寿命对预测模型的结果来进行评估。 现场通常的做法是对更换下来的滚动轴承进行视觉检查, 判断是否有肉眼能观察到的轴承缺陷, 从而对模型预测或诊断的结果进行定性的评估。 虽然这种评估更多地只是定性的分析, 但也可以对预测模型的修订起到重要的作用, 尤其对制订更合理的预警值有很大的帮助。 在试验研究中, 可以采用疲劳试验的方法对轴承的全生命周期进行研究, 但由于疲劳试验机与轴承在实际应用中的载荷、 转速等工况都存在很大的差异, 所以通过疲劳试验对预测模型的评估结果也只能作为实际轴承诊断与维护工作的一种参考。 因此, 要提高现场轴承寿命预测模型的准确性, 有效积累各种工况下的轴承状态数据是一个重要的前提。 目前, 在国内很多行业中, 虽然对轴承的状态监测与故障诊断工作比较重视, 但是对轴承状态数据及其对应的工况数据的有效积累却仍有较大的欠缺, 对轴承的故障诊断与寿命预测仍然以人的主观经验为主。 因此, 对于现场的设备管理人员而言, 对关键部位的轴承建立在线监测系统, 对重要程度一般的轴承利用离线检测仪器进行定期的检测, 同时记录轴承相应的载荷、 转速、 润滑等工况数据, 这是提高轴承寿命预测模型精度的有效途径, 应当得到足够的重视。
3.2.3. 滚动轴承寿命预测的实例介绍
(1) 基于 ARMA 时间序列建模的滚动轴承磨损寿命预测
1994 年武钢的魏昶华等研究了基于时间序列分析的轴承寿命预测方法。 该研究主要针对滚动轴承的磨损类故障。 因为轴承磨损类故障的振动信号不像疲劳点蚀等缺陷类故障那样有明显的故障特征频率, 所以该研究通过模拟试验的研究, 利用状态量时间序列的归一化残差平方和来进行轴承磨损寿命的预测。
根据时间序列分析法提取归一化残差平方和的过程如下:对状态数据序列 { Xi}, 可以建立差分方程模型 ARMA (n, m):

式 (2-29) 中的参数 φi 和 θj 代表了系统的特性, 一般用最小二乘法估计出来。 对于适用的模型, 残差平方和是最小的。 当系统发生变化时, 表征系统的模型参数 φi 和 θj 也随之变化。 如果此时还用原来的模型参数来计算 RSS 值, 则 RSS 值将会增大。 为了消除测量仪器增益、 机器负载等因素的影响, 一般采用归一化残差平方和 NRSS 作为检测机械设备故障的一个指标。

(2-31)
式中, [Var (Xt)] 是状态数据序列 { Xi}的方差, 可以由采样时间序列估计出来。
已有文献证明归一化残差平方和NRSS 取决于系统的参数, 与信号的强度无关。
试验装置示意图如图 2-35 所示。

利用压电式振动加速度传感器测取轴承座的振动信号。 将新安装的轴承运行一段时间后, 在试验过程中采用了加速磨损的方法, 具体步骤: 将轴承内装入一定量的沙子, 运行 0. 5h (转速为 1080r/ min), 将轴承内沙子清洗干净; 测量磨损后的轴承径向游隙, 并测量磨损后轴承的振动信号, 得到一组数据; 重复上述步骤以得到多组数据。
在该研究中, 对正常工作状态下的振动信号进行分析, 得到 ARMA (8, 4) 的时间序列模型, 并利用该模型参数计算得到各工况下的 NRSS 值。 实验结果表明NRSS 的累加值可以有效地表征滚动轴承的磨损累积过程。 建立 NRSS 的累加值与时间的函数拟合关系, 就可以根据实测得到的 NRSS 累加值预测出滚动轴承的寿命。
该研究工作的主要思路是利用振动信号的样本序列建立时间序列模型, 并用时间序列模型的参数计算得到归一化残差平方和 NRSS, 以 NRSS 的累加值表征滚动轴承的磨损累积量。 因为工作状态下滚动轴承的实际磨损量难以测量, 而该方法中参与计算的数据都来源于实测数据, 因此有利于在现场开展诊断与预测工作。 但时间序列模型受噪声和其他振动成分的干扰较大, 为了准确预测轴承的剩余寿命, 在建立 NRSS 的累加值与时间的函数拟合关系之前, 必须用试验的方法确定 NRSS 的累加值与轴承磨损累积量之间的关系。 这一点又降低了该方法在现场的实用性。
(2) 利用故障频率及其谐波成分的滚动轴承寿命预测
2004 年美国普渡大学的 Nagi Gebraeel 等人设计了滚动轴承试验装置, 利用神经网络和滚动轴承振动信号中故障频率及其谐波成分对滚动轴承的寿命预测方法进行了研究。 该研究中用到的试验对象为 35 个同型号的推力轴承。 试验过程中, 通过轴承试验装置确保轴承的疲劳失效过程不会受到安装、 润滑、 不平衡等其他因素的干扰。 每次疲劳试验中, 轴承都以 2000r/ min 的恒定转速运转, 同时承受 200lb·f (约 90kg·f) 的载荷, 并通过油浴润滑保证试验过程的良好润滑。 轴承的振动信号通过安装在试验装置上的加速度计测量得到。

图 2-36 是某个轴承在试验过程中全寿命周期内不同阶段时的振动信号频谱图。从图中可以看出, 随着轴承故障的劣化, 轴承故障频率及其谐波的幅值呈现出不断增大的趋势 (图中滚动轴承的故障频率约为 92Hz)。

该研究中提到轴承状态退化的性能评估指标应当满足三个要求: 第一, 该指标应能捕捉到或刻画出轴承寿命发展的不同阶段之间物理状态的转变; 第二, 该指标应能反映出轴承状态劣化的趋势; 第三, 该指标应能适用于低信噪比情况, 并且容易计算, 因为在实时监测中通常需要进行频繁的计算。 因此, 该研究人员提出用轴承故障频率及其前 6 个谐波频率成分的幅值平均值作为评估轴承状态退化的性能指标。 图 2-37 是试验轴承的性能退化指标随时间的变化图。 从图中可以看出, 随着轴承状态的劣化过程, 在轴承性能退化曲线上可以看到两个明显的变化区域。 一个是较为平坦的区域 (信号幅值在 0. 002Vrms下), 可用来表征轴承无故障的阶段。另一区域中, 性能退化指标伴随着上下浮动而逐渐上升, 可以表征轴承开始出现剥落并随着表面剥落及磨粒的增多直至完全失效的过程。 当轴承性能退化指标达到失效阈值 (信号幅值为 0. 025Vrms) 时, 即可以认为轴承完全失效。 该研究中将性能退化曲线上出现陡升突变的时间定义为轴承出现故障的时间, 把性能退化指标达到失效阈值的时间定义为轴承完全失效时间。 每个轴承的性能退化曲线都用形式为αeβt的指数函数进行拟合, 得出最优的函数参数 α 和 β。 将每个轴承试验得到的最优函数参数及轴承故障时间、 失效时间都存入数据库, 以便进行后续的轴承寿命预测研究。

在轴承寿命预测研究中, 35 个轴承中有 25 个轴承的数据作为先验知识用于前馈反向传播神经网络 (Feedforward Backpropagation Neural Networks) 进行学习, 另外 10 个轴承的数据用来验证神经网络的预测能力。 在该研究中, 对每个轴承都进行了 N 次振动状态的采集。 以每个振动信号频谱中轴承故障频率及其前 6 个谐波频率的幅值组成神经网络的输入矢量, 以该振动信号采集时轴承的实际工作时间作
为神经网络的输出矢量。 用每个轴承的 N 组振动数据分别训练对应的神经网络,可得到 25 个轴承分别对应的 25 个神经网络。 在进行轴承寿命预测时, 给定待预测轴承当前的振动信号和工作时间, 将该振动信号的故障频率矢量分别输入 25 个神经网络, 可以得到 25 个神经网络预测的工作时间与实际工作时间的误差信息。 根据这些误差信息对相应轴承所对应的性能退化曲线参数 (即指数函数参数 α 和 β)进行加权, 得出预测用的性能退化曲线参数, 即可进行轴承剩余寿命的预测。 轴承寿命预测的示意图如图 2-38 所示。 该研究中还对如何得到最优的性能退化曲线参数进行了多种方案的讨论, 如根据最近两次振动数据对性能退化曲线参数进行加权平均、 对训练样本根据故障时间和失效时间进行分组等。 该研究结果中最好的模型可以达到: 其 64% 的预测结果的误差在实际轴承寿命 10% 范围之内, 而其 92% 的预测结果的误差在实际轴承寿命的 20% 以内。
从该研究的结果中可以看出, 通过振动信号的故障频率及其谐波频率成分可以有效地对滚动轴承的寿命进行预测。 需要强调的是, 上述的结论是建立在相对理想条件下轴承疲劳试验数据的基础之上, 但在现场的实际工作中, 每个轴承的载荷、润滑等工况都各不相同, 也很难针对各种工况的组合建立起每个轴承故障时间和失效时间的数据库, 因此利用上述方法进行轴承寿命的预测仍有一定的难度。 尽管如此, 对于具有轴承状态在线监测系统的场合, 如果能有效记录不同工况下的振动状态数据和轴承故障与失效时间等信息, 上述介绍的轴承寿命预测思路还是很借鉴价值的。
(3) 利用共振解调频谱的滚动轴承工作状态评估
共振解调频谱是指对振动信号的某个高频段滤波结果进行包络检波后再得到的频谱。 共振解调频谱是一种应用广泛且有效的滚动轴承诊断与分析方法, 其技术原理将在第 3 章中加以介绍。 利用滚动轴承振动信号的共振解调频谱可以定性地分析出滚动轴承故障发展所处的阶段, 从而为评估滚动轴承的剩余寿命、 制定合理设备维修决策提供依据。
美国的恩泰克公司 (Entek Scientific Corporation, 现已被美国的 Rockwell Automation 公司收购) 20 世纪 90 年代在英国开展状态监测的实践中, 用共振解调频谱对滚动轴承故障发展的不同阶段给出了一些案例, 具有很好的启示作用。

根据经验, 当滚动轴承出现早期故障时, 共振解调频谱中故障频率对应的幅值与频谱信号地毯值之差一般在 10 ~ 15dB 范围。 图 2-39 所示是一个安装在电动机上的轴承 (型号为 SKF-N318) 出现早期缺陷时, 从轴承座上测得的振动信号的包络检波频谱, 横坐标表示转速, 纵坐标是对数坐标, 用分贝值表示振动幅值。 从图中可以看出, 用横线标识出来的频谱地毯值大约为 34dB, 用小方块标识出来的峰值其大小超过地毯值约 11dB, 其横坐标的转速值对应着轴承的外圈故障频率。 在这种情况下, 需要谨慎地给出设备维修建议, 一般建议的措施是在可能的范围内进行润滑并进一步观察设备状态的变化。

随着滚动轴承故障的进一步发展, 振动信号中也会表现相应的劣化特征, 普遍现象就是出现故障频率的谐波成分, 尤其是会出现外圈故障频率的谐波成分。 图2-40 是滚动轴承故障劣化后测得到的包络检波频谱图。 图中频谱地毯值和故障频率对应峰值的大小都没有太大的变化, 但比较明显的特征是出现了轴承故障频率的谐波成分。 在这个阶段, 因为转子不平衡、 松动、 齿面剥落等故障的振动信息需要经过滚动轴承传递到传感器上, 所以在包络检波频谱中也会出现相关的故障频率成分。 需要注意的是, 润滑作用会减弱或消除包络检波频谱中的谐波成分, 但是不会影响轴承故障发展的根本趋势。
滚动轴承故障再进一步发展时, 一般来说, 包络检波频谱中故障频率的峰值超过地毯值会达到 15 ~ 20dB。 如图 2-41 所示的例子中, 包络谱的地毯值上升到42dB, 故障频率的峰值已经超过了地毯值 20dB 左右。 同时, 图中故障频率的谐波成分增多, 并且在故障频率的基频和谐波附近还出现了边带。 边带所反映的调制频率可以是转轴的旋转频率, 也可以是滚动轴承保持架的故障频率, 其取决于故障本身的特征及滚动轴承的结构特点。 边带的出现是对滚动轴承故障劣化的进一步确认。 虽然保持架故障频率的边带也可能在滚动轴承故障的早期出现, 但如果出现转轴旋转频率的边带则说明滚动轴承的故障进一步劣化了。 这个阶段中, 在对振动速度信号直接进行傅里叶变换得到的频谱中可能也会看到故障频率成分, 只是故障频率的幅值可能会较低而不易被察觉。

此后, 滚动轴承的进一步失效将很快出现, 此时在包络谱中表现为各种频率成分合并在一起, 包络谱中因轴承故障及谐波成分引起的周期性冲击成分逐渐消失。这种变化在包络谱的趋势图中可以清楚地看到。 图 2-42 所示为以线性坐标轴表示的轴承包络谱的变化趋势。 图中可以看到, 随着轴承故障的劣化过程, 包络谱中故障频率及谐波成分逐渐增多、 增大、 再到消失的过程。 在这个阶段, 滚动轴承的剩余寿命已无法预测, 应当立即采取有效维修或更换措施。
需要说明的是, 上述过程只列出了某个特定轴承在特定工况下故障劣化的包络谱图特征, 由于轴承结构和载荷、 润滑、 转速等工况的不同以及在计算包络谱时所选取的参数不同, 并非所有轴承的故障劣化过程都会得到完全相同的包络谱图特征。 在现场诊断与分析工作中, 滚动轴承的寿命预测常常与故障诊断紧密相连。 与给出一个可能不太准确的剩余寿命数值相比, 现场技术人员更期望得到当前轴承的故障严重程度, 根据轴承故障严重程度和以往的维修经验对轴承的剩余寿命进行评估。 尽管如此, 虽然上述包络谱图的特征不具有完全的普适性, 但是对于评估滚动轴承的工作状态与剩余寿命仍是很有帮助的一组参考数据。
4 本章小结
本章主要介绍了轴承游隙、 接触角、 预紧、 装卸、 润滑等与滚动轴承故障诊断紧密相关的基本概念, 并结合实例图片对滚动轴承主要的失效形式与机理进行了综述, 这些内容对深入理解滚动轴承故障诊断方法是有帮助的。 本章还介绍了滚动轴承的寿命计算理论和寿命预测的一般步骤, 这些内容虽未深入展开, 但对从事滚动轴承现场诊断的技术人员而言, 是应当了解的基础知识。
受力图
接触角图
结构图
受力图
结构图
受力图
结构图
受力图
结构图
结构图
受力图
结构图
受力图
结构图
受力图
结构图
结构图
受力图
结构图
受力图
结构图
受力图
结构图
受力图
结构图
受力图
结构图
受力图
结构图
受力图
853

被折叠的 条评论
为什么被折叠?



