本设计包含原理图+程序源码+仿真
📚开发环境
仿真图:proteus 7.8
程序编译器:keil 4/keil 5
编程语言:C语言
设计编号:C0005
📚功能说明:
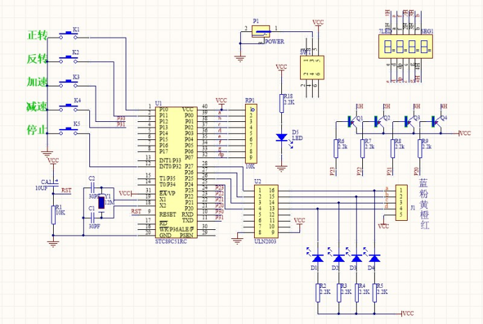
本设计采用STC89C51/52(与AT89S51/52、AT89C51/52通用)单片机作为主控制器;采用DC-5V步进减速电机(步进角度5.625°,减速比1/64);采用集成芯片ULN2003作为电机驱动;可通过按键控制正反转及速度;四位数码管第1位显示电机的正反转,第3位和第4位显示电机运行速度的档数;五个红色LED,一个为电源指示,四个指示电机的转速。
按键说明(由左至右):
1、 KEY1: 正转;
2、 KEY2: 反转;
3、 KEY3: 加速;
4、 KEY4: 减速;
5、 KEY5: 暂停/继续。
📚实物图

📚仿真图

📚原理图

📚源程序

📚器件清单

📚资料清单

1万+

被折叠的 条评论
为什么被折叠?



