前言
本文记录的是韦东山老师课程电阻触摸屏硬件原理,文章内容根据老师上课的笔记所记载。
一、电阻触摸屏硬件原理
以我个人理解是,简单来说:根据触摸屏电阻值的变化,然后发生中断,ADC采集X和Y坐标的数值后,转换成电压。
二、示意图和使用流程
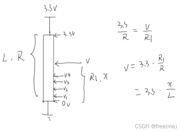
1.示意图
根据电阻的长度,就能算出对应的电压。
同理,转换成电阻触摸屏也是同样道理
当测量X坐标,xp接3.3V,xm接地,yp和ym不接电源
这样yp就相当于探针,在xp和xm方向上,放到哪,电压也会变化到哪。
测量Y坐标亦是如此。
(立体示意图)

平面图:

2.使用流程
①按下触摸屏,产生触摸中断
②在触摸中断程序中,启动ADC(目的:获得X,Y坐标)
③ADC采集完成,产生ADC中断
④在ADC中断中,读取X,Y坐标
⑤启动定时器
⑥定时器发生,判断触摸屏仍被按下
⑦松开,结束。
1648

被折叠的 条评论
为什么被折叠?



