目录
前言
前面实现了一个单级的DAB仿真,为追求更高的系统效率对ZVS进行约束,提升了中轻载的整体效率。https://blog.youkuaiyun.com/weixin_42665184/article/details/147451068?spm=1001.2014.3001.5502
现在准备在原有的DAB拓扑上增加一个谐振电容,尝试降低某些工况的关断电流,提升系统的整体效率。基于参考文献的方法,可以看到在一些工况下关断点的电流相比于DAB会有一定减小。谐振电容天然隔离变压器直流分量,还能避免磁芯饱和风险。

电路拓扑则需要增加一个谐振电容,如下图所示。
DAB 拓扑电路

SR-DAB 拓扑电路
增加谐振电容后会带来谐振电流模型计算困难的问题,因此此前用于计算谐振电流的方法将不适用,寻优控制的约束函数和目标函数需要重写。
模型
整体控制上和前面的DAB模型一样采用变频+扩展移相或者双移相的方式进行控制,发波时序没有什么改变,唯一改变的就是最优解将不同于DAB模型,至于谐振电容的选取需要结合开关频率范围,谐振频率小于最小开关频率。现基于SR-DAB的控制原理,控制流程和DAB一样,这里不再赘述,构建系统仿真模型。
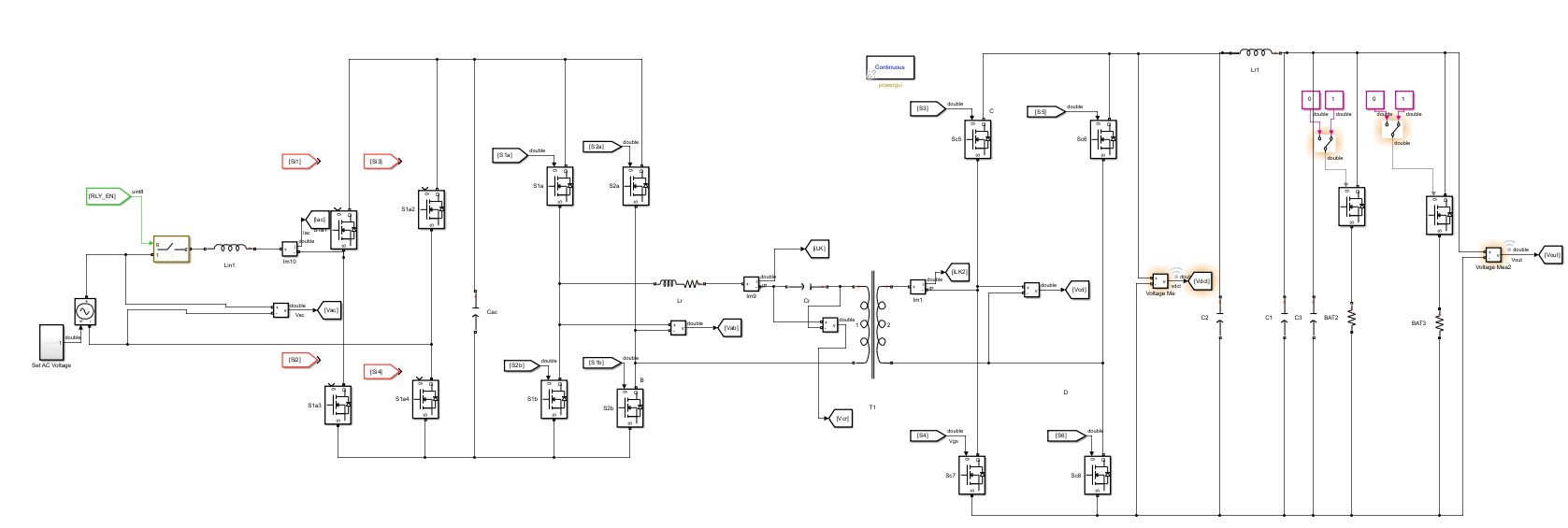
系统模型硬件结构和DAB的模型没多大差别,就是增加了一个谐振电容。控制方法以及发波时序都不需要改变。

仿真
如下是某一个周期的控制变量fs, Theta1, Theta2。

从启动到目标缓慢爬升再到稳态负载发生变化系统都能稳定控制。

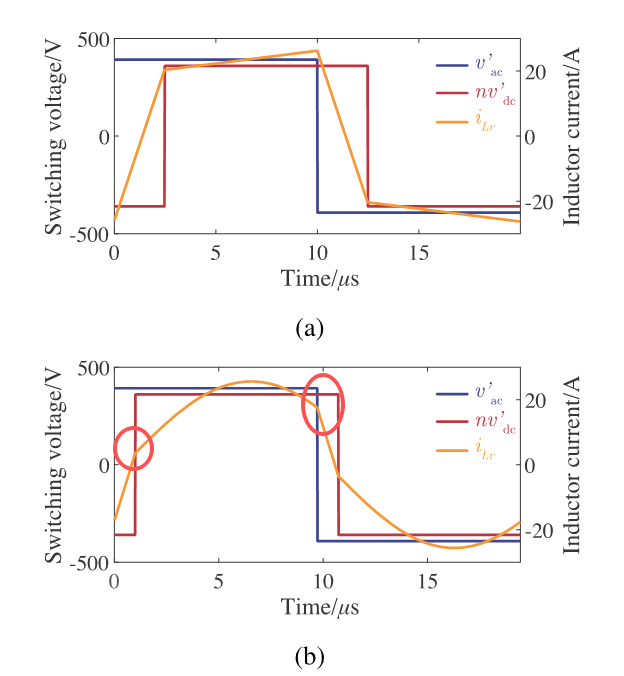
满载400V 6.6KW电网90度的原副边谐振电流波形如下:

相比于之前的DAB拓扑电流波形

结论
到此,单极SR-DAB模型算是构建成功了,仿真效果看起来还不错,至于实际跑起来效率怎么样还得上实际硬件测试。
3946

被折叠的 条评论
为什么被折叠?



