本文介绍的步进电机驱动为毕设所用,学习时也借鉴了其他博主和商家的资料,介绍的都很详细。但对于刚入门的友友萌来说,可能还会存在的一些不解。而我就是被卡在驱动电源上。下文为我对4988驱动的一些理解,希望能帮助到刚学习步进电机的朋友。
4988驱动IC价格便宜驱动简单,但在驱动步进电机时,电机会存在的明显震动。下一篇文章将实现DRV8425驱动IC控制步进电机,减小电机可闻噪声。
一、简介
A4988 是一款完全的微步电动机驱动器,带有内置转换器,易于操作。该产品可在全、半、1/4、1/8 及 1/16 步进模式时操作双极步进电动机,输出驱动性能可达 35 V 及 ±1 A。A4988 包括一个固定关断时间电流稳压器,该稳压器可在慢或混合衰减模式下工作。转换器是 A4988 易于实施的关键。只要在“步进”输入中输入一个脉冲,即可驱动电动机产生微步。无须进行相位顺序表、高频率控制行或复杂的界面编程。A4988 界面非常适合复杂的微处理器不可用或过载的应用。在微步运行时,A4988 内的斩波控制可自动选择电流衰减模式(慢或混合)。在混合衰减模式下,该器件初始设置为在部分固定停机时间内快速衰减,然后在余下的停机时间慢速衰减。混合衰减电流控制方案能减少可听到的电动机噪音、增加步进精确度并减少功耗。提供内部同步整流控制电路,以改善脉宽调制 (PWM) 操作时的功率消耗。内部电路保护包括:带滞后的过热关机、欠压锁定(UVLO) 及交叉电流保护。不需要特别的通电排序。
A4988 采用表面安装 QFN 封装 (ES),尺寸为 5 mm × 5mm, 标称整体封装高度为 0.90 mm ,并带有外露散热板以增强散热功能。该封装为无铅封装(后缀–T),采用 100% 雾锡电镀引脚框。
图1.HR4988
如图1所示为HR4988步进电机驱动模块非A4988,是一款国产pin to pin完全可替换A4988的驱动芯片。至于为什么选择HR4988而不用A4988?也就是懵懂无知,买了一款绿色的驱动模块,在学习过程中弄坏了,就想试试红色的。但二者的配置过程一致。
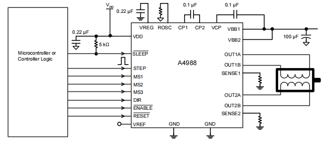
图2.4988模块和控制板
二、主要引脚介绍
图3.A4988典型应用示意图
图4.HR4988典型应用示意图
| VMOT – 电机电源正极(A4988可用电源电压为8V ~ 35V,HR4988为8~32V)注:此引脚用于连接为电机供电的电源 GND – 电机电源接地 2B, 2A – 电机绕组2控制引脚 1A, 1B – 电机绕组1控制引脚 VDD – 逻辑电源正极(3 – 5.5伏)注:此引脚用于为4988电机驱动板供电 GND – 逻辑电源接地 ENABLE – 使能引脚(低电平有效) 引脚说明:此当此引脚为低电平时,A4988才能进行电机驱动工作,当该引脚为高电平,A4988将不会进行电机驱动工作。如果该引脚悬空,则A4988默认为使能状态。即该引脚没有连接任何电平时,A4988可以正常工作。 MS1, MS2, MS3 – 驱动模式引脚 引脚说明:这三个引脚控制A4988微步细分驱动模式。通过这三个引脚的逻辑电平,我们可以调整A4988驱动电机模式为全、半、1/4、1/8 及 1/16 步进模式。Table1图中右侧的表格里有具体如何调节这三个引脚电频以及A4988在不同的电平组合下的驱动模式。表格中“L”代表低电平,“H”代表高电平。“FULL”为全步进,“HALF”为半步进,“QUATER”为1/4步进, “EIGHTH”为1/8步进, “SIXTEENTH”为1/16步进。当MS1, MS2, MS3这几个引脚悬空时,A4988默认为全步进电机驱动模式。 RESET – 复位引脚 |

本文介绍了A4988步进电机驱动IC的工作原理和应用,包括电机电源、主要引脚功能和驱动模式设置。同时提到了在遇到问题时更换为HR4988的情况。通过STM32F103C8T6微控制器进行程序设计,实现了电机的正反转控制和速度调整。文章还提供了程序代码示例,并讨论了步进电机在不同细分驱动模式下的表现。
最低0.47元/天 解锁文章
365





