一、RCD吸收电路(Resistor-Capacitor-Diode)
由**电阻(R)、电容(C)、二极管(D)**组成的保护电路,主要用于开关电源中抑制电压尖峰。其工作原理如下:
- 1.开关管关闭时:变压器漏感能量通过二极管D向电容C充电,公式Vclamp=IpkLk/CVclamp=IpkLk/C,其中LkLk为漏感,CC为吸收电容456;
- 2.开关管导通时:电容C通过电阻R放电,电阻值RR需满足R≤Tdis5CR≤5CTdis(TdisTdis为放电时间)以充分释放能量810。
典型应用场景包括反激电源、LLC谐振变换器等,可降低MOSFET的VDSVDS应力约30%-50%1011。
二、剩余电流保护装置(Residual Current Device)
用于配电系统的安全保护装置,当检测到线路剩余电流超过阈值(如30mA防触电/300mA防火)时切断电路。包含电磁式(ELM)和电子式(ELE)两种类型,需配合接地系统使用237。
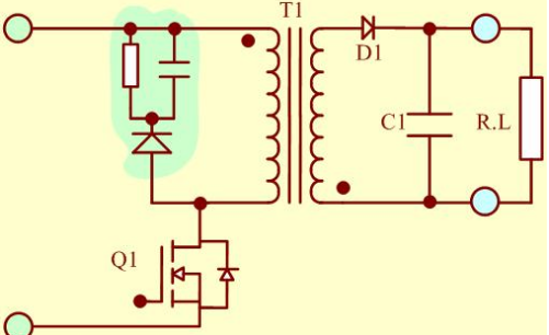
若您问的是开关电源中的RCD电路,其核心作用是:通过RCRC充放电吸收漏感能量,配合二极管单向导通特性,将开关管电压尖峰限制在安全范围内,典型拓扑如下图所示:
复制
┌───电阻R───┐
│ │
MOSFET─┤二极管D 电容C
│ │
└─────地─────┘
设计要点包括:电容值需满足C≥LkIpk2Vclamp2C≥Vclamp2LkIpk2,二极管应选快恢复型(如FR107)以减少反向恢复损耗910。
RCD吸收电路它由电阻Rs、电容Cs和二极管VDs构成。电阻Rs也可以与二极管VDs并联连接。RCD吸收电路对过电压的抑制要好于RC吸收电路,与RC电路相比Vce升高的幅度更小。由于可以取大阻值的吸收电阻,在一定程度上降低了损耗。

2098

被折叠的 条评论
为什么被折叠?



