前言
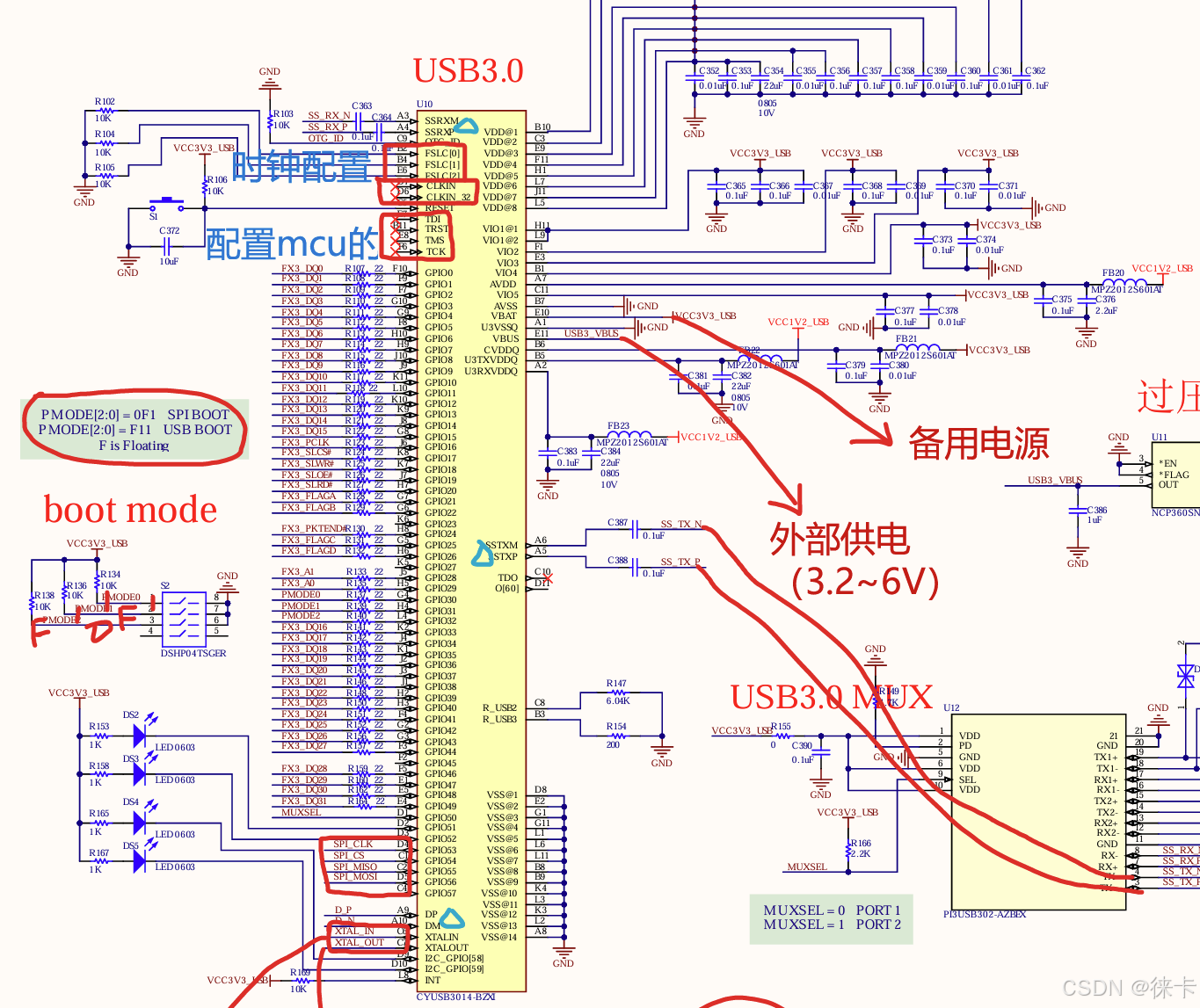
CYUSB3.0 电路引脚说明
1、USB3.0供电
| 名称 | 最大供电电压 | 最大供电电流 | 数据传输速率 |
|---|---|---|---|
| USB 3.0 | 5V | 900mA | 5Gbps |
| USB 3.1 Gen 1 | 5V | 900mA | 5Gbps |
| USB 3.1 Gen 2 | 5V | 900mA | 10Gbps |
2、USB3.0数据包大小
| 传输方式 | 数据包大小 |
|---|---|
| 控制传输 | 最大512 字节 |
| 批量传输 | 最大1024字节 |
| 中断传输 | 最大1024字节 |
| 同步传输 | 最大1024字节 |
3、USB3.0引脚说明

FSLC[0]~[2]:usb芯片时钟选择配置,具体哪种方式看数据手册
CLKIN:FPAG给USB芯片的时钟
CLKIN_32:看门狗时钟
XTALIN:外部晶振输入
XTALOUT:外部晶振输入
TDI、TST、TMS、TCK:配置MCU的引脚
GPIO0~57:
DP/DM:USB差分对数据线
SSRXM:USB差分对数据线
SSRXP:USB差分对数据线
SSTXM:USB差分对数据线
SSTXP:USB差分对数据线
VSS:数字地
VDD:数字电源
AVSS:模拟地
AVDD:模拟电源
VBUS:外部供电
VBAT:备用电源
VIO1~5:电源域
6750

被折叠的 条评论
为什么被折叠?



