LDO线性稳压电路:
12V输入和20V输入都可以用于PW6206的外围简单的LDO芯片电路:
PW6206的输入电压4.75V - 40V,负载电流为在电压=5V和VIN=7V时高达300mA。该设备采用BCD工艺制造。PW6206 提供过电流限制、软启动和过温保护,确保设备工作在正常情况下。 PW6206提供3V,3.3V,5V输出电压选择,静态电流4.2uA。 PW6206标准SOT23-3L封装。
DC开关降压电路:
12V输入和20V输入两个电压差别大了些,12V输入时,可以选择更简单和综合实惠。
如:PW2162,PW2163等
PW2163在4.5V到18V的宽输入电压范围内工作集成主开关和同步开关,具有非常低的RDS(ON)以最小化传导损失。输出电压纹波低,外部电感器和电容器的尺寸为500kHz开关频率,能够输送3A电流。
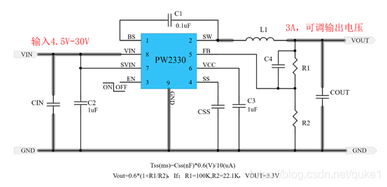
20V输入电压的话,就需要更高的输入电压范围了,最好是选择30V,或者更高都可以。
PW2330开发了一种高效率的同步降压DC-DC转换器3A输出电流。PW2330在4.5V到30V的宽输入电压范围内工作集成主开关和同步开关,具有非常低的RDS(ON)以最小化传导损失。
PW2330是3A, PW2205是5V, 两个是PIN to PIN。

PW2162是一颗DC-DC同步降压转换器芯片,输入电压范围4.5V-16V,最大负载电流2A,可调输出电压,频率600kHZ高频率,可采用贴片电感,节省空间,采用SOT23-6封装形式。
20V转15V ,20V转12V,20V转9V,20V转5V,20V转3.3V,20V转3V,20V转1.8V,20V转1.2V.
20V转15V芯片,20V转12V芯片,20V转9V芯片,20V转5V芯片,20V转3.3V芯片,20V转3V芯片,20V转1.8V芯片,20V转1.2V芯片.
20V转15V稳压芯片,20V转12V稳压芯片,20V转9V稳压芯片,20V转5V稳压芯片,20V转3.3V稳压芯片,20V转3V稳压芯片,20V转1.8V稳压芯片,20V转1.2V稳压芯片.
20V转15V降压芯片,20V转12V降压芯片,20V转9V降压芯片,20V转5V降压芯片,20V转3.3V降压芯片,20V转3V降压芯片,20V转1.8V降压芯片,20V转1.2V降压芯片.
本文介绍了20V输入转换为不同电压等级(如3.3V, 5V, 12V等)的稳压IC与电源芯片,包括LDO PW6206和DC开关降压芯片如PW2162、PW2163、PW2330。这些芯片具备过电流限制、软启动和过温保护等功能,并提供不同输出电流能力,适用于各种电压转换需求。"
114081481,10538252,Java二进制权限控制示例,"['Java编程', '位操作', '权限管理', '数据库操作', 'Oracle函数']
2062

被折叠的 条评论
为什么被折叠?



