💥💥💞💞欢迎来到本博客❤️❤️💥💥
🏆博主优势:🌞🌞🌞博客内容尽量做到思维缜密,逻辑清晰,为了方便读者。
⛳️座右铭:行百里者,半于九十。
📋📋📋本文目录如下:🎁🎁🎁
目录
⛳️赠与读者
👨💻做科研,涉及到一个深在的思想系统,需要科研者逻辑缜密,踏实认真,但是不能只是努力,很多时候借力比努力更重要,然后还要有仰望星空的创新点和启发点。建议读者按目录次序逐一浏览,免得骤然跌入幽暗的迷宫找不到来时的路,它不足为你揭示全部问题的答案,但若能解答你胸中升起的一朵朵疑云,也未尝不会酿成晚霞斑斓的别一番景致,万一它给你带来了一场精神世界的苦雨,那就借机洗刷一下原来存放在那儿的“躺平”上的尘埃吧。
或许,雨过云收,神驰的天地更清朗.......🔎🔎🔎
💥1 概述
在机械臂这一复杂且精密的自动化控制领域中,非线性干扰观测器、滑模控制以及反演控制等先进技术正发挥着日益关键的作用。其中,基于非线性干扰观测器的自适应反演滑模控制方法更是展现出了独特的优势与潜力。
通过精心设计的仿真实验,我们对这种创新性的控制方法进行了全面且深入的评估。仿真过程充分模拟了机械臂在实际运行过程中可能遭遇的各种复杂工况与干扰因素,以确保实验结果的可靠性与实用性。
仿真结果表明,相较于传统的反演滑模控制方法,我们所提出的这种融合了非线性干扰观测器的自适应反演滑模控制方法具备显著的性能提升。在干扰观测方面,它能够以较为理想的精度和实时性对系统中存在的各类非线性干扰进行精准捕捉和有效估计。这一特性使得系统能够提前感知干扰的影响,并及时做出相应的调整,从而极大地提高了机械臂系统的跟踪性能。无论是对于简单的轨迹跟踪任务,还是复杂多变的动态操作,该控制方法都能确保机械臂精准、稳定地按照预定轨迹运行,大大提升了工作的准确性和效率。
同时,这种控制方法在抑制系统抖振方面也表现出色。在传统的滑模控制中,由于控制信号的不连续切换,系统往往会出现明显的抖振现象,这不仅会影响机械臂的运动精度,还可能对其硬件设备造成损害,缩短使用寿命。而我们所采用的方法通过引入自适应机制和非线性干扰观测器,有效削弱了控制信号的不连续性,从而较好地抑制了系统的抖振,使机械臂的运动更加平滑、稳定。
此外,该控制方法还展现出了强大的鲁棒性和抗干扰性。在实际应用中,机械臂系统不可避免地会受到各种内部和外部干扰的影响,如负载变化、环境噪声等。而我们的方法能够在这些干扰因素存在的情况下,依然保持系统的稳定运行和良好的控制性能,确保机械臂能够高质量地完成各项任务。
基于非线性干扰观测器的自适应反演滑模控制方法为机械臂的控制提供了一种高效、可靠的解决方案,具有广阔的应用前景和重要的实际价值。
基于非线性干扰观测器的机械臂自适应反演滑模控制研究
一、研究背景与意义
机械臂作为一类典型的多输入多输出非线性系统,在实际应用中常面临参数不确定性、外界干扰及未建模动态等挑战。这些不确定性因素会显著影响机械臂的运行精度和稳定性。针对这些问题,基于非线性干扰观测器的机械臂自适应反演滑模控制方法被提出,旨在通过结合非线性干扰观测器与自适应反演滑模控制,实现机械臂轨迹的快速、精确跟踪,并增强系统的鲁棒性。
二、研究方法
-
非线性干扰观测器设计
- 功能:非线性干扰观测器用于实时估计和补偿机械臂系统中的可观测干扰,如摩擦、外部扰动等。
- 设计原理:通过设计合适的非线性函数和观测器参数,使观测误差指数收敛,从而准确估计干扰值。
- 优势:无需干扰上界先验知识,能够适应不同类型和强度的干扰。
-
自适应反演滑模控制
- 反演设计:将复杂的非线性系统分解为多个低阶子系统,通过递归设计控制器,逐步构建全局稳定控制律。
- 滑模控制:引入滑模面,通过控制量的切换使系统状态沿着滑模面滑动,对匹配摄动和外界干扰具有不变性。
- 自适应律:针对不可观测的干扰和系统不确定性,设计自适应律以动态调整控制参数,提高系统的适应性和鲁棒性。
-
结合非线性干扰观测器与自适应反演滑模控制
- 控制架构:将非线性干扰观测器估计的干扰值引入滑模控制律中,对可观测干扰进行补偿;同时,利用自适应反演滑模控制对不可观测干扰和系统不确定性进行动态补偿。
- 稳定性分析:通过李雅普诺夫函数验证闭环系统的渐近稳定性,确保系统在存在干扰和不确定性时仍能保持稳定运行。
三、研究结果
-
仿真与实验验证
- 仿真结果:通过MATLAB/Simulink等仿真工具对所提控制方法进行验证,结果表明该方法能够显著削弱系统抖振,提高跟踪精度和响应速度。
- 实验结果:在实际机械臂平台上进行实验测试,进一步验证了所提控制方法的有效性和实用性。
-
性能对比
- 与传统滑模控制对比:所提控制方法在跟踪精度、响应速度和抖振抑制方面均优于传统滑模控制。
- 与其他先进控制方法对比:与基于模糊干扰观测器、神经网络等先进控制方法相比,所提方法在计算复杂度、实时性和鲁棒性方面表现出色。
四、研究创新点
-
改进的非线性干扰观测器设计
- 针对传统干扰观测器需要测量加速度项、应用模型受限等问题,提出改进的非线性干扰观测器设计方法,扩大了观测器的应用范围。
-
自适应反演滑模控制策略
- 结合反演设计和滑模控制的优势,提出自适应反演滑模控制策略,实现了对不可观测干扰和系统不确定性的动态补偿。
-
综合性能优化
- 通过综合运用非线性干扰观测器和自适应反演滑模控制,实现了机械臂轨迹跟踪控制的综合性能优化,包括跟踪精度、响应速度、抖振抑制和鲁棒性等方面。
五、研究应用与展望
-
应用领域
- 工业自动化:在装配线、焊接、喷涂等工业自动化场景中,提高机械臂的运行精度和稳定性。
- 医疗服务:在康复机器人、手术机器人等医疗服务领域,提升机械臂的操作精度和安全性。
- 航空航天:在空间机械臂、卫星姿态调整等航空航天领域,增强机械臂的适应性和鲁棒性。
-
未来研究方向
- 多机械臂协同控制:研究基于非线性干扰观测器的多机械臂协同控制方法,实现更复杂的任务执行。
- 智能优化算法融合:将智能优化算法(如粒子群优化、遗传算法等)引入控制参数调整过程,进一步提高控制性能。
- 实际场景适应性研究:针对不同实际场景(如高温、低温、强电磁干扰等),研究控制方法的适应性和鲁棒性。
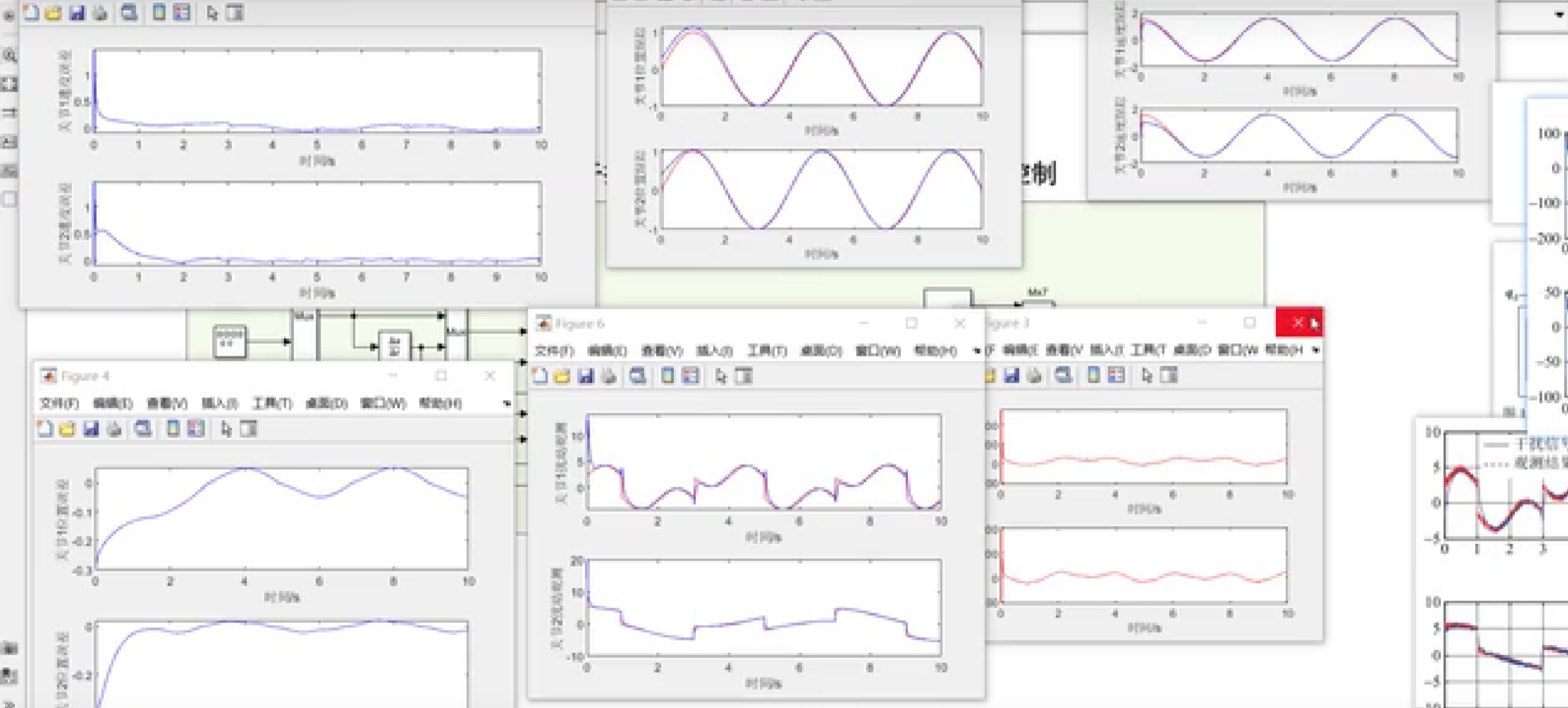
📚2 运行结果






🎉3 参考文献
文章中一些内容引自网络,会注明出处或引用为参考文献,难免有未尽之处,如有不妥,请随时联系删除。(文章内容仅供参考,具体效果以运行结果为准)
[1]席雷平,陈自力,齐晓慧.基于非线性干扰观测器的机械臂自适应反演滑模控制[J].信息与控制, 2013, 42(4):470-477.
[2]卜祥伟,吴晓燕,陈永兴,等.基于非线性干扰观测器的高超声速飞行器滑模反演控制[J].控制理论与应用, 2014(11):7.
🌈4 Matlab代码、Simulink仿真实现
资料获取,更多粉丝福利,MATLAB|Simulink|Python资源获取

1万+

被折叠的 条评论
为什么被折叠?



