

OFDM信号的频域波形
产生背景:在一般的串行数据传输系统中,每个符号都完全占用信道的可用带宽,由于瑞利衰落的突发性,在信号衰落期间可能接连几个比特都被完全破坏。而在并行系统中子信道的带宽是很窄的,可以近似看作传输特性理想的信道,当子信道的码元1/Ts≤带宽时各子信道就可以看成平坦性衰落的信道(频率响应在所用频段内是平坦的),从而避免了码间串扰、抗多径衰落的能力比较好。OFDM允许频谱重叠可以节省带宽获得更高的频带效率。

优点:是一种多载波并行调制体制,单个信道利用多个相邻频率上的子载波,子载波是重叠的,并且在码元持续时间内任意两个子载波都是正交的这使接收端可以采用相干的方式完全的分离各路信号。
缺点:对信道产生的频率偏移和相位噪声很敏感,因为这会导致子载波频率偏移从而不再具有正交性。
工作方式:
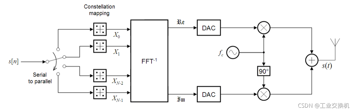
首先将输入的数据进行串并转换,然后在子载波之间进行分割,比特流分割完成之后每个子载波都相当于是单个信道进行调制(传统调制),然后通过IDFT得到时域符号,因为信道的输出为符号信号和信道冲激响应的卷积(本质是多径效应),所以信道输出信号的长度为
Tr=+Ts (
为冲激响应的持续时间、Ts为输入信号的周期长度)因此接收到的数据长度大于发送信号的长度,如果信号是连续发送的话会产生码间串扰,在数据块之间加入保护间隔可以减少码间串扰,为了保持子载波的正交性,保护间隔一般采用循环前缀(Tg>
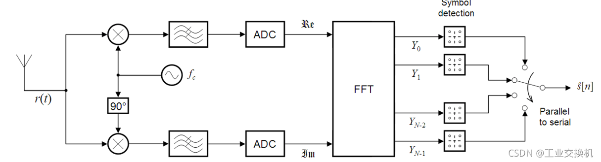
),完成之后作为一个整体发射。接收机进行反向操作,将接收到的信号去掉循环前缀,通过DFT变换到时域并将信号分成相应的子载波,然后解调这些子载波重建比特流。

OFDM信号的发送端

OFDM信号的接收端
本文介绍了OFDM(正交频分复用)技术的工作原理及其优缺点。OFDM通过将高速数据流分解为多个低速子数据流来提高系统的抗多径衰落能力。文章详细阐述了OFDM信号的产生过程,包括串并转换、子载波分配、IDFT变换等步骤,以及接收端如何通过DFT变换和循环前缀去除来重建原始数据。
1万+

被折叠的 条评论
为什么被折叠?



