✅作者简介:热爱科研的Matlab仿真开发者,擅长数据处理、建模仿真、程序设计、期刊写作与指导,代码获取、论文复现及科研仿真合作可私信或扫描文章底部二维码。
🍎个人主页:Matlab科研工作室
🍊个人信条:格物致知。
🔥 内容介绍
摘要: 本文旨在研究基于虚拟同步发电 (Virtual Synchronous Generator, VSG) 技术的风储并网系统,并利用MATLAB/Simulink平台进行仿真验证。首先,详细介绍了VSG控制策略的原理及设计,包括电压、频率控制环路的设计以及与风力发电机和储能系统的协调控制。其次,建立了包含风力发电机、储能系统、VSG控制器以及电力系统模型的Simulink仿真模型。最后,通过仿真实验,分析了该系统在不同工况下的动态性能,包括系统稳定性、电压质量和频率稳定性等,并与传统同步发电机并网系统进行对比,验证了VSG技术在提高风储并网系统稳定性方面的有效性。
关键词: 虚拟同步发电机;风储并网;Simulink仿真;电力系统稳定性;储能系统
1 引言
随着全球能源结构的转型升级,风能作为一种清洁可再生能源,其规模化应用日益受到重视。然而,由于风力发电具有间歇性和波动性的特点,其并网运行会对电力系统稳定性带来挑战。为了解决这一问题,储能系统与风力发电机协同工作,形成风储并网系统,成为提高电力系统稳定性的有效途径。传统风力发电机的并网方式通常依赖于电力电子变流器和复杂的控制算法,这些算法需要精确的电力系统参数,对系统参数变化较为敏感。虚拟同步发电机 (VSG) 技术作为一种新型的并网控制策略,模拟了同步发电机的动态特性,能够有效解决传统并网方式的不足,提高风储并网系统的稳定性和可靠性。
本文基于VSG技术,设计并仿真了一个风储并网系统,并利用MATLAB/Simulink平台搭建了详细的仿真模型。通过仿真实验,分析了该系统的动态特性,并与传统同步发电机并网系统进行了比较,验证了VSG技术在提高风储并网系统稳定性方面的优势。
2 VSG控制策略及模型设计
VSG控制策略的核心思想是模拟同步发电机的电磁转矩方程和摆动方程,通过控制电力电子变流器的输出电压和频率,实现对电网的无功功率和有功功率的控制。VSG控制器的核心模型包含以下几个部分:
-
电压控制环路: 该环路通过测量电网电压,并根据设定值和实际值之间的偏差,调整VSG的输出电压幅值,以维持电网电压的稳定性。控制算法通常采用PI控制或更高级的控制算法,例如模糊控制或自适应控制,以提高系统的动态响应速度和精度。
-
频率控制环路: 该环路通过测量电网频率,并根据设定值和实际值之间的偏差,调整VSG的输出频率,以维持电网频率的稳定性。该环路通常也采用PI控制或更高级的控制算法。
-
有功功率控制环路: 该环路通过控制储能系统的充放电功率,调节VSG的有功功率输出,从而实现对系统有功功率的控制。该控制环路需要考虑储能系统的容量限制以及充放电效率等因素。
-
无功功率控制环路: 该环路通过控制VSG的输出电压相角,调节VSG的无功功率输出,从而实现对系统无功功率的控制。
在Simulink模型中,上述控制环路通过一系列的增益、积分器、限幅器等模块实现。此外,模型还考虑了风力发电机的出力变化、储能系统的充放电特性以及电网参数的变化等因素,以提高模型的精度和可靠性。
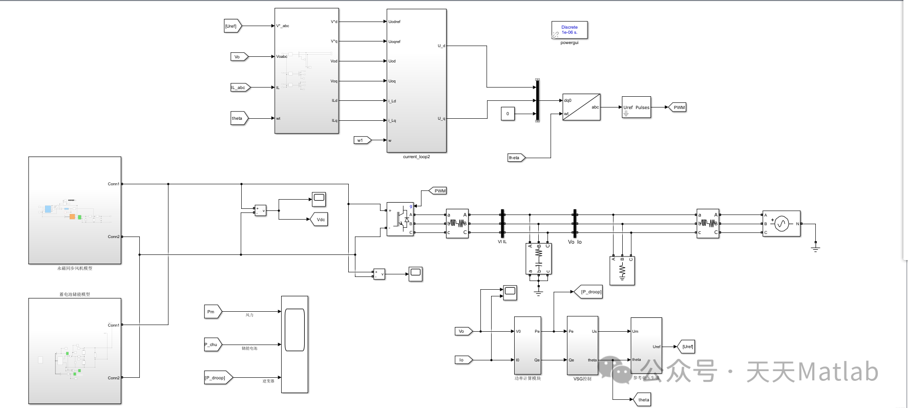
3 风储并网系统Simulink仿真模型
本仿真模型主要由以下几个部分组成:
-
风力发电机模型: 采用基于风速模型的风力发电机模型,考虑了风速的随机性以及风力发电机的出力特性。
-
储能系统模型: 采用电池储能系统模型,考虑了电池的充放电效率、容量限制以及状态估计等因素。
-
VSG控制器: 基于第二节所述的VSG控制策略,采用PI控制算法设计了VSG控制器。
-
电力系统模型: 采用简化的电力系统模型,包括电网电压、频率以及电网阻抗等参数。
在Simulink模型中,各个模块通过信号线连接,实现各个部分之间的信息交互。模型采用模块化设计,方便用户修改和调整参数。
4 仿真结果及分析
仿真实验主要考察了系统在不同工况下的动态性能,包括:
-
负载突变: 模拟负载突然增加或减少的情况,考察系统电压和频率的恢复能力。
-
风速突变: 模拟风速突然变化的情况,考察系统出力变化以及系统稳定性。
-
储能系统故障: 模拟储能系统出现故障的情况,考察系统应对故障的能力。
通过对比采用VSG控制策略的风储并网系统与传统同步发电机并网系统的仿真结果,可以发现,VSG控制策略能够有效提高系统在各种扰动下的稳定性,减小电压和频率波动,缩短系统恢复时间,并具有更强的抗扰动能力。
⛳️ 运行结果

🔗 参考文献
🎈 部分理论引用网络文献,若有侵权联系博主删除
👇 关注我领取海量matlab电子书和数学建模资料
擅长领域:
🌈 各类智能优化算法改进及应用
生产调度、经济调度、装配线调度、充电优化、车间调度、发车优化、水库调度、三维装箱、物流选址、货位优化、公交排班优化、充电桩布局优化、车间布局优化、集装箱船配载优化、水泵组合优化、解医疗资源分配优化、设施布局优化、可视域基站和无人机选址优化、背包问题、 风电场布局、时隙分配优化、 最佳分布式发电单元分配、多阶段管道维修、 工厂-中心-需求点三级选址问题、 应急生活物质配送中心选址、 基站选址、 道路灯柱布置、 枢纽节点部署、 输电线路台风监测装置、 集装箱调度、 机组优化、 投资优化组合、云服务器组合优化、 天线线性阵列分布优化、CVRP问题、VRPPD问题、多中心VRP问题、多层网络的VRP问题、多中心多车型的VRP问题、 动态VRP问题、双层车辆路径规划(2E-VRP)、充电车辆路径规划(EVRP)、油电混合车辆路径规划、混合流水车间问题、 订单拆分调度问题、 公交车的调度排班优化问题、航班摆渡车辆调度问题、选址路径规划问题、港口调度、港口岸桥调度、停机位分配、机场航班调度、泄漏源定位
🌈 机器学习和深度学习时序、回归、分类、聚类和降维
2.1 bp时序、回归预测和分类
2.2 ENS声神经网络时序、回归预测和分类
2.3 SVM/CNN-SVM/LSSVM/RVM支持向量机系列时序、回归预测和分类
2.4 CNN|TCN|GCN卷积神经网络系列时序、回归预测和分类
2.5 ELM/KELM/RELM/DELM极限学习机系列时序、回归预测和分类
2.6 GRU/Bi-GRU/CNN-GRU/CNN-BiGRU门控神经网络时序、回归预测和分类
2.7 ELMAN递归神经网络时序、回归\预测和分类
2.8 LSTM/BiLSTM/CNN-LSTM/CNN-BiLSTM/长短记忆神经网络系列时序、回归预测和分类
2.9 RBF径向基神经网络时序、回归预测和分类
2.10 DBN深度置信网络时序、回归预测和分类
2.11 FNN模糊神经网络时序、回归预测
2.12 RF随机森林时序、回归预测和分类
2.13 BLS宽度学习时序、回归预测和分类
2.14 PNN脉冲神经网络分类
2.15 模糊小波神经网络预测和分类
2.16 时序、回归预测和分类
2.17 时序、回归预测预测和分类
2.18 XGBOOST集成学习时序、回归预测预测和分类
2.19 Transform各类组合时序、回归预测预测和分类
方向涵盖风电预测、光伏预测、电池寿命预测、辐射源识别、交通流预测、负荷预测、股价预测、PM2.5浓度预测、电池健康状态预测、用电量预测、水体光学参数反演、NLOS信号识别、地铁停车精准预测、变压器故障诊断
🌈图像处理方面
图像识别、图像分割、图像检测、图像隐藏、图像配准、图像拼接、图像融合、图像增强、图像压缩感知
🌈 路径规划方面
旅行商问题(TSP)、车辆路径问题(VRP、MVRP、CVRP、VRPTW等)、无人机三维路径规划、无人机协同、无人机编队、机器人路径规划、栅格地图路径规划、多式联运运输问题、 充电车辆路径规划(EVRP)、 双层车辆路径规划(2E-VRP)、 油电混合车辆路径规划、 船舶航迹规划、 全路径规划规划、 仓储巡逻
🌈 无人机应用方面
无人机路径规划、无人机控制、无人机编队、无人机协同、无人机任务分配、无人机安全通信轨迹在线优化、车辆协同无人机路径规划
🌈 通信方面
传感器部署优化、通信协议优化、路由优化、目标定位优化、Dv-Hop定位优化、Leach协议优化、WSN覆盖优化、组播优化、RSSI定位优化、水声通信、通信上传下载分配
🌈 信号处理方面
信号识别、信号加密、信号去噪、信号增强、雷达信号处理、信号水印嵌入提取、肌电信号、脑电信号、信号配时优化、心电信号、DOA估计、编码译码、变分模态分解、管道泄漏、滤波器、数字信号处理+传输+分析+去噪、数字信号调制、误码率、信号估计、DTMF、信号检测
🌈电力系统方面
微电网优化、无功优化、配电网重构、储能配置、有序充电、MPPT优化、家庭用电
🌈 元胞自动机方面
交通流 人群疏散 病毒扩散 晶体生长 金属腐蚀
🌈 雷达方面
卡尔曼滤波跟踪、航迹关联、航迹融合、SOC估计、阵列优化、NLOS识别
🌈 车间调度
零等待流水车间调度问题NWFSP 、 置换流水车间调度问题PFSP、 混合流水车间调度问题HFSP 、零空闲流水车间调度问题NIFSP、分布式置换流水车间调度问题 DPFSP、阻塞流水车间调度问题BFSP
👇
基于VSG技术的风储并网系统仿真研究
3041

被折叠的 条评论
为什么被折叠?



