✅作者简介:热爱科研的Matlab仿真开发者,擅长数据处理、建模仿真、程序设计、完整代码获取、论文复现及科研仿真。
🍎 往期回顾关注个人主页:Matlab科研工作室
🍊个人信条:格物致知,完整Matlab代码及仿真咨询内容私信。
🔥 内容介绍
一、引言
永磁同步电机(Permanent Magnet Synchronous Motor,PMSM)凭借其高效率、高功率密度、小体积、低损耗等显著优势,已广泛应用于新能源汽车、工业伺服系统、航空航天等领域。在 PMSM 的控制过程中,系统易受到参数摄动(如定子电阻、电感变化)、负载扰动(如负载转矩突变)以及外部干扰(如电网电压波动)的影响,传统的 PID 控制算法难以在复杂干扰环境下实现高精度、高鲁棒性的控制。
自抗扰控制(Active Disturbance Rejection Control,ADRC)作为一种新型非线性控制策略,通过扩张状态观测器(Extended State Observer,ESO)实时估计并补偿系统内部扰动与外部干扰,无需精确的被控对象数学模型,具有较强的抗扰能力和鲁棒性,为解决 PMSM 控制中的干扰问题提供了有效方案。本文将围绕基于 ADRC 的 PMSM 仿真模型展开研究,详细阐述模型的构建原理、实现步骤及仿真验证过程。
二、自抗扰控制(ADRC)的基本原理与结构
(一)ADRC 的核心思想
ADRC 的核心思想是将系统的内部不确定性(如参数变化)和外部干扰(如负载扰动)统一视为 “总扰动”,通过扩张状态观测器(ESO)对总扰动进行实时观测,并在控制律中主动补偿该扰动,从而使被控系统近似为理想的积分串联型系统,最终通过简单的误差反馈实现高精度控制。




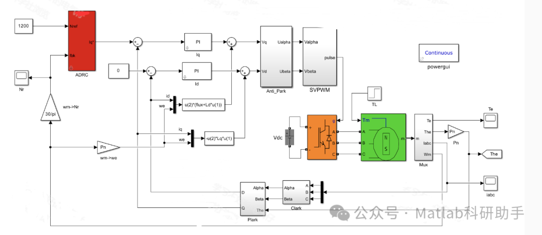
(三)整体模型连接
按照 “参考转速→TD→NLSEF→电流环 PI→Park 逆变换→SVPWM→PMSM 本体→Clark/Park 变换→ESO→NLSEF” 的信号流向连接各模块,同时接入负载扰动模块至 PMSM 运动方程模块,形成闭环控制系统。
五、模型优势与应用展望
(一)模型优势
- 强抗扰性:通过 ESO 实时补偿负载扰动和参数摄动,解决了传统 PID 控制抗扰能力弱的问题,适用于负载频繁变化的场景(如新能源汽车驱动、数控机床)。
- 鲁棒性高:无需精确的 PMSM 数学模型,对电机参数变化不敏感,降低了模型参数匹配难度。
- 动态性能优:转速跟踪速度快、超调小,电流响应平滑,满足高精度伺服控制需求。
(二)应用展望
- 拓展多目标控制:在现有转速、电流控制基础上,加入转矩控制环,构建三闭环 ADRC 系统,适用于对转矩响应要求高的场景(如机器人关节驱动)。
- 结合智能算法优化参数:当前 ADRC 参数(如 ESO 增益、NLSEF 增益)通过经验设置,未来可引入粒子群优化(PSO)、遗传算法(GA)等智能算法,实现参数自适应优化,进一步提升控制性能。
- 硬件在环(HIL)验证:将仿真模型与实际硬件(如 DSP 控制器、PMSM 实验平台)结合,开展 HIL 仿真,验证模型在实际硬件中的可行性,为工程应用提供支撑。
- 拓展至永磁同步电机其他类型:将模型推广至内置式 PMSM(L_d≠L_q),优化转矩方程和 ESO 观测模型,满足不同类型 PMSM 的控制需求。
六、结论
本文基于 MATLAB/Simulink 构建了基于自抗扰控制(ADRC)的永磁同步电机仿真模型,通过数学建模、模块设计、仿真验证,得出以下结论:
- 所构建的仿真模型能够准确反映 PMSM 的动态特性,ADRC 控制模块实现了对转速的高精度跟踪和对负载扰动、参数摄动的有效抑制。
- 与传统 PID 控制相比,ADRC 在转速响应速度、超调量、抗扰能力和鲁棒性方面均具有显著优势,更适用于复杂干扰环境下的 PMSM 控制。
- 模型参数设置合理,仿真结果可靠,可为 PMSM 控制系统的工程设计、算法优化提供重要参考,具有较高的理论价值和实际应用意义。
⛳️ 运行结果




🔗 参考文献
[1] 孙凯,许镇琳,邹积勇.基于自抗扰控制器的永磁同步电机无位置传感器矢量控制系统[J].中国电机工程学报, 2007, 27(3):5.DOI:10.3321/j.issn:0258-8013.2007.03.004.
[2] 刘志刚.基于永磁同步电机模型辨识与补偿的自抗扰控制器[J].中国电机工程学报, 28(24)[2025-12-12].DOI:10.3321/j.issn:0258-8013.2008.24.020.
[3] 侯利民,任志玲,王巍.基于自抗扰控制的永磁同步电机无源调速系统[J].电力电子技术, 2011, 45(3):3.DOI:10.3969/j.issn.1000-100X.2011.03.013.
📣 部分代码
🎈 部分理论引用网络文献,若有侵权联系博主删除
👇 关注我领取海量matlab电子书和数学建模资料
🏆团队擅长辅导定制多种科研领域MATLAB仿真,助力科研梦:
🌈 各类智能优化算法改进及应用
生产调度、经济调度、装配线调度、充电优化、车间调度、发车优化、水库调度、三维装箱、物流选址、货位优化、公交排班优化、充电桩布局优化、车间布局优化、集装箱船配载优化、水泵组合优化、解医疗资源分配优化、设施布局优化、可视域基站和无人机选址优化、背包问题、 风电场布局、时隙分配优化、 最佳分布式发电单元分配、多阶段管道维修、 工厂-中心-需求点三级选址问题、 应急生活物质配送中心选址、 基站选址、 道路灯柱布置、 枢纽节点部署、 输电线路台风监测装置、 集装箱调度、 机组优化、 投资优化组合、云服务器组合优化、 天线线性阵列分布优化、CVRP问题、VRPPD问题、多中心VRP问题、多层网络的VRP问题、多中心多车型的VRP问题、 动态VRP问题、双层车辆路径规划(2E-VRP)、充电车辆路径规划(EVRP)、油电混合车辆路径规划、混合流水车间问题、 订单拆分调度问题、 公交车的调度排班优化问题、航班摆渡车辆调度问题、选址路径规划问题、港口调度、港口岸桥调度、停机位分配、机场航班调度、泄漏源定位
🌈 机器学习和深度学习时序、回归、分类、聚类和降维
2.1 bp时序、回归预测和分类
2.2 ENS声神经网络时序、回归预测和分类
2.3 SVM/CNN-SVM/LSSVM/RVM支持向量机系列时序、回归预测和分类
2.4 CNN|TCN|GCN卷积神经网络系列时序、回归预测和分类
2.5 ELM/KELM/RELM/DELM极限学习机系列时序、回归预测和分类
2.6 GRU/Bi-GRU/CNN-GRU/CNN-BiGRU门控神经网络时序、回归预测和分类
2.7 ELMAN递归神经网络时序、回归\预测和分类
2.8 LSTM/BiLSTM/CNN-LSTM/CNN-BiLSTM/长短记忆神经网络系列时序、回归预测和分类
2.9 RBF径向基神经网络时序、回归预测和分类
2.10 DBN深度置信网络时序、回归预测和分类
2.11 FNN模糊神经网络时序、回归预测
2.12 RF随机森林时序、回归预测和分类
2.13 BLS宽度学习时序、回归预测和分类
2.14 PNN脉冲神经网络分类
2.15 模糊小波神经网络预测和分类
2.16 时序、回归预测和分类
2.17 时序、回归预测预测和分类
2.18 XGBOOST集成学习时序、回归预测预测和分类
2.19 Transform各类组合时序、回归预测预测和分类
方向涵盖风电预测、光伏预测、电池寿命预测、辐射源识别、交通流预测、负荷预测、股价预测、PM2.5浓度预测、电池健康状态预测、用电量预测、水体光学参数反演、NLOS信号识别、地铁停车精准预测、变压器故障诊断
🌈图像处理方面
图像识别、图像分割、图像检测、图像隐藏、图像配准、图像拼接、图像融合、图像增强、图像压缩感知
🌈 路径规划方面
旅行商问题(TSP)、车辆路径问题(VRP、MVRP、CVRP、VRPTW等)、无人机三维路径规划、无人机协同、无人机编队、机器人路径规划、栅格地图路径规划、多式联运运输问题、 充电车辆路径规划(EVRP)、 双层车辆路径规划(2E-VRP)、 油电混合车辆路径规划、 船舶航迹规划、 全路径规划规划、 仓储巡逻
🌈 无人机应用方面
无人机路径规划、无人机控制、无人机编队、无人机协同、无人机任务分配、无人机安全通信轨迹在线优化、车辆协同无人机路径规划
🌈 通信方面
传感器部署优化、通信协议优化、路由优化、目标定位优化、Dv-Hop定位优化、Leach协议优化、WSN覆盖优化、组播优化、RSSI定位优化、水声通信、通信上传下载分配
🌈 信号处理方面
信号识别、信号加密、信号去噪、信号增强、雷达信号处理、信号水印嵌入提取、肌电信号、脑电信号、信号配时优化、心电信号、DOA估计、编码译码、变分模态分解、管道泄漏、滤波器、数字信号处理+传输+分析+去噪、数字信号调制、误码率、信号估计、DTMF、信号检测
🌈电力系统方面
微电网优化、无功优化、配电网重构、储能配置、有序充电、MPPT优化、家庭用电
🌈 元胞自动机方面
交通流 人群疏散 病毒扩散 晶体生长 金属腐蚀
🌈 雷达方面
卡尔曼滤波跟踪、航迹关联、航迹融合、SOC估计、阵列优化、NLOS识别
🌈 车间调度
零等待流水车间调度问题NWFSP 、 置换流水车间调度问题PFSP、 混合流水车间调度问题HFSP 、零空闲流水车间调度问题NIFSP、分布式置换流水车间调度问题 DPFSP、阻塞流水车间调度问题BFSP
👇
基于ADRC的PMSM仿真模型
701

被折叠的 条评论
为什么被折叠?



