✅作者简介:热爱科研的Matlab仿真开发者,擅长数据处理、建模仿真、程序设计、完整代码获取、论文复现及科研仿真。
🍎 往期回顾关注个人主页:Matlab科研工作室
🍊个人信条:格物致知,完整Matlab代码及仿真咨询内容私信。
🔥 内容介绍
双向无线功率传输(Bidirectional Wireless Power Transfer, BWPT)技术作为一种新兴的能量交互方式,近年来受到了广泛关注。其核心优势在于能够实现能量在发送端和接收端之间灵活地双向流动,极大地拓宽了无线充电技术的应用场景。本文旨在深入探讨双向无线功率传输系统的模型构建,重点分析其关键组成部分、工作原理、模型分类以及影响系统性能的主要因素。通过对不同模型特点的阐述,旨在为BWPT系统的设计、优化及实际应用提供理论基础和技术指导。
引言
随着无线充电技术的快速发展,单向无线功率传输(Unidirectional Wireless Power Transfer, UWPT)已广泛应用于智能手机、可穿戴设备等消费电子产品中。然而,在许多新兴应用场景中,如电动汽车之间、智能电网中的储能单元、机器人协作等,往往需要实现能量的双向流动,即设备不仅能从外部获取能量,还能将自身存储的能量反馈给电网或其它设备。这促使了双向无线功率传输技术的研究与发展。
双向无线功率传输技术的核心在于通过非接触方式实现能量在两个方向上的高效传输。其优点在于能够提高能量利用率、增强系统的灵活性和可靠性。为了更好地理解、设计和优化BWPT系统,构建准确有效的系统模型至关重要。本文将从基本原理出发,详细阐述BWPT系统的模型构成,并探讨不同模型在实际应用中的考量。
1. 双向无线功率传输系统基本原理
双向无线功率传输系统通常基于电磁感应、磁共振或微波传输等原理实现。在双向传输模式下,系统中的发送端和接收端都具备能量发送和接收的能力。这通常通过可逆的功率变换器和耦合机构来实现。
1.1 能量传输路径
在BWPT系统中,能量的传输路径是双向的。当系统工作在“正向传输”模式时,能量从主发送端流向副接收端;当系统工作在“反向传输”模式时,能量从副发送端流向主接收端。这种双向传输的实现依赖于功率变换器和控制策略的灵活性。
1.2 耦合机构
耦合机构是实现无线能量传输的核心。常见的耦合机构包括:
- 感应耦合线圈:
适用于近距离、中等功率传输,通过互感实现能量交换。
- 谐振线圈:
引入谐振机制,能够显著提高传输距离和效率,是目前BWPT研究的热点。
- 微波天线:
适用于远距离、低功率传输,能量通过电磁波辐射。
在BWPT系统中,耦合机构的设计需要考虑其在两个方向上的传输特性,确保双向传输的效率和稳定性。
1.3 功率变换器
功率变换器负责将直流电转换为交流电,或将交流电转换为直流电,并实现电压和电流的调节。在BWPT系统中,功率变换器通常是双向的,即能够支持能量在两个方向上的流动。常见的双向功率变换器包括:
- 双向DC-AC逆变器/整流器:
实现直流电和交流电之间的双向转换。
- 双向DC-DC变换器:
实现直流电不同电压等级之间的双向转换。
这些变换器的设计需要兼顾效率、功率密度、控制复杂性等因素。
2. 双向无线功率传输系统模型分类
双向无线功率传输系统模型可以根据其关注的侧重点、抽象层次和应用场景进行分类。
2.1 电路级模型
电路级模型是BWPT系统最基础的建模方式,主要关注系统的电气参数和拓扑结构。
- 等效电路模型:
将耦合机构、功率变换器等效为集总参数电路元件(如电感、电容、电阻),通过基尔霍夫定律和欧姆定律对系统进行分析。例如,对于磁耦合谐振式无线功率传输系统,可以建立RLC串并联谐振电路模型,并通过互感项描述线圈之间的能量耦合。
- 状态空间模型:
采用状态变量描述系统的动态行为,通过微分方程组表示系统各个变量之间的关系。这种模型适用于分析系统的暂态响应、稳定性以及控制策略的设计。
- Spice模型:
采用专业的电路仿真软件(如PSpice、LTspice)进行建模和仿真,能够详细分析电路中各元件的电压、电流波形,以及系统的效率、损耗等。
电路级模型能够提供详细的电气行为信息,有助于系统参数的优化和故障诊断,但其计算复杂度较高。
2.2 系统级模型
系统级模型更关注BWPT系统的整体性能和控制策略,将各个模块抽象为功能块。
- 框图模型:
通过功能模块和信号流向表示系统结构,例如,可以将功率变换器、耦合机构、控制器等视为独立的模块,并通过输入输出信号连接。这种模型有助于理解系统的整体功能和控制逻辑。
- 控制系统模型:
将BWPT系统视为一个闭环控制系统,通过建立传递函数或状态空间模型来分析系统的稳定性、响应速度和鲁棒性。控制策略的设计(如恒压、恒流控制、最大功率点跟踪等)是系统级模型的关键。
- 效率模型:
专注于分析系统在不同工作条件下的能量损耗和传输效率。这需要综合考虑耦合损耗、变换器损耗、控制器损耗等,并建立相应的数学表达式。
系统级模型有助于从宏观角度理解系统行为,并为控制算法的设计提供指导。
2.3 多物理场耦合模型
双向无线功率传输系统涉及到电磁场、热场、机械场等多个物理场之间的相互作用。
- 电磁场模型:
利用麦克斯韦方程组对耦合机构周围的电磁场分布进行分析,精确计算线圈的互感、自感、涡流损耗等参数。这对于优化耦合机构的设计、提高传输效率至关重要。有限元分析(Finite Element Analysis, FEA)是常用的电磁场建模方法。
- 热模型:
分析系统在工作过程中产生的热量以及温度分布。功率变换器、耦合线圈等在能量传输过程中会产生损耗并转化为热能,过高的温度会影响系统性能和可靠性。热模型有助于散热设计和热管理。
- 机电耦合模型:
在某些应用场景中,如移动设备或机器人,耦合机构可能存在机械位移或振动,这会影响电磁耦合效果。机电耦合模型综合考虑机械运动与电磁参数之间的相互作用。
多物理场耦合模型能够提供更全面的系统行为信息,但其建模和仿真复杂度较高。
3. 影响双向无线功率传输系统性能的因素
BWPT系统的性能受到多种因素的影响,这些因素在模型构建中需要充分考虑。
3.1 耦合距离和对准度
耦合距离和线圈的对准度是影响传输效率和功率的关键因素。随着距离的增加或对准偏差的增大,耦合系数会显著下降,导致传输效率降低,甚至无法正常工作。在模型中,可以通过引入耦合系数函数来描述这些影响。
3.2 谐振频率匹配
对于谐振式无线功率传输系统,发送端和接收端的谐振频率必须精确匹配才能达到最高的传输效率。任何频率偏移都会导致失谐,降低传输性能。模型需要能够反映频率偏移对系统阻抗和功率传输能力的影响。
3.3 负载特性
负载的性质(如阻性、容性、感性)以及负载的变化都会影响系统的输出功率和效率。在BWPT系统中,负载可能是一个储能设备(如电池),其内阻和充电状态会动态变化。模型需要能够适应不同负载条件下的工作模式。
3.4 功率变换器效率
功率变换器本身的损耗(包括开关损耗、导通损耗等)直接影响系统的整体效率。双向变换器在两个方向上都应保持高效率。模型中需要考虑不同变换器拓扑结构及其效率特性。
3.5 控制策略
有效的控制策略是保证BWPT系统稳定、高效、安全运行的关键。例如,最大功率点跟踪(MPPT)控制可以确保系统在各种条件下都能输出最大功率;恒压/恒流控制可以满足不同负载的充电需求;故障保护策略则可以提高系统的可靠性。模型需要能够描述不同控制算法对系统性能的影响。
3.6 环境因素
环境因素,如温度、湿度、周围金属物体等,都可能对BWPT系统的性能产生影响。例如,金属物体可能会引入涡流损耗,降低效率。这些因素在精细化模型中需要加以考虑。
4. 双向无线功率传输系统模型构建方法
在实际应用中,往往需要根据具体需求选择合适的建模方法。
4.1 解析建模
解析建模通过建立数学方程组来描述系统的行为。这种方法适用于对系统有深刻理解,且系统结构相对简单的情况。其优点是能够快速分析系统特性,并提供理论上的指导。
4.2 仿真建模
仿真建模是利用计算机软件对系统进行模拟。常用的仿真工具包括MATLAB/Simulink、ANSYS Maxwell、COMSOL Multiphysics等。仿真建模可以处理复杂的系统,并能够对系统在不同工况下的行为进行详细分析。
4.3 实验建模
实验建模是在实际硬件平台上进行测试和数据采集,然后根据实验数据建立模型或对已有模型进行验证。实验建模能够最真实地反映系统的实际性能,是模型验证的重要手段。
在实际系统设计中,通常会结合以上多种方法,例如,先进行解析建模进行初步设计,再通过仿真建模进行详细分析和优化,最后通过实验建模进行验证。
5. 双向无线功率传输系统模型的应用前景
BWPT系统模型在多个领域具有广阔的应用前景:
- 电动汽车充电:
BWPT系统可以实现电动汽车与电网之间的能量双向流动,支持V2G(Vehicle-to-Grid)和V2V(Vehicle-to-Vehicle)应用,提高电网稳定性,并为电动汽车提供新的商业模式。模型可以用于优化充电桩和车载充电系统的设计。
- 智能电网:
在智能电网中,BWPT可以用于储能单元之间、分布式电源与电网之间的能量交互,提高电网的弹性和可靠性。模型可以用于电网调度和能量管理策略的开发。
- 机器人与自动化:
协作机器人或移动机器人之间可以通过BWPT实现能量共享,延长续航时间,提高工作效率。模型可以用于机器人群体的能量管理和路径规划。
- 医疗设备:
植入式医疗设备可以通过BWPT实现无线充电,减少手术风险,提高患者舒适度。模型可以用于优化医疗设备的小型化和高效率设计。
结论
双向无线功率传输系统模型是理解、设计和优化BWPT技术的基石。本文从基本原理出发,详细阐述了BWPT系统的组成、模型分类及其影响因素。通过电路级、系统级和多物理场耦合模型的分析,以及解析、仿真和实验建模方法的介绍,旨在为BWPT系统的研究与应用提供全面的视角。未来,随着BWPT技术的不断成熟和应用场景的拓展,对更精确、更全面的系统模型的需求将持续增长,这将进一步推动该领域的技术创新和产业发展。
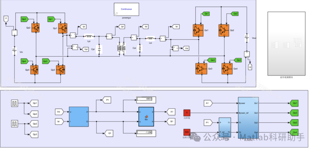
⛳️ 运行结果



🔗 参考文献
[1] 徐健.电场耦合型无线电能传输系统拓扑研究及调谐控制[D].重庆大学,2014.DOI:10.3969/j.issn.1000-6753.2013.11.026.
[2] 吴云亚,阚加荣,谢少军.逆变器无线并联系统的建模与仿真[J].系统仿真学报, 2009(12):6.DOI:CNKI:SUN:XTFZ.0.2009-12-072.
[3] 朱静,杨晓静.不同信道下的超宽带无线通信系统Simulink仿真研究[J].系统仿真学报, 2008, 20(10):5.DOI:JournalArticle/5aec3102c095d710d4fc7fc0.
📣 部分代码
🎈 部分理论引用网络文献,若有侵权联系博主删除
👇 关注我领取海量matlab电子书和数学建模资料
🏆团队擅长辅导定制多种科研领域MATLAB仿真,助力科研梦:
🌈 各类智能优化算法改进及应用
生产调度、经济调度、装配线调度、充电优化、车间调度、发车优化、水库调度、三维装箱、物流选址、货位优化、公交排班优化、充电桩布局优化、车间布局优化、集装箱船配载优化、水泵组合优化、解医疗资源分配优化、设施布局优化、可视域基站和无人机选址优化、背包问题、 风电场布局、时隙分配优化、 最佳分布式发电单元分配、多阶段管道维修、 工厂-中心-需求点三级选址问题、 应急生活物质配送中心选址、 基站选址、 道路灯柱布置、 枢纽节点部署、 输电线路台风监测装置、 集装箱调度、 机组优化、 投资优化组合、云服务器组合优化、 天线线性阵列分布优化、CVRP问题、VRPPD问题、多中心VRP问题、多层网络的VRP问题、多中心多车型的VRP问题、 动态VRP问题、双层车辆路径规划(2E-VRP)、充电车辆路径规划(EVRP)、油电混合车辆路径规划、混合流水车间问题、 订单拆分调度问题、 公交车的调度排班优化问题、航班摆渡车辆调度问题、选址路径规划问题、港口调度、港口岸桥调度、停机位分配、机场航班调度、泄漏源定位
🌈 机器学习和深度学习时序、回归、分类、聚类和降维
2.1 bp时序、回归预测和分类
2.2 ENS声神经网络时序、回归预测和分类
2.3 SVM/CNN-SVM/LSSVM/RVM支持向量机系列时序、回归预测和分类
2.4 CNN|TCN|GCN卷积神经网络系列时序、回归预测和分类
2.5 ELM/KELM/RELM/DELM极限学习机系列时序、回归预测和分类
2.6 GRU/Bi-GRU/CNN-GRU/CNN-BiGRU门控神经网络时序、回归预测和分类
2.7 ELMAN递归神经网络时序、回归\预测和分类
2.8 LSTM/BiLSTM/CNN-LSTM/CNN-BiLSTM/长短记忆神经网络系列时序、回归预测和分类
2.9 RBF径向基神经网络时序、回归预测和分类
2.10 DBN深度置信网络时序、回归预测和分类
2.11 FNN模糊神经网络时序、回归预测
2.12 RF随机森林时序、回归预测和分类
2.13 BLS宽度学习时序、回归预测和分类
2.14 PNN脉冲神经网络分类
2.15 模糊小波神经网络预测和分类
2.16 时序、回归预测和分类
2.17 时序、回归预测预测和分类
2.18 XGBOOST集成学习时序、回归预测预测和分类
2.19 Transform各类组合时序、回归预测预测和分类
方向涵盖风电预测、光伏预测、电池寿命预测、辐射源识别、交通流预测、负荷预测、股价预测、PM2.5浓度预测、电池健康状态预测、用电量预测、水体光学参数反演、NLOS信号识别、地铁停车精准预测、变压器故障诊断
🌈图像处理方面
图像识别、图像分割、图像检测、图像隐藏、图像配准、图像拼接、图像融合、图像增强、图像压缩感知
🌈 路径规划方面
旅行商问题(TSP)、车辆路径问题(VRP、MVRP、CVRP、VRPTW等)、无人机三维路径规划、无人机协同、无人机编队、机器人路径规划、栅格地图路径规划、多式联运运输问题、 充电车辆路径规划(EVRP)、 双层车辆路径规划(2E-VRP)、 油电混合车辆路径规划、 船舶航迹规划、 全路径规划规划、 仓储巡逻
🌈 无人机应用方面
无人机路径规划、无人机控制、无人机编队、无人机协同、无人机任务分配、无人机安全通信轨迹在线优化、车辆协同无人机路径规划
🌈 通信方面
传感器部署优化、通信协议优化、路由优化、目标定位优化、Dv-Hop定位优化、Leach协议优化、WSN覆盖优化、组播优化、RSSI定位优化、水声通信、通信上传下载分配
🌈 信号处理方面
信号识别、信号加密、信号去噪、信号增强、雷达信号处理、信号水印嵌入提取、肌电信号、脑电信号、信号配时优化、心电信号、DOA估计、编码译码、变分模态分解、管道泄漏、滤波器、数字信号处理+传输+分析+去噪、数字信号调制、误码率、信号估计、DTMF、信号检测
🌈电力系统方面
微电网优化、无功优化、配电网重构、储能配置、有序充电、MPPT优化、家庭用电
🌈 元胞自动机方面
交通流 人群疏散 病毒扩散 晶体生长 金属腐蚀
🌈 雷达方面
卡尔曼滤波跟踪、航迹关联、航迹融合、SOC估计、阵列优化、NLOS识别
🌈 车间调度
零等待流水车间调度问题NWFSP 、 置换流水车间调度问题PFSP、 混合流水车间调度问题HFSP 、零空闲流水车间调度问题NIFSP、分布式置换流水车间调度问题 DPFSP、阻塞流水车间调度问题BFSP
👇
829

被折叠的 条评论
为什么被折叠?



