✅作者简介:热爱科研的Matlab仿真开发者,擅长数据处理、建模仿真、程序设计、完整代码获取、论文复现及科研仿真。
🍎 往期回顾关注个人主页:Matlab科研工作室
🍊个人信条:格物致知,完整Matlab代码及仿真咨询内容私信。
🔥 内容介绍
小电流接地系统故障仿真是电力系统研究的重要领域,尤其是中性点不接地和经消弧线圈接地这两种常见接地方式。在我国,35kV 及以下的配电系统多采用小电流接地方式,其在发生单相接地故障时,故障电流较小,且三相线电压仍能保持对称,系统可维持短时运行,这为故障排查和处理争取了时间。但不同的接地方式对系统故障特性和保护策略有显著影响,因此,通过建立准确的仿真模型来研究这两种接地方式下的故障情况,对保障电力系统的安全稳定运行具有重要意义。
小电流接地系统概述
定义与特点
小电流接地系统是指电力系统中性点不接地,或通过消弧线圈、高阻抗接地的三相系统。其核心特征是单相接地故障时,故障电流远小于负荷电流,通常为电容性电流。接地电流由线路对地分布电容形成,数值较小,一般无需立即跳闸,系统可带故障运行 1 - 2 小时,这大大提高了供电可靠性。但长期带故障运行可能导致非故障相绝缘击穿,且故障特征不明显,选线难度较大。
中性点不接地系统
在中性点不接地系统中,正常运行时三相电压对称,中性点电位为零。当发生单相接地故障时,接地点通过线路对地电容形成容性电流通路。此时,故障相对地电压降为零,中性点对地电压升高为正常运行时的相电压,非故障相导线对地电压提高为线电压。接地电流为全系统非故障元件对地电容电流之和,数值相对较小。该系统适用于电容电流较小的架空线路为主的农村电网等场景。
中性点经消弧线圈接地系统
中性点经消弧线圈接地系统通过在中性点与地之间接入消弧线圈,利用电感电流补偿接地电容电流,降低故障点电流,抑制电弧。消弧线圈通常采用过补偿方式,即电感电流略大于电容电流,以避免谐振过电压。故障后系统仍可短时运行,但需及时定位故障。该系统适用于电容电流较大或电缆比例高的城市配电网,可有效提高供电可靠性,减少停电损失,但故障选线难度较大,需采用更复杂的选线算法。
仿真模型构建
仿真工具选择
常用的仿真工具如 MATLAB/Simulink,适用于建立小电流接地系统的稳态与暂态模型。它支持小波分析、零序分量提取等功能,能方便地对系统故障进行模拟和分析。
中性点不接地系统仿真模型
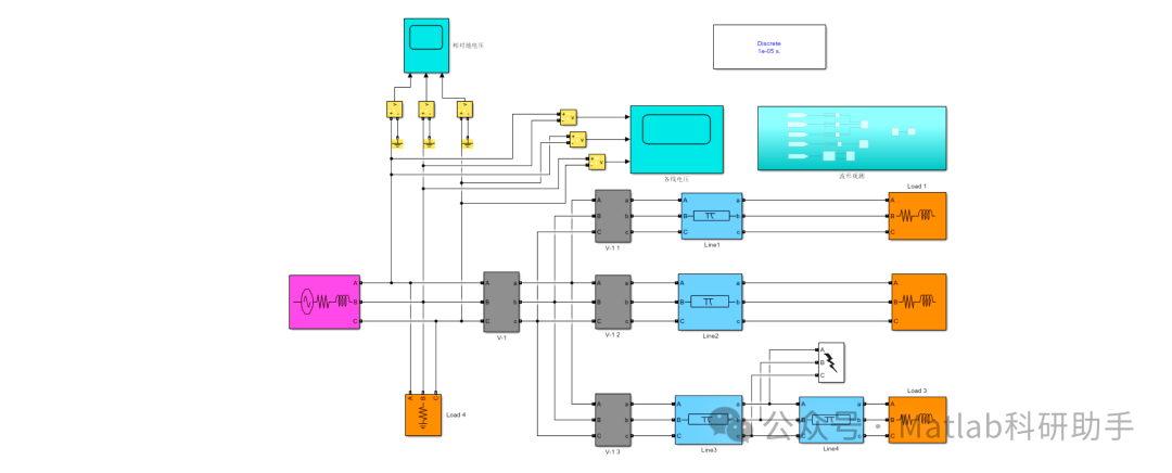
- 系统结构搭建:利用 MATLAB/Simulink 搭建三相输电线路模型,包括电源模块、输电线路模块、负荷模块等。电源模块设置为三相交流电压源,输出额定电压。输电线路采用分布参数模型,考虑线路电阻、电感、电容等参数。负荷模块模拟实际配电网中的各类负载。
- 故障设置模块:在输电线路上设置故障点,可模拟不同位置(如线路首端、中间、末端)的单相接地故障。通过控制开关模块,实现故障的瞬间接入与切除。
- 测量模块:在关键节点(如母线、故障线路始端等)布置电压、电流测量模块,用于采集故障发生前后电气量的变化数据。
中性点经消弧线圈接地系统仿真模型
- 消弧线圈模型添加:在中性点不接地系统仿真模型的基础上,于中性点与地之间接入消弧线圈模块。消弧线圈可采用 RL 串联模型,根据系统参数和补偿要求设置电感 L 和电阻 R 的值。
- 控制与调节模块:为实现消弧线圈的过补偿功能,添加控制与调节模块。该模块根据系统实时运行参数(如故障电流、电压),动态调整消弧线圈的电感值,确保补偿效果。其他部分(如系统结构、故障设置、测量模块)与中性点不接地系统仿真模型类似,但需考虑消弧线圈接入后对系统参数的影响,对部分参数进行适当调整。
仿真参数设置
故障类型
考虑金属性接地(直接短路)、弧光接地(间歇性电弧)、高阻接地(如 1kΩ 以下)等常见故障类型。不同故障类型对系统的影响不同,通过模拟多种故障类型,能更全面地研究系统的故障特性。
持续时间
一般模拟故障持续 1 - 2 小时,同时需重点记录暂态过程,如故障后 40ms 内的电流波形。暂态过程中电气量的变化对故障分析和保护策略制定至关重要。
消弧线圈电感值
需根据补偿方式(过补偿、欠补偿)设置消弧线圈电感值,补偿度通常为 5% - 10%。合理设置消弧线圈电感值能有效补偿接地电容电流,提高系统运行稳定性。
仿真结果分析
中性点不接地系统仿真结果
通过仿真可得到故障线路的电流、电压波形。故障发生时,故障相电流增大,非故障相电流也有一定变化,故障相电压降为零,非故障相电压升高为线电压。基于零序电流幅值或方向的传统选线方法(如比幅法、比相法)在该系统中具有一定有效性。
中性点经消弧线圈接地系统仿真结果
仿真结果显示,消弧线圈接入后,故障点电流明显减小,电弧得到有效抑制。但由于故障特征不明显,传统选线方法准确率较低,需采用多判据融合方法,如零序电流五次谐波比相 + 有功功率法,可提高选线准确率至 90% 以上。
对比分析
对比两种接地方式的仿真结果,中性点不接地系统故障电流相对较大,故障特征较明显,但对绝缘要求较高;中性点经消弧线圈接地系统能有效降低故障电流,提高供电可靠性,但故障选线难度大。在实际应用中,应根据电网的具体情况,如电容电流大小、线路类型等,选择合适的接地方式。
结论
通过对小电流接地系统中性点不接地与经消弧线圈接地两种方式的仿真模型构建与分析,可清晰了解不同接地方式下系统的故障特性。仿真研究为优化保护方案、提高故障选线准确率提供了有力依据,有助于电力系统工程师更好地理解系统运行特点,确保电力系统的安全稳定运行。未来,可进一步研究更精确的故障模型和更有效的选线算法,以提升小电流接地系统的可靠性和智能化水平。
⛳️ 运行结果



🔗 参考文献
[1] 战祥新.基于Matlab的小电流接地系统自动选线仿真研究[D].青岛大学,2006.DOI:10.7666/d.y909408.
[2] 关永刚.小电流接地系统单相接地故障定位算法仿真及硬件实现[D].东北农业大学,2010.DOI:10.7666/d.y1787395.
[3] 刘艳红,张志刚,周洋.MATLAB在小电流接地系统故障选线中的仿真研究[J].电脑与电信, 2010(3):3.DOI:10.3969/j.issn.1008-6609.2010.03.032.
📣 部分代码
🎈 部分理论引用网络文献,若有侵权联系博主删除
👇 关注我领取海量matlab电子书和数学建模资料
🏆团队擅长辅导定制多种科研领域MATLAB仿真,助力科研梦:
🌈 各类智能优化算法改进及应用
生产调度、经济调度、装配线调度、充电优化、车间调度、发车优化、水库调度、三维装箱、物流选址、货位优化、公交排班优化、充电桩布局优化、车间布局优化、集装箱船配载优化、水泵组合优化、解医疗资源分配优化、设施布局优化、可视域基站和无人机选址优化、背包问题、 风电场布局、时隙分配优化、 最佳分布式发电单元分配、多阶段管道维修、 工厂-中心-需求点三级选址问题、 应急生活物质配送中心选址、 基站选址、 道路灯柱布置、 枢纽节点部署、 输电线路台风监测装置、 集装箱调度、 机组优化、 投资优化组合、云服务器组合优化、 天线线性阵列分布优化、CVRP问题、VRPPD问题、多中心VRP问题、多层网络的VRP问题、多中心多车型的VRP问题、 动态VRP问题、双层车辆路径规划(2E-VRP)、充电车辆路径规划(EVRP)、油电混合车辆路径规划、混合流水车间问题、 订单拆分调度问题、 公交车的调度排班优化问题、航班摆渡车辆调度问题、选址路径规划问题、港口调度、港口岸桥调度、停机位分配、机场航班调度、泄漏源定位
🌈 机器学习和深度学习时序、回归、分类、聚类和降维
2.1 bp时序、回归预测和分类
2.2 ENS声神经网络时序、回归预测和分类
2.3 SVM/CNN-SVM/LSSVM/RVM支持向量机系列时序、回归预测和分类
2.4 CNN|TCN|GCN卷积神经网络系列时序、回归预测和分类
2.5 ELM/KELM/RELM/DELM极限学习机系列时序、回归预测和分类
2.6 GRU/Bi-GRU/CNN-GRU/CNN-BiGRU门控神经网络时序、回归预测和分类
2.7 ELMAN递归神经网络时序、回归\预测和分类
2.8 LSTM/BiLSTM/CNN-LSTM/CNN-BiLSTM/长短记忆神经网络系列时序、回归预测和分类
2.9 RBF径向基神经网络时序、回归预测和分类
2.10 DBN深度置信网络时序、回归预测和分类
2.11 FNN模糊神经网络时序、回归预测
2.12 RF随机森林时序、回归预测和分类
2.13 BLS宽度学习时序、回归预测和分类
2.14 PNN脉冲神经网络分类
2.15 模糊小波神经网络预测和分类
2.16 时序、回归预测和分类
2.17 时序、回归预测预测和分类
2.18 XGBOOST集成学习时序、回归预测预测和分类
2.19 Transform各类组合时序、回归预测预测和分类
方向涵盖风电预测、光伏预测、电池寿命预测、辐射源识别、交通流预测、负荷预测、股价预测、PM2.5浓度预测、电池健康状态预测、用电量预测、水体光学参数反演、NLOS信号识别、地铁停车精准预测、变压器故障诊断
🌈图像处理方面
图像识别、图像分割、图像检测、图像隐藏、图像配准、图像拼接、图像融合、图像增强、图像压缩感知
🌈 路径规划方面
旅行商问题(TSP)、车辆路径问题(VRP、MVRP、CVRP、VRPTW等)、无人机三维路径规划、无人机协同、无人机编队、机器人路径规划、栅格地图路径规划、多式联运运输问题、 充电车辆路径规划(EVRP)、 双层车辆路径规划(2E-VRP)、 油电混合车辆路径规划、 船舶航迹规划、 全路径规划规划、 仓储巡逻
🌈 无人机应用方面
无人机路径规划、无人机控制、无人机编队、无人机协同、无人机任务分配、无人机安全通信轨迹在线优化、车辆协同无人机路径规划
🌈 通信方面
传感器部署优化、通信协议优化、路由优化、目标定位优化、Dv-Hop定位优化、Leach协议优化、WSN覆盖优化、组播优化、RSSI定位优化、水声通信、通信上传下载分配
🌈 信号处理方面
信号识别、信号加密、信号去噪、信号增强、雷达信号处理、信号水印嵌入提取、肌电信号、脑电信号、信号配时优化、心电信号、DOA估计、编码译码、变分模态分解、管道泄漏、滤波器、数字信号处理+传输+分析+去噪、数字信号调制、误码率、信号估计、DTMF、信号检测
🌈电力系统方面
微电网优化、无功优化、配电网重构、储能配置、有序充电、MPPT优化、家庭用电
🌈 元胞自动机方面
交通流 人群疏散 病毒扩散 晶体生长 金属腐蚀
🌈 雷达方面
卡尔曼滤波跟踪、航迹关联、航迹融合、SOC估计、阵列优化、NLOS识别
🌈 车间调度
零等待流水车间调度问题NWFSP 、 置换流水车间调度问题PFSP、 混合流水车间调度问题HFSP 、零空闲流水车间调度问题NIFSP、分布式置换流水车间调度问题 DPFSP、阻塞流水车间调度问题BFSP
👇
3588

被折叠的 条评论
为什么被折叠?



