使用独立栅极鳍式场效应晶体管和PTM模型设计低电压低功耗自偏置OTA
摘要
本文设计了一种基于IGFinFET的低功耗、低电压运算跨导放大器。为了实现 OTA的轨到轨输入操作,采用了伪差分对和自偏置技术。本文所采用的新技术 具有体驱动技术在低电压模拟设计中的优势,同时避免了体驱动限制。通过使 用双栅FinFET,其中一个栅极用于调节阈值电压,而输入信号则施加到另一 个栅极。针对IGFinFET的不同栅极配置,研究了最优的 gm和 ro。
IGFinFET电路的功耗低于其互补金属氧化物半导体(CMOS)对应电路,在 模拟和混合信号应用的模拟设计中表现出良好的性能优势。频率补偿采用了需 要更小电容器的DFC方法。HSPICE仿真采用了预测技术模型(PTM)20纳米 IGFinFET。所设计的放大器在单0.5伏特电源下,增益为39.27分贝,相位裕 度为45.05◦,单位增益带宽为8.26兆赫兹,功耗为37.75 µW。
关键词
低功耗, 低电压, IGFinFET, 运算跨导放大器, 双栅极
1. 引言
低压放大器广泛应用于低功耗应用中。为了降低电路的功耗,可以降低电 源电压,并使晶体管工作在亚阈值区。根据国际半导体技术路线图(ITRS), 2026年低功耗应用电路的电源电压发展趋势为0.54伏特。因此,对于短沟道器 件和低电源电压[1],高性能模拟电路的设计将面临挑战。在低电压电路中,无 法通过垂直级联共源共栅器件来提高增益,而应采用水平级联方式以提高增益。
级联会增加电路中的极点数量,因此需要频率补偿以确保稳定性。在低电源电 压下,电源电压全范围被用于信号处理。为了在低电压电路中扩大输入/输出电 压范围[2],,已在互补金属氧化物半导体电路中采用体偏置[3, 4],电平移位、 自举共源共栅和浮栅晶体管技术[5, 6]。对于低于1V的电源电压互补金属氧化 物半导体运算跨导放大器,已使用体驱动技术[7]。为了将输入动态范围扩展至 轨到轨操作,已有研究展示采用体驱动差分输入结构[8]。在[9],中提出了一 种自偏置技术,用于控制共模电平并最大化输出摆幅。差分对中结合体驱动和 直流电平移位器的方法已在[10]中使用,而体驱动技术已在[11]中用于低至 0.25V的电源电压。
近年来,小于45纳米的晶体管尺寸已被广泛使用,而速度饱和、表面散射、 漏致势垒降低(DIBL)、热电子和碰撞电离等问题不可避免,导致泄漏增加 以及栅极对晶体管沟道的控制能力下降[12]。为了克服这些困难,已采用沟道 边缘掺杂(CED)[13],、高介电常数材料[14]以及多栅(FinFET)晶体管 [15, 16, 17]。与CMOS晶体管相比,将鳍式场效应晶体管应用于模拟电路具有 挑战性。鳍式场效应晶体管具有更高的输出电阻、对短沟道效应更好的控制能 力,并且具备与CMOS兼容的制造工艺。然而,寄生电容和串联电阻的增加限 制了鳍式场效应晶体管在高频中的应用。数字系统已全面将鳍式场效应晶体管 应用于电路中[18]。Sev‐
已有多种基于FinFET的模拟应用设计被报道。在[19]中,采用FinFET设计了 一种高转换速率和低建立时间的两级放大器。文献[20]比较了使用CMOS和 FinFET晶体管的低噪声放大器(LNA)。为了提高转换速率,文献[21]采用 基于FinFET的辅助电路设计了运算放大器。这些应用表明FinFET晶体管在低 电压和低功耗应用中具有良好的实用性。本文所采用的新技术是CMOS晶体管 中体驱动技术的改进形式,且克服了体驱动技术的局限性。体驱动技术存在衬 底到漏极和源极结正向偏置的风险。此外,本报告还研究了双栅FinFET在运 算跨导放大器(OTA)设计中的应用。根据栅极结构的不同,FinFET晶体管 可分为多种类型。本设计采用了20纳米独立栅极(IG)FinFET,并基于 PTM模型[22]进行实现。新一代PTM‐MG器件模型已被开发用于早期设计和技 术探索。模型参数文件依据国际半导体技术路线图2011版,针对2012‐2020年 的工艺节点,基于BSIM‐CMG模型开发。这些模型已通过公开发表的结果验证, 在不同工艺和设计条件下表现出优异的可扩展性[23]。IGFinFET具有两个可 施加不同电压的独立栅极,这一特性在低电压、低功耗模拟应用中非常有用。
本文的安排如下。第二节描述了电路设计中使用的鳍式场效应晶体管模型 及方程。第三部分介绍了新设计的运算跨导放大器及其规格。第四节包含仿真 结果和讨论。最后是结论。
2. IGFinFET模型
图1 显示了FinFET晶体管的三维示意图。该晶体管可被视为一种多栅结构。
栅极在三个方向上控制沟道电流,并减少短沟道效应。使用此技术可以制造沟 道长度小于10纳米的FinFET。该晶体管具有3个端子
包括漏极、栅极和源极。由于三维结构,晶体管沟道未被体材料包围,因此泄 漏显著减少。对于FinFET晶体管,其有效沟道宽度为 W= 2hFin+ wFin。
通常会并联制作多个鳍片,因此总晶体管宽度将为W=(2hFin+ wFin) × n。
如果顶部侧栅极被刻蚀掉,共栅极鳍式场效应晶体管将变为独立栅极鳍式 场效应晶体管,或简称为IGFinFET。在这种情况下,每个栅极电压可以分别 控制。图2显示了独立栅极鳍式场效应晶体管的详细结构。当在IGFinFET的栅 极上施加电压时,栅极下方会形成耗尽层,然后形成沟道。
由于窄鳍片宽度,IGFinFET的两个栅极之间存在强烈的静电耦合。换句 话说,如果在一个栅极下方形成了沟道,它将影响另一个栅极的阈值电压。背
栅偏压的作用是改变前栅阈值电压 VThnf 。前栅阈值电压与背栅电压之间的关 系已在(1)[24]中给出:
$$ V_{Thnf} = V_{Thn} - r \times V_{gb} $$ (1)
其中 $ V_{Thn} $ 是晶体管阈值电压, r是栅极耦合系数
$$ r = \frac{3 \times t_{oxf}}{3 \times t_{oxb} + t_{si}} $$ (2)
其中 $ t_{oxf} $ 、 $ t_{oxb} $ 为前后栅氧化层厚度, $ t_{si} $ 为沟道硅厚度。公式(2)表明,
若栅氧化层厚度相等且相对于 $ t_{si} $ 可忽略不计,则 r将为 $ 3 \times t_{oxf}/t_{si} $。因此, 前栅阈值电压会受到背栅电压的影响,其影响系数为 r。该系数越大,背栅效 应对阈值电压的影响越显著。若 r= 1,则前栅极和背栅极对阈值电压的影响 相似。与平面CMOS晶体管的体电压相比,背栅电压对阈值电压的线性效应在 使用IGFinFET晶体管的模拟电路设计中具有优势。该设计采用PTM‐MG或多 栅晶体管模型,该模型基于加州大学伯克利分校开发的专用于多栅器件的 BSIM‐CMG模型。BSIM‐CMG是一种基于表面势的紧凑模型,可用于模拟多 栅结构。如技术文档所述
该模型的手册中,已在模型计算中考虑了量子力学(QM)效应,包括由于量 子限制引起的阈值电压偏移和反型电荷中心[25, 23, 26]。因此,本设计中使用 的多栅模型考虑了短沟道效应和量子力学效应,以获得准确的仿真结果。与体 硅CMOS相比,FinFET晶体管在性能可接受的情况下实现了更小的晶体管长 度。FinFET中的漏致势垒降低(DIBL)和阈值电压变化有所减小。因此, FinFET的总功耗低于单栅体硅CMOS晶体管。图3显示了FinFET的亚阈值斜 率和漏致势垒降低(DIBL)随沟道长度的变化情况。沟道长度更小的器件具 有更高的泄漏和功耗。图4显示,与体硅CMOS晶体管相比,FinFET的阈值电 压对沟道长度变化的依赖性更小。这保证了使用短沟道FinFET时具有更低的 功耗。
3. 提出的OTA电路
对于运算跨导放大器的低压操作,希望将晶体管偏置在亚阈值区。当栅极 电压低于阈值电压时,晶体管电流不为零,并且具有从源极到漏极的晶体管电 流
$$ I_{ds} = \alpha \times \frac{W}{L} \times e^{\left(\frac{V_{GS} - V_{Thnf}}{\beta}\right)} \times (1 - e^{\left(-\frac{q \times V_{DS}}{kT}\right)}) $$ (3)
其中 k为玻尔兹曼常数, T为温度, q为电子电荷, $ V_{DS} $ 为漏源电压, α
和 β为常数参数。IGFinFET的跨导取决于栅极电压及其配置。如果栅极短接, 则方程(1)将变为(4)[24]:
$$ V_{Thnf} = \frac{V_{Thn} - r \times V_{gb}}{1 + r} $$ (4)
这将降低阈值电压,跨导将增加。在其他栅极偏置配置中,跨导会更小。
根据公式(3),晶体管的跨导与 Id成正比。
FinFET晶体管即使具有更小的 $ g_m $,其 $ g_m/g_{ds} $ 大于平面体晶体管。
FinFET本征增益较高是由于更短的晶体管长度[24]导致输出电导较小。在亚阈 值区,输出电阻与 Id成反比,较小的电流会产生更小的输出电导。下一节将 回顾电路细节。
3.1. 伪差分输入级
在低压运算跨导放大器中,轨到轨输入信号配置的设计具有挑战性。此前 报道的大多数技术均基于互补差分
输入对及相关电路需保持 $ g_m $ 在完整的输入信号范围[8]内恒定。图5展示了一 种用于实现轨到轨输入共模范围的常用技术。在此方法中,当输入小于n型场 效应晶体管的阈值电压时,由p型场效应晶体管放大信号,反之亦然。具有图 5所示互补输入级的放大器的最小电源电压范围可用公式(5)[8, 29]描述:
$$ V_{DDmin} = V_{GSnFET} + |V_{GSpFET}| + 2|V_{DSsat}| $$ (5)
其中 $ V_{GSn(p)FET} $ 是输入晶体管的栅源电压, $ V_{DSsat} $ 是漏源过驱电压。
伪差分对如图6(a)所示,与没有电流源的常规差分对类似,仅包含一个输 入级[30]。为了使电流源保持在饱和区,需要最小过驱电压,这会增加最小电 源电压。如果移除电流源,可以降低电源电压,并扩大输入输出范围。在图 6(a)中,由于电流源被移除,晶体管电流和跨导将随输入共模电压变化。为解 决此问题,采用一个
共模前馈(CMFF)补偿电路已被使用(见图6(b))[31]。 M1b、 M1c和 M2b
构成CMFF网络。CMFF电路监测输入信号,并为输入pMOS晶体管生成偏置 电流。该生成的电流以0.5比例镜像,并用于nMOS输入级晶体管。因此,省去 了输入级尾电流源的需求。
3.2. 自偏置技术
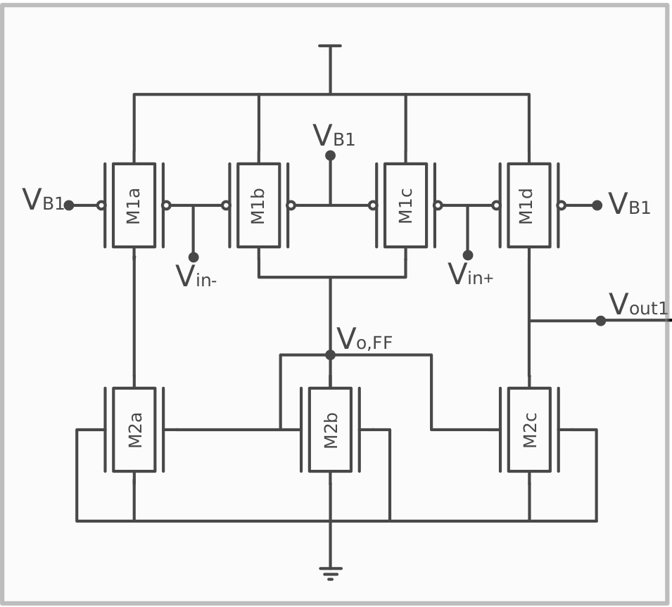
图7展示了使用IGFinFET晶体管且无偏置与补偿网络的三级OTA。第一级 是3.1节中所述的伪差分对。由于采用独立双栅极晶体管,可实现适当的偏置
应为每个晶体管的栅极使用。对于输入级晶体管,信号施加到pFET的背栅, 而前栅连接至偏置电压。如果nFET晶体管的背栅接地,pFET的背栅接电源, 则前栅阈值电压将为其标称值。根据PTM模型列出的典型值,pFET和nFET 晶体管的阈值电压均为0.28 伏特。当信号连接到IGFinFET的背栅时,它将影 响前栅的阈值电压,类似于互补金属氧化物半导体晶体管中的体驱动。
FinFET中第二栅极的一些优点包括:
1. 鳍式场效应晶体管的背栅比互补金属氧化物半导体晶体管中的体区更容 易接触。
2. 在IGFinFET中,前栅极的阈值电压与背栅电压呈线性关系 $ V_{Thnf} \propto V_{gb} $ 而互补金属氧化物半导体则不然 $ V_{Thnf} \propto \sqrt{V_{gb}} $。这在电路设计 中具有优势。
3. 无需使用双阱或三阱技术即可访问所有晶体管体接触(nFET,pFET)。
4. 通过使用背栅偏压,可以轻松改变晶体管的工作模式,以降低电路的功 耗。
OTA的第二级采用有源负载构成共源放大器。该级晶体管无需背栅偏置, 因此pFET和nFET的背栅分别连接到电源和地。输出级必须具有高电阻以提高 放大器增益。由于需要高阻抗,晶体管工作在弱反型区,且晶体管宽长比可保 证弱反型工作所需的偏置条件。
放大器的交流等效电路如图8所示,其中显示了输入、输出和偏置电压。
Gm4跨导模块包含M8晶体管, Gm3模块包含 M7晶体管, Gm2模块包含 M3、 M4、M5和 M6晶体管,Gm1模块包含 M1a、 M1d、 M2a和 M2c晶体
管,CMFF模块包含 M 1b、 M 1c和 M 2b晶体管。直流偏置电压VB1、 VB2、 VB3可利用电压基准及其在图8(a)所示交流等效电路中接地的副本生成。在图 8(b)中这些
偏置电压连接到电路中的多个节点以实现自给直流偏置。 VB1和 VB2连接到 CMFF电路的Vo,FF。 VB3也如图8(b)所示连接到 Vout1。通过 VB1、 VB2和 VB3的节点连接,应证明自偏置电路中这些节点电压具有与独立偏置电路相同 的交流等效。
ACM1 和 ADM1 分别为第一级的共模增益和差分模式增益, ADMFF 和
A CM FF 为CMFF电路的差模和共模增益。在交流模式下, vout1和 vB1可表 示如下:
$$ v_{out1} = A_{DM1} v_{inDM} + A_{CM1} v_{inCM} $$ (6)
$$ v_{B1} = A_{DMFF} v_{inDM} + A_{CMFF} v_{inCM} $$ (7)
其中 $ v_{inDM} = v_{in+} - v_{in-} $ 和 $ v_{inCM} = (v_{in+} + v_{in-})/2 $。通过从公式(7)中 减去公式(6),可以用 vout1和增益来计算 VB1。如果CMFF的设计使得 $ A_{DM1} >> A_{DMFF} $ 和 $ A_{CM1} = A_{CMFF} $,则 VB1将等于:
$$ v_{B1} = v_{out1} - A_{DM1}v_{inDM} $$ (8)
在差分模式下, $ A_{DM1}v_{inDM} = v_{out1} $ 因此,根据公式(8), $ v_{B1} $ 等于零。
类似地, $ v_{B2} $ 连接到 $ v_{B1} $ 并且交流接地。在共模情况下, $ v_{inDM} = 0 $ 因此, $ v_{B1} = v_{B2} = v_{out1} $ 和 $ v_{out1} $ 连接到 M3和 M8的栅极。因此,共模信号施加 到 M3和 M5晶体管的第二级放大器上。由于 $ v_{out2} $ 连接到M7,且 $ v_{out1} $ 连接到 M8,共模信号在最终输出[30]处被抵消。
使用自偏置电路后,公式(5)中的最小电源电压将变为
$ V_{DDmin} = |V_{GSM1}| + |V_{GSM2}| $。通过移除尾电流源,与普通差分对的公式(5)相 比,最小电源电压已降低。
自偏置技术如图9所示。自偏置电路比独立偏置电路消耗更少的功率,并 占用更小的芯片面积。自偏置技术还能消除工艺偏差[30]。
3.3. 频率补偿
对于运算跨导放大器阻尼因子控制(DFC)方法,已用于如图10所示的补
偿。该补偿电路使用两个嵌套密勒电容 $ C_{C1} $ 、 $ C_{C2} $ 和DFC级 $ G_{mC} $ 单元。补偿 电容器通过公式(9)计算。与嵌套密勒方法相比,采用DFC方法可提高放大器带 宽,并且使用的电容器更小。
如果 $ C_{C1} $ 与负载电容相当,则 $ C_{C1} $ 应大于 $ C_{C2} $,以优化 $ C_{C1} $ 和 $ C_{C2} $[32]的尺 寸。
$$ C_{C1} = \frac{2g_{mM1} g_{mMC1} C_L}{g_{mM2} g_{mM7} + g_{mM8} g_{mMC1}} $$ (9)
4. 仿真与讨论
带IGFinFET晶体管及偏置细节的OTA电路原理图如图11所示。 MC1和
MC2构成 $ G_{mC} $ 补偿器。IGFinFET的背栅在运算跨导放大器电路设计中具有 优势。下节将讨论背栅电压对IGFinFET晶体管的 $ g_m $ 和 $ r_o $ 的影响。
4.1. 背栅配置
IGFinFET的背栅可以考虑三种不同的连接方式:短接栅极(SG)、低功 耗(LP)和独立栅极(IG),如图12所示。在SG连接中,两个栅极被短接并 具有相同电压。在IG连接中,栅极相互独立,可以施加不同电压。在LP模式下, 可在背栅上施加反向电压以降低亚阈值漏电流。
用于IGFinFET的一些工艺参数列于表1中。本设计所采用的PTM 20纳米 工艺参数中,氧化层厚度为
$$ r = \frac{3 \times t_{oxf}}{3 \times t_{oxb} + t_{si}} = \frac{3 \times 1.4 \times 10^{-9}}{3 \times 1.4 \times 10^{-9} + 15 \times 10^{-9}} \approx 0.219 $$ (10)
因此,阈值电压将是:
$$ V_{Thnf} = V_{Thn} - r \times V_{gb} = 0.28 - 0.219 \times V_{gb} $$ (11)
如果将该方程代入公式(3),晶体管漏极电流将得到:
$$ I_{ds} = \alpha \times \frac{W}{L} \times e^{\left(\frac{V_{GS} - 0.28 + 0.219 \times V_{gb}}{\beta}\right)} \times (1 - e^{\left(-\frac{q \times V_{DS}}{kT}\right)}) $$ (12)
公式(12)是不同栅极电压下的亚阈值IGFinFET晶体管电流。背栅电压对 阈值电压有影响,其系数小于一。如果在背栅上施加负电压,阈值电压将增加。
| 参数 | 值 |
|---|---|
| 氧化物厚度 $ t_{oxf}, t_{oxb} $ | 1.4 纳米 |
| 阈值电压 $ V_{Thn} $ | 0.28 伏特 |
| 沟道掺杂 $ N_{ch} $ | $ 1.1 \times 10^{16} \text{cm}^{-3} $ |
| 鳍高度 $ h_{Fin} $ | 28 纳米 |
| 体厚度 $ t_{si} $ | 15 纳米 |
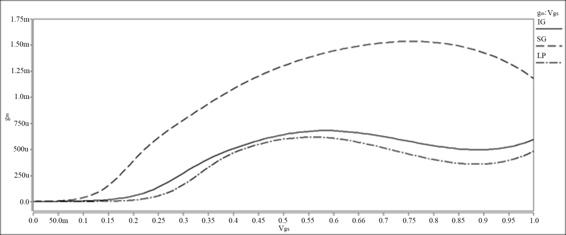
图13和图14显示了一个具有10个鳍的20纳米IGFinFET晶体管的 $ g_m $ 和 $ r_o $。
图13和图14中的曲线清楚地表明,在SG模式下使用IGFinFET将产生最大 的 $ g_m $ ,而在LP模式下使用则会产生最大输出电阻。因此,这些原理已被应用 于OTA的设计中。
以及门连接。在图11的电路中,输入级具有CMFF和自偏置连接;因此,此处 采用了IG连接。CMFF还有助于为放大器输入级提供稳定的 $ g_m $,从而稳定放 大器增益。对于 M2、 M5、 M6、 M7和 M8晶体管,期望具有高输出电阻, 因此采用了LP连接。对于pFET晶体管,背栅连接到电源,nFET背栅连接到地, 以实现LP模式。
4.2. 增益带宽计算
使用小信号分析可得到运算跨导放大器的小信号差分增益 $ A_{DM} $,如公式 (13)所示:
$$ A_{DM} = \frac{v_{out}}{v_{in}} \approx \frac{1}{2}g_{mM1} g_{mM3} g_{mM7}(r_{oM1} || r_{oM2}) \times (r_{oM5} || r_{oM6})(r_{oM7} || r_{oM8}) $$ (13)
如果 Vout1和 Vout2节点中的电容器小于补偿电容,则可以根据公式(14)
计算主极点。
$$ P_1 = -\frac{1}{g_{mM3} g_{mM7}(r_{oM1} || r_{oM2})(r_{oM5} || r_{oM6})} \times \frac{1}{(r_{oM7} || r_{oM8})C_{C1}} $$ (14)
利用主极点,可以计算单位增益带宽 $ f_T $:
$$ f_T = \frac{g_{mM1}}{4\pi C_{C1}} $$ (15)
4.3. 仿真结果
表2显示了用于仿真的晶体管尺寸。在图11中,输入信号具有直流电平,
所有其他偏置电压均在内部生成。为了在OTA输出端驱动3 pF电容并实现 45 ◦ 相位裕度,DFC网络中的补偿电容为 $ C_{C1} = 500\text{fF} $ 和 $ C_{C2} = 24\text{fF} $[32]。输入
并且输出端在任何反馈配置下都容易发生短路。为了比较放大器的性能,考虑 了性能指标(FoM)。FoM1根据速度、负载电容和功耗对运算跨导放大器进 行比较,如公式(16)所述[33]。
$$ FoM1 = 100 \times \frac{f_T \times C_L}{I_{DC}} $$ (16)
其中, $ f_T $ 为单位增益频率, $ C_L $ 为负载电容, $ I_{DC} $ 为电路平均电流。
FoM2还包含工艺阈值电压,体现了高效利用工艺特性、电路的速度和功耗, 如公式(17)[11]所示。
$$ FoM2 = 100 \times \frac{f_T \times C_L}{I_{DC}} \times \frac{V_{Thn} + |V_{Thp}|}{V_{DD}} $$ (17)
其中 $ V_{Thn} $ 和 $ V_{Thp} $ 分别为nFET和pFET晶体管的工艺阈值电压。对于 FoM2,电源电压越接近阈值电压之和,其值越大,这意味着从低功耗、低电 压角度来看性能更优。表3显示了仿真后的电路参数,图15显示了使用 HSPICE仿真的OTA频率响应。
| 晶体管 | L (nm) | $ I_{DC} (\mu A) $ | $ g_m (mA/V) $ | $ g_{ds} (\mu A/V) $ |
|---|---|---|---|---|
| M1a | 60 | 4.245 | 0.144 | 2.651 |
| M1b | 60 | 4.245 | 0.144 | 2.651 |
| M1c | 60 | 4.245 | 0.144 | 2.651 |
| M1d | 60 | 4.245 | 0.144 | 2.651 |
| M2a | 60 | 4.245 | 0.156 | 2.03 |
| M2c | 60 | 4.245 | 0.156 | 2.03 |
| M2b | 30 | 8.489 | 0.313 | 4.052 |
| M3 | 24 | 27.53 | 0.786 | 77.17 |
| M4 | 24 | 27.53 | 0.760 | 78.37 |
| M5 | 24 | 27.53 | 0.786 | 77.17 |
| M6 | 24 | 27.53 | 0.760 | 78.37 |
| M7 | 24 | 2.784 | 0.089 | 8.353 |
| M8 | 24 | 2.784 | 0.089 | 9.682 |
| MC1 | 100 | 68.17 | 0.026 | 0.191 |
| MC2 | 100 | 68.17 | 0.023 | 26.23 |
| 报道的IGFinFET OTA (基于PTM 20nm模型) | 值 |
|---|---|
| 直流增益 | 39.27 dB |
| 单位增益带宽 | 8.26 MHz |
| 转换速率 | 2.3 V/µs |
| THD | 0.14% |
| 相位裕度 | 45.05 ◦ |
| 功耗 | 37.75 µW |
| 输出直流电压 | 0.269 V |
| FoM1 | 32.82 V⁻¹ |
| FoM2 | 36.76 V⁻¹ |
表4展示了使用IGFinFET设计的OTA与此前已制造的低压CMOS放大器报 告的仿真结果比较。结果表明,采用IGFinFET可降低功耗和总谐波失真
放大器。与互补金属氧化物半导体相比,FinFET晶体管在牺牲速度和截止频 率的情况下具有更低的功耗。利用IGFinFET特性,已设计出一款在20纳米 (小于45纳米)技术下性能相当的 FoMs放大器。由于该应用需要更大的带宽, 因此接受45度的相位裕度。
5. 结论
本文设计了一款基于20纳米IGFinFET晶体管的低功耗运算跨导放大器 (OTA)。采用伪差分输入以实现宽输入信号范围。所提出的用于低电压应用 的OTA设计新技术是体驱动技术的一种对应方案,但避免了体驱动限制和结正 向偏置的风险。IGFinFET的双栅特性可根据栅极结构提供高 $ g_m $ 或高输出电 阻。FinFET模拟电路应与使用相同晶体管的现代数字电路集成于同一芯片上。
所设计的OTA在速度和功耗方面表现出与同类电路相当的结果。
互补金属氧化物半导体对应器件。利用自偏置和双栅特性,去除了偏置电路, 使得运算跨导放大器对电源和工艺变化的敏感性降低。采用动态频率补偿对运 算跨导放大器进行补偿,在速度和相位裕度之间实现了良好的折衷。本工作表 明,使用IGFinFET的双栅特性为在同一芯片上与数字电路集成的低电压模拟 基本单元设计提供了显著优势。
基于IGFinFET的低功耗OTA设计
684

被折叠的 条评论
为什么被折叠?



