电机与驱动专题
一、认识电机
(一)、常见电机种类
1、减速直流电机
属于直流电机的一种。直流电机全称直流电动机,将直流电能转换为机械能的电动机。直流电机不分正负电机,通过两极压差实现正反转。
小型减速直流电机可用在玩具小车、电动螺丝刀。
速度越大扭矩越小(原理),加了减速齿轮,增大扭矩。速度换力量。一般扭矩小,就换大电机。//学习了解物理原理及公式
2、有刷电机
有刷电机是一种通过电刷与换向器实现机械换向的直流电机,由定子、转子、电刷及换向器构成。其工作原理基于电磁场相互作用,电刷与换向器配合改变电流方向,使转子绕组在定子磁场中持续旋转,具有启动快、调速范围宽、控制电路简单的特点 。相比于无刷电机,有刷电机技术成熟、运行平稳、控制精度高、成本低、维修方便。
3、无刷电机
用电子控制电流的转换,具体用到霍尔传感器和控制器。缺点是需要额外的控制器,成本高。优点是软摩擦,磨损极小。常用于无人机,速度快。转子是外面的壳。两个优点,一是噪音低,运转顺畅,二是寿命长,低维护成本。无刷直流电机没有了电刷,运转时摩擦力大大减小,运行顺畅,噪音会低许多,这个优点对于模型运行稳定性是一个巨大的支持。少了电刷,无刷直流电机的磨损主要是在轴承上了,从机械角度看,无刷直流电机几乎是一种免维护的电动机了,必要的时候,只需做一些除尘维护即可。
4、步进电机
实现固定角度旋转,一步一步转动。脉冲信号可以精准控制。对定子磁铁通电控制,转的精准,慢。
补充:往复式电机:不是单个的电机,而是由电机驱动组成的机械设备,通过电机驱动与机械设计实现往复运动。
(二)、进一步认识伺服电机、步进电机与编码器
1、伺服电机简介
伺服电机是一种高性能的电动机,伺服电机通常由四个主要部分构成:电动机、传动装置、反馈装置和控制系统。
伺服电机的工作原理基于闭环控制系统。在该系统中,电机驱动负载,反馈装置(如编码器)实时监测电机的位置或速度,并将这些信息反馈给控制系统。这种实时的调整使伺服电机能够实现高速、高精度的运动控制。
2、步进电机简介
步进电机是另一种常用的电动机,其主要特点是能够将电信号转化为角位移。步进电机将每一个输入脉冲转化为一个固定的角度转动,这种特性使得步进电机在需要精确控制位置的应用中尤为受欢迎。
与伺服电机不同,步进电机采用开环控制方式。它通过施加一系列脉冲信号来控制电机转动的角度和速度。由于不需要复杂的反馈系统。
3、编码器简介
编码器是用于测量旋转位置、速度和方向的传感器,常与伺服电机和步进电机配合使用。根据输出信号的种类,编码器可以分为增量编码器和绝对编码器。
编码器的工作原理基于光学或磁性原理。当电机转动时,编码器内部的旋转部分与固定部分之间的相对运动会导致光信号或磁信号的变化,最终转化为电信号。这些电信号传输到控制系统,从而实现对电机的精准控制。
4、伺服电机与步进电机的比较
控制精度:伺服电机的控制精度高于步进电机,适合需要高精度控制的场合。
速度:伺服电机能够实现更高的旋转速度,而步进电机在高速度时容易失步。
响应时间:伺服电机的响应时间较短,这使其能够在负载变化时快速调整。
成本:步进电机的结构简单,成本相对较低,适合预算有限的应用。
负载能力:伺服电机在驱动重负载时表现更好,而步进电机在负载增加时可能丧失步进精度。
5、编码器的作用与应用
对于伺服电机,编码器提供精确的位置反馈,使得电机控制系统能够进行实时调节;
对于步进电机,尽管常采用开环控制,但结合编码器的反馈信号仍可增强系统的稳定性,尤其是在负载变化较大时。
//进一步区分舵机与编码器电机
二、如何实现对直流减速电机的增大驱动、换向、调速
(一)概念
减速电机的特点:通过减速机构实现增大驱动。
H桥作用:实现电机的换向
PWM用于调节电机速度
电机的增大驱动、换向、调速方法:H桥电路+PWM信号
(小车驱动方案,分别操控左右各两路电机)
(二)实现
1、H桥电路
常使用四个MOOS管或者四个三极管实现一个H桥电路
(1)MOS管
N型(N沟道):箭头朝里 VG>VS 导通电流D到S
P型:箭头朝外 VG<VS
虚线增强,实线耗尽型
中间栅极G,线多源极S,剩下漏极D
有的图标会标二极管。MOS管导通电流与二极管导通电流相反
(2)原理及相关概述
上桥臂
负载接电机

VSS内部参考地-7V,VS电源-50V

交叉的接通,实现输出端一高一低的电压差
三、电机驱动
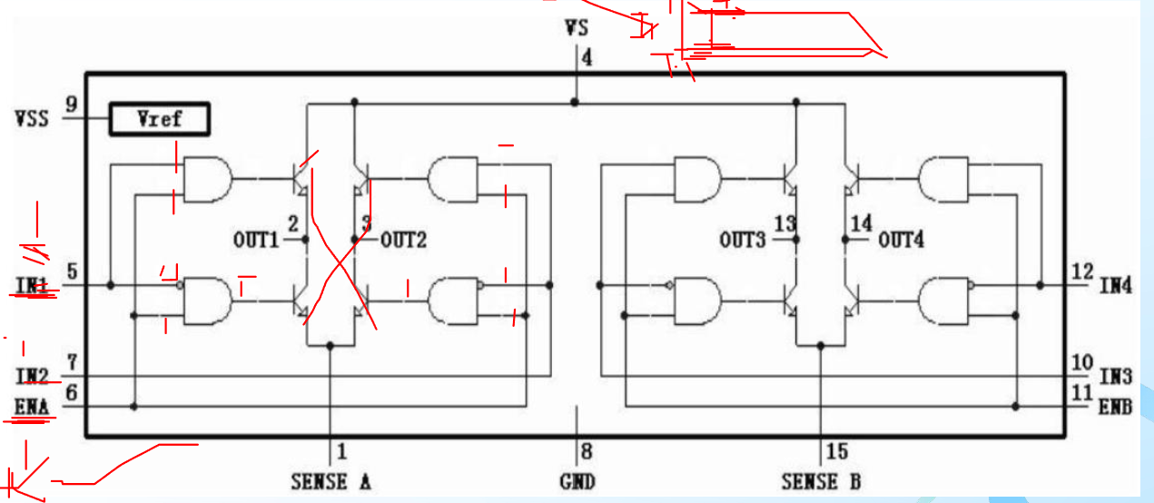
1、L298N

输入引脚,使能引脚
内部用到逻辑门电路//异或门:不同为1,相同为0
两个输入控制两个个输出,同时接VCC与GND。两个输出接负载(电机)两端
VSS缓冲作用,用处不大。主要供电是VCC
一端电机可以并联多个电机。
一个L298N芯片双H桥:4个输入,4个输出。
问题1:VSS与VCC问题,逻辑电路电源电压与电源电压什么意思? Vref什么意思
问题2:什么是TTL
2、rz7899
电动螺丝刀,单个电机驱动
四、驱动板块原理图设计

问题一:左侧的8各二极管起到什么作用?
在51单片机控制的双路电机系统中,左侧的8个二极管(D4、D5、D6、D7、D10、D11、D12、D13,均为1N4007) 核心作用是**“续流保护”** ,专门应对直流电机的感性负载特性,具体原理如下:
一、为什么需要续流二极管?
直流电机的线圈是感性元件:
- 当电机正常运转时,线圈储存磁场能量(电流流过线圈产生磁场);
- 当电机突然停止、换向(正反转切换)或断电时,线圈的磁场能量会瞬间释放,感应出反向高压电动势(“反电动势”)。
如果没有续流二极管,这个反向高压会直接作用在驱动芯片(如L298)或功率管上,击穿器件、导致电路损坏。
二、续流二极管的工作逻辑
这8个二极管以 “反向并联” 的方式连接在电机两端(或L298的输出端),形成 “续流回路”:
- 电机正常工作时:二极管反向截止(相当于开路),不影响电路;
- 反向电动势产生时:二极管正向导通,为反向电流提供低阻抗通道,将反电动势的能量安全泄放(如通过电源或地消耗),避免高压损坏芯片。
三、对电路的具体保护作用
- 保护驱动芯片(L298)
L298内部是H桥电路(双路大功率驱动),每个桥臂的功率管切换时,电机的反电动势可能击穿功率管。续流二极管将反电动势限制在安全范围,保护L298的内部结构。
- 稳定电压,避免干扰
反电动势产生的电压尖峰可能干扰单片机控制信号(如51单片机的IO口),续流二极管可抑制尖峰,提升系统稳定性。
- 适配双路电机的正反转
电路中双路电机(M1-M4)支持正反转,每次换向都会产生反电动势。8个二极管分为两组(每组4个,对应一路电机的正反转续流),确保两路电机独立保护。
四、为什么选1N4007?
1N4007是普通整流二极管,耐压≥1000V、最大电流1A,足以应对直流电机(通常工作电压≤24V、电流≤2A,L298的驱动能力也匹配)的反电动势泄放需求,成本低且实用性强。
简单来说:这8个二极管是电机的“防雷器”,通过“续流”把电机换向/停止时的“高压脾气”驯服,保护驱动芯片和电路安全。如果去掉它们,电机换向时很可能直接烧毁L298!
1N4007是普通整流二极管,耐压≥1000V、最大电流1A,足以应对直流电机(通常工作电压≤24V、电流≤2A,L298的驱动能力也匹配)的反电动势泄放需求,成本低且实用性强。
简单来说:这8个二极管是电机的“防雷器”,通过“续流”把电机换向/停止时的“高压脾气”驯服,保护驱动芯片和电路安全。如果去掉它们,电机换向时很可能直接烧毁L298!
3115






