基于微控制器的可编程智能工业温度控制系统的设计与实现:本科层次方法
摘要
本文中,采用微控制器和温度传感器来智能地控制和监测温度。为了感知温度, 使用了LM35温度传感器,其输出随温度升高呈线性变化。微控制器将设定温度与 实时温度进行比较,并向冷却装置和加热装置发送指令以启动或关闭。硬件验证表 明,温度可维持在390C至410C之间。此外,还使用了一个控制旋钮,可根据应用 需求设置温度,具有可选的调节范围。液晶显示器用于显示设定温度和实时温度。
关键词 : 微控制器; 温度; MicroC; 传感器; 控制
1. 引言
几乎每个工业领域都存在加热和冷却功能,例如纺织厂、制药业、发电站等 [1]。智能温度控制对于工业的平稳运行是一项重要任务。工业的每个部分在生产 时段都有特定的温度要求,需要达到相应的温度 [2]。在 [3] 中指出,在工业中精 确监测和控制温度至关重要。解决这一问题的有效方案是开发数据记录仪。早期通 过使用温度计和压力计手动完成。自1990年以来,数据记录技术取得了新的进展, 人们开始生产基于PC的数据记录系统。一种单芯片嵌入式温度控制器设计被编程 在一个可编程片上系统中:混合阵列逻辑,其内部包含模拟电路、数字电路和数字 通信模块 [4]。紧凑的设计允许用户通过其计算机生成的仪器程序选择任意类型的 控制功能。该设计可直接连接到PC。基于网络的分布式测量与控制结合可编程单 线数字温度传感器DS18B20,采用嵌入式系统作为现场处理单元。通过B/S应用模 式,在 [5] 中嵌入设计了一套远程温度测量与控制系统。在可变温度要求的情况下, 制造操作员还可以选择多种选项来控制温度,并在显示器上显示必要的信息 [6]。
数控应用已在电气工程中用于控制自动系统 [7]‐[8]。微控制器也可用于平滑控制灯 光 [9]‐[10]。
本文采用PIC 16F876A微控制器为铸造过程设计温度控制系统。为了选择合 适的温度,使用带LM35传感器的可变电阻[11] 。本文内容安排如下:概念部分
2. 温度控制技术概念
为了提高工业生产,平稳的温度控制是关键功能。不同行业对于特定作用都有 其特定温度需求。传统上,使用工业温度测量仪器温度计来测量温度。在观察温度 读数后,操作员手动控制温度。有时由于对冷却装置和加热装置进行耗时的人工操 作控制,导致控制不准确。因此,温度控制效率降低,工业生产受到阻碍。此外, 恒温器虽可用于设定温度,但由于连续使用导致金属腐蚀和金属强度降低,因而效 率不高。结果,由于模拟系统是机械设计的温度控制装置,失去了其自身的线性功 能。
使用产生随升高的温度呈线性电压信号的温度传感器LM35之间的接口和具有 毫秒级响应的微控制器,可以更高效地控制温度。微控制器接收来自温度传感器的 信号,并与预设温度值进行比较,然后做出决策,确定何时开启加热装置或冷却装 置,以及系统中维持温度的时间。
控制整体加热和冷却系统的伪代码可以编写如下: 当设定温度 >实时温度时,加热元素 = 1 (设定温度 + 1摄氏度),
冷却元素 = 0持续1分钟;当设定温度 <实时温度时,冷却元素 = 1
(实时温度 – 1 摄氏度),加热元素 = 0持续1分钟
当系统中发现意外或过高的温度时,蜂鸣器将开启,这可能会损害工业。图1 显示了整个系统的框图。
3. 温度测量精度
LM35系列温度传感器由国家半导体公司制造,可在‐55°C至150°C的温度范围 内工作。这些传感器无需外围校准,其输出电压与温度成正比。温度到电压转换的 比例因子为每摄氏度10毫伏。LM35系列传感器提供多种封装形式。测量负温度 (低于0°C)需要使用负电压源。然而,本项目不使用负电压源,因此仅适用于确 定高于0°C(最高至100°C)的温度。传感器输出的电压通过PIC16F587A的内部模 数转换器转换为10位数字量。由于模数转换器测量的电压范围为0到1.0伏,为了获 得更高的精度,模数转换需要一个较低参考电压(而不是电源电压Vdd = 5V)。较 低参考电压可通过稳压二极管、电阻网络或有时仅通过简单的二极管来提供。图2 显示了在电源电压两端串联两个二极管和一个电阻器以产生约1.2V参考电压的近似 方法。
参考电压Vref为1.196V,10位模数转换器将0到1023之间的输入电压进行映射。模数转 换器的分辨率可以表示为
$$
1.196 / 1024 = 0.001168 \, (\text{V/count})
$$
(1)
例如,当环境温度为26.4°C时,传感器输出为264毫伏(0.264伏)。模数转换器的输出 为0.264 / 0.001168 ≈ 226。
$$
0.00168(\text{V/count}) = 26.4 \times 0.01(\text{V/°C})
$$
(2)
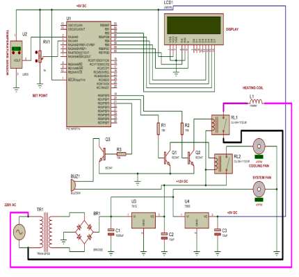
4. 温度控制电路设计
使用电源变压器(TR1)将220V交流电源降压至18伏特。变压器(TR1)连接桥式整流 器(BR1)以产生脉冲设定
直流电,其中使用电容器(C1)来产生平滑的直流电。加热线圈(L1)通过继电器 (RL1)直接连接到电源,当继电器“开”时,加热器将产生热量。图3显示了工业 温度控制系统 的完整电路图。
使用7412和7405两个电压调节器为电路的不同部分提供固定直流电压,其中 U3(7412)提供12伏特,U4(7405)提供5伏特。此外,电容器C2和C3用于滤除 输出信号中的任何振荡,以确保所提供的直流电压稳定。
蜂鸣器(BUZ1)连接来自U3的12V直流电源,继电器RL1和RL2也连接来自继 电器RL1和RL2的12V直流电源。显示器(LCD1)、微控制器(U1)、设定点( RV1)和温度传感器(U3)连接5V直流电源。在温度控制器中有两个风扇,一个 是系统风扇或循环风扇,另一个是冷却风扇,如图3所示。系统风扇直接连接18伏 特,冷却风扇连接RL2。当电源接通时,系统风扇开启,而冷却风扇由继电器( RL2)控制。微控制器直接连接传感器(U2)、设定点(RV1)和显示器(LC D1)。微控制器还通过开关装置(双极型晶体管)和电阻器连接蜂鸣器(BUZ1)、 继电器(RL1)和继电器(RL2)。晶体管(Q1、Q2和Q3)的共发射极配置作为 开关装置工作。图4显示了安装所有必要设备的印刷电路板。
5. 结果与讨论
使用MicroC来编译微控制器的C语言代码。在硬件验证过程中,通过使用 LM35传感器和标准工业温度计进行常规测试来进行温度测量,如图5所示。在控温 测试中,将实验温度控制电路的设定温度设为40°C。通过调节控制旋钮,将温度设 定为40°C,该温度需要在环境中保持,也称为设定温度。LM35传感器将对应温度 的电压信号发送给微控制器,微控制器将其与设定温度进行比较。当设定温度高于 实时温度时,加热器开启,冷却风扇关闭;当设定温度低于实时温度时,加热器关 闭,冷却风扇开启。表1显示了温度测量结果以及加热和冷却元件的相应状态。
| 时间 | 温度使用 LM35 (°C) | 冷却元件状态 | 加热元件状态 |
|---|---|---|---|
| 下午2:10 | 25.8 | OFF | ON |
| 下午2:15 | 30.6 | OFF | ON |
| 下午2:25 | 41 | ON | OFF |
| 下午2:50 | 39 | OFF | ON |
| 下午2:56 | 41 | ON | OFF |
| 下午3:10 | 39 | OFF | ON |
| 下午3:15 | 41 | ON | OFF |
| 下午3:25 | 39 | OFF | ON |
| 下午3:40 | 41 | ON | OFF |
| 下午3:51 | 39 | OFF | ON |
| 下午3:55 | 41 | ON | OFF |
| 下午3:59 | 39 | OFF | ON |
为了分别打开和关闭加热器及冷却风扇,微控制器将输出电压传递给共发射极 配置晶体管的基极,从而使晶体管导通电流,开启加热器或冷却风扇。由于系统中 选择维持的设定温度为40 ±1 °C,图6显示温度持续保持在39°C至41°C之间。
相反,当微控制器输出零电压时,晶体管被关闭,加热器或冷却风扇随之关闭。
由于加热器线圈和冷却风扇需要通过大电流,因此使用继电器作为开关,并连接到 开关晶体管的集电极。可根据工业需求设定所需的温度范围。通过可变电阻来选择 微控制器的最大和最小响应时间。蜂鸣器用作声音报警。
6. 结论
本文设计了一种基于微控制器的温度测量与控制系统,该系统包含一些基本元 素,并使用MicroC编写了少量控制代码。该系统通过LM35温度传感器进行温度测 量,并将其结果与标准工业温度计的数值进行比较,偏差可忽略不计。同时,该系 统能够保持实验室温度处于恒定水平。硬件验证表明,温度可维持在39°C至41°C之 间,并在液晶显示器上显示。此外,还使用了一个控制旋钮,可根据应用需求设置 温度,具有多种选择范围。对于远程区域应用中的精确温度控制,仍需进一步研究。

被折叠的 条评论
为什么被折叠?



