FPGA教程系列-Vivado Aurora 8B/10B 例程解读


1. 核心支撑层 (最重要,以后要抄作业的部分)
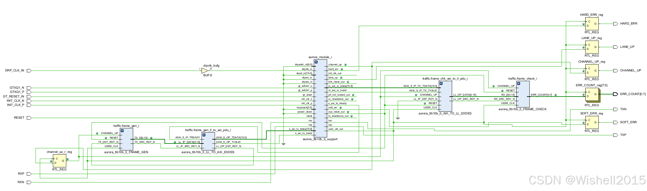
对应层级: aurora_module_i : aurora_8b10b_0_support
这是整个工程的心脏。如果你要在自己的项目里使用 Aurora,不要直接例化那个 .xci 文件,而是建议把这个 support 模块作为一个整体移植过去。
-
aurora_8b10b_0_i (xci) :这是在 GUI 界面配置生成的 IP 核本体(黑盒子)。它负责协议层的编解码、8B/10B 转换等。
-
clock_module_i:非常关键。它负责把 GT 输出的时钟(tx_out_clk)通过 BUFG 缓冲,生成
user_clk 和sync_clk。如果自己手动例化 IP,很容易把时钟搞错,用这个模块能省很多事。
-
gt_common_support:这里面包含了
GT_COMMON 原语(也就是 QPLL)。还记得在 “Shared Logic” 那一页选了 “Example Design” 吗?所以这个公共逻辑出现在了这里,而不是在 .xci 里面。
-
support_reset_logic_i:GT 的复位序列非常复杂(要先复位 PLL,等锁定了再复位 TX/RX,还要处理去抖)。这个模块帮你把这些麻烦事全干了。
2. 流量产生与测试层 (测试用,以后要替换的部分)
对应层级: traffic... 开头的模块
这部分逻辑就是为了演示 IP 核是活的。在正式开发时,这部分要被删除,替换成自己的数据源(比如 ADC 数据、视频流等)。
-
traffic.frame_gen_i (高亮选中的部分):产生伪随机数(LFSR),使用的是旧版的 LocalLink 接口(SRC_RDY / DST_RDY)。
-
traffic.frame_gen_ll_to_axi_pdu_i:适配器。因为
frame_gen 用的是旧接口,而 Aurora IP 用的是新接口(AXI4-Stream),所以 Xilinx 加了这个模块把 LocalLink 信号转换成 AXI 信号 (tvalid,tdata,tlast)。 -
traffic.frame_check_i:接收端的检查器。它在收到数据后,用同样的算法算一遍,看收到的数对不对。如果不对,它会报错(通常连接到板子上的 LED 灯)。
3. 调试与仿真层
对应层级: vio, ila, Simulation Sources
-
VIO / ILA:
vio (Virtual IO):电脑上通过 Vivado 面板控制复位、查看channel_up状态。
ila(Integrated Logic Analyzer):内置逻辑分析仪,用来抓取波形。 -
Simulation Sources (
aurora_8b10b_0_TB ) :仿真文件 (Testbench)。实例化了 两个
exdes (example_design_1_i 和_2_i)。仿真环境模拟了 两块板子互联 的场景。板子 A 发给板子 B,板子 B 发给板子 A,形成一个闭环测试。

对应了各个文件,在这里例子里其实有点冗余的设计,traffic.frame_gen_ll_to_axi_pdu_i文件只是一个接口转换的功能,现在大部分都是AXI接口,没有必要进行这个转换,以后使用的时候可能也用不到,所以。。。后续的工作就把这部分替换掉,那么就得引入什么是AXI。稍后再学习,这部分留下一个问题。
整个例子是在做一个回环实验。如下图所示:
数据生成模块
完整代码就不再粘贴了,生成的官方例子里都有,逐个拆解,看一下内部:
主要功能是产生伪随机数据帧,用于测试 Aurora 通信链路的连通性和稳定性。通过一个简单的流量生成机制,在链路建立后向发送端接口发送数据。
1. 模块接口 (Interface)
该模块连接了两个主要接口:
用户接口 (User Interface / LocalLink 风格):
-
TX_D [0:15]: 发送的数据总线(16位)。 -
TX_SRC_RDY_N: 源端就绪信号(低电平有效)。表示TX_D上的数据有效。 -
TX_DST_RDY_N: 目的端就绪信号(低电平有效)。这是输入信号,表示下游(Aurora Core)是否准备好接收数据。
系统接口 (System Interface):
-
USER_CLK: 用户时钟,所有逻辑以此为基准。 -
RESET: 复位信号。 -
CHANNEL_UP: 链路状态信号,高电平表示 Aurora 通道已建立并准备好工作。
接口对比:
映射表
| 功能 | Verilog 代码信号 (LocalLink) | 图片接口信号 (AXI4-Stream) | 备注 |
|---|---|---|---|
| 发送数据 | TX_D | s_axi_tx_data | 方向一致 |
| 数据有效 | TX_SRC_RDY_N | s_axi_tx_tvalid | 极性相反 (0有效 vs 1有效) |
| 接收准备好 | TX_DST_RDY_N | s_axi_tx_tready | 极性相反 (0有效 vs 1有效) |
| 时钟 | USER_CLK | user_clk | - |
| 复位 | RESET | reset | - |
2. 核心逻辑分析
代码逻辑可以分为三个主要部分:通道延迟启动、复位控制、数据生成(LFSR)。
A. 通道延迟启动 (Channel Up Delay Counter)
always @ (posedge USER_CLK)
begin
if(RESET)
channel_up_cnt <= `DLY 5'd0;
else if(CHANNEL_UP)
if(&channel_up_cnt) // 如果计数器全为1 (即等于31)
channel_up_cnt <= `DLY channel_up_cnt; // 保持最大值
else
channel_up_cnt <= `DLY channel_up_cnt + 1'b1; // 计数+1
else
channel_up_cnt <= `DLY 5'd0; // 如果Channel断开,重置计数器
end
这是一个 5 位的饱和计数器。当 CHANNEL_UP 信号拉高(链路建立)后,模块不会立即发送数据,而是等待 channel_up_cnt 计数满(31个时钟周期)。提供了一个“热身”或“稳定”时间,确保链路真正稳定后再开始数据传输。dly_data_xfer 信号在计数器满时变高。
B. 内部复位逻辑 (Internal Reset Generation)
assign reset_c = RESET || !dly_data_xfer;
生成内部控制用的复位信号 reset_c。只要外部 RESET 有效,或者 延迟计数器还没数满(即 dly_data_xfer 为低),数据生成逻辑就一直处于复位状态。这意味着只有在链路建立并稳定约 32 个周期后,数据生成才会开始。
C. 数据生成与流控 (LFSR Data Generation & Flow Control)
这是模块的核心部分,使用线性反馈移位寄存器 (LFSR) 生成伪随机数。
always @(posedge USER_CLK)
if(reset_c)
begin
data_lfsr_r <= `DLY 16'hABCD; // 初始种子 (Seed)
TX_SRC_RDY_N <= `DLY 1'b1; // 复位时,源端未就绪 (高电平)
end
else if(!TX_DST_RDY_N) // 只有当目的端 (Aurora Core) 准备好接收时
begin
// XNOR 反馈逻辑,生成下一个伪随机数
data_lfsr_r <= `DLY {!{data_lfsr_r[3]^data_lfsr_r[12]^data_lfsr_r[14]^data_lfsr_r[15]},
data_lfsr_r[0:14]};
TX_SRC_RDY_N <= `DLY 1'b0; // 拉低信号,表示正在发送有效数据
end
LFSR 算法:使用了 XNOR 反馈。新的最高位(bit 0)由 !(bit3 ^ bit12 ^ bit14 ^ bit15) 计算得出,其余位右移(data_lfsr_r[0:14] 移到低位)。这种特定的抽头(Taps)选择用于生成具有特定周期长度的伪随机序列。
握手协议 (Handshake) :
- 遵循 LocalLink/AXI-Stream 风格的反压机制。
-
if(!TX_DST_RDY_N) 判断极其重要:只有当下游设备准备好接收时,LFSR 才会更新数值。如果下游忙 (TX_DST_RDY_N 为高),data_lfsr_r 保持不变,TX_D数据保持在总线上等待,直到下游读走。
TX_SRC_RDY_N:只要不在复位状态,它就被拉低(有效),意味着这个模块是一个“始终有数据要发”的贪婪发生器 (greedy generator),只要对方敢收,我就敢发。
数据接收
aurora_8b10b_0_FRAME_CHECK:主要功能是接收数据并进行校验。它在接收端(RX)运行与发送端(TX)完全相同的伪随机数生成算法(LFSR),将计算出的“期望数据”与实际接收到的数据进行比对。如果两者不一致,就增加错误计数器。
1. 与 AXI4-Stream 接口图的对应关系
| 模块信号 (LocalLink) | 极性/方向 | 图片接口信号 (AXI4-Stream) | 说明 |
|---|---|---|---|
RX_D | Input | m_axi_rx_tdata | 接收到的数据。数据从 IP 核流向此模块。 |
RX_SRC_RDY_N | Input (低有效) | m_axi_rx_tvalid | 表示 IP 核输出了有效数据。代码中通过 !RX_SRC_RDY_N 转换为高有效。 |
| (无) | - | m_axi_rx_tready | 注意:此模块没有输出流控信号。这意味着它假设自己永远能跟上接收速度(Always Ready),或者测试逻辑通过忽略流控来简化设计。 |
USER_CLK | Input | user_clk | 同步时钟。 |
RESET | Input | reset | 复位信号。 |
2. 核心逻辑详细分析
该模块的代码逻辑可以分为四个主要阶段:输入打拍(Pipeline)、预期数据生成、比对检查、错误计数。
A. 输入打拍 (Slack Registers)
always @ (posedge USER_CLK)
begin
RX_D_SLACK <= `DLY RX_D;
RX_SRC_RDY_N_SLACK <= `DLY RX_SRC_RDY_N;
end
assign data_valid_c = !RX_SRC_RDY_N_SLACK;
为了改善时序(Timing Closure),代码没有直接使用输入端口的信号进行逻辑运算,而是先用寄存器(_SLACK)锁存了一拍。
data_valid_c:将低电平有效的 Ready 信号转换为高电平有效的 Valid 信号,表示当前 RX_D_SLACK 中的数据是有效的。
B. 预期数据生成 (LFSR)
always @(posedge USER_CLK)
if(reset_c)
data_lfsr_r <= `DLY 16'hD5E6; // 初始种子
else if(CHANNEL_UP)
begin
if(data_valid_c) // 每收到一个有效数据,LFSR 就推演一次
data_lfsr_r <= `DLY {!{data_lfsr_r[3]^data_lfsr_r[12]^data_lfsr_r[14]^data_lfsr_r[15]},
data_lfsr_r[0:14]};
end
这与 FRAME_GEN 模块使用的是完全相同的 XNOR 反馈多项式。
同步机制:只有当 data_valid_c 为高(即真的收到数据)时,LFSR 才会更新到下一个状态。这保证了 checker 产生的序列速度与 incoming 数据流的速度完全一致。
C. 错误检测 (Error Detection)
assign data_err_detected_c = (data_valid_c && (RX_D_SLACK != data_lfsr_concat_w));
逻辑:如果当前数据有效(data_valid_c 为 1),并且 接收到的数据(RX_D_SLACK)不等于 本地计算的预期数据(data_lfsr_concat_w),则判定为误码。
D. 错误计数器 (Error Counter)
always @(posedge USER_CLK)
// ...
if(&err_count_r) // 如果计数器满 (所有位为1)
err_count_r <= `DLY err_count_r; // 保持最大值 (饱和计数)
else if(data_err_detected_r)
err_count_r <= `DLY err_count_r + 1; // 发现错误,计数+1
饱和机制:计数器增加到最大值(511, 9位全1)后就会停止增加。这防止了计数器溢出回绕成0,那样会误导测试人员以为没有错误。
输出:assign ERR_COUNT = err_count_r[1:8];
- 模块输出的是计数器的低 8 位。配合饱和逻辑,如果外部读到 255 (0xFF),通常意味着错误已经“爆表”了。
仿真

说明正常了。
例子的仿真与解读就先到这里,其实有个小问题,gen和check的随机种子并不一致,暂时不清楚为什么这样,猜测可能是时序上的原因。后续补充这部分。
7485

被折叠的 条评论
为什么被折叠?



