1创建工程,选择对应芯片,此处略过。开发软件版本为6.4.0
2.配置参数
RCC配置:

UART配置

左侧选择usart1 , 右侧会自动出现pin脚,我用的stm32f10x系列,串口的是PA9,PA10,在mode下,选择异步,
串口通信参数可配置成通用的:
终端配置:
其他的默认参数就行。
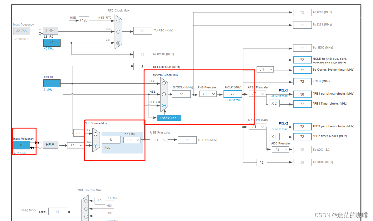
时钟配置,主要下面红框里的数据。

工程配置:注意导出的工程文件格式,我这边是keil5的。


最后:generate。
导出工程后,可以直接打开工程。
下面说下导出的代码的几个注意点:
1.
注意下方几个文件,注意在这几个文件中修改。

2 main.c
工程已经替你做好了各种的初始化,时钟初始,管脚初始化,中断初始化,中断使能。

3.uasrt.c
这里面是初始化的一些实现代码。基本不用改动


4 stm32f1xx_hal_uart.c
stm32f1xx_hal_uart.h
这两个文件中,实现了底层的寄存器调用和要使用的api,接收发送的,中断接收发送的等等。

5 简单实现一个串口收发的例子,功能:开机打印一个欢迎字符串,接收数据 , 数据+1 ,再串口发送出去。通过中断接收数据,再通过回调函数实现收发。
实现就是下发红框里的代码。
通过HAL_UART_Transmit发送数据,
通过HAL_UART_Receive_IT实现中断接收。

HAL_UART_Receive_IT这个接口里触发中断响应函数
中断响应函数里调用

UART_Receive_IT接口里调用到回调函数

最开始,工程刚导出的时候回调函数是空的在,是需要我们自己实现逻辑的,我的实现上图所示。

到此为止,一个通过stm32cubemx和keil5来实现的串口通信工程就完成了。
总结下,就是stm32cube当我们配置好参数导出时候,90%的工作已经做好了;剩下的需要我们自己完成的就是通过已经封装好的API,实现自己的逻辑即可。
本文详细介绍了使用STM32CubeMX配置STM32F10x系列的串口通信,包括RCC、UART设置,时钟配置,工程导出及关键代码实现。重点讲解了如何利用预封装的API实现自定义逻辑,如发送欢迎消息和数据处理。
3945

被折叠的 条评论
为什么被折叠?



