特性
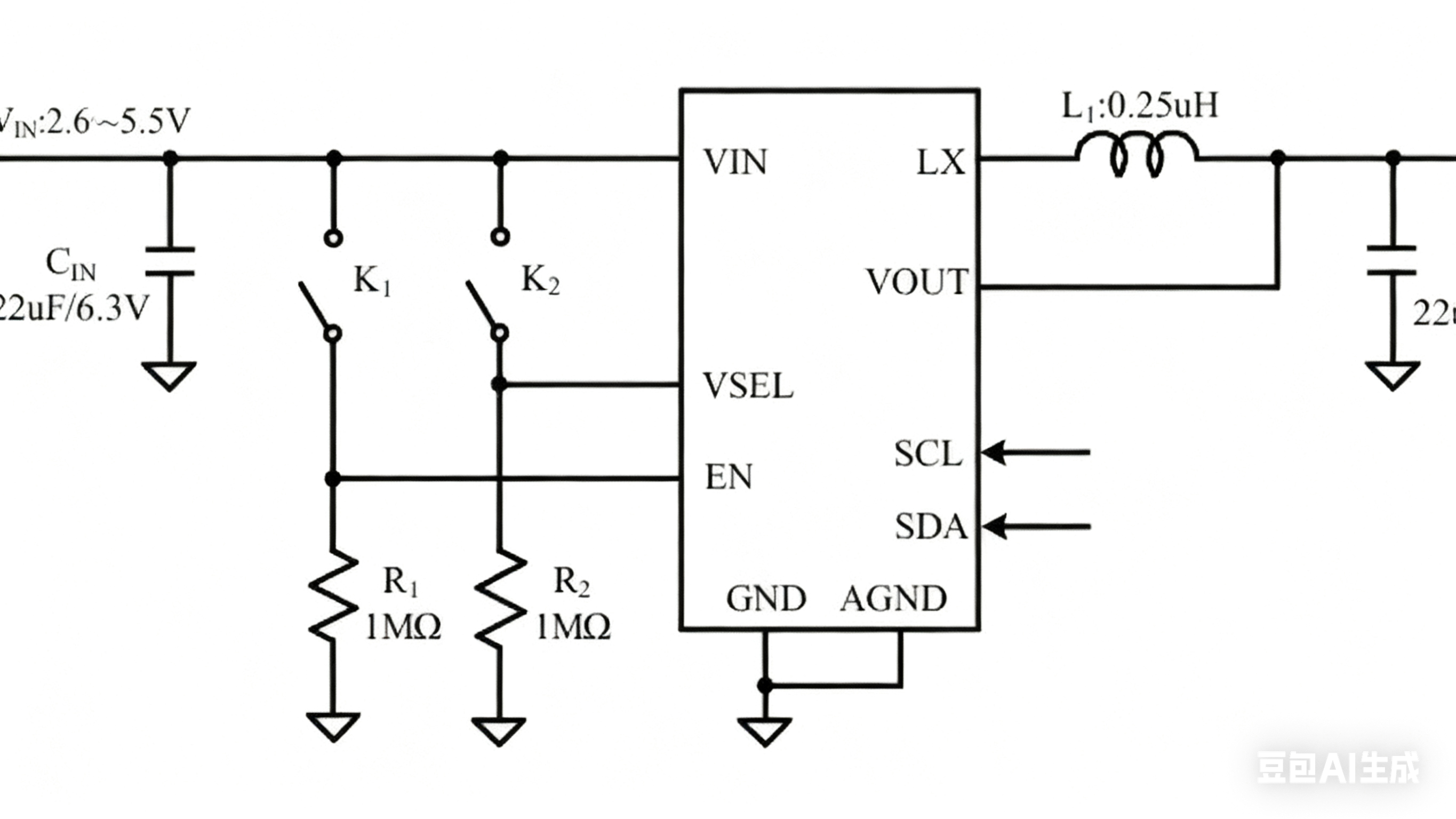
- 输入电压范围:2.6V 至 5.5V
- 2.4MHz 的开关频率可减小外部元件
- 典型 65μA 静态电流
- 内部开关(PFET/NFET)的低 RDS(ON):28mΩ/17mΩ
- 可编程输出电压:0.7125V 至 1.5V,步进为 12.5mV
- 6A 连续输出电流能力
- 支持 0.25μH 电感器和 22μF 陶瓷电容器
- 符合 RoHS 标准且无卤素
- 小巧封装:CSP1.56*1.96-20


217
118

被折叠的 条评论
为什么被折叠?