文章目录
前言
- 需要下载安装OpenCV工具包的朋友,请前往 此处 ;
- 系统要求:Windows系统,LabVIEW>=2018,兼容32位和64位。
stitching 模块
stitching 模块是OpenCV中用于图像拼接的一个核心模块。
该功能主要通过Stitcher类实现,该类封装了图像拼接的各个步骤,包括特征点检测、特征匹配、图像配准、图像投影和融合等。detail子目录下包含两个辅助类:Blender(搅拌器)、WarperCreator(整经机),用于调参。

图像缝合
使用相机拍摄同一场景、不同角度的多张照片,注意照片之间要有足够的重叠区域,以供特征匹配。
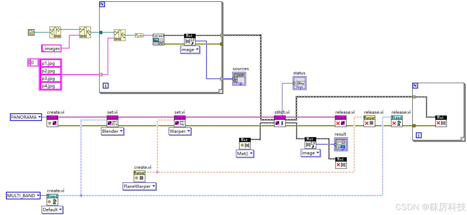
下面使用 Stitcher 类,辅以 Blender 和 WarperCreator,实现照片缝合。
- 插入一个 Stitcher 类的 create 函数,mode 参数设为 PANORAMA ,即全景模式;
- 插入一个 Stitcher 类的 set 函数,切换模式到 “Blender”,准备设置 “搅拌器”;
- 插入一个 Blender 类的 create 函数,切换模式到 “default”,type 设为 MULTI_BAND,输入到上述set函数;
- 插入一个 Stitcher 类的 set 函数,切换模式到 “Warper”,准备设置 “整经机”;
- 插入一个 WarperCreator 类的 create 函数,选择一种模式,比如 “PlaneWarper”,输入到上述set函数;
- 插入一个 Stitcher 类的 stitch 函数,同时读取多张图片组成 Mat 数组,输入到 stitch 函数进行缝合;
- stitch 返回状态值 status ,当status=OK时,代表缝合成功;其它状态值代表不同的错误;
- 最后使用各自的 release 函数,将所有对象释放。
参考范例:examples/Molitec/OpenCV/stitching/stitching_1.vi


总结
- 本系列博文作为LabVIEW工具包—OpenCV的教程,将以专栏的形式陆续发布和更新。
- 对工具包感兴趣的朋友,欢迎下载试用:秣厉科技 - LabVIEW工具包 - OpenCV
- 各位看官有什么想法、建议、吐槽、批评,或新奇的需求,也欢迎留言讨论。
1844

被折叠的 条评论
为什么被折叠?



