
最近在研究 TPS61287 等 BOOST 控制器时,不少工程师都困惑:为什么芯片内部高边 MOSFET 的 D 脚接 SW、S 脚接 VOUT,而不是反过来?乍一看,好像这样反接就能实现真正关断,省事又聪明,但实际操作可没那么简单——毕竟,咱们可不能自作聪明比老登工程师更厉害。
这看似小问题,其实牵扯到 BOOST 拓扑的核心工作原理以及 MOSFET 的物理特性。本文将从三个角度,带你剖析设计背后的技术逻辑,保证你看完有种“原来如此”的感觉。
核心结论:高边 MOSFET 反接不可行
经过分析我们得到明确答案:即使是 BOOST 控制器,也不能将高边 MOSFET 的 D、S 脚反接来实现真正关断,否则电路拓扑直接失效,后果可想而知——简直比《狂飙》里掉包还刺激��。
原因分析
原因 1️⃣:体二极管必须在死区时间续流
电感电流不能突变是电力电子设计的基本物理规律:
V=L×didtV = L \times \frac{di}{dt}V=L×dtdi
如果 dt 太小,di/dt 太大,会产生高压尖峰,轻则冒烟,重则烧毁元器件。


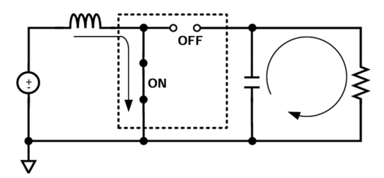
如图所示,BUCK 电路续流机制:
非同步 BUCK
续流通过外接二极管
开关关断时,电感电流由二极管续流
避免电压尖峰,保护器件
同步 BUCK
续流通过低边开关体二极管
死区时间内提供通路
降低导通损耗,提高效率


同理,BOOST 同步拓扑也是这样。在低边关断到高边导通的死区时间内,高边 MOSFET 的体二极管必须提供续流通道。
高边体二极管方向必须从 SW(S 脚)到 VOUT(D 脚),保证电感电流流畅,避免“电压尖峰炸锅”,否则就像把高铁开进地铁轨——不可能顺利运行。
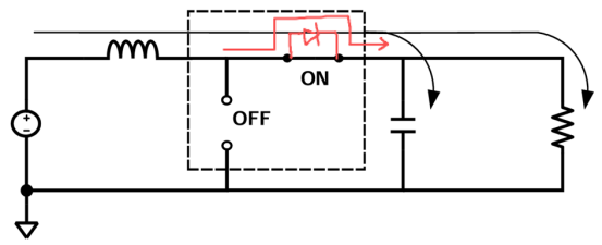
原因 2:体二极管反向会短路输出

如图所示
如果高边 MOSFET 体二极管方向反了(D 脚接 SW、S 脚接 VOUT),在低边导通期间,输出 VOUT 会被直接短接到地,典型压降约 0.7V。
这种情况相当于“河东狮吼”,直接把电路打乱,BOOST 电路拓扑失效,明显不行。
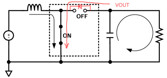
原因 3️⃣:体二极管反向不利于高边驱动

如图所示
若体二极管反向,开通高边 MOSFET 所需栅极电压会升到最高点,驱动电路设计会更麻烦。相比前两点,这个影响小些,但也不容忽视——就像“奶茶店排队打卡”,小细节也可能翻车。
要点回顾
高边 MOSFET 不能随意反接,否则续流失败、输出短路、驱动困难,电路会直接“翻车”。
体二极管方向由电路工作原理决定,不是随便能改的设计参数。
工程设计要基于物理规律和系统分析,不能凭直觉操作。
优秀工程师不仅要知道“怎么做”,更要理解“为什么这么做”。
记住:质疑精神是创新起点,科学分析是保障,实践验证是终极标准!
小彩蛋:如果你是工程小白,想自作聪明反接 MOSFET,一不小心就可能体验“芯片版的跳楼价”——记得三思!
2960

被折叠的 条评论
为什么被折叠?



