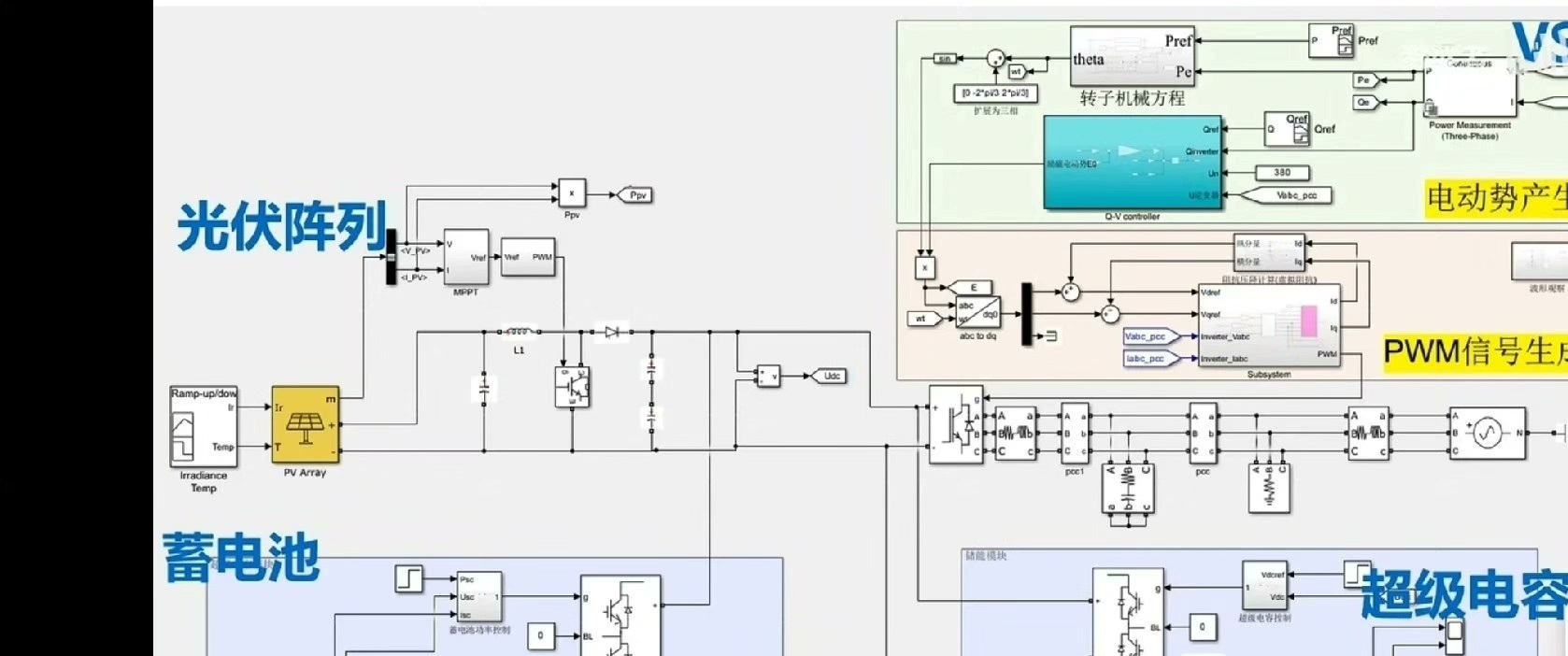
光伏混合储能VSG一一光储一次调频、功率平抑、 直流母线电压控制。
YID:376822027251167
蜡像馆里的甜圈

精彩续篇,链里等你: http://lanzous.cn/822027251167.html
光伏混合储能VSG一一光储一次调频、功率平抑、 直流母线电压控制。
YID:376822027251167
蜡像馆里的甜圈

精彩续篇,链里等你: http://lanzous.cn/822027251167.html

被折叠的 条评论
为什么被折叠?