使用simulink基础模块根据PV公式搭建的光伏系统仿真模型不使用自带的pv模块
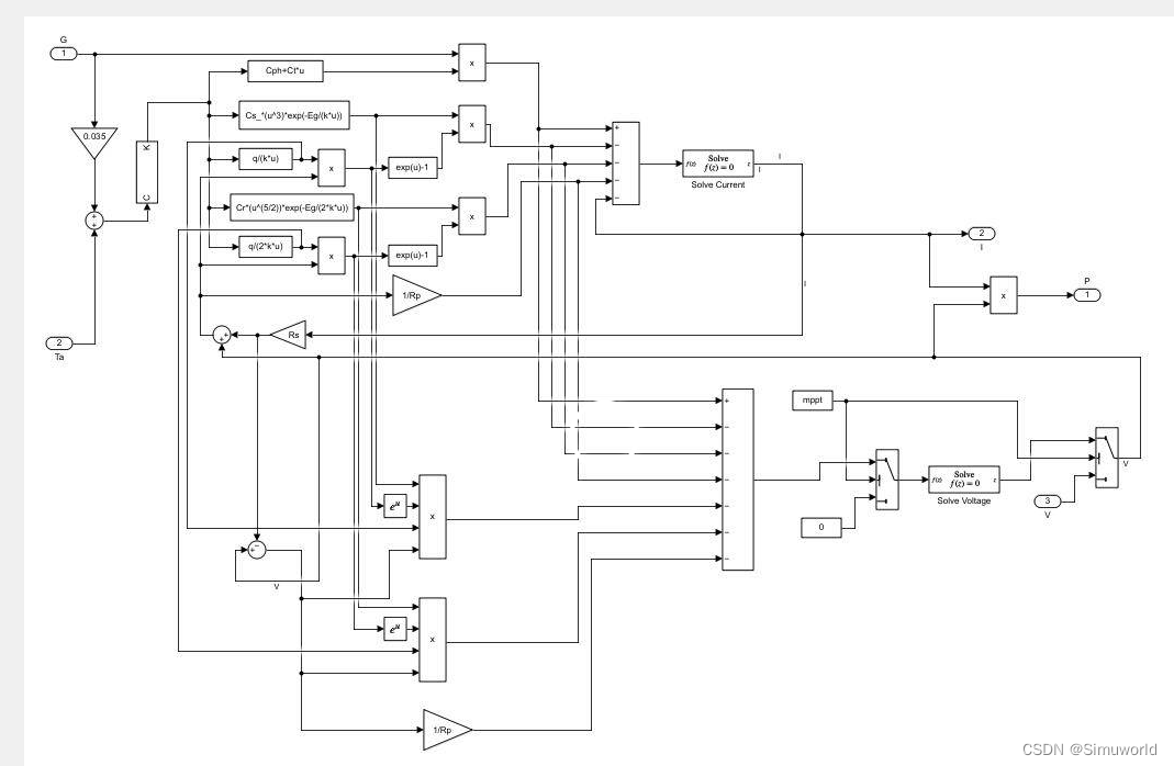
该博客介绍了如何使用MATLAB simulink基础模块搭建不依赖自带PV模块的光伏系统仿真模型,包括光伏系统概述、光伏系统原理、最大功率点跟踪(MPPT)原理,并展示了2022a版本的仿真结果。博主提供了完整的MATLAB源码,便于读者理解和复现。
该博客介绍了如何使用MATLAB simulink基础模块搭建不依赖自带PV模块的光伏系统仿真模型,包括光伏系统概述、光伏系统原理、最大功率点跟踪(MPPT)原理,并展示了2022a版本的仿真结果。博主提供了完整的MATLAB源码,便于读者理解和复现。

被折叠的 条评论
为什么被折叠?