一、DA转换器的分类
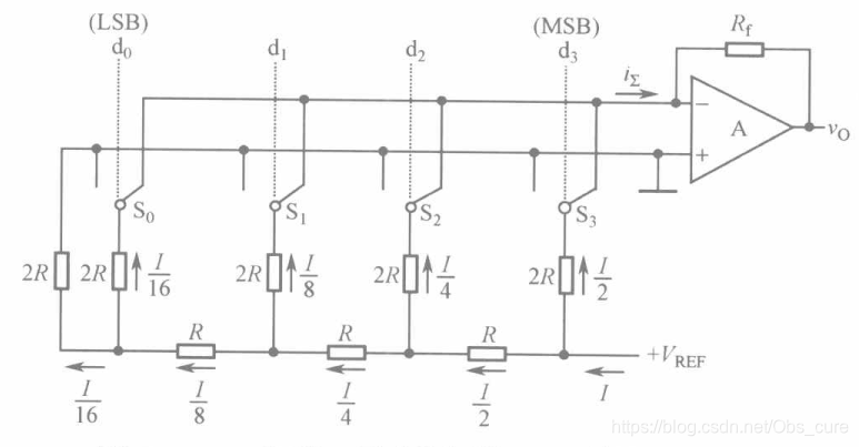
权电阻网络D/A转换器
一个多位二进制数中每一位的1所代表的数值大小称为这一位的权。

对于N位的权电阻网络D/A转换器,当反馈电阻为Rf=R/2时,输出电压的计算公式为:
V0=−VREF2n(dn−12n−1+dn−22n−2+...+d121+d020)=−−VREF2nDnV_{0}=-\frac{V_{REF}}{2^n}(d_{n-1}2^{n-1}+d_{n-2}2^{n-2}+...+d_{1}2^{1}+d_{0}2^{0})=--\frac{V_{REF}}{2^n}D_{n}V0=−2nVREF(dn−12n−1+dn−22n−2+...+d121+d020)=−−2nVREFDn
其中,V0为输出电压,VREF为参考电压,d为模拟量每位的值,2n为位权。
权电阻网络D/A转换器的优点:简单。
权电阻网络D/A转换器的缺点:电阻值相差大,难以保证精度,且不宜于集成在IC内部。
倒T形电阻网络D/A转换器

倒T形电阻网络D/A转换器较为常用,ADC0832就是采用了倒T形电阻网络。
倒T形电阻网络D/A转换器的优点:有较高的转换速度。
倒T形电阻网络D/A转换器的缺点:转换误差较大,转换精度较低。
具有双极性输出的D/A转换器

通过偏移电流可以获得双极性输出的D/A转换器。
二、D/A转换器主要参数指标
1.分辨率
分辨率为D/A转换器模拟输出电压可能被分离的等级数。
n位的D/A转换器分辨率为:
分辨率=12n−1分辨率=\frac{1}{2^{n}-1}分辨率=2n−11
2.误差
与A/D转换器类似,分为非线性误差,绝对精度等。
3.建立时间
指输入数字量变化时,输出电压变化到相应稳定电压值所需要时间。
4.转换速率
大信号工作状态下模拟电压的变化率。
5.温度系数
输入不变时,输出模拟电压与温度的变化量。
三、DAC0832
概况
DAC0832是采用T型解码网络的8位D/A转换器,转换时间为1μs,工作电压为+5V~+15V,共有20个引脚。
1.引脚详情

| 引脚 | 名称 | 解释 |
|---|---|---|
| 1 | CS‾\overline{CS}CS | 片选信号输入端,低电平有效 |
| 2 | WR1‾\overline{WR1}WR1 | 输入寄存器的写选通输入端,负脉冲有效 |
| 3 | AGND | 模拟地 |
| 4-7 | DI3-DI0 | 数据输入端 |
| 8 | VREF | 基准电压输入端 |
| 9 | Rfb | 反馈电阻端 |
| 10 | DGND | 数字地 |
| 11 | IOUT1 | 电流输出端,,当输入全为1时Iout1最大 |
| 12 | IOUT2 | 电流输出端,与IOUT1端电流和为常数 |
| 13-16 | DI7-DI14 | 数据输入端 |
| 17 | XFER‾\overline{XFER}XFER | 数据传输控制信号输入端,低电平有效 |
| 18 | WR2‾\overline{WR2}WR2 | DAC寄存器的写选通输入端,负脉冲有效 |
| 19 | ILE | 数据锁存允许信号输入端,高电平有效 |
| 20 | Vcc | 电源电压端口 |
2.时序图

3.例程:D/A转换制作呼吸灯
#include <reg52.h>
typedef unsigned int u16;
typedef unsigned char u8;
sbit dula=P2^6; //申明U1锁存器的锁存端
sbit wela=P2^7; //申明U2锁存器的锁存端
sbit dawr=P3^6; //定义DA的WR端口
sbit dacs=P3^2; //定义DA的CS端口
sbit beep=P2^3; //定义蜂鸣器端口
u8 val = 0,flag = 0;//val为模拟信号值,flag控制灯的呼吸
void DA_Init(); //DA初始化函数
void DA_led(); //DA实现呼吸灯
void delay(u16);//延时函数
void main()
{
DA_Init();
while(1)
{
DA_led();
}
}
void DA_Init() //DA初始化函数
{
dula=0;
wela=0; //打开两个锁存器
dacs=0; //打开片选CS
dawr=0; //低电平写信号
P0=0x00; //初始化使模拟信号值最低
/*由于是连续读写,所以不需要把CS和WR信号拉高,只需改变数字位*/
}
void DA_led() //DA实现呼吸灯
{
if(flag==0) //flag为0,小灯变亮
{
val+=5; //模拟电压每次加5/255
P0=val; //通过P0口给DA数据口赋值
if(val==255)//如果模拟电压达到最大值
{
flag=1; //由最亮转向最暗
beep=0;
delay(100);
beep=1; //蜂鸣器响一次
}
delay(50); //小灯在最亮时亮50ms
}
else //flag为1,小灯变灭
{
val-=5; //模拟电压每次减小5/255
P0=val; //通过P0口给DA数据口赋值
if(val==0) //如果模拟电压达到最小值
{
flag=0; //flag改变,小灯重复
beep=0;
delay(100);
beep=1; //蜂鸣器响一次
}
delay(50); //小灯在最暗时灭50ms
}
}
void delay(u16 ms) //延时函数
{
u16 i,j;
for(i=ms;i>0;--)
for(j=110;j>0;j--);
}
三、PWM
含义
- PWM一种以数字方式控制模拟电路的方式。
- 占空比是指在一个脉冲循环内,通电时间相对于总时间所占的比例。

例程:定时器制作呼吸灯
#include "reg52.h"
typedef unsigned int u16;
typedef unsigned char u8;
sbit PWM=P2^1; // P2^1口连接单片机的SCL,也就是时钟线
bit DIR = 1000; //bit是位变量,类似bool,不过比bool省内存 此处DIR用来控制LED呼吸
//--定义一个全局变量--//
u16 value,time,count; //value 有效值 time时间 count 用来计时使有效值变化
void Timer1_Init(); //定时器1初始化函数
void breatheLED(); //该函数输出呼吸信号, 参数是每次呼吸的时间的一半
void main()
{
Timer1_Init(); //定时器1初始化
while(1)
{
breatheLED();
}
}
void Timer1_Init() //定时器1初始化函数
{
TMOD|=0X10; //选择为定时器1模式,工作方式1,仅用TR1打开启动
TH1 = 0xff;
TL1 = 0xff; //计时1us
ET1=1; //打开定时器1中断
EA=1; //打开总中断
TR1=1; //打开定时器
}
void breatheLED() //该函数输出呼吸信号
{
if(count>100) //每100us使得value变化一次
{
count=0; //100us结束,count归零
if(DIR==1) //如果现在是变亮
{
value++; //占空比/有效值增加,灯变亮
}
if(DIR==0) //如果现在是变暗
{
value--; //占空比/有效值变小
}
}
if(value==1000) //如果有效值/占空比等于一个呼吸周期了 也就是现在亮度最大
{
DIR=0; //DIR置0,改为变暗
}
if(value==0) //如果有效值/占空比等于0了
{
DIR=1; //DIR置1,改为变亮
}
if(time < value)//PWM,如果在一个1000us周期里,有value的时间,灯亮着的
{
PWM=1;
}
else if(time > 1000) //如果 time大于1000us,进行下一周期
{
time = 0; //time归零,下一个周期开始
}
else //在1000us里,除了value的时间,灯是灭的
{
PWM=0;
}
}
void Time1(void) interrupt 3 //3 为定时器1的中断号
{
TH1 = 0xff; //重装计时器
TL1 = 0xff; //1us
time++; //1us,时间增长
count++;
}
这篇博客介绍了DA转换器的分类,包括权电阻网络、倒T形电阻网络和双极性输出D/A转换器,并详细讲解了D/A转换器的主要参数指标。重点探讨了8位D/A转换器DAC0832的特性、引脚详情、时序图及应用实例。此外,还讨论了PWM的概念和占空比,提供了使用定时器制作呼吸灯的例程。
3904

被折叠的 条评论
为什么被折叠?



