✅作者简介:热爱科研的Matlab仿真开发者,擅长数据处理、建模仿真、程序设计、完整代码获取、论文复现及科研仿真。
🍎 往期回顾关注个人主页:Matlab科研工作室
🍊个人信条:格物致知,完整Matlab代码及仿真咨询内容私信。
🔥 内容介绍
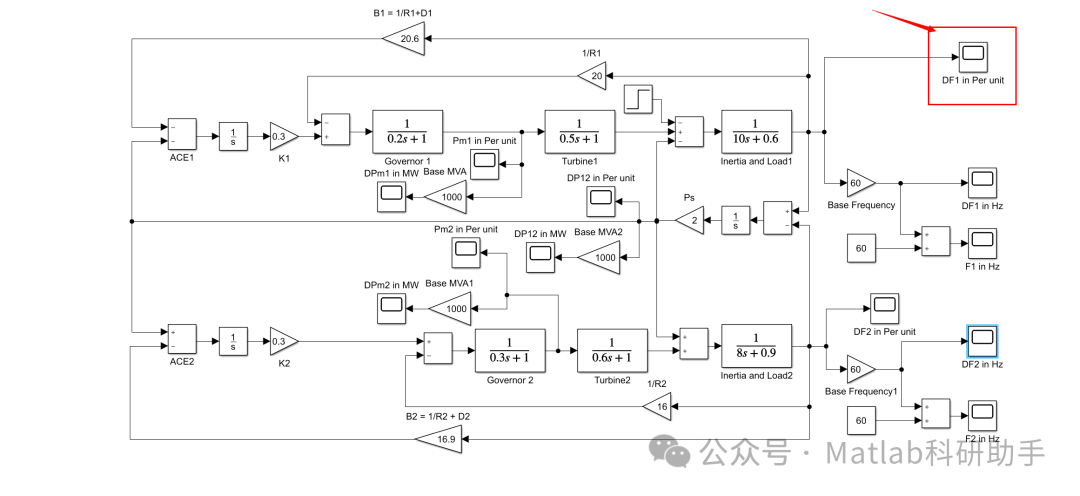
在现代电力系统中,为了实现电力的稳定供应和经济运行,多区域互联系统成为常见的结构形式,两区域互联系统便是其中的基础模型。自动发电控制(AGC)作为维持系统频率稳定和区域间联络线功率交换恒定的关键技术,在保障两区域系统安全、高效运行中发挥着核心作用。当任何一个区域发生突然的负荷变化时,不仅会影响本区域的频率,还会导致两区域之间共享的联络线功率出现波动,因此准确测量这种共享功率的变化,是 AGC 实现有效调控的前提。
两区域系统的自动发电控制主要目标是保持系统频率在额定值附近,同时维持区域间联络线的交换功率在计划值范围内。每个区域都配备有发电机组和负荷,通过联络线实现功率的相互支援。当某个区域的负荷突然增加或减少时,该区域的功率平衡被打破,频率会随之偏离额定值,同时联络线的共享功率会发生相应变化:若区域 A 负荷突然增加,在本地发电尚未及时调整时,会从区域 B 吸收更多功率,导致联络线功率向区域 A 流动且数值增大;反之,若区域 A 负荷突然减少,多余的功率会通过联络线流向区域 B,使联络线功率反向变化。
在这种负荷突变的情况下,测量两区域共享的功率(即联络线交换功率)需要依靠精准的测量装置和科学的测量方法,具体可从以下几个方面展开:
从测量装置来看,联络线功率测量通常采用高精度的功率变送器或数字式功率测量仪表。这些装置安装在区域间的联络线上,能够实时采集联络线的电压、电流信号,并通过计算得出有功功率和无功功率。其中,有功功率的测量是重点,因为它直接反映了两区域之间实际的功率交换情况。现代测量装置多采用数字信号处理技术,通过对电压和电流信号进行同步采样、傅里叶变换等处理,能够在负荷突变等动态过程中快速、准确地捕捉功率的瞬时值和平均值,为 AGC 提供实时的测量数据。
从测量原理来讲,联络线功率的计算基于电工学中的功率计算公式。对于单相电路,有功功率 P=UIcosφ(其中 U 为电压有效值,I 为电流有效值,φ 为电压与电流的相位差);对于三相电路,总有功功率为各相有功功率之和。在负荷突变时,电压和电流的波形可能出现畸变,含有谐波分量,因此测量装置需要具备抗谐波干扰的能力,通过滤波等手段剔除谐波影响,确保测量的准确性。此外,由于联络线可能存在分布参数(如电阻、电感、电容),在长距离传输时会产生功率损耗和相位偏移,测量时需考虑这些因素的影响,必要时进行修正。
从测量数据的应用来看,实时测量的联络线共享功率会被传输到两区域的 AGC 控制中心。控制中心将测量值与计划值进行比较,得出功率偏差。结合本区域的频率偏差,通过 AGC 控制算法(如比例积分控制、PID 控制等)计算出需要调整的发电量,然后向发电机组发出调节指令:若区域 A 负荷突增导致联络线功率偏差为正(即从区域 B 吸收的功率超过计划值),区域 A 的 AGC 会指令本地机组增加出力,同时区域 B 的 AGC 可能根据协调策略适当调整出力,以减少联络线功率偏差,最终使系统频率和联络线功率恢复到稳定状态。
此外,为了验证测量方法的有效性和 AGC 的控制效果,还可以通过仿真手段进行研究。在仿真模型中,搭建两区域互联系统,设置不同的负荷突变场景(如阶跃变化、随机波动等),利用仿真软件中的功率测量模块模拟联络线功率的变化过程,并与理论计算结果进行对比。通过仿真可以分析不同测量装置的响应速度、测量误差对 AGC 控制性能的影响,从而优化测量方案和控制参数。
准确测量两区域共享的功率在负荷突变时具有重要意义:一方面,它为 AGC 提供了关键的反馈信息,使控制系统能够及时、准确地做出调整,避免频率偏差过大和联络线功率失控,保障系统的稳定性;另一方面,通过对测量数据的分析,可以了解负荷突变对系统的影响程度和传播规律,为系统规划、机组容量配置以及联络线传输能力设计提供依据。
在两区域系统的自动发电控制中,针对任何区域突然负荷变化的情况,采用高精度测量装置结合抗干扰的测量方法,实时、准确地获取两区域共享的联络线功率,是实现系统频率稳定和功率平衡的核心环节,对于保障电力系统的安全、经济运行具有重要作用。
⛳️ 运行结果


🔗 参考文献
[1] 宋学杰.基于CPS标准的区域电网自动发电控制性能考核优化方案研究[D].上海交通大学,2015.
[2] 刘波,郭昆丽,冉媛,等.基于MATLAB新型电力系统稳定器的仿真研究[J].广东电力, 2018, 31(3):7.DOI:10.3969/j.issn.1007-290X.2018.003.012.
[3] 武昱.分布式发电系统仿真及其控制策略研究[D].重庆大学,2015.
📣 部分代码
🎈 部分理论引用网络文献,若有侵权联系博主删除
👇 关注我领取海量matlab电子书和数学建模资料
🏆团队擅长辅导定制多种科研领域MATLAB仿真,助力科研梦:
🌈 各类智能优化算法改进及应用
生产调度、经济调度、装配线调度、充电优化、车间调度、发车优化、水库调度、三维装箱、物流选址、货位优化、公交排班优化、充电桩布局优化、车间布局优化、集装箱船配载优化、水泵组合优化、解医疗资源分配优化、设施布局优化、可视域基站和无人机选址优化、背包问题、 风电场布局、时隙分配优化、 最佳分布式发电单元分配、多阶段管道维修、 工厂-中心-需求点三级选址问题、 应急生活物质配送中心选址、 基站选址、 道路灯柱布置、 枢纽节点部署、 输电线路台风监测装置、 集装箱调度、 机组优化、 投资优化组合、云服务器组合优化、 天线线性阵列分布优化、CVRP问题、VRPPD问题、多中心VRP问题、多层网络的VRP问题、多中心多车型的VRP问题、 动态VRP问题、双层车辆路径规划(2E-VRP)、充电车辆路径规划(EVRP)、油电混合车辆路径规划、混合流水车间问题、 订单拆分调度问题、 公交车的调度排班优化问题、航班摆渡车辆调度问题、选址路径规划问题、港口调度、港口岸桥调度、停机位分配、机场航班调度、泄漏源定位
🌈 机器学习和深度学习时序、回归、分类、聚类和降维
2.1 bp时序、回归预测和分类
2.2 ENS声神经网络时序、回归预测和分类
2.3 SVM/CNN-SVM/LSSVM/RVM支持向量机系列时序、回归预测和分类
2.4 CNN|TCN|GCN卷积神经网络系列时序、回归预测和分类
2.5 ELM/KELM/RELM/DELM极限学习机系列时序、回归预测和分类
2.6 GRU/Bi-GRU/CNN-GRU/CNN-BiGRU门控神经网络时序、回归预测和分类
2.7 ELMAN递归神经网络时序、回归\预测和分类
2.8 LSTM/BiLSTM/CNN-LSTM/CNN-BiLSTM/长短记忆神经网络系列时序、回归预测和分类
2.9 RBF径向基神经网络时序、回归预测和分类
2.10 DBN深度置信网络时序、回归预测和分类
2.11 FNN模糊神经网络时序、回归预测
2.12 RF随机森林时序、回归预测和分类
2.13 BLS宽度学习时序、回归预测和分类
2.14 PNN脉冲神经网络分类
2.15 模糊小波神经网络预测和分类
2.16 时序、回归预测和分类
2.17 时序、回归预测预测和分类
2.18 XGBOOST集成学习时序、回归预测预测和分类
2.19 Transform各类组合时序、回归预测预测和分类
方向涵盖风电预测、光伏预测、电池寿命预测、辐射源识别、交通流预测、负荷预测、股价预测、PM2.5浓度预测、电池健康状态预测、用电量预测、水体光学参数反演、NLOS信号识别、地铁停车精准预测、变压器故障诊断
🌈图像处理方面
图像识别、图像分割、图像检测、图像隐藏、图像配准、图像拼接、图像融合、图像增强、图像压缩感知
🌈 路径规划方面
旅行商问题(TSP)、车辆路径问题(VRP、MVRP、CVRP、VRPTW等)、无人机三维路径规划、无人机协同、无人机编队、机器人路径规划、栅格地图路径规划、多式联运运输问题、 充电车辆路径规划(EVRP)、 双层车辆路径规划(2E-VRP)、 油电混合车辆路径规划、 船舶航迹规划、 全路径规划规划、 仓储巡逻
🌈 无人机应用方面
无人机路径规划、无人机控制、无人机编队、无人机协同、无人机任务分配、无人机安全通信轨迹在线优化、车辆协同无人机路径规划
🌈 通信方面
传感器部署优化、通信协议优化、路由优化、目标定位优化、Dv-Hop定位优化、Leach协议优化、WSN覆盖优化、组播优化、RSSI定位优化、水声通信、通信上传下载分配
🌈 信号处理方面
信号识别、信号加密、信号去噪、信号增强、雷达信号处理、信号水印嵌入提取、肌电信号、脑电信号、信号配时优化、心电信号、DOA估计、编码译码、变分模态分解、管道泄漏、滤波器、数字信号处理+传输+分析+去噪、数字信号调制、误码率、信号估计、DTMF、信号检测
🌈电力系统方面
微电网优化、无功优化、配电网重构、储能配置、有序充电、MPPT优化、家庭用电
🌈 元胞自动机方面
交通流 人群疏散 病毒扩散 晶体生长 金属腐蚀
🌈 雷达方面
卡尔曼滤波跟踪、航迹关联、航迹融合、SOC估计、阵列优化、NLOS识别
🌈 车间调度
零等待流水车间调度问题NWFSP 、 置换流水车间调度问题PFSP、 混合流水车间调度问题HFSP 、零空闲流水车间调度问题NIFSP、分布式置换流水车间调度问题 DPFSP、阻塞流水车间调度问题BFSP
👇
606

被折叠的 条评论
为什么被折叠?



