✅作者简介:热爱科研的Matlab仿真开发者,擅长数据处理、建模仿真、程序设计、完整代码获取、论文复现及科研仿真。
🍎个人主页:Matlab科研工作室
🍊个人信条:格物致知,求助可私信。
🔥 内容介绍
摘要:随着全球对可再生能源需求的日益增长,光伏发电作为一种清洁、可持续的能源形式,得到了广泛的应用。然而,光伏发电系统的输出功率受到光照强度、温度等环境因素的影响,呈现出非线性、时变特性,如何高效地追踪光伏阵列的最大功率点(MPP),并将其稳定地并入电网,是提高光伏并网系统效率的关键所在。本文深入探讨了基于粒子群优化(PSO)算法的最大功率点跟踪(MPPT)控制策略,并结合鲁棒控制理论,设计了一种具有强抗干扰能力的鲁棒MPPT控制器。该控制策略不仅能够快速准确地追踪到光伏阵列的MPP,还能有效地抑制环境变化和参数扰动对系统性能的影响,从而提高光伏并网系统的整体效率和稳定性。
关键词:光伏并网;最大功率点跟踪(MPPT);粒子群优化(PSO)算法;鲁棒控制;效率
1. 引言
能源危机和环境污染问题日益严重,推动了可再生能源的快速发展。光伏发电作为一种清洁、可持续的能源,以其分布广泛、资源丰富、环境友好等优势,成为替代传统化石能源的重要选择。光伏并网系统通过将光伏阵列产生的直流电转换为交流电并接入电网,为社会提供清洁能源。然而,光伏发电系统的输出功率受到多种因素的影响,如光照强度、温度、阴影遮挡等,其输出特性呈现出非线性、时变和多峰值等复杂特征。为了最大限度地利用光伏能量,必须采用有效的最大功率点跟踪(MPPT)控制策略,使光伏阵列始终工作在其最大功率输出点。
传统的MPPT控制方法,如扰动观察法(P&O)、增量电导法(IncCond)等,虽然实现简单,但存在跟踪速度慢、易陷入局部最优值、震荡等问题,难以满足复杂多变环境下的高精度和高效率要求。近年来,智能优化算法在MPPT控制中得到了广泛应用,例如粒子群优化(PSO)算法、遗传算法(GA)、蚁群算法(ACO)等。其中,PSO算法具有结构简单、参数少、收敛速度快等优点,在全局寻优方面表现突出,因此被广泛应用于光伏MPPT控制。
然而,实际光伏发电系统运行过程中,不可避免地会受到各种不确定因素的影响,如环境变化、系统参数扰动等。传统的PSO-MPPT算法往往缺乏对这些不确定性的鲁棒性,导致系统性能下降,甚至出现失稳。因此,如何设计一种具有鲁棒性的MPPT控制器,在不确定性条件下仍能稳定高效地跟踪最大功率点,是当前光伏并网控制研究的重要课题。
2. 光伏发电系统模型与特性分析
2.1 光伏电池的数学模型
光伏电池的基本模型可以用单二极管模型来描述,其输出电流I可以表示为:
ini
I = I_ph - I_0 (exp((V + IR_s) / aV_T) - 1) - (V + IR_s)/R_sh
其中,I_ph为光生电流,I_0为二极管反向饱和电流,V为电池端电压,R_s和R_sh分别为串联电阻和并联电阻,a为二极管理想因子,V_T为热电压。该模型描述了光伏电池的非线性输出特性,其输出特性受温度和光照强度的影响显著。
2.2 光伏阵列的输出特性
光伏阵列由多个光伏电池串并联组成,其输出特性也具有类似的非线性特征。由于环境条件的变化,光伏阵列的输出功率与电压之间呈现非单调关系,存在一个最大功率点(MPP)。MPP的位置会随着光照强度和温度的变化而改变,因此需要MPPT控制器实时追踪MPP。
3. 基于粒子群优化算法的MPPT控制策略
3.1 粒子群优化算法的基本原理
粒子群优化(PSO)算法是一种基于群体智能的全局优化算法,其灵感来源于鸟类觅食行为。在PSO算法中,每个潜在解都被表示为一个粒子,粒子在搜索空间中不断移动,通过与其他粒子分享信息来寻找最优解。每个粒子具有速度和位置两个属性,其速度和位置的更新公式如下:
scss
v_i(t+1) = w*v_i(t) + c_1*rand()*(pbest_i(t) - x_i(t)) + c_2*rand()*(gbest(t) - x_i(t))
x_i(t+1) = x_i(t) + v_i(t+1)
其中,v_i(t)和x_i(t)分别为第i个粒子在第t次迭代时的速度和位置;w为惯性权重;c_1和c_2为加速因子;rand()为[0,1]之间的随机数;pbest_i(t)为第i个粒子在第t次迭代时的历史最优位置;gbest(t)为群体在第t次迭代时的全局最优位置。
3.2 基于PSO算法的MPPT控制
在光伏MPPT控制中,可以将光伏阵列的电压或占空比作为粒子的位置,将光伏阵列的输出功率作为粒子的适应度值。通过PSO算法的迭代搜索,找到使得输出功率最大的电压或占空比,从而实现MPPT。
3.2.1 算法流程
-
初始化:随机初始化粒子群的位置和速度,设置最大迭代次数、惯性权重、加速因子等参数。
-
计算适应度值:根据当前粒子位置(电压或占空比),控制光伏变换器,测量光伏阵列的输出功率,并将其作为粒子的适应度值。
-
更新个体最优位置:比较当前粒子的适应度值与其历史最优适应度值,若当前值更优,则更新个体最优位置。
-
更新全局最优位置:比较当前群体最优适应度值与全局最优适应度值,若当前值更优,则更新全局最优位置。
-
更新粒子速度和位置:根据公式更新粒子的速度和位置。
-
判断是否达到终止条件:若达到最大迭代次数或满足其他终止条件,则算法结束,输出全局最优位置;否则,返回步骤2。
3.3 PSO-MPPT算法的优点与局限性
PSO-MPPT算法具有以下优点:
-
全局寻优能力强:PSO算法具有较强的全局搜索能力,能够有效地避免陷入局部最优值。
-
收敛速度快:PSO算法的迭代过程简单,收敛速度快,能够快速跟踪到MPP。
-
鲁棒性较好:PSO算法对初始值和参数变化具有一定的鲁棒性。
然而,PSO-MPPT算法也存在一些局限性:
-
参数选择敏感:PSO算法的性能对惯性权重、加速因子等参数的选择较为敏感,需要进行参数整定。
-
易出现震荡:当接近MPP时,粒子可能会在最优值附近震荡,导致跟踪精度下降。
-
对环境变化响应慢:当环境变化剧烈时,PSO算法的跟踪速度可能不足。
4. 基于鲁棒控制理论的MPPT控制器设计
为了提高MPPT控制器的鲁棒性,使其在环境变化和系统参数扰动下仍能稳定工作,本文引入鲁棒控制理论,设计了一种基于H∞控制的鲁棒MPPT控制器。
4.1 H∞控制的基本原理
H∞控制是一种现代控制理论,其核心思想是使闭环系统的传递函数在频域内具有良好的鲁棒性。H∞控制通过最小化系统的H∞范数,使得系统对外界干扰和参数不确定性具有一定的抑制能力。
4.2 基于H∞控制的鲁棒MPPT控制器设计
首先,需要建立光伏系统的状态空间模型,并考虑环境变化和参数扰动带来的不确定性。然后,将MPPT问题转化为一个H∞控制问题,设计控制器使得闭环系统的H∞范数最小化。
4.2.1 系统建模
光伏系统可以抽象为一个非线性系统,为了应用H∞控制理论,需要对其进行线性化处理,并在模型中引入不确定性参数,例如光照强度、温度等。可以使用小信号分析方法得到光伏系统在工作点附近的线性化模型。
4.2.2 控制器设计
利用H∞控制理论,设计一个满足鲁棒性能指标的控制器。可以通过求解Riccati方程或利用LMI工具箱进行求解,最终得到满足鲁棒性能要求的控制器参数。
4.3 鲁棒控制器的优势
与传统的PID控制器相比,基于H∞控制的鲁棒MPPT控制器具有以下优势:
-
鲁棒性强:能够有效地抑制环境变化和参数扰动对系统性能的影响,保证系统在各种工况下都能稳定工作。
-
性能指标明确:通过最小化系统的H∞范数,可以定量地控制系统的鲁棒性能,使其满足设计要求。
-
系统响应快:设计合理的鲁棒控制器可以提高系统的响应速度,快速追踪到MPP。
5. 基于PSO算法和鲁棒控制的混合MPPT策略
为了结合PSO算法的全局搜索能力和鲁棒控制器的抗干扰能力,本文提出一种基于PSO算法和鲁棒控制的混合MPPT策略。
5.1 混合策略的实现
-
初始阶段:在环境变化未知或光伏阵列工作点远离MPP时,利用PSO算法进行全局搜索,快速定位MPP的粗略位置。
-
稳定阶段:当光伏阵列工作点接近MPP时,切换到基于H∞控制的鲁棒MPPT控制器,进行精确跟踪,并抑制环境变化和参数扰动的影响。
-
参数调整:根据实际运行情况,可以动态调整PSO算法的参数或鲁棒控制器的参数,以适应不同的运行工况。
5.2 混合策略的优点
该混合策略融合了PSO算法的全局搜索能力和鲁棒控制器的精确跟踪能力,具有以下优点:
-
快速跟踪:在环境变化剧烈时,PSO算法能够快速找到新的MPP区域。
-
高精度跟踪:在MPP附近,鲁棒控制器能够保证跟踪的精度和稳定性。
-
抗干扰能力强:鲁棒控制器的设计能够有效抑制环境变化和参数扰动对系统的影响。
6. 仿真与实验验证
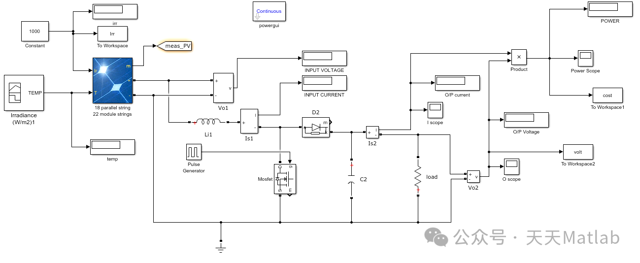
为验证本文提出的混合MPPT策略的有效性,进行仿真和实验验证。在仿真中,使用MATLAB/Simulink搭建光伏并网系统模型,模拟不同的光照强度和温度条件,比较不同MPPT控制策略的性能。实验验证中,搭建实际的光伏并网实验平台,使用数字信号处理器(DSP)实现MPPT控制算法,测试系统的响应速度和跟踪精度。
7. 结论与展望
本文深入探讨了基于粒子群优化算法和鲁棒控制理论的光伏并网MPPT控制策略。研究结果表明,PSO算法能够快速有效地追踪光伏阵列的MPP,而鲁棒MPPT控制器能够有效地抑制环境变化和参数扰动对系统性能的影响。结合两者优势的混合控制策略,能够在各种工况下实现高效、稳定的MPPT控制,提高了光伏并网系统的整体效率。
⛳️ 运行结果



🔗 参考文献
🎈 部分理论引用网络文献,若有侵权联系博主删除
👇 关注我领取海量matlab电子书和数学建模资料
🎁 私信完整代码和数据获取及论文数模仿真定制
🌿 往期回顾可以关注主页,点击搜索
🏆团队擅长辅导定制多种科研领域MATLAB仿真,助力科研梦:
🌈 各类智能优化算法改进及应用
生产调度、经济调度、装配线调度、充电优化、车间调度、发车优化、水库调度、三维装箱、物流选址、货位优化、公交排班优化、充电桩布局优化、车间布局优化、集装箱船配载优化、水泵组合优化、解医疗资源分配优化、设施布局优化、可视域基站和无人机选址优化、背包问题、 风电场布局、时隙分配优化、 最佳分布式发电单元分配、多阶段管道维修、 工厂-中心-需求点三级选址问题、 应急生活物质配送中心选址、 基站选址、 道路灯柱布置、 枢纽节点部署、 输电线路台风监测装置、 集装箱调度、 机组优化、 投资优化组合、云服务器组合优化、 天线线性阵列分布优化、CVRP问题、VRPPD问题、多中心VRP问题、多层网络的VRP问题、多中心多车型的VRP问题、 动态VRP问题、双层车辆路径规划(2E-VRP)、充电车辆路径规划(EVRP)、油电混合车辆路径规划、混合流水车间问题、 订单拆分调度问题、 公交车的调度排班优化问题、航班摆渡车辆调度问题、选址路径规划问题、港口调度、港口岸桥调度、停机位分配、机场航班调度、泄漏源定位
🌈 机器学习和深度学习时序、回归、分类、聚类和降维
2.1 bp时序、回归预测和分类
2.2 ENS声神经网络时序、回归预测和分类
2.3 SVM/CNN-SVM/LSSVM/RVM支持向量机系列时序、回归预测和分类
2.4 CNN|TCN|GCN卷积神经网络系列时序、回归预测和分类
2.5 ELM/KELM/RELM/DELM极限学习机系列时序、回归预测和分类
2.6 GRU/Bi-GRU/CNN-GRU/CNN-BiGRU门控神经网络时序、回归预测和分类
2.7 ELMAN递归神经网络时序、回归\预测和分类
2.8 LSTM/BiLSTM/CNN-LSTM/CNN-BiLSTM/长短记忆神经网络系列时序、回归预测和分类
2.9 RBF径向基神经网络时序、回归预测和分类
2.10 DBN深度置信网络时序、回归预测和分类
2.11 FNN模糊神经网络时序、回归预测
2.12 RF随机森林时序、回归预测和分类
2.13 BLS宽度学习时序、回归预测和分类
2.14 PNN脉冲神经网络分类
2.15 模糊小波神经网络预测和分类
2.16 时序、回归预测和分类
2.17 时序、回归预测预测和分类
2.18 XGBOOST集成学习时序、回归预测预测和分类
2.19 Transform各类组合时序、回归预测预测和分类
方向涵盖风电预测、光伏预测、电池寿命预测、辐射源识别、交通流预测、负荷预测、股价预测、PM2.5浓度预测、电池健康状态预测、用电量预测、水体光学参数反演、NLOS信号识别、地铁停车精准预测、变压器故障诊断
🌈图像处理方面
图像识别、图像分割、图像检测、图像隐藏、图像配准、图像拼接、图像融合、图像增强、图像压缩感知
🌈 路径规划方面
旅行商问题(TSP)、车辆路径问题(VRP、MVRP、CVRP、VRPTW等)、无人机三维路径规划、无人机协同、无人机编队、机器人路径规划、栅格地图路径规划、多式联运运输问题、 充电车辆路径规划(EVRP)、 双层车辆路径规划(2E-VRP)、 油电混合车辆路径规划、 船舶航迹规划、 全路径规划规划、 仓储巡逻
🌈 无人机应用方面
无人机路径规划、无人机控制、无人机编队、无人机协同、无人机任务分配、无人机安全通信轨迹在线优化、车辆协同无人机路径规划
🌈 通信方面
传感器部署优化、通信协议优化、路由优化、目标定位优化、Dv-Hop定位优化、Leach协议优化、WSN覆盖优化、组播优化、RSSI定位优化、水声通信、通信上传下载分配
🌈 信号处理方面
信号识别、信号加密、信号去噪、信号增强、雷达信号处理、信号水印嵌入提取、肌电信号、脑电信号、信号配时优化、心电信号、DOA估计、编码译码、变分模态分解、管道泄漏、滤波器、数字信号处理+传输+分析+去噪、数字信号调制、误码率、信号估计、DTMF、信号检测
🌈电力系统方面
微电网优化、无功优化、配电网重构、储能配置、有序充电、MPPT优化、家庭用电
🌈 元胞自动机方面
交通流 人群疏散 病毒扩散 晶体生长 金属腐蚀
🌈 雷达方面
卡尔曼滤波跟踪、航迹关联、航迹融合、SOC估计、阵列优化、NLOS识别
🌈 车间调度
零等待流水车间调度问题NWFSP 、 置换流水车间调度问题PFSP、 混合流水车间调度问题HFSP 、零空闲流水车间调度问题NIFSP、分布式置换流水车间调度问题 DPFSP、阻塞流水车间调度问题BFSP
👇
1645

被折叠的 条评论
为什么被折叠?



