💥💥💞💞欢迎来到本博客❤️❤️💥💥
🏆博主优势:🌞🌞🌞博客内容尽量做到思维缜密,逻辑清晰,为了方便读者。
⛳️座右铭:行百里者,半于九十。
📋📋📋本文目录如下:🎁🎁🎁
目录
💥1 概述
随着电力需求的快速增长,大电网在过去数十年里体现出来的优势使其得以迅速地发展,并成为主要的电力供应渠道。但是,这种集中式大电网的供电方式,一方面使系统的构建成本显著提高,也使得运行时出现的问题增多,另外对用户日益需求的供电安全性与可靠性提出了挑战> 。近些年的集中式大电网多次发生大范围停电事故突出了上述问题的严重性。尤其是在自然灾害或者大电网事故的紧急情况下,医疗、金融、军工等供电系统突然停电将导致巨大的经济利益损失,且对社会的安全和稳定造成极大危害>@ 。另一方面,分布式电源具有投资少、不用远距离输电、安装灵活、建设周期短、能源利用率高、环保等优点,为灵活的供电方式提供了条件>@ 。然而,诸如光伏发电、风力发电等大多数环境友好型分布式电源均存在出力波动性、随机性及不可预测性的缺陷,将对电力系统的稳定运行造成不利影响。特别是当电力系统发生故障时,这类分布式电源通常需要主动切离电网,无法为故障电网提供必要的功率支撑> 。另一方面,随着分布式发电在电网中渗透率的提高,其自身所具有的缺陷也突显出来,由于单机通过采取限制、隔离的方式,作为不可控的分布式电源接入电网,这极大地限制了它的发电能力> 。此外,由于目前的配电系统采用的是无源辐射状运行结构,且系统能量在运行结构中只能以单路径、单向的方式流动,这就需要分布式电源要以负荷的形式接入和运行,导致分布式电源的发电量不能超过其安装地所接入的总负荷,这就大大限制了分布式电源的利用率> .级联广义积分器(CGI)是一种用于信号处理的数学模型,可以用于提取信号中的谐波成分。谐波信号是原始信号的整数倍频率的分量,通常包含在复杂的信号中,提取谐波信号可以帮助分析原始信号的频谱特性和频率成分。
基于CGI的谐波信号提取方法模型研究可以包括以下步骤:
1. 建立CGI模型:首先需要建立一个基于级联广义积分器的数学模型,该模型可以描述原始信号和谐波信号之间的关系,并能够有效地提取谐波成分。
2. 信号采集和预处理:对原始信号进行采集和预处理,包括滤波、降噪等操作,以确保提取的谐波信号质量较高。
3. 谐波信号提取算法设计:设计基于CGI模型的谐波信号提取算法,该算法可以通过级联广义积分器对原始信号进行处理,提取出谐波成分,并将其与原始信号进行分离。
4. 模型验证和性能评估:对设计的谐波信号提取方法模型进行验证和性能评估,包括仿真实验和实际信号测试,以验证其有效性和可靠性。
5. 应用和优化:将设计的谐波信号提取方法模型应用到实际工程中,并对其进行优化和改进,以满足不同应用场景的需求。
通过以上步骤,可以建立一个基于级联广义积分器的谐波信号提取方法模型,该模型可以有效地提取信号中的谐波成分,为信号处理和分析提供重要的工具和方法。
📚2 运行结果
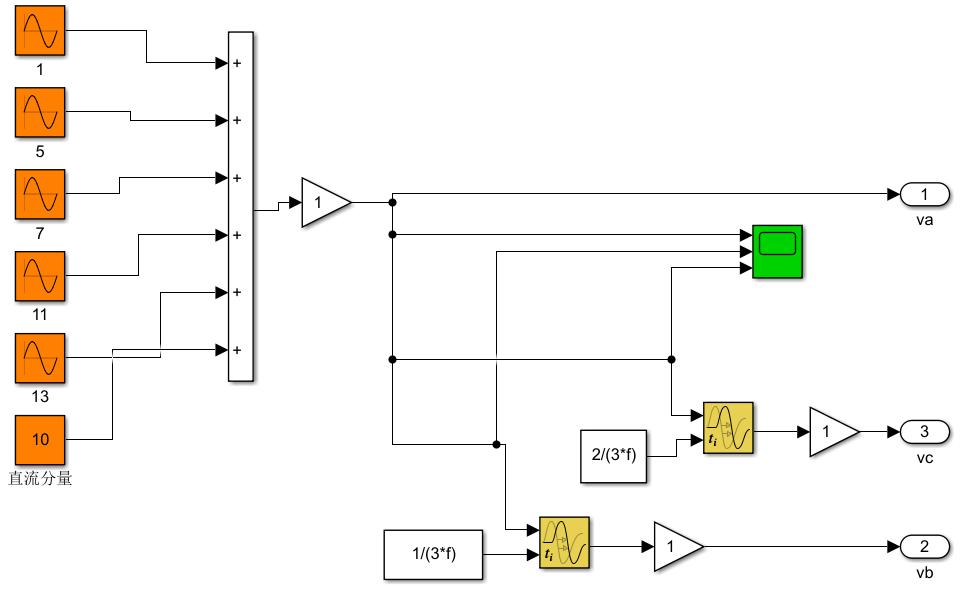
2.1 仿真模型


2.2 仿真结果


可见,采用CGI可以提高谐波信号的提取精度。完美运行!!!
🎉3 参考文献
文章中一些内容引自网络,会注明出处或引用为参考文献,难免有未尽之处,如有不妥,请随时联系删除。
[1]石荣亮. 多能互补微电网中的虚拟同步发电机(VSG)控制研究[D].合肥工业大学,2018.
[2]盘宏斌,刘林海,肖志勇,et al.基于预测功率模型的级联整流器均压新方法[J].系统仿真学报, 2016, 28(12):8.DOI:10.16182/j.issn1004731x.joss.201612016.
本文探讨了电力系统中分布式电源的挑战,提出利用级联广义积分器(CGI)模型进行谐波信号提取,以改善信号处理和分析。通过建立CGI模型、信号预处理、算法设计和模型验证,优化分布式电源的运行效果。最后,文章展示了CGI在提高信号提取精度方面的仿真结果。

314

被折叠的 条评论
为什么被折叠?



