ADC(Analog-Digital Converter)模拟-数字转换器 :可以将引脚上连续变化的模拟电压转换为内存中存储的数字变量,建立模拟电路到数字电路的桥梁
STM32ADC资源:
- 12位逐次逼近型ADC,1us转换时间
- 输入电压范围:0~3.3V,转换结果范围:0~4095
- 18个输入通道,可测量16个外部和2个内部信号源
- 规则组和注入组两个转换单元
- 模拟看门狗自动监测输入电压范围
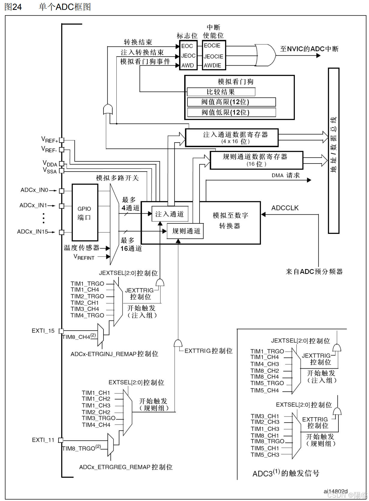
ADC框图

左侧ADCx_INx和内部通道温度传感器、V_REFINT为ADC的18个输入通道,接着进入模拟多路开关,可指定需要的开关,经过开关后进入模数转换器,转换结果放入数据寄存器中,再读取数据寄存器,即可得到ADC转换结果
模拟多路开关:
在STM32中,模拟多路开关可选择多路通道,转换时可分为两个组:注入通道组和规则通道组,注入通道组最多可选中4个通道,且有四个数据寄存器,规则通道组可一次性最多选中16个通道,但只有一个数据寄存器,故多路输出时需配合DMA。
ADC触发信号源:
1、软件触发:利用代码触发
2、硬件触发:由于可能需要频繁触发,为避免使用中断触发导致大大降低cpu运行效率,可采用硬件触发
3、外部中断触发:通过中断触发ADC
电源电路:
在输入端上方有V_REF+、V_REF-、V_DDA、V_SSA,前二者是ADC的参考电压,决定ADC输入电压,后二者是ADC供电引脚,一般情况下,前后二者对应的正极接正极,负极接负极
驱动时钟:

模数转换器右侧ADCCLK是用于驱动内部逐次比较的时钟,来自ADC的预分频器,且最大为14MHz,只能选择6或者8分频,结果为12MHz或者9MHz
模拟看门狗:
模拟看门狗中可村饭搞一个阈值高限和阈值底限,启动模拟看门狗并指定看门通道后,看门狗会时刻关注对应的通道,一旦超出阈值范围,则会申请模拟看门狗中断通向。
对于注入组和规则组,转换完成后,也有一个EOC转换完成的信号,其中QOC对应规则组,JEOC对应注入组,会在状态寄存器中置一个标志位,读取标志位即可得知转换是否结束,同时两个标志位也能申请中断
规则组的四种转换模式
在ADC的初始化结构体中有两个参数,决定了单次转换/连续转换和扫描模式/非扫描模式,二者排列组合,即为四种转换模式;其中,单次转换即为一次转换后即停止,下一次触发信号到来时,再进行下一次转换;连续转换则反之,不需要下一个触发信号也能一直转换也无需判断是否转换完成,直接从数据寄存器读取数据即可;非扫描模式下,转换列表中只有第一位有效,一次只能转换一位;扫描模式则反之,一次能转换指定通道数目,并配合DMA存放入数据寄存器
单次转换,非扫描模式

连续转换,非扫描模式

单次转换,扫描模式

连续转换,扫描模式

触发控制
转换可以由外部事件触发(例如定时器捕获,EXTI线)。如果设置了EXTTRIG控制位,则外部事件就能够触发转换。EXTSEL[2:0]和JEXTSEL2:0]控制位允许应用程序选择8个可能的事件中的 某一个,可以触发规则和注入组的采样。

数据对齐
数据寄存器为16位,故12位的DMA存在数据对齐的问题
数据左对齐:12位的数据向右靠,高位补0,读取时直接为结果
数据右对齐:12位的数据向左靠,低位补0,读取的数据为实际数据*16
转换时间
AD转换的步骤:采样,保持,量化,编码
STM32 ADC的总转换时间为: T_CONV = 采样时间 + 12.5个ADC周期
例如:当ADCCLK=14MHz,采样时间为1.5个ADC周期:
T_CONV = 1.5 + 12.5 = 14个ADC周期 = 1μs
采样时间越大,越能避免部分毛刺信号的干扰;ADC周期即为RCC分频而来的ADCCLK
校准
ADC有一个内置自校准模式。校准可大幅减小因内部电容器组的变化而造成的准精度误差。校准期间,在每个电容器上都会计算出一个误差修正码(数字值),这个码用于消除在随后的转换中每个电容器上产生的误差,建议在每次上电后执行一次校准,启动校准前, ADC必须处于关电状态超过至少两个ADC时钟周期
实现代码
相关库函数
rcc.h
void RCC_ADCCLKConfig(uint32_t RCC_PCLK2);
adc.h
//规则组
void ADC_DeInit(ADC_TypeDef* ADCx);
void ADC_Init(ADC_TypeDef* ADCx, ADC_InitTypeDef* ADC_InitStruct);
void ADC_StructInit(ADC_InitTypeDef* ADC_InitStruct);
void ADC_Cmd(ADC_TypeDef* ADCx, FunctionalState NewState);
void ADC_DMACmd(ADC_TypeDef* ADCx, FunctionalState NewState);
void ADC_ITConfig(ADC_TypeDef* ADCx, uint16_t ADC_IT, FunctionalState NewState);
void ADC_ResetCalibration(ADC_TypeDef* ADCx);
FlagStatus ADC_GetResetCalibrationStatus(ADC_TypeDef* ADCx);
void ADC_StartCalibration(ADC_TypeDef* ADCx);
FlagStatus ADC_GetCalibrationStatus(ADC_TypeDef* ADCx);
void ADC_SoftwareStartConvCmd(ADC_TypeDef* ADCx, FunctionalState NewState);
FlagStatus ADC_GetSoftwareStartConvStatus(ADC_TypeDef* ADCx);
void ADC_DiscModeChannelCountConfig(ADC_TypeDef* ADCx, uint8_t Number);
void ADC_DiscModeCmd(ADC_TypeDef* ADCx, FunctionalState NewState);
void ADC_RegularChannelConfig(ADC_TypeDef* ADCx, uint8_t ADC_Channel, uint8_t Rank, uint8_t ADC_SampleTime);
void ADC_ExternalTrigConvCmd(ADC_TypeDef* ADCx, FunctionalState NewState);
uint16_t ADC_GetConversionValue(ADC_TypeDef* ADCx);
uint32_t ADC_GetDualModeConversionValue(void);
//注入组
void ADC_AutoInjectedConvCmd(ADC_TypeDef* ADCx, FunctionalState NewState);
void ADC_InjectedDiscModeCmd(ADC_TypeDef* ADCx, FunctionalState NewState);
void ADC_ExternalTrigInjectedConvConfig(ADC_TypeDef* ADCx, uint32_t ADC_ExternalTrigInjecConv);
void ADC_ExternalTrigInjectedConvCmd(ADC_TypeDef* ADCx, FunctionalState NewState);
void ADC_SoftwareStartInjectedConvCmd(ADC_TypeDef* ADCx, FunctionalState NewState);
FlagStatus ADC_GetSoftwareStartInjectedConvCmdStatus(ADC_TypeDef* ADCx);
void ADC_InjectedChannelConfig(ADC_TypeDef* ADCx, uint8_t ADC_Channel, uint8_t Rank, uint8_t ADC_SampleTime);
void ADC_InjectedSequencerLengthConfig(ADC_TypeDef* ADCx, uint8_t Length);
void ADC_SetInjectedOffset(ADC_TypeDef* ADCx, uint8_t ADC_InjectedChannel, uint16_t Offset);
uint16_t ADC_GetInjectedConversionValue(ADC_TypeDef* ADCx, uint8_t ADC_InjectedChannel);
//模拟看门狗配置
void ADC_AnalogWatchdogCmd(ADC_TypeDef* ADCx, uint32_t ADC_AnalogWatchdog);
void ADC_AnalogWatchdogThresholdsConfig(ADC_TypeDef* ADCx, uint16_t HighThreshold, uint16_t LowThreshold);
void ADC_AnalogWatchdogSingleChannelConfig(ADC_TypeDef* ADCx, uint8_t ADC_Channel);
//开启内部双通道
void ADC_TempSensorVrefintCmd(FunctionalState NewState);
//读取寄存器值、标志位及其清除
FlagStatus ADC_GetFlagStatus(ADC_TypeDef* ADCx, uint8_t ADC_FLAG);
void ADC_ClearFlag(ADC_TypeDef* ADCx, uint8_t ADC_FLAG);
ITStatus ADC_GetITStatus(ADC_TypeDef* ADCx, uint16_t ADC_IT);
void ADC_ClearITPendingBit(ADC_TypeDef* ADCx, uint16_t ADC_IT);
规则组单通道软件触发ADC实现代码
//AD.c
#include "stm32f10x.h" // Device header
void AD_Init(void)
{
RCC_APB2PeriphClockCmd(RCC_APB2Periph_ADC1 | RCC_APB2Periph_GPIOA, ENABLE);
RCC_ADCCLKConfig(RCC_PCLK2_Div6); //6分频
GPIO_InitTypeDef GPIO_InitStructure;
GPIO_InitStructure.GPIO_Mode = GPIO_Mode_AIN; //模拟输入
GPIO_InitStructure.GPIO_Pin = GPIO_Pin_1;
GPIO_InitStructure.GPIO_Speed = GPIO_Speed_50MHz;
GPIO_Init(GPIOA, &GPIO_InitStructure);
//单通道、多通道配置,若需多通道,则多放几个该函数
ADC_RegularChannelConfig(ADC1, ADC_Channel_1, 1, ADC_SampleTime_55Cycles5);
ADC_InitTypeDef ADC_InitStructure;
ADC_InitStructure.ADC_Mode = ADC_Mode_Independent; //独立模式
ADC_InitStructure.ADC_DataAlign = ADC_DataAlign_Right; //右对齐
ADC_InitStructure.ADC_ExternalTrigConv = ADC_ExternalTrigConv_None;//软件触发
ADC_InitStructure.ADC_ContinuousConvMode = DISABLE; //单次转换非扫描模式
ADC_InitStructure.ADC_ScanConvMode = DISABLE;
ADC_InitStructure.ADC_NbrOfChannel = 1; //一个通道
ADC_Init(ADC1, &ADC_InitStructure);
ADC_Cmd(ADC1, ENABLE); //开启AD转换器
//ADC校准
ADC_ResetCalibration(ADC1);
while(ADC_GetResetCalibrationStatus(ADC1) == SET);
ADC_StartCalibration(ADC1);
while(ADC_GetCalibrationStatus(ADC1) == SET);
//ADC_SoftwareStartConvCmd(ADC1, ENABLE); // 使能指定的ADC的软件转换启动功能
}
uint16_t AD_GetValue(void)
{
ADC_SoftwareStartConvCmd(ADC1, ENABLE);
while(ADC_GetFlagStatus(ADC1,ADC_FLAG_EOC) == RESET);
return ADC_GetConversionValue(ADC1);
}
//main.c
#include "stm32f10x.h" // Device header
#include "delay.h"
#include "LED.h"
#include "KEY.h"
#include "OLED.h"
#include "AD.h"
int main(void)
{
delay_init();
OLED_Init();
AD_Init();
OLED_ShowString(1,1, "ADValue:");
OLED_ShowNum(1, 9, 0000, 4);
uint16_t AD_Value;
while(1)
{
AD_Value = AD_GetValue();
OLED_ShowNum(1, 9, AD_Value, 4);
}
}

6022

被折叠的 条评论
为什么被折叠?



