💥💥💞💞欢迎来到本博客❤️❤️💥💥
🏆博主优势:🌞🌞🌞博客内容尽量做到思维缜密,逻辑清晰,为了方便读者。
⛳️座右铭:行百里者,半于九十。
📋📋📋本文内容如下:🎁🎁🎁
⛳️赠与读者
👨💻做科研,涉及到一个深在的思想系统,需要科研者逻辑缜密,踏实认真,但是不能只是努力,很多时候借力比努力更重要,然后还要有仰望星空的创新点和启发点。建议读者按目录次序逐一浏览,免得骤然跌入幽暗的迷宫找不到来时的路,它不足为你揭示全部问题的答案,但若能解答你胸中升起的一朵朵疑云,也未尝不会酿成晚霞斑斓的别一番景致,万一它给你带来了一场精神世界的苦雨,那就借机洗刷一下原来存放在那儿的“躺平”上的尘埃吧。
或许,雨过云收,神驰的天地更清朗.......🔎🔎🔎
💥1 概述
坚固型无人机结构分析:模块化多无人机配送系统的设计与控制研究
一、坚固型无人机结构设计要点
坚固型无人机需在复杂环境中稳定运行,其结构设计需兼顾轻量化、高强度与模块化特性。核心设计要点如下:
-
材料选择
机架主体采用碳纤维复合材料或高强度铝合金,兼顾轻量化与抗冲击性。例如,某型无人机通过玻璃纤维复合材料机身壁板设计,在有限元分析中验证了其载荷分散能力,显著提升结构耐久性。 -
模块化布局
采用分层架构设计,将无人机划分为动力模块、飞控模块、载荷模块及通信模块。例如,某多功能重载无人机通过AHP层次分析法将33个零件简化为8个模块,其中动力模块(含电机、螺旋桨、电池)与飞控模块(含传感器、控制器)独立封装,便于快速更换与维修。 -
抗振动设计
机臂与起落架采用可折叠结构,通过有限元分析优化连接节点强度。例如,某机型机臂折叠模块经变形测试后,在高频振动环境下仍保持结构稳定性,确保配送过程中货物安全。
二、模块化多无人机配送系统设计
模块化设计是实现多无人机协同配送的关键,其核心在于通过标准化接口实现功能扩展与任务适配。
- 系统架构
采用“集中式调度+分布式执行”模式:- 地面控制中心:负责任务分配、路径规划与全局监控,通过改进的A*算法动态调整航线权重,避开交通拥堵区域。
- 无人机机群:每架无人机搭载独立飞控模块与通信模块,支持长机-僚机编队控制。例如,某系统通过机间通信实现50ms内低延时数据传输,确保编队队形动态调整。
- 模块化载荷设计
根据配送场景定制专用模块:- 轻型包裹模块:采用悬挂式装载,适配多旋翼无人机,单次载重5-10kg,适用于城市末端配送。
- 重型货物模块:集成货舱式装载与多旋翼牵引系统,单次载重达50kg,支持山区长距离运输。
- 紧急医疗模块:配备温控货舱与自动投放装置,可在灾区实现药品精准空投。
- 冗余设计
动力系统采用双电池备份,通信系统支持无线电与卫星双链路,确保单点故障时系统仍可运行。例如,某企业通过双备份设计实现连续5年无重大安全事故。
三、多无人机协同控制策略
协同控制需解决编队保持、避障与任务分配三大问题,其核心算法与实现方式如下:
-
编队控制算法
- 长机-僚机模式:长机根据任务需求计算最优队形,僚机通过GPS/北斗定位实时调整位置。例如,某系统在搬运重物时,无人机群自动形成V型编队,分散载荷压力。
- 虚拟结构法:将无人机群视为刚性体,通过一致性算法保持相对位置。仿真显示,该方法在8级风速下仍能维持编队误差小于0.5m。
-
动态任务分配
采用离散粒子群优化(DPSO)算法,结合无人机载重、电量与场景约束实时调整任务。例如,某系统在配送100个包裹时,通过任务交换机制将计算时间缩短40%,并生成次优解满足实际需求。 -
避障与应急控制
- 局部避障:融合激光雷达与视觉传感器数据,通过人工势场法实时规划路径。测试表明,该方法可在3秒内响应突发障碍物。
- 全局重规划:当地面基站失效时,备用控制中心接管机群,通过集中式调度重新分配任务。
四、应用案例与性能验证
-
城市配送场景
某一线城市部署1000架模块化无人机,日均配送量超10万件。通过分层架构设计,配送效率提升40%,客户满意度达90%以上。其中,轻型包裹模块实现30分钟内送达,较传统方式提速50%。 -
农村与偏远地区配送
在山区部署固定翼+多旋翼混合机群,通过货舱式模块运输农产品。测试显示,单次配送成本降至传统方式的1/5,配送时间缩短70%。例如,某农产品电商通过无人机将特色水果销往全国,农民增收30%。 -
紧急救援场景
在地震救援中,无人机群搭载医疗模块,2小时内将首批物资送达灾区。编队控制算法确保无人机在复杂地形下保持安全距离,避免碰撞。
五、挑战与未来方向
-
标准化与互操作性
当前模块接口缺乏统一标准,导致跨厂商设备兼容性差。未来需制定行业规范,推动动力、通信等模块的标准化设计。 -
AI驱动的自主决策
引入深度学习算法,使无人机群能根据实时环境动态调整任务。例如,通过强化学习优化编队队形,提升复杂场景下的配送效率。 -
法规与安全认证
需完善无人机空域管理、隐私保护等法规,同时建立模块化设备的安全认证体系,确保系统可靠性。
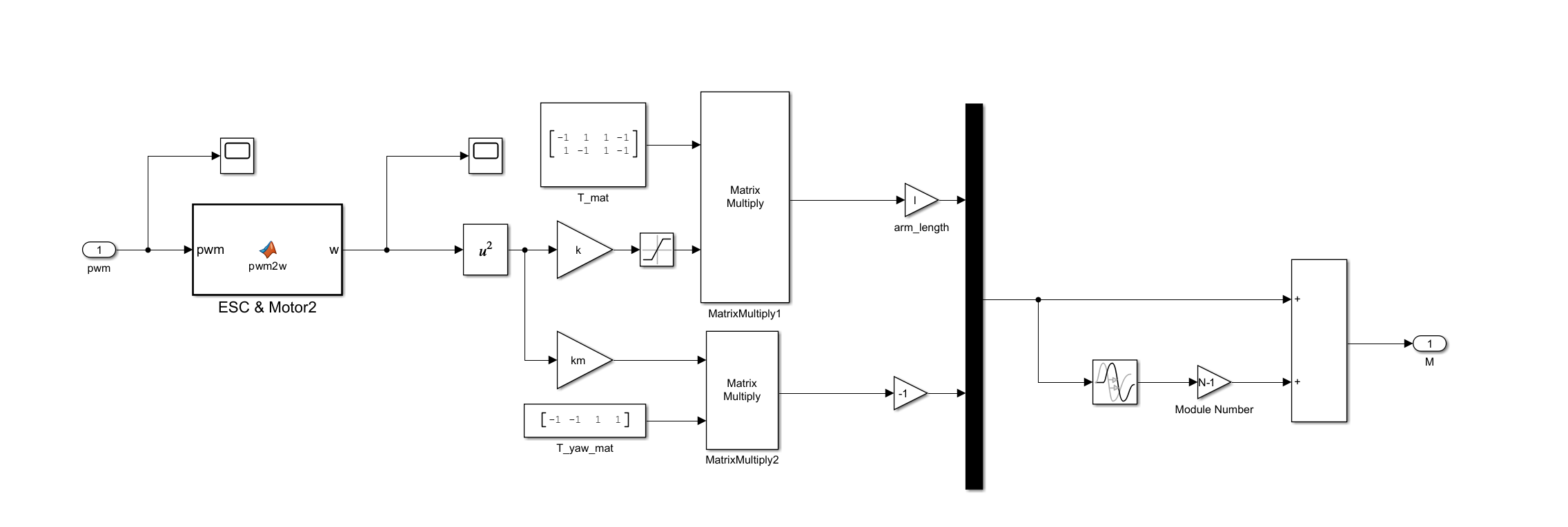
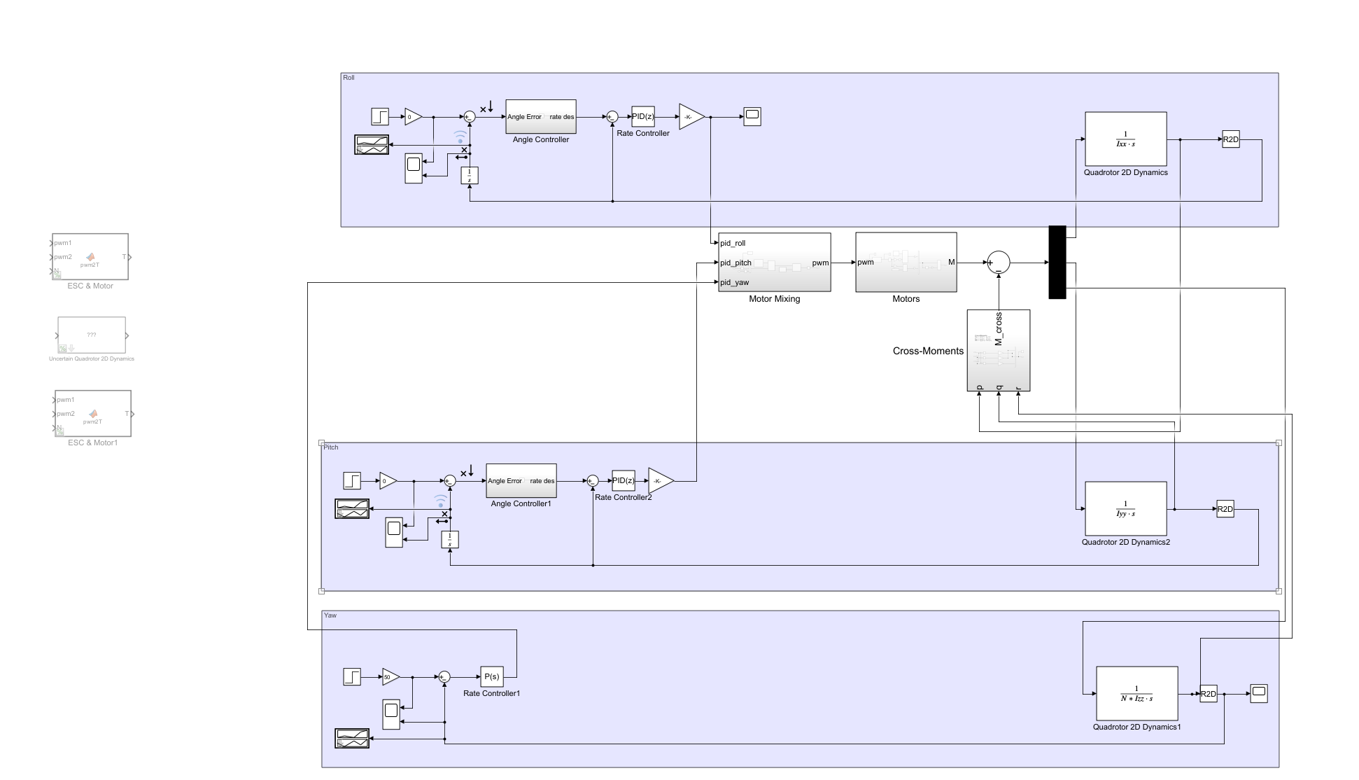
📚2 运行结果








🎉3 参考文献
文章中一些内容引自网络,会注明出处或引用为参考文献,难免有未尽之处,如有不妥,请随时联系删除。(文章内容仅供参考,具体效果以运行结果为准)
🌈4 Matlab代码、Simulink仿真实现
资料获取,更多粉丝福利,MATLAB|Simulink|Python资源获取

5625

被折叠的 条评论
为什么被折叠?



