如题



以上就是Clarke和Park变换公式推导过程,并根据上述推导,用matlab对其进行仿真。
首先带来的是Clarke变换(从A-B-C三相静止坐标系到α-β两相静止坐标系的变换过程)以及Clarke反变换(从α-β两相静止坐标系到A-B-C三相静止坐标系的变换过程)的仿真,主要利用的公式如下

上图就是先Clarke变换再反变换的仿真图,仿真波形如下。

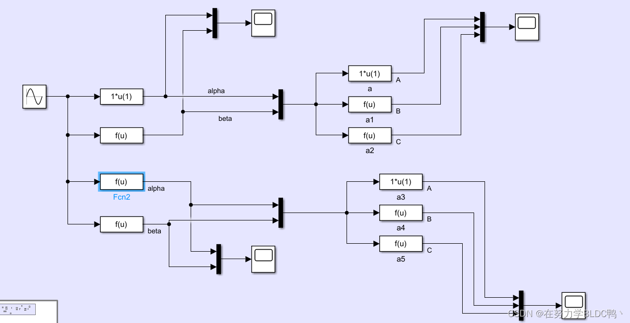
再根据下式,进行park正反变换的仿真。



上图就是park正反部分的仿真结果,可以在park反变换结果后,利用上述clarke反变换将其变为A-B-C三相,有兴趣的小伙伴可以试试。需要仿真文件的可以私聊我。如有不足部分,希望得到各位指导。
本文详细介绍了Clarke变换和Park变换的推导过程,并用Matlab进行了仿真,展示了从A-B-C到α-β坐标系及回转的仿真结果,以及Park变换的正反向操作。读者可尝试自行仿真实验,或索取仿真文件以深入理解这些电力电子变换技术。
1950





