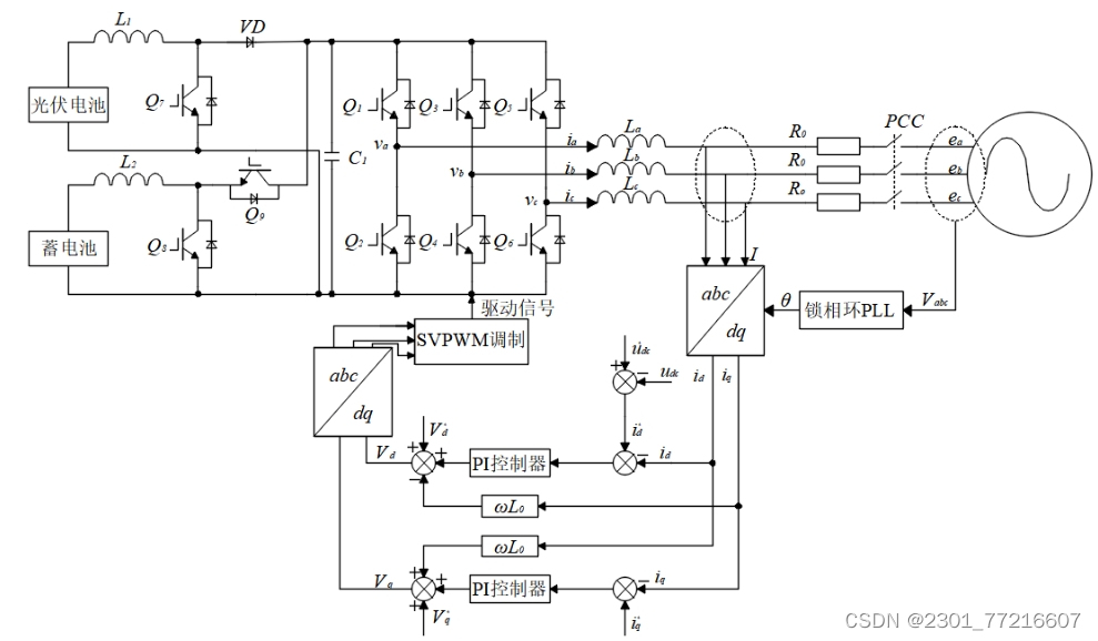
光储一体化逆变器MATLAB Simulink仿真,直流母线电压650v,电压外环电流内环,SVPWM,由于已经好久没整了,有点忘了,但是提供参考文献和一些参考书

ID:87100677150986249




该文探讨了使用MATLABSimulink对光储一体化逆变器的仿真过程,重点是650v直流母线电压下的系统设计。文中涉及的控制策略包括电压外环和电流内环,并采用了SVPWM技术。尽管作者承认久未接触此领域,但提供了参考文献和书籍以供进一步学习。
光储一体化逆变器MATLAB Simulink仿真,直流母线电压650v,电压外环电流内环,SVPWM,由于已经好久没整了,有点忘了,但是提供参考文献和一些参考书

ID:87100677150986249




10万+

被折叠的 条评论
为什么被折叠?