概述
本来打算第一个例子做一些简单的语法操作,但是感觉那样太浪费我和同学们的时间,所以这个例子,我们来写USB 3.0芯片FX600Q的驱动代码。本次使用的硬件环境与软件环境如下:
FPGA开发板:米联客MA7035FA 100T版本
软件环境:vivado2019.1
上位机软件:米联客开发的上位机软件
这里说明一下,USB3.0协议的速度是5Gbps与PCIE2,0速度相同。但是FX600Q的速度因为引脚的限制只能达到200MB/s,这里如果想全部利用USB3.0的速度,需要使用FX601Q芯片,两个芯片的时序一模一样,只是FX601Q比FX600Q数据引脚数目多一半。
FX600Q芯片介绍
这里关于FX600Q芯片的介绍,不作为主要重点。芯片的内部结构如下:

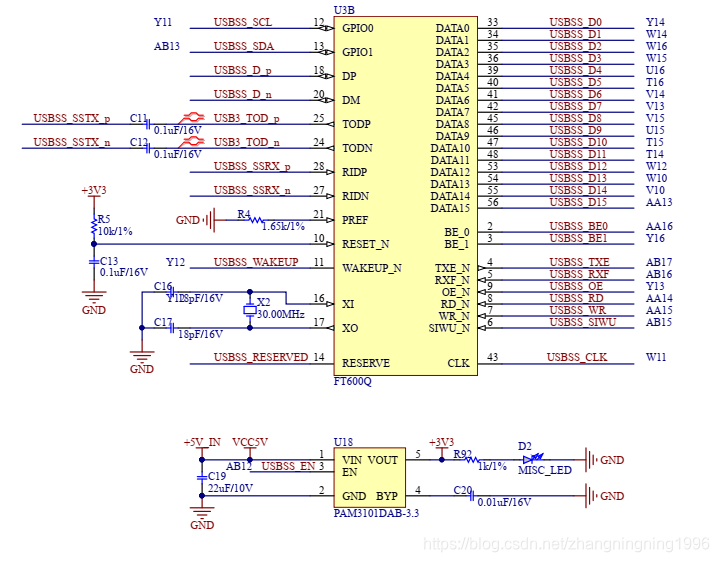
我们只需要理解芯片与FPGA相连的引脚即可,这里以MA7035FA为例,FPGA与芯片的连接图如下:

这里对上面的引脚及其作用进行解释:
USBSS_D:数据信号;
USBSS_BE:数据信号的字节使能信号,BE1对应高字节,BE0对应低字节,为1的情况下对应的数据位有效;
USBSS_TEX:学习USB芯片,最简单的一种方式就是把USB芯片看成FPGA与PC机之间的FIFO,TEX信号为0时代表该FIFO还有空间可以供写入;
USBSS_REX:为0时代表该USB所代表的FIFO还有数据可供读出;
USBSS_OE:数据输出的使能信号,一般在FPGA读USB芯片时为0,写USB芯片时为1;
USBSS_RD:读使能信号,0为有效;
USBSS_WR:写使能信号,0为有效;
USBSS_SIWU:为0时增加一个额外的拉力,一般恒为0;
USBSS_CLK:数据读出和写入的随路时钟;
USBSS_EN:芯片使能信号,一般默认为1;
USBSS_WAKEUP:芯片上电信号,一般默认为1;
GPIO:芯片配置信号,一般默认2’b00;
FX600Q的读写时序
把TX600Q当成一个FIFO来操作,那么他的读写时序就非常简单,FPGA读TX600Q芯片的时序如下:

FPGA写TX600Q芯片的时序如下:

FPGA驱动代码
由FX600Q的读写时序与引脚的定义可以很容易的写出代码,这里我使用的代码风格是参考的开源骚客的风格,个人感觉特别简练与整齐,这里使用的软件工具为sublime需要的可以进群里面自取:
`timescale 1ns / 1ps
// *********************************************************************************
// Project Name : OSXXXX
// Author : zhangningning
// Email : nnzhang1996@foxmail.com
// Website :
// Module Name : top.v
// Create Time : 2019-12-30 10:03:09
// Editor : sublime text3, tab size (4)
// CopyRight(c) : All Rights Reserved
//
// *********************************************************************************
// Modification History:
// Date By Version Change Description
// -----------------------------------------------------------------------
// XXXX zhangningning 1.0 Original
//
// *********************************************************************************
module top(
input rst_n ,
output wire USBSS_EN ,
input sclk ,
inout [15:0] data ,
inout [ 1:0] be ,
input rxf_n ,
input txf_n ,
output reg oe_n ,
output reg wr_n ,
output wire siwu_n ,
output reg rd_n ,
output wire wakeup ,
output wire [ 1:0] gpio
);
//========================================================================================\
//**************Define Parameter and Internal Signals**********************************
//========================================================================================/
parameter IDLE = 4'b0001 ;
parameter JUDGE = 4'b0010 ;
parameter READ = 4'b0100 ;
parameter WRITE = 4'b1000 ;
reg [ 3:0] state ;
wire

最低0.47元/天 解锁文章
1237





