蓝桥杯DAC和ADC使用教程

ADC:将模拟信号转化成数字信号                                                                                                    DAC: 将数字信号转化成模拟信号

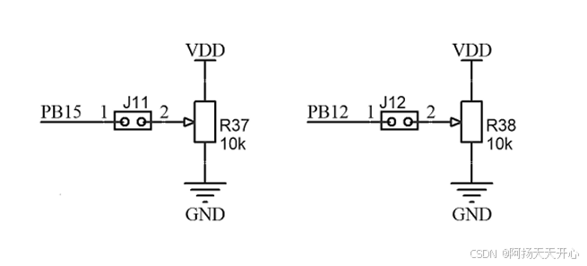
参考蓝桥杯数据手册可以得到蓝桥杯有两个关于电压采集的电位器,打开cubemx可以找到对应的ADC以及通道

 1

评论
添加红包

请填写红包祝福语或标题

红包个数最小为10个

红包金额最低5元

当前余额3.43前往充值 >
需支付:10.00
成就一亿技术人!
领取后你会自动成为博主和红包主的粉丝 规则
hope_wisdom
发出的红包
实付
使用余额支付
点击重新获取
扫码支付
钱包余额 0

抵扣说明:

1.余额是钱包充值的虚拟货币,按照1:1的比例进行支付金额的抵扣。
2.余额无法直接购买下载,可以购买VIP、付费专栏及课程。

余额充值