利用FIFO封装SRIO接口
用FIFO封装Xilinx官方SRIO IP核有两点好处:
-
解决跨时钟域传输问题,方便用户直接使用;
-
解决位宽匹配问题;
这里计划FIFO封装完成后仿真NWRITE和SWRITE两种事务类型。
分为以下几个步骤:
将srio_example示例程序移植到自己的工程中来
在srio_example顶层文件开头有5个可配置的参数:

在Xilinx SRIO示例程序的顶层文件(srio_example)中,以下参数用于配置SRIO IP核的功能和行为:
SIM_VERBOSE:控制仿真时的日志输出详细程度。
-
设置为1:启用详细仿真模式,输出更多调试信息
-
设置为0:仅输出关键信息
VALIDATION_FEATURES:启用或禁用验证相关的附加功能
-
设置为1:启用验证功能
-
设置为0:仅保留基本功能
QUICK_STARTUP:控制SRIO链路的快速启动模式
-
设置为1:跳过部分初始化步骤,加速链路建立
-
设置为0:执行完整的初始化流程
STATISTICS_GATHERING:启用或禁用统计信息收集功能
-
设置为1:启用统计模块
-
设置为0:关闭统计功能
C_LINK_WIDTH:配置SRIO物理链路的通道宽度
-
可选值:1x(单通道)、4x(四通道)
首先将示例工程文件夹中import文件拷贝到自己工程文件中:


然后在vivado里添加文件,除了仿真文件其余都加进去:

等待一段时间就显示添加好了:

搭建好总的框架,并对SRIO官方案例工程进行一些修改
首先创建好两个模块,分别是Message_TX数据发送模块和Message_RX数据接收模块:

再创建一个顶层模块srio_demo:

对srio_example模块进行修改:
-
屏蔽不必要的报告和附加功能

-
引出port_initialized和link_initialized信号

![]()
3. 引出log_clk用户时钟
![]()
![]()
4. 引出ireq和treq相关AXI总线信号


-
给IP核的其他输入信号赋初始值

最终修改后整体框架:

加上FIFO IP核,并配置好相应参数,编写好发送模块
创建FIFO Generator IP核:

配置参数:
-
选择独立异步时钟

-
设置同步级数(Synchronization stages)
-
选择FWFT读模式(读延迟为0)

-
设置读写的位宽和深度
添加FIFO复位控制模块ctrl_fifo_rst:

给FIFO相关信号赋值:

发送模块状态转换图:

加上FIFO IP核,并配置好相应参数,编写好接收模块
创建接收FIFO(位宽与发送相反):

接收模块状态转换图:

编写仿真程序,仿真调试两种事务类型
创建仿真文件:

添加顶层文件端口到仿真文件:

例化PORTA和PORTB端(TX/RX反接):

产生时钟和复位信号:

添加监测信号:

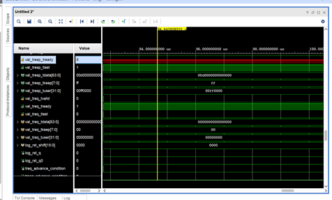
仿真结果:
-
建链成功(port_initialized & link_initialized)

-
初始状态无数据传输

-
编写传输数据流程

-
发送端(Message_TX)正常传输,tx_vld发送有效位置1

-
SWRITE事务发送(帧头:0x006020fcd0000600)

-
接收端响应

-
接收模块(Message_RX)输出数据

仿真验证结束,结果符合预期。
本期分享结束,如需源码,进交流群获取。关注公众号,获取免费学习资料!
4万+

被折叠的 条评论
为什么被折叠?



