基于Matlab的单相正弦波PWM逆变电路仿真及滤波器设计
摘要
逆变电路是PWM控制技术最重要的应用之一。本文主要讨论单相桥式逆变电路的单极性 PWM(脉宽调制)控制方式,并利用MATLAB可视化仿真工具Simulink对电路进行建模。同时,设计了滤波器对逆变输出的波形进行滤波,使输出波形达到平滑正弦波形。该仿真不仅加深了对 PWM逆变器电路理论的理解,也为现代电力电子技术的研究奠定了良好的实验基础。
1 引言
在电力电子技术中,将直流电转换为交流电称为逆变。逆变电路应用广泛,例如当直流电源供电给交流负载时就需要逆变电路。逆变电路也是交流电机调速用变频器、不间断电源和感应加热电源等电力电子装置的核心部分[1]。
目前,逆变技术主要采用脉宽调制(PWM)。由于PWM波的特性决定了功率放大器件的输出电压含有较多的谐波成分[2],因此必须在逆变器输出端使用滤波器,以使输出波形达到平滑正弦波形,并减小谐波对负载的影响。
2 单相正弦波PWM逆变电路的仿真
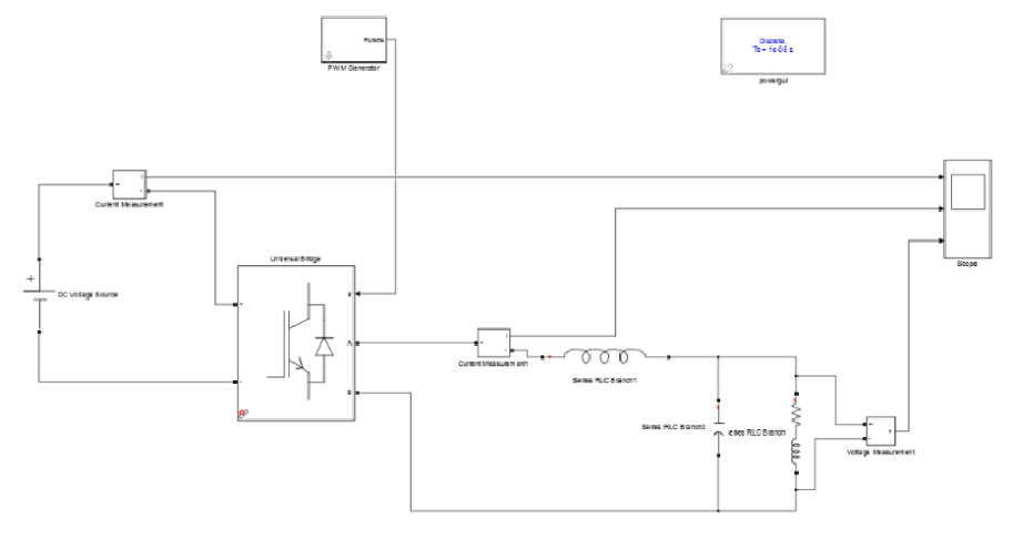
单极性PWM调制的单相正弦波逆变电路仿真模型如图1所示。主电路中的直流电源电压为200 V,通过由通用桥模块[3]构成的桥式逆变电路连接至阻感负载。负载电感为2mH,电阻为3Ω。
该电路的仿真波形如图3所示。从波形可以看出,结果与实际实验结果完全一致,证明了仿真结果的正确性。
3 滤波器设计
3.1 滤波器参数设置
在设计滤波器时,通常先设计电感L的取值。电感的选择与纹波电流和系统的功耗有关。一般情况下,电感L上的纹波电流选取为额定电流的15%–25%。
在单极性调制[4]的情况下:
$$
\Delta I_l = \frac{U_d - U_o(t)}{L} \times D(t) \times T_e
$$
(1)
在开关频率远大于工作频率的条件下,根据单极性PWM的原理,可得到每个开关周期的占空比如下
$$
D(t) = \frac{U_o(t)}{U_d}
$$
(2)
将公式(2)代入公式(1)可得
$$
\Delta I_l = \frac{U_d - U_o(t)}{L} \times \frac{U_o(t)}{U_d} \times T_e
$$
(3)
As can be seen from equation (3), 当 $2U_o(t) = U_d$ 时,$\Delta I_l$ 达到最大值
$$
\Delta I_{lmax} = \frac{U_d}{4Lf_c}
$$
(4)
因此有
$$
L \geq \frac{U_d}{4f_c \Delta I_{lmax}}
$$
(5)
The cut-off frequency of LC filter $f_c$ is
$$
f_c = \frac{1}{2\pi\sqrt{LC}}
$$
(6)
among them
$$
f_har(min)/2 \leq f_c \leq 10f
$$
In the formula: $f$ the fundamental 频率;$f_{har(min)}$ 是最低谐波频率。
如果将滤波器电感的电流纹波近似视为正弦波,并假设全部由滤波电容吸收,则输出电压纹波的最大值应为
$$
\Delta U_{omax} = \frac{\Delta I_{lmax}}{2\pi f_c C}
$$
(7)
公式(4)代入公式(7) can be obtained by substituting 得到 following equation
$$
LC \geq \frac{U_d}{8\pi^2 f_c^2 \Delta U_{omax}}
$$
(8)
电感L的值可以根据公式(5)计算,电容C的值可以从公式(6)中得出。电感L的参数设置如图4所示,电容C的参数设置如图5所示。
3.2 仿真模型的建立
LC滤波器的仿真电路如图6所示,输出波形如图7所示。
4 谐波分析
通过“功率GUI”对未加滤波器的单相正弦PWM逆变电路所获得的输出电流进行谐波分析,结果如图8所示。总谐波畸变率= 13.62 %,远大于国家标准规定的8 %[5]。
通过单相正弦PWM逆变电路经过滤波器滤波后,通过功率GUI进行分析,结果如图9所示。总谐波畸变率THD = 2.30%,大大降低了谐波含量,满足国家标准。
5 结论
为了使PWM逆变器具有更好的输出波形,针对PWM逆变器的高谐波频率,采用了二阶LC低通滤波网络[6]。
从仿真结果可以看出,加入LC滤波后,输出电压中的谐波成分被滤除,更接近正弦波形,同时负载电流的波形更加平滑,正弦度更好。这表明增加滤波环节能明显改善逆变器输出波形。
1218

被折叠的 条评论
为什么被折叠?



