摘要
本篇笔记主要记录在调试Allegro microsystem 公司生产的A1333 高速,低延迟,带有诊断和ASIL D 认证的无接触式的0~360°的角度位置传感器IC时遇到的一些问题。
A1333简介
A1333可以无接触测量0~360°角度,符合ISO262的功能安全认证ASIL D等级。带有自诊断功能,是一种霍尔效应的SoC,包含三部分,CVH(Circular Vertical Hall) 前端,数字信号处理部分,和电机换向和编码器输出,而且片上还有EEPROM,可以用来存储参数,因为符合ASIL D等级认证,所以是汽车应用的理想选择,广泛用于,电动转向,油门控制等系统,有24脚eTSSOP 封装的和14脚封装的,24脚的是双轨的,14脚封装的是单轨的。

系统框图

从系统框图也可以看出,总体包含我们前面说的由三部分组成,CVH前端,数字信号处理和电机换向输出UVW,/编码器输出。
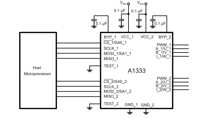
典型应用框图
一般我们都是用一个单片机来配合控制A1333, A1333有SPI 接口和ABI接口,这次我们以SPI接口为例子。

理论上任何一款带SPI的单片机都可以完成和A1333的通信,但如果是汽车应用,要选用带有ASIL 认证的单片机。我们以MPC5744p 这款带有ASIL D认证的单片机为

本文记录了在使用Allegro A1333角度位置传感器时遇到的SPI通信问题。在MPC5744p单片机上进行SPI通信,发现从机无响应。通过检查硬件和软件,最终确定TEST脚未接地导致问题,修复后通信恢复正常。同时介绍了如何解锁A1333的EEPROM进行参数设置。
最低0.47元/天 解锁文章
712

被折叠的 条评论
为什么被折叠?



