1. 摘要
本篇笔记主要介绍,在STM32H743芯片上实现CAN通信,封装为BSP驱动,为之后实现CAN的高层通信打下基础。
2. 准备工作
1, IAR 8.32.1
2, STM32Cube_FW_H7_V1.6.0
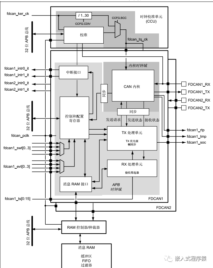
3. 简介
STM32H743的控制器局域网络 (CAN) 子系统由两个 CAN 模块、一个共享消息 RAM 存储器和一个时钟校准单元组成。关于这四个组成部分的基址,请参见存储器映射。两个 CAN 模块(FDCAN1 和 FDCAN2)均符合 ISO 11898-1: 2015(CAN 协议规范第 2.0 版A、 B 部分)和 CAN FD 协议规范第 1.0 版。此外,第一个 CAN 模块 FDCAN1 支持 ISO 11898-4 中规定的时间触发 CAN (TTCAN),包括事件同步时间触发通信、全局系统时间和时钟漂移补偿。FDCAN1 还额外包含专供时间触发功能使用的寄存器。CAN FD 选项可与事件触发和时间触发 CAN 通信一起使用。10 KB 的消息 RAM 存储器可实现过滤器、接收 FIFO、接收缓冲区、发送事件 FIFO、发送缓冲器( TTCAN 触发)功能。该消息 RAM 在 FDCAN1 和 FDCAN2 模块之间共用。通用时钟校准单元是可选的。通过评估 FDCAN1 接收到的 CAN 消息,该单元可基于 HSI 内部 RC 振荡器和 PLL 为 FDCAN1 和 FDCAN2 生成经过校准的时钟。
CAN 框图

CAN的底层大部分ST已经在HAL库里面封装

本文介绍了如何在STM32H743芯片上实现CAN通信的BSP驱动封装,详细讲解了数据封装、初始化、中断回调函数的实现,以及测试过程,为实现CAN的高层通信提供基础。
最低0.47元/天 解锁文章
6310

被折叠的 条评论
为什么被折叠?



