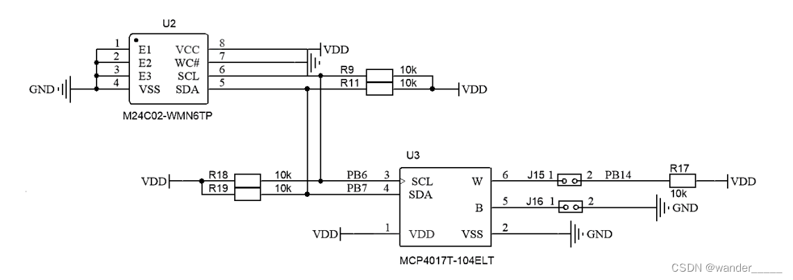
一、原理图

PB6、PB7Output输出,PB14可测量

二、CubeMX配置

三、代码
void MCP4017_write(unsigned char value)
{
I2CStart();
I2CSendByte(0x5e);
I2CWaitAck();
I2CSendByte(value);
I2CWaitAck();
I2CStop();
}
unsigned char MCP4017_read(void)
{
unsigned char value;
I2CStart();
I2CSendByte(0x5f);
I2CWaitAck();
value = I2CReceiveByte();
I2CSendNotAck();
I2CStop();
return value;
}

1238

被折叠的 条评论
为什么被折叠?



