改进的片上自触发单粒子瞬态测量电路设计与应用
1. 引言
随着半导体集成电路(IC)工艺节点的不断进步,单粒子效应(SEEs)由于以下几个原因变得愈发显著。首先,集成电路中敏感节点的寄生电容减小,导致SEE临界电荷降低,从而增加了高能粒子轰击该节点时引发单粒子效应的敏感性。其次,随着技术的进步,集成电路密度大幅提高,两个敏感晶体管之间的距离缩短,导致电荷共享效应增强,使得诸如DICE [1]等单粒子翻转(SEU)空间加固技术逐渐失效。[2]发现,采用DICE结构后,触发器在质子和中子作用下的SEU截面仅比传统触发器降低了约60%。第三,逻辑电路对单粒子瞬态(SET)的敏感性显著增加。N. Mahatme等人[3]发现,当组合逻辑电路工作在高频时,由组合逻辑电路中的单粒子瞬态引起的软错误已超过触发器和静态随机存取存储器(SRAM)等存储单元中由单粒子翻转引起的软错误。
由SET引起的软错误贡献增加的原因有多种。此外,单粒子瞬态由单粒子效应引起的软错误无法通过错误检测与纠正(ECC)技术[4]来缓解。ECC仅对集成电路中的存储器组件有效。
随着技术的进步,集成电路的工作频率大幅提高。单粒子瞬态被触发器等时序元件锁存的概率与单粒子瞬态脉冲宽度和频率同时成正比[5]。因此,当频率升高时,相同宽度的单粒子瞬态更容易或以更高概率被触发器锁存,从而导致软错误。与此同时,集成电路的速度也随技术进步而提升,电学屏蔽效应因此减弱,更窄脉冲宽度的单粒子瞬态能够在组合逻辑中传播而无衰减,如[6,7]所述。
如上所述,SET脉冲宽度是一个重要参数,用于表征单粒子瞬态转化为软错误的可能性。许多技术已被提出用于测量SET脉冲宽度。所有这些技术可分为两类:片上和片外。片外方法利用外部仪器(如高速示波器[8])进行测量。该技术能够观察和捕获单粒子瞬态的详细波形,但由于高速示波器的限制以及信号从芯片传输到示波器过程中的信号失真,很难检测非常窄的单粒子瞬态脉冲。而片上技术则将组合逻辑(单粒子瞬态源)与测量电路集成在同一芯片上,从而避免了信号在传出芯片时发生信号中断的问题。
[9]提出的片上单粒子瞬态测量设计因其结构简单且分辨率高,已被研究人员[10]和[11]广泛使用。然而,该设计无法准确检测那些过于狭窄、在单粒子瞬态测量电路中传播时发生衰减的单粒子瞬态。无衰减通过无限级逻辑门传播的最小脉冲宽度约为单个逻辑门传播延迟的四倍[12]。根据Loveless等人[13]的研究,在粒子LET(线性能量转移)超过49 MeV·cm²/mg的重离子辐照条件下,无法无衰减传播的窄单粒子瞬态脉冲宽度可能占据显著比例。为了克服这一缺陷,本文在原有设计基础上开发并设计了一种改进的SET脉冲宽度测量电路。该设计不仅解决了窄脉冲宽度的测量问题,还简化了单粒子瞬态测量电路中自触发部分的设计。
2. 单粒子瞬态传播仿真
与单粒子翻转不同,组合逻辑电路中产生的单粒子瞬态并不会直接被解释为软错误。它需要在产生后继续沿后续的组合逻辑传播,并到达触发器被锁存后才会形成软错误。因此,单粒子瞬态传播原理在确定单粒子瞬态引发软错误的可能性方面起着重要作用。V. Ferlet‐Cavrois [8]发现,部分耗尽绝缘体上硅(PD SOI)工艺中的浮体效应会导致单粒子瞬态脉冲宽度在组合逻辑中的展宽[14],这是由于在静态或准静态单粒子瞬态测量条件下存在阈值电压迟滞效应所致[15]。在体工艺中,这种效应并不明显。然而,相比之下,在任何技术中,如果单粒子瞬态脉冲宽度窄于某一阈值,则其脉冲宽度会逐渐减小。正如Massengill在[15]中所研究的,该阈值脉冲宽度等于当输入为方波脉冲时,一个组合逻辑单元的输出上升时间和下降时间之和。片上自触发单粒子瞬态测量电路[9,16]是基于单粒子瞬态在透明锁存链中的传播以及当单粒子瞬态仍在链上时对锁存器状态的捕获,如图1所示。通过统计受单粒子瞬态影响的透明锁存器的数量N,并获得每个锁存器的延迟τ,可确定SET脉冲宽度为N ∗ τ。为了确保单粒子瞬态在从透明链中传播出去之前已传播到透明链的末端,自触发电路中的延迟(如红圈所示)应精心设计。
逻辑上讲,透明锁存器是一个反相器,但其电响应时间较长,包括前面提到的上升时间和下降时间。这是因为每个透明锁存器在信号传播路径中包含两个反相器和两个传输门,并具有较大的寄生电容,如图1中的虚线矩形所示。因此,窄的单粒子瞬态在透明锁存链中传播时比在尺寸相似的反相器链中更容易被衰减。图2 显示了一个脉冲宽度为100皮秒的单粒子瞬态在透明锁存链和反相器链中的传播情况。两条链均采用相似的晶体管尺寸设计。由于其脉冲宽度足够大,该单粒子瞬态在两条链中传播时均无衰减。然而,一个60皮秒的单粒子瞬态在透明锁存链中发生衰减,而在反相器链中未观察到衰减,如图3所示。进一步的仿真表明,透明锁存链和反相器链中单粒子瞬态能够无衰减传播的阈值脉冲宽度分别为80皮秒和45皮秒。由于反相器链与透明锁存链在阈值单粒子瞬态脉冲宽度上存在显著差异,一些在组合逻辑中产生并以无衰减方式传播的窄单粒子瞬态(在80皮秒–45皮秒范围内)在单粒子瞬态测量电路中会被衰减,从而无法被准确测量。
3. 提出的片上自触发单粒子瞬态测量设计
3.1. 设计细节
图4显示了所提出的片上自触发单粒子瞬态测量电路的原理图。该设计未采用单一的单粒子瞬态测量电路,而是设计了两个并行电路。其中一个用于测量相对较宽的SET脉冲宽度,另一个用于测量窄脉冲宽度的单粒子瞬态。宽脉冲和窄脉冲宽度测量模块分别标记为W‐SET和N‐SET。W‐SET与N‐SET的设计之间存在两点差异。一方面,如N n 所示,W‐SET中的锁存器级数多于N‐SET中的锁存器级数。N的值由待检测单粒子瞬态的最大脉冲宽度决定。最大脉冲宽度与锁存器在透明状态下的延迟之比应小于N,以保留一定的冗余度。n的值由能够在透明锁存链。透明锁存器的最小脉冲宽度与延迟之比应小于n。另一方面,W‐SET和N‐SET所连接的自触发电路在透明锁存链中的位置不同。
对于W‐SET,自触发电路连接至第(N‐10)级锁存器(以确保由于自触发电路固有延迟的存在,单粒子瞬态在被锁存之前不会传播出测量电路)。详细连接如图4中红色矩形所示。对于N‐SET,它连接至第一级锁存器,其详细连接方式与W‐SET相同。由于来自目标电路的单粒子瞬态同时由W‐SET和N‐SET进行测量,因此可以将W‐SET和N‐SET的测量结果进行综合。脉冲宽度大于阈值脉冲宽度的单粒子瞬态可由W‐SET准确测量,而脉冲宽度窄于该阈值的单粒子瞬态则可由N‐SET测量,且由于N‐SET中透明锁存级数非常少,脉冲宽度衰减的影响较小,如上所述。
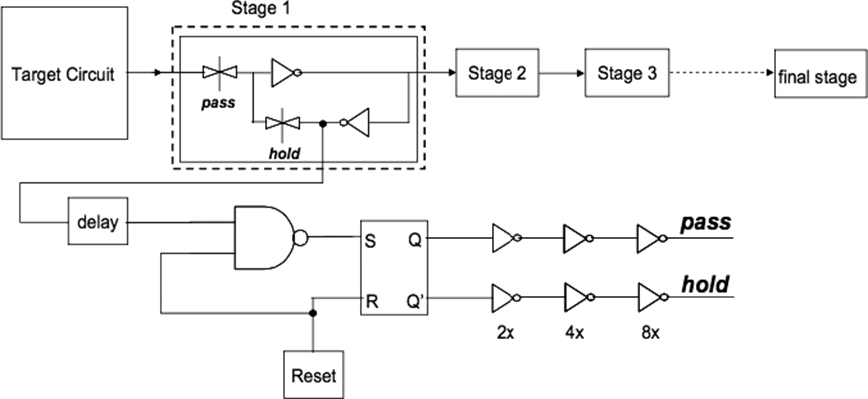
所提出的设计中的自触发电路与[9]中所示的类似,如图5所示。然而,与原始的自触发电路设计不同,图1 中所示的延迟部分在所提出的设计中不再需要。原因是,在原始设计中,触发信号HO(保持)和PA(通过)(用于使锁存器在透明模式和锁存模式之间切换)需要在信号输入到自触发电路之后很长一段时间才能到达所有锁存器。只有通过合理设计延迟,才能在原始设计中利用锁存链捕获单粒子瞬态(SET),同时测量较大范围的SET脉冲宽度[16]。但在所提出的设计中,自触发电路被设计为无需额外的延迟电路即可产生触发信号HO和PA。这种差异归因于自触发电路连接至透明锁存链的位置不同。自触发电路的连接位置越接近透明锁存链的最后一级,所需延迟就越少。在原始设计中,自触发电路连接到锁存链的第一级,其后跟随多个锁存器级数。然而,在所提出的设计中,连接到自触发电路的锁存器之后的锁存器级数少于10级。
N‐SET中的自触发电路确保仅当单粒子瞬态来自目标电路而非测量电路本身时才产生触发信号。
锁存链被触发且锁存器状态被锁存后,为了读取每个锁存器的状态,设计了一个由扫描型flip-flop构成的移位寄存器,如图6所示。
W‐SET和N‐SET共有N+级锁存器。它们的每个锁存器状态都连接到输入到触发器的D端。当SE1被置为低电平时,每个锁存器的状态被加载到对应的触发器输出Y中。然后,将SE1置为高电平。经过N + n个时钟周期后,每个锁存器状态被依次读出。通过检查每个锁存器的状态并统计受单粒子瞬态影响的锁存器数量(比较单粒子瞬态事件前后每个锁存器的状态),可计算出SET脉冲宽度,具体方法如第2节所述。
4. 仿真结果与讨论
4.1. 原理图仿真
为了验证所提出设计的功能,使用Cadence Spectre工具进行了电路设计和仿真。设计与仿真采用了体硅65纳米技术。以标称电源电压1.2伏特作为案例研究。图7展示了脉冲宽度为110皮秒的单粒子瞬态的原理图仿真结果。通过产生一个RS负脉冲来复位测量电路后,将一个110皮秒的单粒子瞬态注入测量电路。该单粒子瞬态触发N‐SET,随后触发W‐SET,HO2(实线波形,N‐SET)和HO1(虚线波形,W‐SET)分别从低电平转变为高电平。通过将SE从低电平变为高电平,移位寄存器将每个锁存器的状态依次移出,如信号Ys所示。N‐SET锁存器的状态首先被移出,对应前10个时钟周期(点线框),其余时钟周期包含W‐SET的状态(点划线框)。
更多仿真结果如图8所示,针对60皮秒、100皮秒和160皮秒的单粒子瞬态。不同单粒子瞬态脉冲宽度下的移位寄存器输出Ys被展示,并与未受单粒子瞬态影响时的结果(即参考Ys)进行比较。可以看出,N‐SET和W‐SET分别受到60皮秒、100皮秒和160皮秒脉冲宽度的单粒子瞬态影响的锁存器数量为(3, 5, 5)和(0, 5, 9)。通过利用N‐SET测得的窄单粒子瞬态脉冲宽度结果(小于5)以及W‐SET测得的宽单粒子瞬态脉冲宽度结果(大于或等于5),可确定每个单粒子瞬态所影响的锁存器数量分别为3、5和9。假设每个锁存器的延迟约为19皮秒(通过仿真得出),则最终测量结果分别为57皮秒、95皮秒和171皮秒。因此,测量结果接近输入的单粒子瞬态脉冲宽度,偏差较小。W‐SET的测量结果与原始设计相似,因为它们具有相同级数的透明锁存器,并且当窄单粒子瞬态在透明锁存器中传播时会经历类似的衰减。因此,与原始设计相比,所提出的方案能够在几乎不增加电路面积成本的同时,降低可测量的最小单粒子瞬态脉冲宽度,同时降低了自触发电路延迟部分的设计难度。
4.2. 布局后仿真
为了获得每个透明锁存器的实际延迟(与制造后的电路相比)并评估单粒子瞬态测量电路的性能,需要首先从布局设计后和图9中所示电路版图提取寄生参数,包括电阻、电导和电容。版图仿真应在之后进行。寄生参数在最坏情况条件(即假设最差工艺、温度、电压和老化变化的慢工艺角)下提取。由于单粒子瞬态测量电路的精度在电路速度提高时得到改善,因此最坏情况仿真结果代表了最保守的情况。
与原理图仿真和分析类似,在版图后仿真中测量了一系列单粒子瞬态脉冲宽度,结果总结于表1中。如表1所示,N‐SET能够测量脉冲宽度在55皮秒–205皮秒范围内的单粒子瞬态(受单粒子瞬态影响的锁存器少于5个)。W‐SET能够测量205皮秒或更宽的单粒子瞬态(受单粒子瞬态影响的锁存器为5个或更多)。通过结合N‐SET和W‐SET的测量能力,可实现更宽的单粒子瞬态脉冲宽度测量范围。窄单粒子瞬态脉冲宽度范围内的较大相对误差是该技术数字化过程的结果。W‐SET的结果实际上应与原始设计相似,因为它们具有相似数量的锁存器级数。因此,所提出的设计在保持测量宽单粒子瞬态脉冲宽度能力的同时,将可测量的单粒子瞬态脉冲宽度下限从205皮秒扩展到55皮秒。
表1 版图后仿真和测量结果
| 注入的单粒子瞬态 (ps) | 受影响的锁存器的 N‐SET/W‐SET | 测量结果 (ps) | 相对误差 (%) |
|---|---|---|---|
| 55 | 1/0 | 42 | 23.6 |
| 105 | 3/0 | 126 | 20.0 |
| 155 | 4/3 | 168 | 8.4 |
| 205 | 5/5 | 210 | 2.4 |
| 305 | 5/7 | 294 | 3.6 |
| 405 | 5/9 | 378 | 6.7 |
| 505 | 5/11 | 462 | 8.5 |
| 605 | 5/14 | 588 | 2.8 |
| 705 | 5/16 | 672 | 4.7 |
| 805 | 5/19 | 798 | 0.9 |
| 905 | 5/21 | 882 | 2.5 |
| 1005 | 5/23 | 966 | 3.9 |
注:每个透明锁存器的逻辑延迟为42皮秒(通过仿真得出)。
5. 脉冲激光实验结果与讨论
设计电路基于布局设计进行制造。除了片上自触发单粒子瞬态测量电路外,同一芯片上还集成了一个环形振荡器。该环形振荡器用于校准测量电路中每个锁存器的延迟。环形振荡器中的锁存器(作为反相器使用)与测量电路中的锁存器具有相同的原理图和版图,以确保它们具有相同的逻辑门延迟。在1.2伏特的标称电源电压下,测量电路中透明锁存器的逻辑延迟测得为33.3皮秒。发现33.3皮秒远短于版图后仿真结果42皮秒,这在考虑仿真中采用的最坏情况条件时是正常的。通过将单粒子瞬态测量后受影响的锁存器数量与每个锁存器测得的逻辑延迟(即33.3皮秒)相乘,可实验确定单粒子瞬态的脉冲宽度。
脉冲激光单粒子实验在西北核技术研究所(NINT)进行,如图10所示。脉冲激光装置产生的脉冲持续时间为21.5皮秒,提供两种波长:1064纳米和532纳米,对应的脉冲直径分别为1.02 μ米和0.78 μ米。为了确保激光脉冲能够到达芯片中组合逻辑电路或目标电路的敏感区域,目标电路的部分区域未设置顶层金属布线。如图11所示,去封装芯片用于脉冲激光实验,并展示了在放大显微镜下观察到的组合逻辑电路截图,其中中心区域(绿色条带)无顶层金属布线。激光束仅照射该无金属区域,如图11中红十字符号所示。当激光束在硅区域上方的金属层中传播时,波长较短的脉冲激光会经历更大的衰减。然而,由于研究区域的硅区域上方没有金属层,因此本测试选择532纳米波长以获得更小的脉冲直径– 0.78 μ米,从而提高定位精度。通过改变激光脉冲的能量,可以获得不同等效线性能量传递(LET)的单粒子效应。
图12–14分别显示了在脉冲激光能量为0.03纳焦、0.1纳焦和0.2纳焦时反相器链的单粒子瞬态脉冲宽度测量结果。为了使图表更清晰,用受影响的锁存器级数来代表单粒子瞬态脉冲宽度。当测得的单粒子瞬态脉冲宽度小于166.5皮秒(对应于少于5级锁存器受到单粒子瞬态影响)时,只有N‐SET能够准确测量该脉冲宽度,如图12和13所示。相反,对于等于或大于166.5皮秒的单粒子瞬态脉冲宽度,W‐SET在测量宽单粒子瞬态脉冲宽度方面表现出优势,如图12–13特别是图13所示。通过结合N‐SET的测量结果(受单粒子瞬态影响的锁存器级数不超过5级)和W‐SET的测量结果(超过5级锁存器受影响),M‐SET给出了所提出的单粒子瞬态测量电路的最终测量结果。它不仅能够正确测量窄单粒子瞬态脉冲宽度,还能覆盖较宽范围的单粒子瞬态脉冲宽度。
综上所述,在激光能量为0.03纳焦时,单粒子瞬态脉冲宽度范围为1 ∗ 33.3 ps–9 ∗ 33.3 ps,即33.3皮秒–299.7皮秒。类似地,0.1纳焦和0.2纳焦对应的单粒子瞬态脉冲宽度范围分别为33.3皮秒–599.4皮秒和166.5皮秒–899.1皮秒。因此,与原始的单粒子瞬态测量电路设计(类似于W‐SET的结果)相比,所提出的电路设计将可测量的单粒子瞬态脉冲宽度阈值从166.6皮秒提升至33.3皮秒。
在脉冲激光实验中观察到传播引起的脉冲展宽(PIPB)效应。当能量为0.1纳焦时,图15显示了测得的单粒子瞬态脉冲宽度结果(以受影响的锁存器数量表示)在第300、500和700级位置,即分别距离反相器链末端300、500和700级反相器处。随着单粒子瞬态产生位置距链末端的距离增加,单粒子瞬态脉冲宽度趋于增大。通过乘以每个锁存器的延迟(即33.3皮秒),第300、500和700级位置的平均单粒子瞬态脉冲宽度分别为265皮秒、285皮秒和314皮秒。因此展宽因子为(314–265)/400 = 0.123皮秒/级反相器。对于0.03纳焦的情况,类似的结果如图16所示,第300、500和700级位置的平均单粒子瞬态脉冲宽度分别为185皮秒、214皮秒和242皮秒。计算得到的展宽因子为(242–185)/400 = 0.143皮秒/级反相器。相比之下,窄单粒子瞬态脉冲宽度的脉冲展宽效应比宽单粒子瞬态脉冲宽度更为显著。得益于所提出设计对测量小单粒子瞬态脉冲宽度的能力,可以正确研究PIPB效应,而这是原始单粒子瞬态测量设计无法实现的。
6. 结论
本文提出了一种基于广泛应用的设计[9,16]的片上自触发单粒子瞬态测量电路设计。与原始设计相比,所提出的设计通过消除其中的延迟组件,简化了自触发电路设计。该设计采用体硅65纳米技术制造,并使用脉冲激光装置进行测试,以模拟单粒子效应。通过将激光能量从0.03纳焦调整到0.2纳焦,验证了所提出设计相较于原始设计的优势。在1.2伏特电源电压下,最小准确测量的单粒子瞬态脉冲宽度从166.5皮秒(原始设计能力)降低至33.3皮秒,且可测单粒子瞬态脉冲宽度范围足够大,能够覆盖产生的单粒子瞬态脉冲宽度。利用所提出的设计,研究了PIPB效应。在1.2伏特电源电压下,测得所研究反相器链的展宽因子为0.123皮秒–0.143皮秒/级。由于在太空等辐射环境中预计会出现大量单粒子瞬态脉冲宽度分布(相当比例的单粒子瞬态处于窄脉冲宽度范围内),因此所提出的单粒子瞬态测量电路设计在辅助研究单粒子瞬态产生与传播机制、正确评估单粒子瞬态威胁方面应具有重要价值。
4万+

被折叠的 条评论
为什么被折叠?



