1、内容简介
Matlab 261-不同控制策略和不同附着系数下车辆BAS仿真
可以交流、咨询、答疑
2、内容说明
略
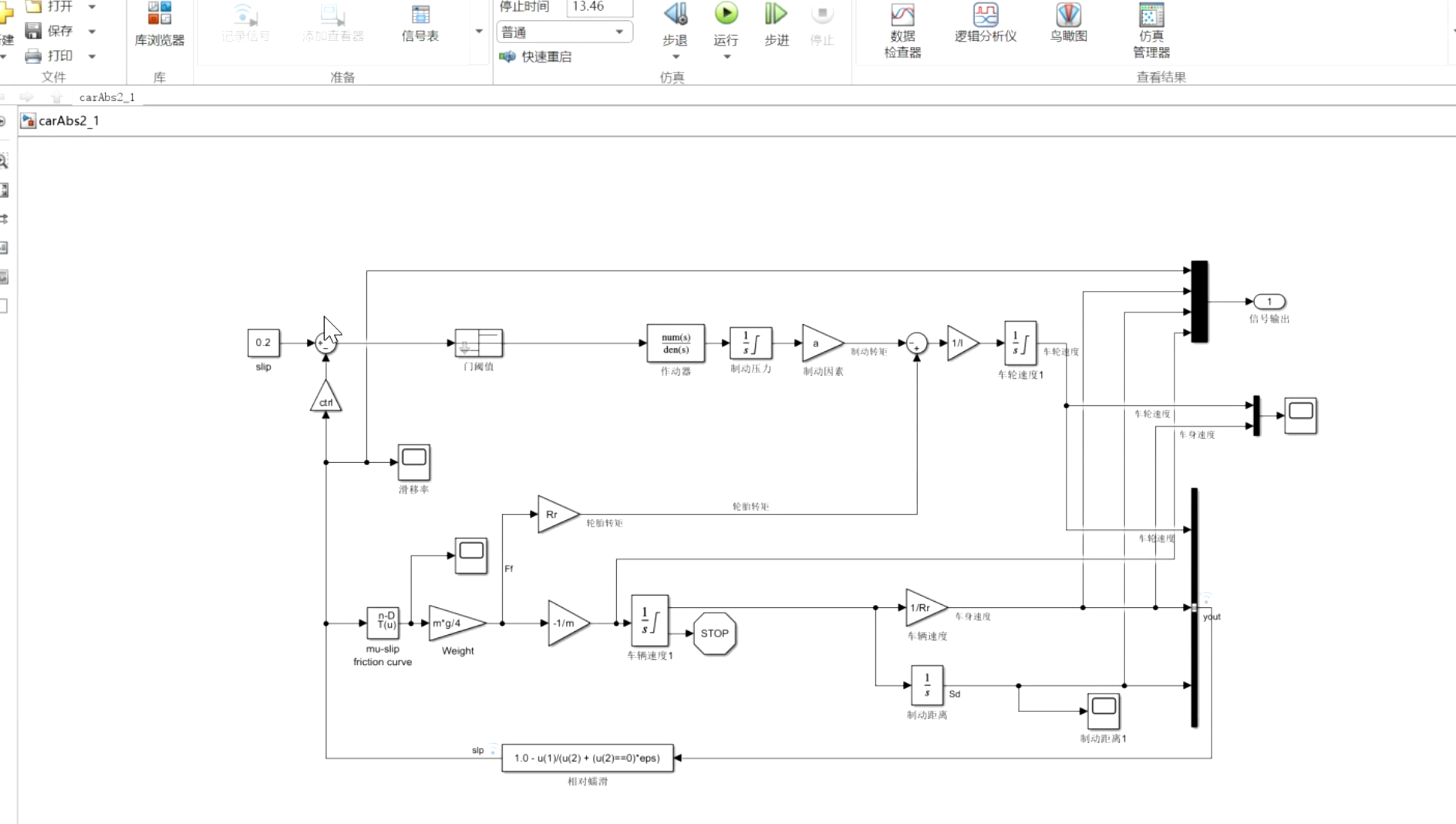
3、仿真分析
略







4、参考论文
基于滑模变结构的ABS制动系统设计_曹勇 (1)略
汽车防滑刹车系统滑模变结构控制器设计_袁跃
1、内容简介
Matlab 261-不同控制策略和不同附着系数下车辆BAS仿真
可以交流、咨询、答疑
2、内容说明
略
3、仿真分析
略







4、参考论文
基于滑模变结构的ABS制动系统设计_曹勇 (1)略
汽车防滑刹车系统滑模变结构控制器设计_袁跃

被折叠的 条评论
为什么被折叠?